KONNER KS ATS 3-18HD Automatic Transfer Switch (Ats)

The Automatic Transfer Switch (ATS) is a device that automatically switches power consumers from the main power supply to a generator when the main power supply is de-energized. The ATS comes in three models: KS ATS 3/18HD, KS ATS 1/40HD, and KS ATS 4/63HD. Each model has different specifications regarding battery voltage, power consumption, operating voltage/maximum current, IP protection class, insulation class, and net/gross weight. The KS ATS 4/63HD model comes with a programmable controller and a generator emergency stop button. The total power of power consumers connected to the ATS system must not exceed the maximum permissible power for the specific ATS unit model.
Usage Instructions
Before using the ATS unit, it is important to read the manual carefully to ensure equipment integrity and avoid possible injuries. The followings are some safety precautions and instructions for using the ATS unit:
- Do not use the product near flammable gases, liquids, or dust.
- Keep the work area clean and well lit to avoid injuries. Keep unauthorized persons, children, and animals away from the running product.
- Do not operate the product when you are tired or under the influence of potent drugs, alcohol, or medication.
- Make sure there are no foreign objects on the product when it is turned on.
- Do not overload the product; use it for its intended purpose only.
- The total power of power consumers connected to the ATS system must not exceed the maximum permissible power for this ATS unit model.
To operate the ATS unit:
- Ensure that the ATS unit is properly installed and connected to the power supply and the generator.
- Turn on the main power supply.
- The ATS unit will automatically switch over to the main power supply.
- In case of a power outage, the ATS unit will automatically switch over to the generator.
- When the main power supply is restored, the ATS unit will automatically switch back to the main power supply and turn off the generator.
- If there is an emergency situation, press the generator emergency stop button.
For further information or if you encounter any problems using the product, please refer to the contact information provided at the end of the manual.
PREFACE
Thank you for your purchase of ATS from TM Könner & Söhnen. This manual contains safety instructions, a description of the use and commissioning of the ATS and procedures for its maintenance. The manufacturer reserves the right to make changes in the product design, configuration and construction. The images and drawings in this manual are for reference only and may differ from the actual components and inscriptions on the products. Contact information that you are free to use in case of any problems can be found at the end of this manual. All information in this manual is correct to the best of our knowledge and belief at the date of its publication. The current list of service centers can be found on the official importer’s website: www.ks-power.de/en
PLEASE NOTE: In order to ensure equipment integrity and avoid possible injuries, we recommend that you read this manual before operating the product.
ATS UNIT USE AND SAFETY PRECAUTIONS
WORK AREA
Do not use the product near flammable gases, liquids or dust. Keep the work area clean and well-lit to avoid injuries. Keep unauthorized persons, children and animals away from the running product.
ELECTRICAL SAFETY
The product is energized. Observe safety precautions to avoid electric shock. Avoid operating the product in high-humidity environments. Do not allow moisture to enter the product, as this increases the risk of electric shock. Avoid direct contact with grounded surfaces (pipes, radiators, etc.). Be careful when working with the power cord. Replace it immediately in case of damage, as a damaged power cord increases the risk of electric shock. All product connections must be carried out by a certified electrician in accordance with all electrical codes and regulations. Do not operate the product with your feet in the water, on wet or damp soil. Do not touch live parts of the product. Keep all electrical equipment dry and clean. Replace damaged or worn wiring. Worn, damaged, or rusted terminals must be replaced as well.
PERSONAL SAFETY
Do not operate the product when you are tired or under the influence of potent drugs, alcohol or medication. During an operation, inattention can cause serious injury. Make sure there are no foreign objects on the product when it is turned on. Do not overload the product; use it for its intended purpose only.
PLEASE NOTE: The total power of power consumers connected to the ATS system must not exceed the maximum permissible power for this ATS unit model.
SPECIFICATIONS
GENERAL VIEW OF THE ATS UNITS
KS ATS 3/18HD, KS ATS 1/40HD, KS ATS 4/63HD

- Main power indicator
- Load connection indicator
- Generator power indicator
- ATS unit main switch
- Control cable connector
- Cable entry openings
- Programmable controller
- Fuse
- Generator emergency stop button
OPERATING THE ATS UNIT
ATS UNIT FUNCTION
- The ATS unit automatically starts the generator and switches overpower consumers to it when the main power supply is de-energized.
PLEASE NOTE: Use the control cable to connect the ATS unit to the power generator; the generator must have a special connector for connecting the ATS.
OPERATING PROCEDURE
Connect the ATS unit as shown in Figs. 3-6 and according to the diagrams in the Appendix.
AUTOMATIC MODE
Set the “POWER SWITCH” to the “ON” position, and then press the “AUTO” button. The “AUTO” light indicator indicates that the ATS system is in automatic mode. When the main power supply is disconnected, the ATS system automatically starts the generator in 12 seconds (time can be programmed). After 6 seconds (the time can be programmed) following the generator startup, the system will switch over power consumers to the backup power source (generator). In case of an unsuccessful startup, the ATS system attempts to start the generator three times with an interval of 6 seconds between the attempts. If all three attempts are unsuccessful, the ATS unit will stop trying to start the engine and signal an error. When the main power supply is turned on, the ATS system switches over power consumers to the main power supply and turns off the power generator in 12 seconds (time can be programmed).
GENERATOR STOP IN THE “AUTO” POSITION
If the generator was started in the “AUTO” position, set the “POWER SWITCH” to the “OFF” position to stop it. The generator will stop immediately, or press the emergency stop button.
MANUAL MODE
If it becomes necessary to start the generator without using the ATS automatic mode, press the manual mode button first and then press the “START” button to start the generator. To stop the generator, press the “STOP” button.
BATTERY
The ATS unit battery is charged automatically. The maximum charging current is 2A.
CONTROLLER
INDICATORS AND CONTROL BUTTONS

![]()
- Starter indicator – signals the operation of the starter and flashes once per second in preparation for the startup.
- Engine preheat indicator – glows steadily when the engine is preheated. The generator must be equipped with an engine preheating system.
- Engine indicator – glows steadily when the engine is running. It flashes once per second in preparation of the engine for the startup.
- (LH) Generator power indicator – lights up when power is supplied from the generator. It flashes once per second in preparation for the power supply.
- (RH) Main power indicator – lights up when power is supplied from the mains.
- Load connection indicator – glows steadily when power consumers are connected.
- Connection error indicator – flashes 4 times per second and emits a beep when cables or connections are damaged.
- Power indicator – lights up when there is voltage from the main power network. It flashes once per second when testing the mains.
- Engine fault indicator – flashes 2 times per second and emits a beep after the engine has failed to start after 3 attempts.
- Engine speed
- Oil pressure indicator – flashes 2 times per second and emits a beep when the engine oil pressure is low. The generator must be equipped with an oil pressure sensor. (The ATS models do not have this function).
- Manual mode button/indicator – switches the ATS unit in manual mode, lights up in manual mode.
![]()
- Battery voltage indicator – flashes 2 times per second in the event of improper battery voltage.
- Engine start button – starts the engine in manual mode.
- Engine stop button – stops the engine in manual mode.
- The automatical mode button / indicator switches the ATS unit in AUTO mode, lights up in AUTO mode.
“Power switch” – ATS unit main switch.
ERROR OPTIONS

- Flash together when the generator is deenergized.
- (LH) Failed to connect power consumers to the generator.
- (RH) Failed to connect power consumers to the mains.
CONTROLLER SETTINGS
- With the engine off, press and hold down the button
for 3 seconds to switch the controller to the setup mode. To select the setting, briefly press the
button. The parameters are changed cyclically.
PARAMETERS
![]()
- Engine start delay time following de-energization of the main power supply (factory set to 12 seconds).
- (LH) Generator warm-up time before connecting the load (factory set to 6 seconds).
- Delay time during which the ATS unit will switch over power consumers to the main power supply upon restoration of the power supply (factory set to 6 seconds).
- Engine preheat time (factory set to 6 seconds). (The generator must be equipped with an engine preheating system). (The ATS models do not have this function).
- Starter operation time (can be adjusted from 3 to 21 seconds).
The timing of these parameters can be set to 3, 6, 12, 24 or 48 seconds. Select the required parameter, press
to increase or
to decrease the value. To complete the setup process, press and hold the button
for 3 seconds.
ATS CONNECTOR AND ITS CONNECTION

| Number | Color | Connection function |
| 1 | Red | +12V |
| 2 | Yellow | Starter |
| 3 | Green | ~24V |
| 4 | Blue | Fuel valve |
| 5 | Black | -12V |
| 6 | White | Electric heating |
CONNECTION
CONNECTION OF THE GENERATOR AND ATS TO THE BUILDING POWER SUPPLY NETWORK

DANGER: Opening of ATS unit and its connection to the mains must be carried out only by qualified specialist. The product is under tension.

In practice, there are different options for supplying electric MAINS, and different rules for connecting it. Therefore, the diagrams for equipment installation given in the operating manual are for informational purposes only and are not instructions for installation. The decision on how to properly connect the equipment in each individual case must be made by a certified electrician who performs the installation. The manufacturer is not responsible for incorrect installation and is not responsible for any material and physical damage that may result from improper installation or operation of the equipment.
WIRING DIAGRAMS
DANGER: The ATS unit may only be tampered with and connected by a qualified technician. The product is live.
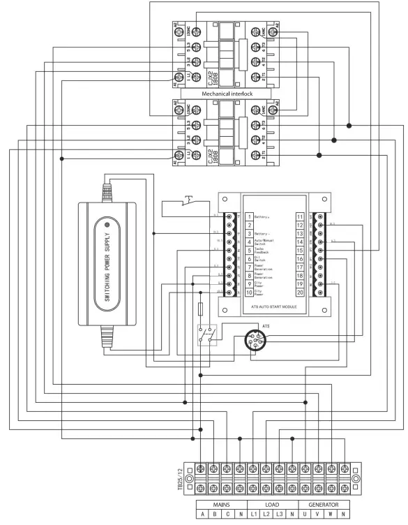
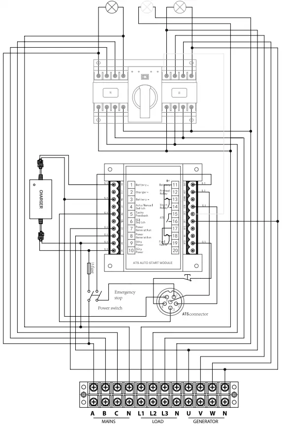
Open the ATS unit door. Inside you will see the connection terminals. Connect the ATS unit as shown in Figs.3-6 and according to the diagrams in the Appendix.
MODELS KS ATS 3/18HD AND KS ATS 1/40HD

MODEL KS ATS 4/63HD

The automatic generator control unit KS ATS 4/63HD has two operating modes: manual and automatic. The ATS unit has a built-in mode switch: AUTOMATIC / MANUAL. To ensure normal functioning of the ATS unit, the manufacturer recommends that the mode switch be set to “I”, which means the device operates in automatic mode, in which the automatic control unit continuously monitors voltage from the main power source (mains). If the mode switch is set to “O”, the ATS unit operates in manual mode and mains voltage control is not provided.
CONTACT STRIPES WITH WIRING DIAGRAM FOR MODEL KS ATS 3/18HD FOR THREE-PHASE MAINS
- MAINS: terminals for the main power supply.
- A: Phase 1, B – Phase 2, C – Phase 3,
- N: NEUTRAL.
- LOAD: terminals for home or other power consumers.
- L1: Phase 1, L2 – Phase 2, L3 – Phase 3,
- N: NEUTRAL.
- GENERATOR: terminals for the generator.
- U: Phase 1, V – Phase 2, W – Phase 3,
- N: NEUTRAL.
СONTACT STRIPES WITH WIRING DIAGRAM FOR MODEL KS ATS 1/40HD FOR SINGLE-PHASE MAINS

- MAINS: terminals for the main power supply.
- N: neutral, L – phase.
- LOAD: terminals for home or other power consumers.
- N: neutral, L – phase.
- GENERATOR: terminals for the generator.
- N: neutral, L – phase.
СONTACT STRIPES WITH WIRING DIAGRAM FOR MODEL KS ATS 4/63HD
- MAINS: terminals for the main power supply.
- A: Phase 1, B – Phase 2, C – Phase 3,
- N: NEUTRAL.
- LOAD: terminals for home or other power consumers.
- L1: Phase 1, L2 – Phase 2, L3 – Phase 3,
- N: NEUTRAL.
- GENERATOR: terminals for the generator.
- U: Phase 1, V – Phase 2, W – Phase 3,
- N: NEUTRAL.
ELECTRIC SCHEMES
- KS ATS 3/18HD – see picture 2 in the Appendix.
- KS ATS 1/40HD – see picture 4 in the Appendix.
- KS ATS 4/63HD – see picture 6 in the Appendix.
WARRANTY PROVISIONS
The international manufacturer warranty is 1 year. The warranty period starts from the date of purchase. In cases when warranty period is longer than 1 year according to local legislation please contact your local dealer. The Seller which sells the product is responsible for granting the warranty. Please contact the Seller for warranty. Within the warranty period, if the product fails because of defects in the production process, it will be exchanged on the same product or repaired. The warranty card should be kept throughout the warranty period. In case of warranty card loss, a second one will not be provided. The customer must provide the warranty card and buyer`s check during request for repair or exchange. Otherwise, the warranty service will not be provided. The warranty card, attached to the product during sale, should be correctly and fully completed by the retailer and customer, signed and stamped. In other cases, warranty is not considered as valid. Provide clean product to the service center. Parts, that must be replaced, are the property of the service center.
WARRANTY DOES NOT COVER:
- Mechanical damage (cracks, paint peeling, etc.) and damage caused by the action of aggressive media, ingress of foreign objects into the product or air inlet screen, as well as damage resulting from improper storage (corrosion of metal parts).
- Malfunctions resulting from improper operation, unintended use of the product, overloading of the product, as well as instability of the mains parameters. The product overload is indicated by melting or discoloration of parts due to the effect of high temperature, score marks on the cylinder or piston surfaces, and destruction of connecting rod inserts or piston rings. In addition, the warranty obligations do not apply to the failure of the automatic voltage regulator of power generators due to improper operation.
- Malfunctions caused by contamination of the fuel or cooling system.
- Quick-wearing parts (V-belts, rubber seals, spark plugs, nozzles, clutch springs, pulleys, guide rollers, cables, manual starters, clamping chucks, collets, removable batteries, filter and safety elements, oil, removable devices, fittings, blades, drills, etc.).
- Electric cables with mechanical and thermal damage.
- The product tampered with or repaired not by the authorized service center. The product tampered with or repaired not by the authorized service center is indicated by, among other things, kinked splined parts of fasteners.
- Preventive maintenance (cleaning, washing, greasing, etc.), installation and setup of the product.
- Normal wear and tear of the product (remaining life).
- Malfunctions arising from the use of the product for business-related purposes.
- The warranty card that is not filled out or does not bear the seller’s seal.
- The warranty card that does not bear the bearer’s signature.
- The warranty will become null and void in case of violation of the rules for the operation, transportation and storage of the generator.
- Improper or careless installation, improper connection to the mains.
WIRING DIAGRAMS
KS ATS 3/18HD


KS ATS 1/40HD


KS ATS 4/63HD


EC Declaration of Conformity
Nr: 102
The following products have been tested by us with the listed standards and found in compliance with the European Community Low Voltage Directive 2014/35/EC, and the Electromagnetic Compatibility Directive (EMC) 2014/30/EC.
- Manufacturer: DIMAX INTERNATIONAL GmbH
- Address: Flinger Broich 203, 40235 Duesseldorf, Germany
- Product: Automatic Transfer Switch “Kenner & Sohnen”
- Type/ Model: KS ATS 4/63HD ,KS ATS 1/40HD, KS ATS 3/18HD
The statement is based on a single evaluation of the above-mentioned products. It does not imply an assessment of the whole production and does not permit the use of the test lab. logo. The manufacturer should ensure that all products in series production are in conformity with the product sample detailed in this report. The applicant should hold the whole technical report at disposal of the competent all the rights.
- Applied EC Directives: 2014/35/EC Low Voltage Directive
- 2014/30/EC Electromagnetic Compatibility Directive (EMC)
- Applied Standards: EN 55014-1:2017
- EN 55014-2:2015
- EN 61000-3-2:2019
- EN 61000-3-3:2013+A1:2019
- IEC 60335-1:2020
Issued Date: 2021-10-10
Place of issue: Duesseldorf

General director: FominP.

We DIMAX INTERNATIONAL GmbH hereby declare that the specified above conforms covering European Parliament and Council Directives, the Low Voltage Directive of 26 February 2014, Electromagnetic Compatibility Directive (EMC) 2014/30/EC of 26 February 2014. The CE mark above can be used under the responsibility of the manufacturer. After completion of an EC declaration of Conformity and compliance with all relevant EC directives.
CONTACTS
Germany
- DIMAX International Ltd
- Flinger Broich 203 -FortunaPark- 40235 Dusseldorf, Germany www.ks-power.de your order [email protected]
- Customer service, technical questions and support [email protected]
- Warranty, repair and service [email protected]
- Miscellaneous [email protected]
Poland
- DIMAX International
- Poland Sp.z o.o.
- Poland, Warszawa, 306B 05-082 Stare Babice
- www.ks-power.pl
- [email protected]



















