K NNER S HNEN KS ATS 4/25 Gasoline Automatic Transfer Switch
PREFACE
Thank you for your purchase of ATS from Könner & Söhnen®. This manual contains safety instructions, a description of the use and commissioning of the ATS and procedures for its maintenance.
The manufacturer reserves the right to make changes in the product design, configuration and construction.
The images and drawings in this manual are for reference only and may differ from the actual components and inscriptions on the products.
Contact information that you are free to use in case of any problems can be found at the end of this manual. All information in this manual is correct to the best of our knowledge and belief at the date of its publication. The current list of service centers can be found on the official importer’s website:
www.konner-sohnen.com
PLEASE NOTE!
In order to ensure equipment integrity and avoid possible injuries, we recommend that you read this manual before operating the product.
ATS UNIT USE AND SAFETY PRECAUTIONS
WORK AREA
Do not use the product near flammable gases, liquids or dust. Keep the work area clean and well lit to avoid injuries. Keep unauthorized persons, children and animals away from the running product.
ELECTRICAL SAFETY
The product is energized. Observe safety precautions to avoid electric shock. Avoid operating the product in high-humidity environments. Do not allow moisture to enter the product, as this increases the risk of electric shock. Avoid direct contact with grounded surfaces (pipes, radiators, etc.).
Be careful when working with the power cord. Replace it immediately in case of damage, as damaged power cord increases the risk of electric shock. All product connections must be carried out by a certified electrician in accordance with all electrical codes and regulations. Do not operate the product with your feet in the water, on wet or damp soil. Do not touch live parts of the product. Keep all electrical equipment dry and clean. Replace damaged or worn wiring. Worn, damaged, or rusted terminals must be replaced as well.
PERSONAL SAFETY
Do not operate the product when you are tired or under the influence of potent drugs, alcohol or medication. During operation, inattention can cause serious injury. Make sure there are no foreign objects on the product when it is turned on. Do not overload the product; use it for its intended purpose only.
PLEASE NOTE! The total power of power consumers connected to the ATS system must not exceed the maximum permissible power for this ATS unit model.
SPECIFICATIONS
| Model | KS ATS 4/25 Gasoline | |
| Power consumption | in standby mode: 0.36 W, in operating mode: 1.2 W | |
| Operating voltage | 230V | 400V |
| Power | 5,75 (11,5) kW | 13 kW |
| Maximum current | 25 (50)А | 25A |
| Working environment | -10-50 0 С humidity: ≤ 60% | |
| Storage environment | -10-70 0 С humidity: ≤ 60% | |
| IP protection class | IP41 | |
| Insulation class | AC1.0KV / 1min 1mA | |
| Maximum battery charging current from the built-in power supply 12V | 2А | |
| Control cable length, m | 5 | |
| Gross dimensions (LxWxH), mm | 405x325x200 | |
| Net dimensions (LxWxH), mm | 320x250x140 | |
| Net weight, kg | 6 | |
GENERAL VIEW OF THE ATS UNITS KS ATS 4/25 GASOLINE

- Main power indicator
- Load connection indicator
- Generator power indicator
- Automatic mode LED light
- LED light signals an error
- ATS unit main switch
- Generator emergency stop button
- Cable entry openings
- Control cable connector
OPERATING THE ATS UNIT
ATS UNIT FUNCTION
The ATS unit automatically starts the generator and switches over power consumers to it when the main power supply is deenergized.
PLEASE NOTE! Use the control cable to connect the ATS unit to the power generator; the generator must have a special connector for connecting the ATS.
OPERATING PROCEDURE
ATS CONNECTOR AND ITS CONNECTION
| Number | Connection function |
| 1 | DC12V positive |
| 2 | Flameout signal line |
| 3 | DC12V negative |
| 4 | Start-up relay |
| 5 | Automatic damper control line |
| 6 | Oil valve control line |
| 7 | Positive terminal of DC12V output |
| 8 | Negative terminal of DC12V output |
Connect the ATS unit as shown in Figs. 2-5.
AUTOMATIC MODE
Turn the start key on the generator control panel to “ON” (for gasoline generators). Set the ATS unit main switch to “ON”. The “AUTO” LED light indicates that the ATS system is in automatic mode.
When the main power supply is disconnected, the ATS system automatically starts the generator in 2 seconds. After 5 seconds following the generator startup, the system will switch over power consumers to the backup power source (generator).
In case of unsuccessful startup, the ATS system attempts to start the generator three times with an interval of 6 seconds between the attempts. If all three attempts are unsuccessful, the ATS unit will stop trying to start the engine and signal an error.
GENERATOR STOP IN THE AUTOMATIC MODE
If the generator was started in automatic mode, to stop it, turn the switch to the «off» position and shut down the generator using the multi-function switch on the generator. Or press the emergency stop button.
TEST MODE
If it is necessary to start the generator without connecting it to the electrical network, turn the main switch of the ATS unit to the «OFF» position.
BATTERY
The ATS unit battery is charged automatically. The maximum charging current is 2A.
ATTENTION – DANGER! It is forbidden to use the generator using LPG as fuel in the mode of automatic start of ATS unit! It is dangerous to leave the connected LPG cylinder open in the standby mode, a gas leak can occur, which can lead to an explosion!
CONNECTION OF THE GENERATOR AND ATS TO THE BUILDING POWER SUPPLY NETWORK
The wiring diagrams have been developed in accordance with the guidelines for planning, installation and operation of emergency power systems developed by European power grid operators.
We recommend using three wiring options.
The generator must be connected via a 32A 230V CEE socket.
The generator must be grounded using either the screw connection or the PE pin in the generator CEE socket.
The PE pin (earth) in the generator sockets is connected to the generator housing. The N pin (neutral) in the generator sockets is NOT connected to the generator housing and must be connected to the main earthing busbar as a separate cable at the point of connection of the neutral from the generator on the AVR for the TN power supply system. When switching power supply to the generator side as instructed, the ATS disconnects not only the phase conductors, but also the neutral conductor of the external power grid.
DISCLAIMER:
This material is for informational purposes only and does not constitute a manual for installing the equipment or connecting it to the mains, but we strongly recommend that you read the instructions below. Equipment connection must always be carried out by a certified electrician responsible for the installation and electrical connection of the equipment according to local laws and regulations. The manufacturer assumes no liability for improper connection of the equipment or for any material or physical damage that may result from improper installation, connection or operation of the equipment.
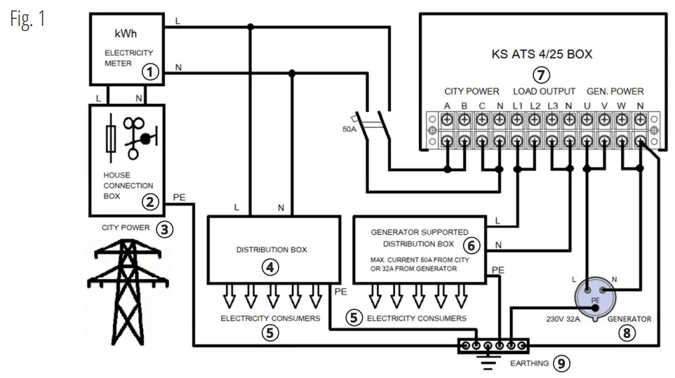
OPTION A FOR SINGLE-PHASE EXTERNAL POWER SUPPLY AND 230 V EMERGENCY ELECTRICITY CONSUMERS.
This option assumes that generator supported electricity consumers may be supplied from an external power grid up to 50 A or from a KS 8100iE ATSR generator up to 32 A (Fig.1 in the Annex).
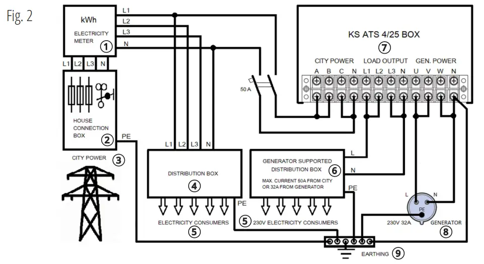
OPTION B FOR THREE-PHASE EXTERNAL POWER SUPPLY AND 230 V EMERGENCY ELECTRICITY CONSUMERS
This option assumes that generator supported electricity consumers may be supplied from an external power grid up to 50 A or from a KS 8100iE ATSR generator up to 32 A (Fig.2 in the Annex).
OPTION C FOR THREE-PHASE EXTERNAL POWER SUPPLY AND 230 V EMERGENCY ELECTRICITY CONSUMERS
This option assumes that generator supported electricity consumers may be supplied from an external power grid up to 25 A per phase or from a generator up to 25 A in total (Fig. 3 in the Annex).
ATTENTION Emergency power supply from the KS 8100iE ATSR generator is possible only for single-phase consumers.
FIG 1. IN THE ANNEX
- Electricity meter
- House connection box
- City power
- Distribution box
- Electricity consumers
- Generator supported distribution box. Max current 50A from city or 32A from generator
- City power
Load output
Generator power - Generator
- Earthing
WARNING — DANGER! Opening of ATS unit and its connection to the mains must be carried out only by qualified specialist. The product is under tension.
WIRING DIAGRAMS
WARNING — DANGER! The ATS unit may only be tampered with and connected by a qualified technician. The product is live.
Open the ATS unit door. Inside you will see the connection terminals. Connect the ATS unit as shown in Figs. 4, 5.
СONTACT STRIPES WITH WIRING DIAGRAM FOR MODEL KS ATS 4/25 GASOLINE FOR SINGLE- PHASE MAINS
СITY – terminals for the main power supply.
A – phase 1, B – фаза 2, C – фаза 3, N – neutral
LOAD – terminals for home or other power consumers.
L1 – phase 1, L2 – phase 2, L3 – phase 3, N – neutral
GENERATOR – terminals for the generator.
U – phase 1, V – phase 2, W – phase 3, N – neutral
WARRANTY PROVISIONS
The international manufacturer warranty is 1 year. The warranty period starts from the date of purchase.
In cases when warranty period is longer than 1 year according to local legislation please contact your local dealer. The Seller which sells the product is responsible for granting the warranty. Please contact the Seller for warranty. Within the warranty period, if the product fails because of defects in the production process, it will be exchanged on the same product or repaired.
The warranty card should be kept throughout the warranty period. In case of warranty card loss, a second one will not be provided. The customer must provide the warranty card and buyer`s check during request for repair or exchange. Otherwise, the warranty service will not be provided. The warranty card, attached to the product during sale, should be correctly and fully completed by the retailer and customer, signed and stamped. In other cases, warranty is not considered as valid.
Provide clean product to the service center. Parts, that must be replaced, are the property of the service center.
WARRANTY DOES NOT COVER:
- – Mechanical damage (cracks, paint peeling, etc.) and damage caused by the action of aggressive media, ingress of foreign objects into the product or air inlet screen, as well as damage resulting from improper storage (corrosion of metal parts).
– Malfunctions resulting from improper operation, unintended use of the product, overloading of the product, as well as instability of the mains parameters. The product overload is indicated by melting or discoloration of parts due to the effect of high temperature, score marks on the cylinder or piston surfaces, destruction of connecting rod inserts or piston rings. In addition, the warranty obligations do not apply to the failure of the automatic voltage regulator of power generators due to improper operation. – Malfunctions caused by contamination of the fuel or cooling system. - Quick-wearing parts (V-belts, rubber seals, spark plugs, nozzles, clutch springs, pulleys, guide rollers, cables, manual starters, clamping chucks, collets, removable batteries, filter and safety elements, oil, removable devices, fittings, blades, drills, etc.).
- Electric cables with mechanical and thermal damage.
- The product tampered with or repaired not by the authorized service center. The product tampered with or repaired not by the authorized service center is indicated by, among other things, kinked splined parts of fasteners.
- Preventive maintenance (cleaning, washing, greasing, etc.), installation and setup of the product.
- Normal wear and tear of the product (remaining life).
- Malfunctions arising from the use of the product for business related purposes.
- The warranty card that is not filled out or does not bear the seller’s seal.
- The warranty card that does not bear the bearer’s signature.
- The warranty will become null and void in case of violation of the rules for the operation, transportation and storage of the generator.
- Improper or careless installation, improper connection to the mains.
ANNEX





CONTACTS
Deutschland:
DIMAX International GmbH
Flinger Broich 203 -FortunaPark40235 Düsseldorf, Deutschland
www.koenner-soehnen.com
Ihre Bestellungen
[email protected]
Kundendienst, technische Fragen
und Unterstützung
[email protected]
Garantie, Reparatur und Service
[email protected]
Sonstiges
[email protected]
Polska:
DIMAX International
Poland Sp.z o.o.
Polska, Warczawska,
306B 05-082 Stare Babice,
[email protected]
Україна:
ТОВ «Техно Трейд КС»,
вул. Електротехнічна 47, 02222,
м. Київ, Україна
[email protected]

















