samlex power STS-30 AC Power Transfer Switch

Disclaimer of Liability
UNLESS SPECIFICALLY AGREED TO IN WRITING, SAMLEX AMERICA, INC.:
- MAKES NO WARRANTY AS TO THE ACCURACY, SUFFICIENCY OR SUITABILITY OF ANY TECHNICAL OR OTHER INFORMATION PROVIDED IN ITS MANUALS OR OTHER DOCUMENTATION.
- ASSUMES NO RESPONSIBILITY OR LIABILITY FOR LOSSES, DAMAGES, COSTS OR EXPENSES, WHETHER SPECIAL, DIRECT, INDIRECT, CONSEQUENTIAL OR INCIDENTAL, WHICH MIGHT ARISE OUT OF THE USE OF SUCH INFORMATION. THE USE OF ANY SUCH INFORMATION WILL BE ENTIRELY AT THE USERS RISK.
Samlex America reserves the right to revise this document and to periodically make changes to the content hereof without obligation or organization of such revisions or changes.
Copyright Notice/Notice of Copyright
Copyright © 2016 by Samlex America, Inc. All rights reserved. Permission to copy, distribute and/or modify this document is prohibited without express written permission by Samlex America, Inc.
Safety Instructions
IMPORTANT SAFETY INSTRUCTIONS
SAVE THESE INSTRUCTIONS. THIS MANUAL CONTAINS IMPORTANT INSTRUCTIONS FOR MODEL STS-30 THAT SHALL BE FOLLOWED DURING INSTALLATION AND MAINTENANCE OF THE TRANSFER SWITCH.
The following safety symbols will be used in this manual to highlight safety and important information:
WARNING!
Indicates possibility of physical harm to the user in case of non-compliance.
CAUTION!
Indicates possibility of damage to the equipment in case of non-compliance.
INFO
Indicates useful supplemental information.
Please read these instructions BEFORE installing or operating the unit to prevent personal injury or damage to the unit.
WARNING!
- Connections for standby / backup power to a building / RV System using the Transfer Switch must be made by a qualified electrician and must comply with all applicable Electrical
- Before starting installation, disconnect all live sources of Make sure that the Generator is off, the external shore power cord is unplugged, and the Inverter, if any, is shut off.
- The unit is not weather proof and should be mounted in a cool, dry and protected
- To prevent exposure to contaminants, do not mount the transfer switch in an engine compartment, under kitchen sink drains or water pipes, within the battery compartment, or in any compartment designed for storage of flam- mable liquids such as
General Information
FUNCTION OF A TRANSFER SWITCH
In case of failure of the main AC power source like the Grid power, it is desirable to switch the critical AC loads to a standby / back up AC power source like a Generator or an Inverter. The switching action should ensure that only one AC power source is connected to the AC loads at any one time and that the Grid power and the Generator / Inverter output power are never connected in parallel but remain isolated
The electrical loads cannot be connected in parallel with the Generator / Inverter and Grid power at the same time. This will cause the following damage and safety hazards:
- The Grid line voltage is normally “stepped down” by a transformer before entering the home / RV park / The transformer will work in reverse when voltage is sent through it in the opposite direction and will “step up” the voltage fed back into it. If the Grid power is interrupted (say the feeder section upstream is switched off by workers for repairs), the Generator / Inverter will feed voltage back into the Grid power lines, this voltage will be stepped up by the transformer and will electrocute the workers that come into contact with the Grid lines.
- If the Grid power and the Generator / Inverter are alive at the same time, the Grid power will be fed back into the Generator / Inverter and the Generator / Inverter will get damaged. There is also a potential of fire!
APPLICATION OF TRANSFER SWITCH IN HOMES
By installing a Transfer Switch near your Main Breaker Panel and connecting a Gen- erator / Inverter to the Transfer Switch, you can run selected circuits from your Main Breaker Panel for appliances such as a furnace, well pump, sump pump, refrigerator, television, computer, printer or lighting circuit during a power outage, depending on the capacity of your Generator / Inverter.
APPLICATION OF TRANSFER SWITCH IN RECREATIONAL VEHICLES (RVS)
RVs have both a 12 VDC House or Domestic System and a 120 VAC System. The DC System commonly provides power for area lighting, stereo, water pumping and other loads requiring relatively small amounts of power. The 120 VAC System powers larger loads like microwave ovens, hot water heaters, washer /dryer, coffee machines, hair dryers, space heaters, heating and air-conditioning (HVAC) and convenience outlets that supply power to audio, video and entertainment systems. The domestic refrigerator is commonly supplied by both the 12 VDC and the 120 VAC Systems and sometimes alternatively by propane.
Inverters are also used to provide AC power for dry camping where AC Grid power is not available or in cases where gensets are not permitted due to noise restrictions. Typically, the Inverter only supplies AC devices that are the highest priority such as microwave, entertainment and convenience outlets. It is not practical to run loads like hot water heaters and HVAC systems from Inverters that are ultimately powered from batteries
Frequently, the total AC power requirement of all the system loads exceeds the campground / RV park’s power inlet and consequently, requires the genset to power the entire system.
Thus, there may be 3 types of AC power sources. Transfer switches are used to configure switching of the AC power sources so that the priority of the AC sources is:
- Grid power, or
- Genset (Generator), or
- Inverter
SIZING OF TRANSFER SWITCH
Determining which circuits you will require during a power outage is the first step in selecting the proper backup Generator / Inverter and the transfer switch. Since most home appliances operate intermittently, a 3000 watt Generator / Inverter and a 30 A Transfer Switch can provide adequate power to circuits for the most common appli- ances, such as furnace, lights, refrigerator, freezer, microwave oven, and TV.
If your home has a deep well pump with up to 1 HP motor, a 5000 Watt Generator and 50 A Transfer Switch will be required to provide the starting capacity for the pump.
Larger wattage units can be selected for simultaneous starting and operation of multi- ple appliances.
Layout

- 15A power cord for connection to Inverter (<1800 VA).
- 15A, NEMA5-15P North American plug
- NEMA5-20R AC outlet for Battery Charger or Converter
- ¾” cable clamp for Grid power cord / Generator cord
- Cable clamp for Inverter power cord
- Grounding lug
- Spare knockouts for ¾” cable clamp. Additional ¾” & 1” knockouts are provided on the two other sides (not shown).

LEGEND:
- R1: Transfer Relay
- T1: Line “L”, Common
- T2: Neutral “N”, Common
- T3: Line “L1”, NO (Normally open contact of Transfer Relay)
- T4: Neutral “N1”, NO (Normally open contact of Transfer Relay)
- T5: Line “L2”, NC (Normally closed contact of Transfer Relay)
- T6: Neutral “N2”, NC (Normally closed contact of Transfer Relay)
- T7: (-) Input for relay coil
- T8: (+) Input for relay coil
- SW1: DIP Switch for enabling / disabling time delay for transfer to Generator
- OFF: Enabled – delay of 20 – 25 (factory preset condition)
- ON: Disabled – no delay
- LED1: Green LED – On when Transfer Relay R1 is energized
- PCB1: Printed Circuit Board for transfer relay control
Fig. 3.2 Internal layout of contacts of the Transfer Relay and the PCB for relay control
Description, Features and Principle of Operation
DESCRIPTION
Transfer Switch STS-30 is designed for single phase operating voltage of 120 VAC, 60 Hz and can handle input/ output current of up to 30 A or an Apparent Power of 3600 VA (Apparent Power = Volts X Amps. In this case: 120 V X 30A = 3600 VA). It consists of a Transfer Relay (R1, Fig. 3.2) and a Relay Control PCB (PCB1, Fig. 3.2) for controlling the operation of the Transfer Relay. Figs. 3.1 & 3.2 show the layout.
FEATURES
- Can be configured for transfer between Grid / Inverter or between Grid / Generator
- Multiple ¾” and 1” knockouts (7, 3.1) have been provided on all the sides for ease of routing the input and output cables
- Consists of heavy duty 110 VDC, Double Pole Double Throw (DPDT) Relay (R1, Fig 2) for switching both the Line and Neutral
- Internal DIP Switch ( SW1, Fig 2) for enabling or disabling delayed transfer to Generator
- Internal LED (LED1, Fig 2) for indicating energized condition of the Transfer Relay (R1, Fig 3.2) and for diagnostics
PRINCIPLE OF OPERATION
Please refer to Fig 3.2.
Relay R1 is a Double Pole Double Throw (DPDT) relay and is used to switch power from one source to the other. The relay coil is energized as soon as 110 VDC is fed from circuit board PCB1 to terminals T7 and T8. When the relay coil is de-energized, the common contact terminals T1 and T2 are connected to the Normally Closed (NC) contact terminals T5 and T6 respectively. When the relay coil is energized, the common contact terminals T1 and T2 switch over to the Normally Open (NO) contact terminals T3 and T4 respectively.
The relay coil (R1, Fig 3.2) operates at 110 VDC. This voltage is generated and controlled by the circuitry located on PCB1. 120 VAC is tapped from contact terminals T3 and T4, is rectified and made available to the relay coil terminals T7 and T8 through a Time Delay Circuit. DIP Switch SW1 located on the PCB1 is used to enable or disable the Time Delay Circuit. The default, factory preset position of SW1 is OFF and the Time Delay Circuit is enabled. When the Time Delay Circuit is enabled (SW1 in OFF position), 110 VDC control signal for energizing the relay coil is delayed by around 20 to 25 sec from the time 120 VAC is made available at the NO contact terminals T3 and T4. When the Time Delay Circuit is disabled (SW1 in ON position), the 110 VDC control signal for energizing the relay coil is made available to terminals T7 and T8 as soon as 120 VAC is made available at the NO terminals T3 and T4
As soon as the 110 VDC control signal is fed to terminals T7 and T8 of the relay coil, the green LED 1 lights up indicating that the relay coil has energized.
The delay of around 20 to 25 sec is required when the AC load is transferred to the Generator. The Generator should never be started on load. Also, the Generator takes around 20 to 25 sec to stabilize in voltage and frequency.
Installation and Operation
MOUNTING LOCATION
The unit can be installed (i) near the power cord entry of the RV or (ii) near the location of the Generator output on the line side of its main Distribution Panel, or (iii) on the load side between the Main Panel and a Sub Panel, allowing switching for either the entire electrical load or only designated circuits. Typical locations include under counter cabinets, below closet compartments, inside the bed pedestal or cabinets, overhead cabinets, under-floor storage compartments accessed from the vehicle exterior, etc. The chosen location must be accessible after installation is complete to facilitate future servicing.
CABLE ENTRY AND EXITS
A number of ¾” and 1” knockouts have been provided on all the sides (7, Fig 3.1) for ease of routing the input and output cables. Choose a knockout that will facilitate installation and service within the selected mounting area. Use 3/4” or 1” cable clamps as necessary to clamp the cables entering and exiting the box
MOUNTING
Mount the unit with screws through holes in the bottom of the unit. The unit should be screwed to a solid surface firmly enough to hold its weight during vehicle operation
MAKING ELECTRICAL CONNECTIONS
- Attach an 8 gauge Earth Ground wire to the transfer switch Chassis Ground Lug (6, Fig 1). 4 studs with serrated lock washers and nuts have been provided on the inner bottom of the case to make Earth grounding connections from the inner side. These are marked:

- The color code for 120 VAC wiring is as follows:
- The “Grounding” wire is bare or Green
- The “Neutral” wire is White
- The “Line” wire is Black
- A ¾” cable clamp has been provided (4, 3.1). Additional ¾” and 1” knockouts have been provided for convenience. Please ensure that a cable clamp is used for cable entries.
- For making firm connections to the terminals (T1 to T6, Fig 3.2) of the Transfer Relay, please crimp appropriate size of insulated ring / spade lugs on the ends of the conductors of the
- Connect the Grounding Conductors (Green / bare wire) of the cables to the spare Grounding Studs marked (
) - Two or more conductors can be spliced together using the appropriate size of twist-on type of cone shaped, plastic insulated Wire Nut Connector – also called “Marrette” (See Fig. 5.1). The connector twists over the wires to make a tight connection around the A square-cut spring inside provides tension on the wires to hold them secure. As you tighten the wire connector, the spring draws tighter around the wires.
Fig. 5.1. Twist-on type of Wire Nut Connector.

To splice the wire leads using the Wire Nut Connector, hold the bare ends of the wires parallel to each other so that the wire tips are even, then secure with the wire nut. Use the proper size nut. Manually tighten nuts as tightly as possible. Verify that all connections are tightened.
INSTALLATION CONFIGURATIONS
Pre-wired Configuration
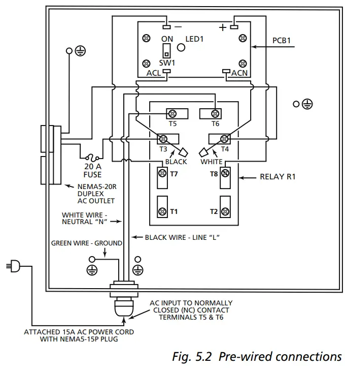
This Transfer Switch has been especially pre-wired for ease of connections for setting up a backup power / UPS (Un-interruptible Power Supply) system with Grid / Shore Power as the Primary Source and the Inverter as the Backup Source. The System will require an Inverter, a Battery Charger and batteries. General overview and features for the pre- wired configuration are given below (Refer to Fig. 5.2).
- Primary AC power of up to 3600 VA (30A at 120 VAC) can be provided by Grid (also called Shore Power Cord or “Cord” in RVs). This is connected to the Normally Open Contacts T3 and NEMA-20R Duplex Outlets (3, Fig. 3.1) have been provided on the side of the unit for ease of connecting a Battery Charger or Converter (on board Converter in RVs).
- Back-up power of up to 3600 VA (30A at 120 VAC) can be provided from an Invert- A 15A power cord (1, Fig 3.1) with a 15A, NEMA5-15P plug (2, Fig. 3.1) has been provided to allow easy, pluggable connection to Inverter of up to 1800 VA capacity. For connecting higher capacity Inverter > 1800A & up to 3600 VA, replace the wiring with AWG#10/3 and connection arrangement rated for 120 VAC, 30A.

LEGEND:
T1 LINE “L”, COMMON
T2 NEUTRAL “N”, COMMON
T3 LINE “L1”, NO (NORMALLY OPEN)
T4 NEUTRAL “N1”, NO (NORMALLY OPEN)
T5 LINE “L2”, NC (NORMALLY CLOSED)
T6 NEUTRAL “N2”, NC (NORMALLY CLOSED)
T7 (–) INPUT FOR RELAY COIL T8 (+) INPUT FOR RELAY COIL
PCB1 CIRCUIT BOARD FOR CONTROL OF RELAY R1
GROUNDING STUD AND NUT
LED1 GREEN LED: ON WHEN LED IS ENERGIZED
SW1 TIME DELAY SWITCH
OFF: DELAY ENABLED (DEFAULT
ON: DELAY DESABLED
Switching Between Grid (Primary Source) and Inverter (Backup Source)
Please refer to Fig 5.3.

LEGEND:
T1 LINE “L”, COMMON
T2 NEUTRAL “N”, COMMON
T3 LINE “L1”, NO
(NORMALLY OPEN)
T4 NEUTRAL “N1”, NO
(NORMALLY OPEN)
T5 LINE “L2”, NC
(NORMALLY CLOSED)
T6 NEUTRAL “N2”, NC
(NORMALLY CLOSED)
T7 (–) INPUT FOR RELAY COIL
T8 (+) INPUT FOR RELAY COIL
PCB1 CIRCUIT BOARD FOR
CONTROL OF RELAY “R1”
GROUND STUD AND NUT
LED 1 GREN LED: ON WHEN
RELAY IS ENERGIZED
SW1 TIME DELAY SWITCH
ON – DELAY DISABLED
a. As Generator is not being used in this configuration, disable the Time Delay Circuit by changing the position of DIP Switch SW1 from OFF to ON position (Switch is factory preset in OFF condition).
b. Use AWG#10/3 (30A) cable to connect AC input power from Grid / Shore Power Cord (RV). A 3/4″ cable clamp (4, Fig 3.1) has been provided for cable entry. More 3/4″ / 1″ knock outs have also be provided for cable entry from other sides and may be used Connect the cable as follows:
– The Black wire to the black pigtail connected to the NO, Line “L1” contact terminal T3. Use the twist-on type of Wire Nut provided for splicing the ends.
– The White wire to the white pigtail connected to the NO, Neutral “N1” contact terminal T4. Use the twist-on type of Wire Nut provided for splicing the ends.
– The Green or bare grounding wire to one of the spare Grounding Studs marked:
– Use an appropriate insulated ring or spade lug for making this connection
c. Use AWG#10/3 cable to connect the AC output to the Main Breaker Panel by using a convenient knockout / cable clamp (3/4” or 1”) for cable entry. Cable clamp has not been provided for this connection and has to be provided by the user. Connect the 3 wires as follows (Fig 5.3):
– The Black wire to the common Line “L” contact terminal T1 and the White wire to the common Neutral “N” contact terminal T2. Use appropriate insulated ring
/ fork lugs at the bare end of the wires for firm contact.
– The Green or bare grounding wire to one of the spare grounding studs marked:
– Use an appropriate ring or spade lug for making this connection.
d. Plug the NEMA5-15 plug (2, Fig 3.1) of the Inverter power cord (1, Fig 3.1) to the output of the Inverter (Fig 5.3). As pointed out earlier, in case the Inverter capacity is >1800 VA & up to 3600 VA, appropriate connection arrangement using AWG#10/3 wiring will have to be used. Please ensure that the Inverter is switched OFF and the battery input connection to the Inverter is disconnected.
e. Plug the external Battery Charger / Converter to one of the receptacles of the NEMA-20R Duplex receptacle (3, Fig 3.1; Fig 5.3). Please ensure that the AC input current of the Battery Charger is less than 16A continuous as the receptacle is internally fused at 20A max. In case the current drawn by the external Battery Charger is > 16A continuous, it should be wired to a separate circuit connected to the NO contact terminals T3 and T4 through a fuse applicable to the input current of the Battery Charger.
f. In case the Transfer Switch is being used in an RV application, the built-in Converter of the RV should be disconnected from the AC Breaker Panel (Fig 5.3).
This is necessary because when the Grid / Shore Power Cord / the Generator fails or is disconnected, the panel will be fed by the Inverter and if the Converter is not disconnected from the panel, it will result in a battery to Inverter to Converter to battery loop that will quickly drain the batteries. In case the external Battery Charger is not being used, the Converter may be re-wired to the NEMA5-20R Duplex Receptacle (3. Fig 3.1). As these receptacles are connected to the NO contact terminals T3 and T4, the Converter will always be powered from the Grid / Shore Power Cord / the Generator.
g. Testing of Operation:
(i) Switch OFF both the Inverter and the Grid input
(ii) Switch ON the AC input power from Grid / Shore Power Cord (RV). As the time delay has been disabled (As explained at (a) above, if the Generator is not being used, the time delay should be disabled by changing the position of the DIP Switch SW1 to ON position), the relay coil will energize as soon as Grid AC input is switched ON. The Green LED 1 will light up indicating that the relay has energized. If the Main Panel circuit breakers are switched ON, the AC loads will be powered by the Grid. The external Battery Charger / Converter will start charging the batteries.
(iii) Switch ON the Inverter. The Inverter will be in standby condition.
(iv) Switch OFF the AC input power from Grid / Shore Power Cord (RV). The relay will immediately de-energize and the AC loads will be transferred to the Inverter.
Switching Between Inverter (Primary Source) and Grid (Backup Source)
In solar application where the batteries / Inverter are the primary source of power, it may be necessary to have the Grid power as the backup source.
Connection arrangement for above application is shown in Fig 5.4. Some internal connections will have to be changed as explained below:

LEGEND:
T1 LINE “L”, COMMON
T2 NEUTRAL “N”, COMMON
T3 LINE “L1”, NO
(NORMALLY OPEN)
T4 NEUTRAL “N1”, NO
(NORMALLY OPEN)
T5 LINE “L2”, NC
(NORMALLY CLOSED)
T6 NEUTRAL “N2”, NC
(NORMALLY CLOSED)
T7 (–) INPUT FOR RELAY COIL
T8 (+) INPUT FOR RELAY COIL
PCB1 CIRCUIT BOARD FOR
CONTROL OF RELAY “R1”
GROUND STUD AND NUT
LED 1 GREN LED: ON WHEN
RELAY IS ENERGIZED
SW1 TIME DELAY SWITCH
ON – DELAY DISABLED
a. Re-arrange the pre-wired internal connections (Fig 5.2) to those shown in Fig 5.4 as follows:
(i) Connections for Input Cord for feeding AC input from Inverter:
• At Terminal T5, disconnect Black wire from Inverter “L”. Connect to Terminal T3
• At Terminal T6, disconnect White wire from Inverter “N”. Connect to Terminal T4
(ii) Connections for NEMA5-20 AC Outlet:
• At Terminal T3, disconnect Black wire from 20A fuse. Connect this wire to Terminal T5
• At Terminal T4, disconnect White wire from the NEMA5-20 outlet. Connect this wire to Terminal T6
(iii) Pigtail Wires with Wire Nuts for Grid connection:
• At Terminal 3, disconnect the Black wire pigtail with Wire Nut and connect to Terminal T5
• At Terminal T4, disconnect the White wire pigtail with Wire Nut and connect to Terminal T6
b. As Generator is not being used in this configuration, disable the Time Delay Circuit by changing the position of DIP Switch SW1 from OFF to ON position (Switch is factory preset in OFF condition).
c. Use AWG#10/3 (30A) cable to connect AC input power from Grid / Shore Power Cord (RV). A 3/4″ cable clamp (4, Fig 3.1) has been provided for cable entry. More 3/4″ / 1″ knock outs have also be provided for cable entry from other sides and may be used Connect the cable as follows:
– The Black wire to the black pigtail connected to the NC, Line “L1” contact terminal T5. Use the twist-on type of Wire Nut provided for splicing the ends.
– The White wire to the white pigtail connected to the NC, Neutral “N1” contact terminal T6. Use the twist-on type of Wire Nut provided for splicing the ends
– The Green or bare grounding wire to one of the spare Grounding Studs marked:![]()
– Use an appropriate insulated ring or spade lug for making this connection
d. Use AWG#10/3 cable to connect the AC output to the Main Breaker Panel by using a convenient knockout / cable clamp (3/4” or 1”) for cable entry. Cable clamp has not been provided for this connection and has to be provided by the user. Connect the 3 wires as follows (Fig 5.4):
– The Black wire to the common Line “L” contact terminal T1 and the White wire to the common Neutral “N” contact terminal T2. Use appropriate insulated ring / fork lugs at the bare end of the wires for firm contact.
– The Green or bare grounding wire to one of the spare grounding studs marked:![]()
– Use an appropriate ring or spade lug for making this connection.
e. Plug the NEMA5-15P plug (2, Fig 3.1) of the Inverter power cord (1, Fig 3.1) to the output of the Inverter (Fig 5.4). As pointed out earlier, in case the Inverter capacity is >1800 VA & up to 3600 VA, appropriate connection arrangement using AWG#10/3 wiring will have to be used. Please ensure that the Inverter is switched OFF and the battery input connection to the Inverter is disconnected.
f. Plug the external Battery Charger / Converter to one of the receptacles of the NEMA-20R Duplex receptacle (3, Fig 3.1; Fig 5.4). Please ensure that the AC input current of the Battery Charger is less than 16A continuous as the receptacle is internally fused at 20A max. In case the current drawn by the external Battery
Charger is > 16A continuous, it should be wired to a separate circuit connected to the NC contact terminals T5 and T6 through a fuse applicable to the input current of the Battery Charger.
g. In case the Transfer Switch is being used in an RV application, the built-in
Converter of the RV should be disconnected from the AC Breaker Panel (Fig 5.4).
This is necessary because when the panel is fed by the Inverter and if the Converter is not disconnected from the panel, it will result in a battery to Inverter to Converter to battery loop that will quickly drain the batteries. In case the external Battery Charger is not being used, the Converter may be re-wired to the NEMA5- 20R Duplex receptacle (3. Fig 3.1). As these receptacles are connected to the NC contact terminals T5 and T6, the Converter will always be powered from the Grid / Shore Power Cord / the Generator.
h. Testing of Operation:
(i) Switch OFF both the Grid and the Inverter
(ii) Switch ON the AC input power from the Inverter. As the time delay has been disabled (As explained at (b) above), relay coil will energize as soon as AC input from the Inverter is available. The Green LED 1 will light up indicating that the relay has energized. If the Main Panel circuit breakers are switched ON, the AC loads will be powered by the Inverter. The external Battery Charger / Converter will be OFF.
(iii) Switch ON the Grid. The Grid will be in standby condition.
(iv) Switch OFF the AC input power from the Inverter. The relay will immediately de-energize and the AC loads will be transferred to the Grid.
Switching Between Grid and Generator
Please refer to Fig. 5.5
This configuration is used in RV application when it is desired to switch between the Grid Shore Power Cord and the onboard Generator. When the load demand in the RV is more than the capacity of the Shore Power Cord / the breaker capacity of the RV Park / Camp Ground connection, the on-board Generator is required to be started. In this case, the AC loads should transfer to the Generator as soon as the Generator is started and is ready to take on the load (after a delay of around 20 to 25 sec). This configuration is also used when utilizing back up Generator to power AC loads if utility power fails and the Generator is started with Automatic Generator Start Device.
a. Ensure that the Time Delay Circuit is enabled – DIP Switch SW1 should be in OFF position. (This is the default, factory preset condition).
b. Connect Grid / Shore Power Cord (RV) to the Normally Closed (NC) contacts T-5 and T-6 of the Transfer Relay. The pre-wired 15 A cord (1, Fig 3.1) and NEMA5- 15P plug (2, Fig 3.1) can be used for 15 A service (If it is required to be connected to a 30 A service, this cord should be replaced with a 30 A cord).
c. Connect the Generator cord to the Normally Open (NO) contacts T3 and T4 of the Transfer Relay .If convenient, use the knockout and the ¾” cable clamp provided – marked “Shore” (4, Fig 3.1). Otherwise, use any other convenient knockout with corresponding cable clamp.
d. Use AWG#10/3 cable to connect the Load Breaker Panel to the Common Contacts T1 and T2 of the Transfer Relay. Use knockout marked “Load” or any other convenient knockout with appropriate cable clamp (cable clamp not provided).
e. Testing of Operation:
(i) Switch OFF both the Grid and the Generator
(ii) Switch ON the AC input power from the Grid / Shore Power cord (RV). The relay will remain de-energized and the Grid Power will be transferred to the Main Panel through Normally Closed Contacts T5 Ò T1 and T6 Ò T2. If the Main Panel circuit breakers are switched on, the AC loads should operate normally.
(iii) Start the Generator. There is a pre-programmed 20 to 25 second delay in the transfer switch. The delay is designed to allow the Generator a brief warm-up period. When the delay completes its cycle, the relay will energize, LED1 will be lighted and the AC loads will transfer to the Generator. An audible click should sound as the relay energizes.
(iv) Shut down the Generator. As the Generator winds down the relay should deenergize without chatter or cycling. An audible click should sound as the relay de-energizes. The load will be transferred back to the Grid.

LEGEND:
T1 LINE “L”, COMMON
T2 NEUTRAL “N”, COMMON
T3 LINE “L1”, NO
(NORMALLY OPEN)
T4 NEUTRAL “N1”, NO
(NORMALLY OPEN)
T5 LINE “L2”, NC
(NORMALLY CLOSED)
T6 NEUTRAL “N2”, NC
(NORMALLY CLOSED)
T7 (–) INPUT FOR RELAY COIL
T8 (+) INPUT FOR RELAY COIL
PCB1 CIRCUIT BOARD FOR
CONTROL OF RELAY “R1”
GROUND STUD AND NUT
LED 1 GREN LED: ON WHEN
RELAY IS ENERGIZED
SW1 TIME DELAY SWITCH
OFF – DELAY ENABLED
(DEFAULT)
Troubleshooting
LOW VOLTAGE
Low voltage is harmful to most appliances. Relay based transfer switches are also affected by low voltage; if the voltage level drops lower than the holding voltage of the coil, the relay contacts will “chatter”. Sustained contact chattering may cause damage.
GENERAL LOW VOLTAGE
Low voltage can be caused by low voltage conditions such as in an RV park with inadequate wiring for crowded camper conditions where everyone’s electricity suffers (brownout). In this case, a voltmeter will be helpful and will show a low voltage reading from the park receptacle, even before the RV is plugged in. When you experience general low voltage conditions, remember, that brownouts can be harmful to most appliances. A better alternative might be to utilize the Generator until park voltage conditions improve.
LOCALIZED LOW VOLTAGE
Low voltage conditions can be caused by specific situations such as an additional cord which is too long and too small for the load. Do not attempt to extend the RV power cord by using a 16 gauge 100 foot extension cord, or any cord not rated for an RV-size load. A localized low voltage condition will result when a load is turned on which is larger than that which the cord is designed for. As soon as the RV tries to draw more current than the amount for which the cord is rated, the voltage will fall within the length of the cord, and the RV will experience low voltage. This is especially noticeable during inrush current situations such as an air conditioner start-up.
TIME DELAY FOR GENERATOR
As already explained earlier, once a Generator is started, it should not be loaded immediately. The time delay is necessary during Generator start-up so that the Generator does not have to start under load; the delay is not necessary for transfer between utility power / Shore Power Cord and Inverter. Therefore, in transfer switch operation where the Transfer Switch is controlling an AC source other than a Generator, the time delay should be disabled and DIP Switch SW1 should be set to (ON) position. This will allow instantaneous switching.
Another time for disabling the delay is during diagnostic and troubleshooting efforts; if disabling the delay causes the switch to work when it otherwise won’t, then the time delay circuit has malfunctioned and the control board PCB1 (Fig 3.1) will be required to be replaced. To disable the time delay, the DIP Switch SW1 (Fig 3.1) should be set to (ON) position. When time delay is disabled, the transfer will be instantaneous.
FAILED TIME DELAY CIRCUIT
It is possible for a voltage spike, etc. to cause the Time Delay Module to fail: if this happens, the switch will no longer transfer. If the AC input to the control board PCB1 (Fig 3.1) is available and the LED1 (Fig 3.1) does not light after 20 to 25 seconds, the time delay function in the module has failed, and the module will be required to be replaced. To verify this, try setting the time delay switch on the PCB1 to disabled position (ON); the switch should transfer with no delay. Note that this position will allow emergency operation until the module can be replaced; however there will not be a 20 – 25 second delay for Generator start-up. All repairs should begin by unplugging and replacing PCB1 for relay control first. However, if the LED 1 is ON and the switch is not working, then PCB1 for relay control is functioning properly and the switch has other problems, such as a failed relay and the entire switch will be required to be replaced.
Specifications
| MODEL | STS-30 |
| INPUT / OUTPUT VOLTAGE | 120 VAC, 60 Hz |
| INPUT / OUTPUT CURRENT | 30A* |
| BATTERY CHARGER RECEPTACLE | NEMA5-20R Duplex Receptacle 20A maximum 16A continous Fused at 20A |
| KNOCKOUTS | For 1″ and 3/4″ |
| MAXIMUM OPERATING TIME OF THE RELAY | 25 msec |
| DELAY TIME FOR GENERATOR WARM UP | 20 sec +/- 5 sec |
| ENABLING / DISABLING OF DELAY TIME | Yes. With Dip Switch SW1
|
| OPERATING TEMPERATURE | 0 – 40oC / 32oF – 104oF |
| DIMENSIONS (WITH MAX PROTRUSIONS) | |
| W x D x H (in) | 8.4 x 9.0 x 3.2 |
| W x D x H (mm) | 213.4 x 228.6 x 81.3 |
| WEIGHT (lbs) | 4.4 |
| (kgs) | 2.0 |
NOTE: Specifications are subject to change without notice.
*A 15A cord with NEMA5-15P plug has been provided for convenience of connection to an Inverter / Generator with continuous current of up to 12A and intermittent current of up to 15A. For full 30A capacity, replace this cord with 30A rated cord and appropriate plug/termination
Warranty
2 YEAR LIMITED WARRANTY
STS-30 Transfer Switch manufactured by Samlex America, Inc. (the “Warrantor“) is warranted to be free from defects in workmanship and materials under normal use and service. The warranty period is 2 years for the United States and Canada, and is in effect from the date of purchase by the user (the “Purchaser“).
Warranty outside of the United States and Canada is limited to 6 months. For a warranty claim, the Purchaser should contact the place of purchase to obtain a Return Authoriza- tion Number.
The defective part or unit should be returned at the Purchaser’s expense to the author- ized location. A written statement describing the nature of the defect, the date of pur- chase, the place of purchase, and the Purchaser’s name, address and telephone number should also be included.
If upon the Warrantor’s examination, the defect proves to be the result of defective material or workmanship, the equipment will be repaired or replaced at the Warran- tor’s option without charge, and returned to the Purchaser at the Warrantor’s expense. (Contiguous US and Canada only)
No refund of the purchase price will be granted to the Purchaser, unless the Warrantor is unable to remedy the defect after having a reasonable number of opportunities to do so. Warranty service shall be performed only by the Warrantor. Any attempt to remedy the defect by anyone other than the Warrantor shall render this warranty void. There shall be no warranty for defects or damages caused by faulty installation or hook-up, abuse or misuse of the equipment including exposure to excessive heat, salt or fresh water spray, or water immersion.
No other express warranty is hereby given and there are no warranties which extend beyond those described herein. This warranty is expressly in lieu of any other expressed or implied warranties, including any implied warranty of merchantability, fitness for the ordinary purposes for which such goods are used, or fitness for a particular purpose, or any other obligations on the part of the Warrantor or its employees and representatives.
There shall be no responsibility or liability whatsoever on the part of the Warrantor or its employees and representatives for injury to any persons, or damage to person or persons, or damage to property, or loss of income or profit, or any other consequential or resulting damage which may be claimed to have been incurred through the use or sale of the equipment, including any possible failure of malfunction of the equipment, or part thereof. The Warrantor assumes no liability for incidental or consequential dam- ages of any kind.
Samlex America Inc. (the “Warrantor”) www.samlexamerica.com


















