ALINCO DM-330MW UK MKII (30 AMP) Switch Mode Power Supply Owner’s Manual
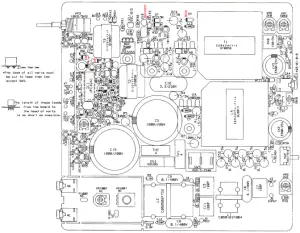
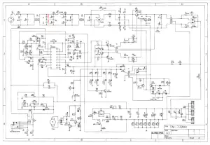
Diagram










Overview


DM330MV/MVT/MVZ Parts List
ELECTRIC PARTS
| Model / Q.tv | ||||||
| Reference No. | Part No.(ALINCO) | Part Name | Part Item (Value) | DM330MV | DM330MVT | DM33OMVZ |
| UP0380A | DM330MV INTEGRATED | PCB | 1 | 1 | 1 | |
| TT1002 | TUBE 1.0 iMM# | TUBE | 122 | 122 | 122 | |
| C1 | CK0013 | DE0705-1E222Z1K | 0.0022 | 1 | 1 | 1 |
| CM | CK0013 | 0E0705-1E22221K | 0.0022 | 1 | 1 | 1 |
| C11 | CC6006 | DE0910-1B101K-KX | 100P | 1 | 1 | 1 |
| C12 | CC6003 | DE0405-113337K7K | 330P | 1 | 1 | 1 |
| C13 | CK0013 | DE0705-1E222Z1K | 0.0022 | 1 | 1 | 1 |
| C14 | CK0013 | 0E0705-1E22221K | 0.0022 | 1 | 1 | 1 |
| C15 | CE0399 | 200PL1000FZD | 1000/200V | 1 | 1 | 1 |
| Cm | C00014 | ECQE2335JF | 3.3/250V | 1 | 1 | 1 |
| C17 | CE0401 | 25MV47AX | 47/25V | 1 | 1 | 1 |
| C18 | C00016 | ECQB1333JF | 0.033/100V | 1 | 1 | 1 |
| C19 | CK0003 | DD104-63B102K50 | 0.001 | 1 | 1 | 1 |
| C2 | CK0013 | DEO705-1E222Z1K | 0.0022 | 1 | 1 | 1 |
| C20 | CE0402 | SOMVR33SWN | 0.33/50V | 1 | 1 | 1 |
| C21 | CE0402 | SOMVR33SWN | 0.33/50V | 1 | 1 | 1 |
| C22 | CE0402 | SOMVR33SWN | 0.33/50V | 1 | 1 | 1 |
| C23 | CE0400 | 35MV47HC | 47/3W | 1 | 1 | 1 |
| C24 | CE0007 | 50MV 1HC | 1/50V | 1 | 1 | 1 |
| C25 | CQ0015 | ECQB1222JF | 0.0022/100V | 1 | 1 | 1 |
| C26 | CE0401 | 25MV47AX | 47/2W | 1 | 1 | 1 |
| C27 | CE0007 | 50MV ‘INC | 1/50V | 1 | 1 | 1 |
| C28 | CK0005 | DD308-63F104Z50 | 0.1 | 1 | 1 | 1 |
| C29 | CE0400 | 35MV47HC | 47/35V | 1 | 1 | 1 |
| C3 | CC6006 | DE0910-1B101K-KX | 100P | 1 | 1 | 1 |
| C30 | CE0019 | 35MV 220HC | 220/35V | 1 | 1 | 1 |
| C31 | CE0007 | 50MV 1HC | 1/50V | 1 | 1 | 1 |
| C32 | CE0053 | 35MV1OHC | 10/35V | 1 | 1 | 1 |
| C33 | C00013 | ECQB1223JF | 0.022/100V | 1 | 1 | |
| C35 | CK0002 | 00106-63F103250 | 0.01 | 1 | 1 | 1 |
| C37 | CK0002 | DD106-63F103Z50 | 0.01 | 1 | 1 | 1 |
| C38 | CK0005 | 0D308-63F104Z50 | 0.1 | 1 | 1 | 1 |
| C4 | CC6003 | DE0405-18331K1K | 330P | 1 | 1 | 1 |
| C40 | CE0388 | ECA1VM221 | 220/35V | 1 | 1 | 1 |
| C41 | CK0005 | DD308-63F104Z50 | al | 1 | 1 | |
| C42 | CE0398 | 25MV3300AX | 3300/25V | 1 | 1 | 1 |
| C43 | CE0398 | 25MV3300AX | 3300/2W | 1 | 1 | 1 |
| C44 | CK0002 | DD106-63F103Z50 | 0.01 | 1 | 1 | 1 |
| C45 | CK0002 | D0106-63F103Z50 | 0.01 | 1 | ||
| C5 | CE0399 | 200P11000F10 | 1000/200V | 1 | 1 | 1 |
| C6 | CQ0012 | ECQE2A104JF | 0.1/250V | 1 | 1 | 1 |
| C7 | CC6006 | DE0910-113101K-KX | 100P | |||
| C8 | C00012 | ECQE2A104JF | 0.1/250V | 1 | 1 | 1 |
| C9 | CQ0012 | ECQE2A104JF | 0.1/250V | 1 | 1 | 1 |
| 01 | X00335 | SF26 | SF26 | 1 | 1 | 1 |
| 010 | X00327 | D1N60-4070 | D1N20 | 1 | 1 | 1 |
| 011 | X10092 | MPG33385 | MPG3338S | 1 | 1 | |
| 012 | XL0099 | MPR33385 | MPR33385 | 1 | 1 | 1 |
| 013 | X10092 | MPG33385 | MPG3338S | 1 | 1 | 1 |
| 014 | X10100 | MPG4361F | MPG4361F | 1 | 1 | 1 |
| 015 | X10100 | MPG4361F | MPG4361F | 1 | 1 | 1 |
| 016 | XD0336 | MTZJ13B | MTZ113B | 1 | 1 | |
| 02 | X00335 | SF26 | SF26 | 1 | 1 | 1 |
| D3 | X00333 | U30D20C | 1130020C | 1 | 1 | 1 |
| 04 | X00335 | SF26 | SF26 | 1 | 1 | 1 |
| 05 | XD0335 | SF26 | SF26 | 1 | 1 | 1 |
| D6 | X00335 | SF26 | SF26 | 1 | 1 | 1 |
| 07 | XD0336 | MTZJ13B | MTZJ138 | 1 | 1 | |
| 08 | X00038 | 155133 | 155133 | 1 | 1 | |
| 09 | X00038 | 155133 | 155133 | 1 | 1 | 1 |
| DS1 | X00334 | KBU804G | KBUSG | 1 | 1 | 1 |
| Fl | EF0019 | FGBO 250V 4A | 4A | 1 | 1 | 0 |
| Fl | EF0001 | FGBO 12W 8A | 8A | 0 | 0 | 1 |
| FA1 | ET0012 | FAN FD24401075-1N | FAN FD2440107S | 1 | 1 | 1 |
| 1C1 | XA0634 | UPC494C | UPC494C |
| J1 | MGAJ22CC | WIRE #26G05-220-05 | GREEN | 1 | 1 | 1 |
| J10 | PARA107CC | WIRE #26R05-070-05 | RED | 1 | 1 | 1 |
| J11 | 1488007Mo | WIRE 016807.070.07 | BLACK | 1 | 1 | 1 |
| J12 | PAYAJo7CC | WIRE 026Y05-070-05 | YELLOW | I | 1 | 1 |
| in | 1ABAJ22CC | WIRE 026805-220-05 | BLACK | I | 1 | i |
| J2 | PAWAl22CC | WIRE 026W05-220-05 | WHITE | 1 | 1 | 1 |
| J20 | 1ARBD22DD | WIRE 016R07-220-07 | RED | 1 | 1 | |
| J21 | MRBDO7DD | WIRE #16R07-070-07 | RED | I | 1 | 1 |
| in | PABBD22DD | WIRE 016807-220-07 | BLACK | 1 | 1 | 1 |
| in | MBBDO7DD | WIRE 016807-070-07 | BLACK | 1 | 1 | 1 |
| J3 | MRBDO7DD | WIRE #16R07-070-07 | RED | 1 | 1 | 1 |
| J30 | MBBD04CC | WIRE #16805-040-05 | BLACK | I | 1 | 1 |
| .131 | MBBD04CC | WIRE 016805-040-05 | BLACK | 1 | 1 | 1 |
| J4 | UX1263 | WIRE SW1 | UX1263 | 1 | 1 | |
| J5 | UX1263 | WIRE SW1 | U)(1263 | I | 1 | 1 |
| Js | UA0071Z | KP419SLTCE-2F0.7550 | KP419SL | 1 | 0 | 0 |
| Js | UA0070 | 120V PHP-201 | 120V PHP-20I | 0 | 1 | 0 |
| J6 | UM069 | TA-278 12A-125V | TA-27B 12A-125V | 0 | 0 | 1 |
| J8 | MRBDO7DD | WIRE 016R07-070-07 | RED | 1 | 1 | |
| 110 | UJoon | HS.11493-01-010 | HS11493-01-010 | 1 | 1 | 1 |
| Li | QL0016 | C060101F0B4 | VAL | 1 | 1 | 1 |
| 12 | 010015 | C060602F1D2 | VAL | 1 | 1 | 1 |
| La | Ql0014 | EER42H CHOKE COILK | EER42H CHOKE COILK | 1 | 1 | 1 |
| MI | EM0038 | Mon (P-551-9177) | V/A | 1 | 1 | i |
| 01 | XT0179 | 2SC4157 | 2SC4157 | I | ||
| Q10 | XT0167 | 2SA1020Y | 2SA1020 | 1 | 1 | 1 |
| Q11 | XT0006 | 2SC1815Y | 2SC1815 | I | 1 | 1 |
| 012 | XT0006 | 2SC1815Y | 2SC1815 | I | 1 | 1 |
| 014 | XT0006 | 2SC1815Y | 2SC1815 | 1 | 1 | 1 |
| 015 | X10004 | 25C2120Y | 2SC2120 | 1 | 1 | |
| Q2 | XT0179 | 2SC4157 | 2SC4157 | I | 1 | I |
| 03 | XT0169 | 2SA933ASTPR | 2SA933 | I | 1 | I |
| 04 | XT0167 | 2SA1020Y | 2SA1020 | 1 | 1 | 1 |
| 05 | XT0004 | 2SC2120Y | 2SC2120 | I | 1 | 1 |
| 06 | XT0006 | 2SC1815Y | 2SC1815 | I | 1 | I |
| 07 | XT0004 | 2SC2120Y | 2SC2120 | 1 | 1 | 1 |
| 08 | XT0167 | 2SA1020Y | 2SA1020 | 1 | 1 |
| 09 | XT0177 | 2505353 | 25C5353 | 1 | 1 | 1 |
| RI | RE0028 | SPRX3 15 | 15/3W | 1 | 1 | 1 |
| RIO | R00045 | RD16S 4.7K OHM J | 4.7K | 1 | 1 | 1 |
| RI1 | RD0035 | RD16S 1.0K OHM J | 1K | 1 | 1 | 1 |
| R12 | RD0035 | R0165 1.0K OHM J | 1K | 1 | 1 | 1 |
| R13 | RD0059 | RD16S 33K OHM J | 33K | 1 | 1 | 1 |
| R14 | RD0059 | R0165 33K OHM J | 33K | 1 | 1 | 1 |
| R15 | R00056 | R0165 22K OHM J | 22K | 1 | 1 | 1 |
| R16 | RD0027 | R0165 390 OHM J | 390 | 1 | 1 | 1 |
| R17 | RD0073 | R016S 220K OHM J | 220K | 1 | 1 | 1 |
| R18 | R00056 | RD165 22K OHM J | 22K | 1 | 1 | 1 |
| R19 | RE0030 | SPRX3 ORS | 0.5/3W | 1 | 1 | 1 |
| R2 | RE0026 | SPRX3 100K | 100K/3W | 1 | 1 | 1 |
| R20 | RE0029 | SPRX3 1 | 1/3W | 1 | 1 | 1 |
| R21 | RD0062 | RD165 47K OHM J | 47K | 1 | 1 | 1 |
| R22 | R00035 | R0165 1.0K OHM J | 1K | 1 | 1 | 1 |
| R23 | R00052 | RD16S 10K OHM J | 10K | 1 | 1 | 1 |
| R24 | RE0027 | SPRX3 47 | 47/3W | 1 | 1 | 1 |
| R25 | RD0018 | R0165100 OHM J | 100 | 1 | 1 | 1 |
| R26 | RD0053 | R0165 12K OHM J | 12K | 1 | 1 | 1 |
| R27 | RD0078 | RD165 390K OHM 1 | 390K | 1 | 1 | 1 |
| R28 | R00038 | R0165 1.8K OHM J | 1.8K | 1 | 1 | 1 |
| R29 | RD0038 | R0165 1.8K OHM J | 1.8K | 1 | 1 | 1 |
| R3 | RE0027 | SPRX3 47 | 47/3W | 1 | 1 | 1 |
| R30 | R00001 | RD165 10 OHM J | 10 | 1 | 1 | 1 |
| R31 | RD0018 | RD165 100 OHM J | 100 | 1 | 1 | 1 |
| R32 | R00052 | R0165 10K OHM J | 10K | 1 | 1 | 1 |
| R33 | RD0038 | R0165 1.8K OHM J | 1.8K | 1 | 1 | 1 |
| R34 | RD0056 | RD165 22K OHM J | 22K | 1 | 1 | 1 |
| R35 | RD0086 | R0165 1.0M OHM J | 1M | 1 | 1 | 1 |
| R36 | RD0052 | R0165 10K OHM J | 10K | 1 | 1 | 1 |
| R37 | R00056 | R0165 22K OHM J | 22K | 1 | 1 | 1 |
| R38 | RD0022 | RD16S 220 OHM J | 220 | 1 | 1 | 1 |
| R39 | RD0054 | R0165 15K OHM J | 15K | 1 | 1 | 1 |
| R4 | RE0028 | SPRX3 15 | 15/3W | 1 | 1 | 1 |
| R40 | R00045 | RD165 4.7K OHM J | 4.7K | 1 | 1 | 1 |
| R41 | RD0054 | R0165 15K OHM 1 | 15K | 1 | 1 | 1 |
| R42 | RD0062 | RD16S 47K OHM J | 47K | 1 | ||
| R43 | 800039 | RD16S 2.2K OHM .1 | 2.2K | 1 | 1 | 1 |
| R44 | R00062 | RD16S 47K OHM J | 47K | 1 | 1 | 1 |
| R45 | 800052 | RD16S 10K OHM J | 10K | 1 | 1 | 1 |
| R46 | RD0043 | RD16S 3.6K OHM J | 3.6K | 1 | 1 | 1 |
| R47 | 800045 | RD16S 4.7K OHM J | 4.7K | 1 | ||
| R48 | RE0025 | RQA5W 100 OHM 1:35/MA | 100/5W | 1 | 1 | 1 |
| R49 | RD0018 | RD16S 100 OHM J | 100 | 1 | 1 | 1 |
| R5 | RE0026 | SPRX3 100K | 100K/3W | 1 | 1 | 1 |
| R50 | RE0024 | SPRX3 0R1 | 0.1/3W | 1 | 1 | |
| R51 | RE0024 | SPRX3 0P1 | 0.1/3W | 1 | 1 | 1 |
| R52 | RE0024 | SPRX3 0R1 | 0.1/3W | |||
| R53 | RE0024 | SPRX3 0R1 | 0.1/3W | 1 | 1 | 1 |
| R54 | RE0024 | SPRX3 0R1 | 0.1/3W | 1 | 1 | 1 |
| R55 | RE0024 | SPRX3 0R1 | 0.1/3W | 1 | 1 | 1 |
| R56 | RE0024 | SPRX3 0R1 | 0.1/3W | 1 | 1 | 1 |
| R59 | 800027 | RD16S 390 OHM J | 390 | 1 | ||
| R6 | 800045 | RD16S 4.7K OHM J | 4.7K | 1 | 1 | 1 |
| R60 | 800038 | RD16S 1.8K OHM J | 1.8K | 1 | 1 | 1 |
| R61 | 800038 | R016S 1.8K OHM J | 1.8K | 1 | 1 | 1 |
| R62 | 800061 | RD16S 39K OHM J | 39K | 1 | 1 | 1 |
| R64 | RD0039 | R0165 2.2K OHM J | 2.2K | 1 | ||
| R65 | 800035 | RD16S 1.0K OHM J | 1K | 1 | 1 | 1 |
| R66 | 800057 | RD16S 27K OHM J | 27K | 1 | 1 | 1 |
| R7 | RE0030 | SPRX3 ORS | 0.5/3W | 1 | 1 | 1 |
| R8 | RE0029 | SPRX3 1 | 1/38/ | 1 | 1 | 1 |
| R9 | RD0040 | RD16S 2.7K OHM J | 2.7K | 1 | 1 | 1 |
| SW1 | 000026 | MSR-5-2X#0 | MSR-5-2XI0 | 1 | ||
| 5w2 | US0023 | ESD177210 | ESD177210 | 1 | 1 | 1 |
| SWI | U00026 | MSR-5-2XI0 | MSR-5-200 | 1 | 1 | 1 |
| SWS | UG0026 | MSR-5-2X/0 | MSR-5-2X10 | 1 | 1 | 1 |
| T1 | OT0056 | EER42H TRANS | EER4214 TRANS | 1 | 1 | 1 |
| T2 | QT0058 | E122 TRANS | E122 TRANS | 1 | 1 | |
| T3 | QT0057 | on TRANS | E122 TRANS | 1 | 1 | 1 |
| TH1 | XS0041 | NTH18D4Ft0LA | 4 | 1 | 1 | 1 |
| TH2 | XS0041 | NTH18D4POLA | 4 | 1 | 1 | 1 |
| TH3 | XS0042 | ERTD2FHK802S | 82K | 1 | 1 | 1 |
| TH4 | XS0042 | ERTD2FHK802S | 8.2K | 1 | 1 | 1 |
| VR1 | RH0039 | 807M B5K | 5KB | 1 | 1 | 1 |
| VR3 | RV0043 | RK0972210(10KB/5KB) | 10KB/5KB | 1 | 1 | 1 |
| VR5 | RH0176 | VZ084TH1B-B103 | 10KB | 1 | 1 | 1 |
| VR6 | RH0034 | 807M B2K | 2KB | 1 | 1 | 1 |
| VR7 | RH0035 | 807M B5OK | 50KB | 1 | 1 | 1 |
| VR8 | RH0034 | 807M B2K | 2KB | 1 | 1 | 1 |

















