COMMAND LIGHT TFB-H7 Traffic Flow Boards

THANK YOU
Please allow us to express a simple thank you for investing in a COMMAND LIGHT product. As a company we are dedicated to producing the very best and most versatile flood lighting package available. We take great pride in the quality of our work and hope that you will find many years of satisfaction from the use of this equipment. Should you have any problems with your product please do not hesitate to contact us.
DANGER: PERSONAL RESPONSIBILITY CODE
The member companies of FEMSA that provide emergency response equipment and services want responders to know and understand the following:
- Firefighting and Emergency Response are inherently dangerous activities requiring proper training in their hazards and the use of extreme caution at all times.
- It is your responsibility to read and understand any user’s instructions, including purpose and limitations, provided with any piece of equipment you may be called upon to use.
- It is your responsibility to know that you have been properly trained in Firefighting and/or Emergency Response and in the use, precautions, and care of any equipment you may be called upon to use.
- It is your responsibility to be in proper physical condition and to maintain the personal skill level required to operate any equipment you may be called upon to use.
- It is your responsibility to know that your equipment is in operable condition and has been maintained in accordance with the manufacturer’s instructions.
- Failure to follow these guidelines may result in death, burns or another severe injury.
Fire and Emergency Manufacturers and Services Association, Inc.
P.O. Box 147, Lynnfield, MA 01940 www.FEMSA.org
Copyright 2006 FEMSA. All Rights Reserved.
LIMITED WARRANTY
Five Year
COMMAND LIGHT warrants that the equipment is free from defects in materials and workmanship when used and operated for a period of five years. The responsibility of COMMAND LIGHT under this limited warranty is limited to the repair and replacement of any parts found defective. Parts must be returned to COMMAND LIGHT at 3842 Redman Drive, Ft Collins, Colorado 80524 with transportation charges prepaid (C.O.D. shipments will not be accepted). Prior to returning defective parts to COMMAND LIGHT, the original purchaser shall make a claim in writing to COMMAND LIGHT at the above address indicating the model number, serial number and type of defect. No parts or equipment will be received by COMMAND LIGHT for repair or replacement under this warranty without specific written authority from it in advance. Any parts damaged by improper installation, overloading, abuse or accident of any type or cause are not covered by this warranty. All equipment manufactured by us is tested before leaving our plant, and is shipped in good working order and condition. We, therefore, extend to the original purchasers the following Limited Warranty for the period of five years from the original date of purchase:
- This warranty does not apply to defects caused by accident, misuse, neglect, or wear and tear, nor can we be held responsible for incidental and consequential expense and loss, nor does this warranty apply to equipment where alterations have been executed without our knowledge or consent. These conditions are readily discernable when the equipment is returned to us for inspection.
- On all component parts not manufactured by COMMAND LIGHT, their warranty is to the extent that the manufacturer of such component warrants them to COMMAND LIGHT, if at all. Look in your local business telephone directory for the nearest repair station for the brand of parts you have or write to us for the address.
- If equipment received has been damaged in transit, a claim should be made against the carrier within three days, as we assume no responsibility for such damage.
- Any service is other than our Authorized Service voids this warranty.
- This warranty is in lieu of and is intended to exclude all other warranties, express or implied, oralor written, including any warranties of MERCHANTABILITY or FITNESS for a particular purpose.
- Travel time paid at a maximum of 50% and only if pre-approved.
Breakage or Damage During Shipment
The transportation company is fully responsible for all shipping damage and will resolve problems promptly if you handle it correctly. Please read these instructions carefully. Examine the contents of all shipping cases. If you find any damage, call your transportation agent at once and have them make a description on the freight or express bill describing the damage and the number of pieces. Then contact us and we will send you the original bill of lading. Also promptly contact the transportation company and follow their procedure for filing a claim. Each company will have a unique procedure to follow.
Please note, we cannot and will not enter claims for damages. If we filed claim here, it would be sent to your local freight agent for verification and investigation. This time can be saved by you filing the claim directly. Every consignee is on the ground floor, in contact with the local agent who inspects the damaged goods, and thus, each claim can be given individual attention. Since our goods are packed to comply with the regulations of all railroad, truck, and express companies, we cannot allow a deduction from any invoice because of any damage, however, be sure to file your claim promptly. Our goods are sold F.O.B. factory. We take receipt from the transportation company certifying that the goods were delivered to them in good order and our responsibility ceases. It is seldom that any breakage or damage occurs in any of our shipments and in no case will the customer be out any expense if they follow the above instructions. Be sure to keep all damaged goods subject to examination of the truck or express company inspector, who may call on you some time later. These damaged goods, of course, will belong to them, and they will inform you what to do with them. If you dispose of these damaged goods, your claim may not be paid.
Product Safety Precautions
WARNING

- Never operate the CommandLight TFB-H7 near overhead high voltage power lines. TheCommand Light TFB-H7 is manufactured from electrically conductive materials.
- Do not use the Command LightTFB-H7 for uses other than its intended purpose.
- Do not move the emergency vehicle with the light extended. Visually verify that the tower is completely tested before moving vehicle.
- Do not change tower position while people are located within its operating envelope. There are numerous pinch points that can cause serious bodily injury.
- Do not use a high-pressure washer or subject the tower to high volumes of water when cleaning.
- Never use the Command Light TFB-H7 as a lifting device or mobile arm.
- Do not use a Command Light TFB-H7 that has been damaged or is not fully functional, including non-working indicator lamps.
- Never hold any part of the Command Light TFB-H7 with a hand or foot while it is in motion.
- The Command Light TFB-H7 has numerous pinch points. Keep loose clothing,hands and feet clear of moving parts.
CAUTION: PINCH POINT.
General Description and Specifications
The TFB-H7 is designed to provide versatile traffic control with quick precision. As with any electromechanical device, take precautionary steps to ensure safe operation.
| Model # | Description Minimum Power Requirements |
| TFB-H7 | Horizontal Flow Board 28 Amps, 12 VDC |
The vehicle provides power for the 12 VDC circuitry. The umbilical corded control unit is powered via 12 VDC eliminating hazardous voltage levels within the hand held control box. The TFB-H7 is manufactured to provide years of service with a minimum of maintenance.
Operation
Raising the tower from the nested position
Using the control box, raise the lower stage. Control switches are of momentary action style and must be held in the “on” position to actuate the stages. The TFB-H7 has an override system that precludes rotation of the flow board until the lower stage has elevated substantially enough from the nested position. When the lower stage is below this safety limit, the following conditions exist:
- Flow board is prevented from rotating.
- Prevents the lower stage from moving down if flow board is not centered.
Returning the tower to the nested position
The TFB-H7 is equipped with an Autopark function as a standard feature. Releasing the Autopark button acts as an “Emergency Stop” and will cancel the Autopark sequence.
Autopark Sequence
Press and hold the black Autopark button on the controller. The Autopark sequence begins:
- Flow board begins rotation to the center position.
- Once flow board is centered, rotation stops, green center indicator illuminates,and the lower stage begins retracting.
- After lower stage has fully retracted, red nest indicator and flow board will be extinguished.
Installation
The TFB-H7 must be installed by a designated installation facility or by an EVT certified Level FA4 Technician. All safety precautions must be thoroughly understood before installation. Please consult the factory for additional installation information assistance.
- Improper installation can cause overheating of electrical power wires that could catch fire and void the warranty.
- Ensure all wiring is properly protected with correct sized breakers and fuses before connecting to the power source.
- Verify all connected electrical components are able to handle the load for this light tower as listed in the Technical Specifications.
- If in doubt, contact Command Light at 1-800-797-7974 or [email protected].
Installation Kit
Included with the TFB-H7 is an installation kit. Verify that the kit contains the following items:
- (1)25 feet of 6GA Red & Black cable
- (1)Pre-wired HOLSTER BOX w/cover
- (1)25 feet of 22GA-20 conductor cable
- (1)Handheld Controller
Small hardware parts bag with
- (4) mounting spacers
- (4) 5∕16-18 nylon lock nuts
- (4) large diameter flat washers
- (4)¼” flat washers
- (3)½ 90° sealing connector w/nut
- (4)5∕16-18 X 2 4″ bolts
- (8)5∕16″ flat washers
- (2)¼- -20 X 5∕8” Phillips pan head machine screws
- (2) ¼ 20 nylon lock nuts
Tools Required
- Lifting device (crane, forklift, block and tackle, etc.)
- Sling for lifting
- Drill: 21/64”, 17/64” drill bits
- Hole punch for metal with 7/8” diameter capacity
- Phillips head screwdriver, #2
- Command Light flat blade screwdriver (included with light)
- 7/16” and 1/2” combination wrenches and/or ratchet and 7/16” and 1/2” sockets
- 8” adjustable wrench
- Tongue and Groove Pliers
- Wire stripper or razor blade knife
- Solder-less wire connector crimp tool
- Silicone based gasket sealer, RTV™ recommended
Installation Notes
- The TFB-H7 weighs approximately 136 pounds. Use mechanical assistance such as a forklift or crane to lift the light into installation position.
- Use the provided fender washers under the mounting surface to distribute the weight load evenly.
- When routing the connecting electrical wires take care to avoid sharp bends, hot components or other hazards to the wire.
- The TFB-H7 is not designed to be operated in a raised position while the vehicle is in motion. The TFB-H7 includes warning circuit wiring to enable a warning device.
Location Requirements
The standard TFB-H7 can be mounted on any location that is 49” x 24”. The surface should be flat or have only a slight crown. For a recessed installation allow for a minimum of 66” x 56”. Consult with factory before construction of recessed installation. Verify all dimensions before installation to assure proper operation of light will not infringe on other installed components. For all other installations refer to the dimensional drawing included in this guide that represents your particular model of tower. The drawings reflect the dimensions of the “working envelope” of a typical tower. Endure sufficient clearances are incorporated in your installation to allow for variations (vehicle body flex, environmental conditions, future servicing needs, etc.)

Four mounting bolts are required. Additional holes may be drilled in the frame ends if necessary to clear obstructions. Access holes for the power cord cabling should be in close proximity to the entrance box on the tower. Installing the cords with a sweeping 90° or 180° bend will provide better results. The control box holster should be mounted in an area shielded from the weather. Allow a minimum of 10” clearance above the control box holster mounting location for easy access to the controller.
Mounting

- Place the provided spacers in the location of the tower mounting holes. The spacers may be modified to conform to the contour of the mounting location.
- Remove any obstructions below the mounting surface such as headliners.
- Attach any necessary lifting attachments to the TFB-H7.
- Slowly lift the TFB-H7 and check for balanced lifting. Lower and make any necessary adjustments to the lift points.
- Lift and place the TFB-H7 into position above the spacers. Before placing the full weight of the tower on the spacers, align spacers with the holes in the end frame castings.
- Drill 21/64” holes in the mounting surface using the end casting holes as a template.
- Fasten the tower using the provided hardware. To assure a weather-tight installation apply a thin bead of silicone-based gasket sealer to the base of the spacer and underside of bolt head.
- Remove any lifting straps and devices from the TFB-H7.
- Locate and drill the wire feed holes.
Control Box Holster Mounting
- Using the holster as a template, mark locations of holes.
- Drill 17/64” mounting holes.
- Drill any holes required to route the control wire from the control box to the TFB-H7. Mount holster box with provided hardware.
Electrical Wiring

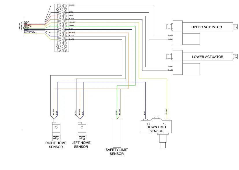
Please Note: Detailed internal wiring schematic for the tower is found in the pages at the end of this document.
- Run the control wire from the control box holster to the TFB-H7.
- Run the power wire from the breaker box or generator to the TFB-H7. A 30 Amp breaker is recommended on a TFB-H7.
- Make the control cable connections in the TFB-H7 relay box by matching each control wire to its same color on the connector block of the TFB-H7 relay box.
Warning Device Installation
The TFB-H7 nest sensor can be used to activate a warning device when the light is extended. Typically the vehicle will have a light or buzzer that activates when the compartment doors are open. The connector for hooking up a warning device is located in the holster box that holds the controller.
Maintenance
Cleaning
The TFB-H7 is constructed with corrosion-resistant aluminum and stainless steel fasteners. To further enhance corrosion resistance all exposed surfaces receive a powder-coated paint finish. To assure years of trouble free service periodically clean all external surfaces with a mild detergent solution and a gentle spray of water. DO NOT USE A HIGH-PRESSURE WASHER, which will force water into sensitive electric circuitry. Lamp lenses may be cleaned with any commercially available glass cleaner. The actuators is a sealed unit and does not require adjustment or lubrication. They also have a slip-clutch to compensate for minor stroke tolerances at the limits of its travel as well as internal limit switches. The actuator may produce a ratcheting sound at each end of the stroke which is normal. The actuator should not be made to ratchet excessively, this can lead to premature actuator clutch failure. All pivot points on the TFB-H7 have self-lubricating thermal polymer or brass bushings. Periodic cleaning with a moisture displacing cleaner and soft bristle brush, without disassembly, to remove accumulated dirt and debris will minimize wear.
Power Failure
The TFB-H7 can be retracted manually if power to the unit is lost. If power loss is temporary, reestablishing power may be easier than manually retracting the tower.
Disconnect power source from the TFB-H7.
Rotate to Center
Locate the silver plug located on the actuator below the actuator’s motor. Use the provided hex tool (6mm hex bit) to remove silver plug. Be sure to not lose this plug. Use the same hex tool inserted into the opening to drive the internal gears of the actuator. Be sure to replace the silver plug after this actuator is adjusted to center.
Retract the Lower Stage
Due to structural needs, the lower actuator cannot be manually adjusted. To lower the tower, first ensure flow board is rotated as close as possible to center to avoid impacts. At least one person must hold the flow board to prevent it from dropping. Once the weight of the flow board is relieved from the lower actuator, remove the pin attaching it to the base by removing one of the E-Clips on the lower actuator pin. Using a brass pin, drive the actuator pin out, again, making sure the weight of the flow board is held by assistants. Once the end of the actuator is free from the base, lower the flow board until it seats as much as possible. Strap the flow board down for transportation.
Troubleshooting
| Problem | Possible Cause | Solution |
| Unit will not extend | No power to the unit | Check power input connections. Ensure 30 Amp input breaker has not been tripped. |
| Incorrect installation | Refer to installation instructions. | |
| Upper stage will not rotate | Lower stage not raised above safety limit | Raise lower stage higher. |
| Rotation motor failure. | Consult with factory. | |
| Flow board will not illuminate | Circuit breaker tripped. | Check circuit breaker at power supply. |
| No power to the unit. | Check power supply operation/output. | |
| Unit will not nest | Flow board not centered | Raise lower stage higher. Center flow board (green light illuminated) |
| Unit being operated on a slope >15° | Level Truck. If problem persists, rotate flow board to center, using a pike pole, hold unit centered while lowering to nest position. | |
| No rotation | Check safety limit sensor, bad, etc. | Contact factory for replacement part. |
| Autoparking off Center | Center switch out of adjustment | Contact factory for replacement part. |
Override Circuit
The TFB-H7 has an override circuit to allow the user to lower the tower no matter what state the sensors or rotation actuator are in. This is a failsafe for if a sensor fails in the field and the tower still has power. Ensure the flow board is centered as closely as possible, and all users are clear of pinch points. Disconnect the rotation actuator after flow board is centered. If the rotation actuator has failed, either manually rotate to center as in the power failure section or disconnect the rotation actuator. To activate the override circuit, hold both the Auto Park button and the actuator lift switch in the down position. After 5 seconds, the lower actuator will retract while both switches are held and stop upon release.
Technical Specifications – Standard H7 Model
Dimensions (with strobe and ½” mounting spacers) – May vary by model and options
| Height(Depth) | Length | Width | ||
| Retracted | 16” | 47” | 60” | |
| Extended | 44” | 51” | 60” | |
| Recessed installation | 18” | 60” | 66” | Minimums |
- Weight: 136 pounds
- Wiring
- Main Power VDC
- 6GA Red & Black
- 25’ provided
- Main Power VDC
- Control wiring
- 22/20 PVC Jacketed
- 25’ provided
Relay protection
- Lights
- Cole-Hersey
- 3055
- 30 amps
Current Draw / Power Requirements
| Fixture | Average |
| H7 | 12 VDC/24 amps |
Lift and rotation actuators will cause higher current draw during use.
Motor Duty Cycle
(All motors thermally protected, specifications are to thermal relay trip)
- Lower stage: 1:3 (90 seconds maximum per 5 minutes)
- Rotation: 1:3 (90 seconds maximum per 5 minutes)
Motor Speed
Lower stage
- 0.5 inch per second
- 14 seconds to full extension
Rotation
- 0.5 inch per second
- 14 seconds to full extension
Operation
- Angle of vehicle
- 15˚ maximum incline
Specifications


- MODEL: TFB-H7
- 24 AMPPS
- 12 VOLTS
- WEIGHT: 136 LBS /62kg
Parts Lists – Exploded Views


Wiring Schematics
TRAFFIC FLOW BOARD H7 LIFT ARM WIRE SCHEMATIC
09/25/2015

TRAFFIC FLOW BOARD H7 – RELAY BOX WIRE SCHEMATIC
09/14/ 2015

COMMAND LIGHT
- 3842 Redman Drive Fort Collins, CO 80524
- PHONE: 1-800-797-7974
- FAX: 1-970-297-7099
- WEB: www.CommandLight.com
- www.CommandLight.com



















