TFB-V5 Traffic Flow Boards
User Guide
Revised 7/27/22
This guide supersedes all previous versions
MODEL COVERED:V5
TFB-V5 Traffic Flow Boards
THANK YOU
Please allow us to express a simple thank you for investing in a COMMAND LIGHT product. As a company we are dedicated to producing the very best and most versatile flood lighting package available. We take great pride in the quality of our work and hope that you will find many years of satisfaction from the use of this equipment.
Should you have any problems with your product please do not hesitate to contact us.
COMMAND LIGHT
3842 Redman Drive
Fort Collins, CO 80524
PHONE: 1-800-797-7974
FAX: 1-970-297-7099
WEB: www.CommandLight.com
DANGER
PERSONAL RESPONSIBILITY CODE
The member companies of FEMSA that provide emergency response equipment and services want responders to know and understand the following:
- Firefighting and Emergency Response are inherently dangerous activities requiring proper training in their hazards and the use of extreme caution at all times.
- It is your responsibility to read and understand any user’s instructions, including purpose and limitations, provided with any piece of equipment you may be called upon to use.
- It is your responsibility to know that you have been properly trained in Firefighting and/or Emergency Response and in the use, precautions, and care of any equipment you may be called upon to use.
- It is your responsibility to be in proper physical condition and to maintain the personal skill level required to operate any equipment you may be called upon to use.
- It is your responsibility to know that your equipment is in operable condition and has been maintained in accordance with the manufacturer’s instructions.
- Failure to follow these guidelines may result in death, burns or other severe injury.
Fire and Emergency Manufacturers and Services Association, Inc.
P0. Box 147, Lynnfield , MA 01940
www.FEMSA.org
Copyright 2006 FEMSA. All Rights Reserved
Read this manual before installing or operating the Traffic Flow Board.
Save this guide for future reference.
Limited Warranty
Five Year
COMMAND LIGHT warrants that the equipment is free from defects in materials and workmanship when used and operated for a period of five years. The responsibility of COMMAND LIGHT under this limited warranty is limited to the repair and replacement of any parts found defective. Parts must be returned to COMMAND LIGHT at 3842 Redman Drive, Ft Collins, Colorado 80524 with transportation charges prepaid (C.O.D. shipments will not be accepted).
Prior to returning defective parts to COMMAND LIGHT , the original purchaser shall make a claim in writing to COMMAND LIGHT at the above address indicating the model number, serial number and type of defect. No parts or equipment will be received by COMMAND LIGHT for repair or replacement under this warranty without specific written authority from it in advance.
Any parts damaged by improper installation, overloading, abuse or accident of any type or cause are not covered by this warranty.
All equipment manufactured by us is tested before leaving our plant, and is shipped in good working order and condition. We therefore extend to the original purchasers the following Limited Warranty for the period of five years from the original date of purchase:
- This warranty does not apply to defects caused by accident, misuse, neglect, or wear and tear, nor can we be held responsible for incidental and consequential expense and loss, nor does this warranty apply to equipment where alterations have been executed without our knowledge or consent. These conditions are readily discernable when the equipment is returned to us for inspection.
- On all component parts not manufactured by COMMAND LIGHT , their warranty is to the extent that the manufacturer of such component warrants them to COMMAND LIGHT , if at all. Look in your local business telephone directory for the nearest repair station for the brand of parts you have or write to us for the address.
- If equipment received has been damaged in transit, a claim should be made against the carrier within three days, as we assume no responsibility for such damage.
- Any service other than our Authorized Service voids this warranty.
- This warranty is in lieu of and is intended to exclude all other warranties, express or implied, oral or written, including any warranties of MERCHANTIBILITY or FITNESS for a particular purpose.
- Travel time paid at a maximum of 50% and only if pre-approved.
Warranty/Service
COMMAND LIGHT products* come with a industry leading 5 year warranty against any defects in materials and workmanship when used and operated for a period of five years. If during this time period, you have any malfunctions not related to misuse, accident, neglect, or normal wear and tear, please take the following steps in order to have your light tower serviced under COMMAND LIGHT’s warranty.
- Contact us immediately for initial diagnosis and parts if needed at 800-797-7974 or [email protected]
- You will need to have immediate access to light tower. This process can be done by individuals with little mechanical ability. (Involves pushing buttons and telling us what the light tower is doing or not doing)
- We then send parts (if needed) and have a technician dispatched (if needed) with a written work authorization number and a base amount of hours allotted to do repair
- We remain available for service support via phone, email, or video conference while technician completes repair, also to extend original time allotted if additional issue arise
- Mark repair as completed and validate the work authorization number for hours of labor / travel rates as agreed during diagnosis
- Finally, we will pay out or credit the invoice when we receive it from person/company performing the repair Please make contact with us as soon as problems arise in order to execute our warranty. We must have knowledge of the issue and a work order in place in order to pay or reimburse the department with the issue. Any unauthorized service
voids this warranty. (No work is authorized until the call is made to us)
Contact Us Early – before any work is done – We’d love to help!
*Excludes light producing components (bulbs, lasers, LEDs) These components come with their own manufacturer warranty. Contact us and we can help get it.
Breakage or Damage During Shipment
The transportation company is fully responsible for all shipping damage and will resolve problems promptly if you handle it correctly. Please read these instructions carefully.
Examine the contents of all shipping cases. If you find any damage, call your transportation agent at once and have them make a description on the freight or express bill describing the damage and the number of pieces. Then contact us and we will send you the original bill of lading. Also promptly contact the transportation company and follow their procedure for filing a claim. Each company will have a unique procedure to follow.
Please note, we cannot and will not enter claims for damages. If we filed claim here, it would be sent to your local freight agent for verification and investigation. This time can be saved by you filing the claim directly. Every consignee is on the ground floor, in contact with the local agent who inspects the damaged goods, and thus, each claim can be given individual attention.
General Description and Specifications
![]()
The COMMAND LIGHT TRAFFIC FLOW BOARD lift is designed to provide the means to elevate a high-intensity arrow board for emergency scene traffic direction with quick precision. As with any electromechanical device, take precautionary steps to assure safe operation.
Never operate the TRAFFIC FLOW BOARD near overhead power lines.
Power for the 12 VDC circuitry is provided by the emergency vehicle battery system. All mechanical actuation power is designed to be powered by the vehicles 12 VDC power supply. The umbilical corded control unit is powered via 12 VDC eliminating hazardous voltage levels within the hand held control box.
The COMMAND LIGHT TRAFFIC FLOW BOARD is manufactured to provide years of service with a minimum of maintenance.
Product Safety Precautions
- Never operate the TRAFFIC FLOW BOARD near overhead high voltage power lines. The TRAFFIC FLOW BOARD is manufactured from electrically conductive materials.

- Do not use the TRAFFIC FLOW BOARD for uses other than its’ intended purpose.
- Do not move emergency vehicle with the lift extended.
Visually verify that the lift is completely nested before moving vehicle. - Do not change lift position while people are located within its’ operating envelope. There are numerous pinch points that can cause serious bodily injury.
- The TRAFFIC FLOW BOARD contains automatic reset circuit breakers. Disconnect power at the distribution panel before servicing the unit.
- Do not use a high-pressure washer or subject the lift to high volumes of water when cleaning.
- Never use the TRAFFIC FLOW BOARD as a lifting device or mobile arm.
- Do not use a TRAFFIC FLOW BOARD that has been damaged or is not fully functional, including non-working indicator lamps.
- Never hold any part of the TRAFFIC FLOW BOARD with a hand or foot while it is in motion.
- The TRAFFIC FLOW BOARD has numerous pinch points. Keep loose clothing, hands and feet clear of moving parts.
- Operating TRAFFIC FLOW BOARD on an inclination of 11 degrees or more can cause a malfunction or no function at all. It can also cause damage to the TRAFFIC LOW BOARD itself, to the vehicle and to personnel.
![]()

Operation
Raising the TRAFFIC FLOW BOARD from the nested position:
Use the control box to raise the TRAFFIC FLOW BOARD to the maximum height. Control unit switches are of momentary action style and must be held in the “ON” position to activate the unit. Once motion has started, the switch may be released. Motion will proceed until max height is reached, the down switch is activated or the emergency stop button is pressed.
The TRAFFIC FLOW BOARD has an override system that prevents rotation of the board until it is at the maximum height.
Returning the TRAFFIC FLOW BOARD to the nested position:
The TRAFFIC FLOW BOARD is equipped with an auto-park function as a standard feature.
Holding the movement control switch in the down position for 1 second initiates auto-park.
Once motion has started, the switch may be released and motion will proceed until nested.
Auto-park can be initiated while the TRAFFIC FLOW BOARD is in any rotated position. The controller indicates a red light when the TRAFFIC FLOW BOARD is out
of nest, and a green light when the TRAFFIC FLOW BOARD is fully nested. Auto-park sequence is as follows:
- Arrow board rotates to the center position.
- Once the board is centered, rotation stops and the carriage retracts.
- Board is fully nested, red light on controller turns off, green light turns on.
At any point, the auto-park sequence can be cancelled by pressing the motion control switch up or Emergency Stop Switch

Lower Override
In the event of sensor, rotation motor, or auto-park failure, a backup override is programmed into the TRAFFIC FLOW BOARD to allow for nesting board. Rotate the board to center as best as able. This can be done by hand if rotation motor has failed, but take care to apply pressure slowly to prevent damage to components. While a helper holds the board to the center position, at the controller, hold the Motion Control Switch in the down position while also holding the Emergency Stop Switch. After 5 seconds of holding both switches, the board will retract. Motion can be stopped by releasing either switch. To re-initiate motion, hold both switches for 5 seconds again. Lower the board until it is nested enough for safe travel and able to be brought in for service.
Installation
The TRAFFIC FLOW BOARD must be installed by a designated installation facility by qualified personnel only. All safety precautions must be thoroughly understood before
installation. Please consult the factory for additional installation information assistance.
Installation Kit
Included with the TRAFFIC FLOW BOARD is an installation kit. Verify that the contents of the kit include the following items:
- Pre-wired control unit with pocket
(1) Control box - Cables (Both are hardwired to the relay box)
(1) 20 conductor 22 gauge wire 50ft. (gray)
(1) 2 conductor 6 gauge wire, 50ft. (black/red)
Tools Required
Drill
15/64”drill bit
1/8” drill bit
#4mm hex wrench
10mm wrench
½ wrench
The TRAFFIC FLOW BOARD weighs approximately 150 pounds. Use mechanical assistance (such as crane or forklift) to position the TRAFFIC FLOW BOARD for installation. Use a sling to grasp the TRAFFIC FLOW BOARD . When routing the connecting electrical wires, take care to avoid sharp bends, hot components or other hazards to the wire.
The TRAFFIC FLOW BOARD is not designed to be operated in a raised position while the vehicle is in motion. The TRAFFIC FLOW BOARD includes warning circuit wiring to enable a warning device (located in the control holster).
Location Requirements
The TRAFFIC FLOW BOARD frame can be mounted on any location that is 12” x 43.5”.
The surface should be flat. A minimum depth of 43” is required.
Eight mounting bolt holes are required.
The control box should be mounted in an area shielded from the weather. Allow a minimum of 10” clearance above the control box mounting location to permit easy emoval of the hand controller.
Mounting![]()
The TRAFFIC FLOW BOARD is packaged with lift brackets mounted to each side. These are only used for installation and will be removed before after installation is complete.
Attach any necessary lifting attachments to the unit. Lift and place the TRAFFIC FLOW BOARD into position above the installation pocket. Make sure to feed all cables through the installation pocket and access hole before lowering the TRAFFIC FLOW BOARD into place. Lower the TRAFFIC FLOW BOARD into place and confirm that the mounting brackets will sit flush on the exterior surface. Also confirm that all mounting bracket holes have a mounting surface beneath them. Remove any obstructions below the mounting surface such as headliners before drilling mounting holes. Drill 15/64” holes in the mounting surface using the mounting bracket holes as a template.
Use the foam insulating tape to surround the edge of the installation pocket to create a water-resistant seal. Remove any lifting straps and devices from the lift.
After the installation of the mounting brackets, remove the lifting brackets with a ½” wrench.
Locate and drill wire feed holes as necessary.
Control Box Holster Mounting
Using the pocket as a template, mark hole locations.
Drill 1/8” mounting holes. Drill any holes required to route the control wire from the control box holster to the TRAFFIC FLOW BOARD unit.
Electrical Wiring
Run the control wire from the TRAFFIC FLOW BOARD to the Control Box Holster.
Run the power wire from the vehicle 12VDC power source or generator to the TRAFFIC FLOW BOARD. A 15 Amp breaker is recommended for the TRAFFIC FLOW BOARD . Refer to wiring schematic to assist in identifying connections.
Warning Device Installation
The nest sensor can be used to activate a warning device when the light is extended. To connect such a device, determine whether it is activated when it receives 12 VDC or when it receives a path to ground. The connector for hooking up a warning device is located in the holster box that holds the control unit.

Technical Specifications
Dimensions:
| Height(Depth) | Length | Width | |
| Retracted Extended Recessed installation | 26” 42” 26” | 44” 44” 42 ½ ” | 12” 12” 12” Minimum |
Weight:
150 pounds
Wiring:
| 12 VDC | 50 ft 6/2 cable |
| Control wiring | 50 ft 22/20 cable |
Command Light recommends using 6 gauge wire for input power.
Relay protection:
| Electrical | Cole-Hersee | 3055 | 15 Amp |
Current Draw:
| Full load current draw | 15 amps at 12VDC |
Motor Duty Cycle:
(All motors thermally protected, specifications are to thermal relay trip):
| Lift motor | 1:3 (90 seconds maximum per 5 minute) |
| Rotation motor | 1:3 (90 seconds maximum per 5 minute) |
Motor Speed:
| Carriage | 0.5 inches per minute | 5 seconds to full extension |
| Rotation | 1.6 1250 RPM | 15 seconds |
| Auto Park | 20 seconds from full extension and at 350degree rotation position |
Operation:
| Angle of vehicle | 10˚ maximum incline |
Wind load:
| Design maximum | 75 mph |
| Maximum tested | 85 mph |
Specifications subject to change without notice.

Exploded Views and Parts List:
Arrow Board

| PARTS UST | |||
| ITEM | QTY | PART NUMBER | DESCRIPTION I |
| 1 | 1 | 076-30045 | BACK,LED BOARD,TFBVS |
| 2 | 1 | 076-30046 | ARRAY,ENCLOSURE,FRONT,TFBV |
| 3 | 8 | 069-01004 | GROMMET,GR-65PT,MARKER LAMP |
| 4 | 8 | 069-01003 | LAMP,MARKER,LED,PT-Y56A |
| 5 | 6 | 069-01103 | SCREW,BH,HEX,6x1x12,SS |
| 6 | 4 | 065-10075 | BRACKET,END,DIN,DN-EB35 |
| 7 | 2 | 069-01000 | RAIL, DIN, SLOTTED, 7.5MM X 35MM 4 in. |
| 8 | 1 | 065-10073 | BLOCK,TERMINAL,DIN,DN-T10-WHITE |
| 9 | 3 | 065-10072 | BLOCK,TERMINAL,DIN,DN-T10-RED |
| 10 | 1 | 065-10068 | BLOCK,TERMINAL,DIN,DN-T10-BLUE |
| 11 | 2 | 065-10071 | BLOCK,TERMINAL,DIN,DN-T10-ORANGE |
| 12 | 1 | 065-12831 | LOCKNUT,NYLON,3/8 NPT,BLACK |
| 13 | 1 | 076-29986 | BRACKET,SENSOR TRIGGER,TFBV |
| 14 | 4 | 034-10961 | SCREW,PHP,10-24 UNCx0.375 |
| 15 | 2 | 034-10966 | SCREW,PHP,10-24 UNCxO.75 |
| 16 | 2 | 034-10979 | WASHER,LOCK,SPRING,REGULAR, #10, SS |
| 17 | 2 | 034-13100 | NUT,MS,HEX2,10-24UNC,SS |
| 18 | 6 | 034-10981 | NUT,NYLOCK, 10-24 UNC,SS |
| 19 | 4 | 069-01116 | SCREW,FHSH,M8x1.25×16 |
| 20 | 1 | 065-12883 | STRAIN RELIEF,DOMED 90,SCR .16-.31,3/8 NPT,BLACK |
| 21 | 2 | 065-10074 | BLOCK,TERMINAL,DIN,DN-T10-YELLOW |
| 22 | 2 | 034-10978 | WASHER,LOCK,18-8SS,INTERNAL,#10 |
Control Array

| PARTS LIST | |||
| ITEM | QTY | PART NUMBER | DESCRIPTION |
| 1 | 1 | 076-30038 | CARRIER,CONTROL ARRAY,TFBV |
| 2 | 1 | 069-01000 | RAIL, DIN, SLOTTED, 7.5MM X 35MM 16.75 in. |
| 3 | 1 | 065-10055 | RELAY,PROGRAMMABLE,10A,12-24VDC |
| 4 | 3 | 065-10056 | RELAY,MODULE,5A,12-24VDC |
| 5 | 13 | 065-10071 | BLOCK,TERMINAL,DIN,DN-T10.ORANGE |
| 6 | 8 | 065-10068 | BLOCK,TERMINAL,DIN,DN-T10-BLUE |
| 7 | 6 | 065-10070 | BLOCK,TERMINAL,DIN,DN-T10-GREEN |
| 8 | 2 | 065-10072 | BLOCK,TERMINAL,DIN,DN-T10-RED |
| 9 | 2 | 065-10074 | BLOCK,TERMINAL,DIN,DN-T10-YELLOW |
| 10 | 3 | 065-10069 | BLOCK,TERMINAL,DIN,DN-T10-BLACK |
| 11 | 1 | 065-10073 | BLOCK,TERMINAL,DIN,DN-T10-WHITE |
| 12 | 2 | 065-10075 | BRACKET,END,DIN,DN-EB35 |
| 13 | 7 | 069-01102 | SCREW,BH,HEX,4×0.7×12,SS |
| 14 | 1 | 065-10048 | BREAKER, 12V 8A, SINGLE POLE |
| 15 | 13 | 034-10947 | WASHER,FLAT,SAE, #8, SS |
| 16 | 2 | 065-13730 | Socket, Single Pole, Relay |
| 17 | 2 | 065-13738 | RELAY, 12V, SINGLE POLE |
| 18 | 7 | 034-13672 | NUT,NYLOCK, 4-40 UNC,SS |
| 19 | 1 | 034-10966 | SCREW,PHP,10-24 UNCx0.75 |
| 20 | 1 | 034-13100 | NUT,MS,HEX2,10-24UNC,SS |
| 21 | 1 | 034-10981 | NUT,NYLOCK, 10-24 UNC,SS |
| 22 | 2 | 034-10978 | WASHER,LOCK,18-8SS,INTERNAL,#10 |
| 23 | 1 | 069-01103 | SCREW,BH,HEX,6x1x12,SS |
| 24 | 2 | 065-10089 | JUMPER, DIN RAIL TERM BLOCKS,5 POSITION |
| 25 | 1 | 076-30039 | COVER,CONTROL ARRAY,TFBV |
| 26 | 1 | 065-10089 | JUMPER, DIN RAIL TERM BLOCKS,4 POSITION |
| 27 | 1 | 065-10089 | JUMPER, DIN RAIL TERM BLOCKS,6 POSITION |
| 28 | 1 | 065-10089 | JUMPER, DIN RAIL TERM BLOCKS,3 POSITION |
| 29 | 2 | 065-10089 | JUMPER, DIN RAIL TERM BLOCKS,2 POSITION |
| 31 | 2 | 034-10977 | WASHER,FLAT,SAE, #10, SS |
| 32 | 2 | 034-13678 | WING NUT, 10-24, SS |
| 35 | 1 | 069-01012 | CABLE TRACK,W/BRACKETS,4 FT,TFBV2 |
Surround

Surround: Parts List
| PARTS LIST | |||
| ITEM | QTY | PART NUMBER | DESCRIPTION |
| 1 | 1 | 076-30043 | COVER,FRONT,LOWER,TFBV5 |
| 2 | 1 | 076-30047 | BASE,SURROUND,TFBV5 |
| 3 | 1 | 076-30048 | SURROUND,FRAME,TFBVS |
| 4 | 1 | 076-30049 | COVER,FRONT,SURROUND,TFBV5 |
| 5 | 1 | 076-30075 | PAN,INSTALLATION,LOWER,TFBV5 |
| 6 | 1 | 076-30044 | COVER,ACCESS,CONTROL ARRAY,TFBV |
| 7 | 2 | 076-30056 | MOUNT,ANGLE,FRONT-REAR,TFBV5 |
| 8 | 2 | 076-30059 | HANDLE,LIFT,DISPOSABLE,TFBV5 |
| 9 | 2 | 076-30079 | MOUNT,ANGLE,2,STD,TFBVS-7 |
| 10 | 4 | 069-01120 | SCREW,8H,HEX,8×1.25×20,SS |
| 11 | 2 | 069-01116 | SCREW,FHSH,M8x1.25×16 |
| 12 | 8 | 069-01115 | SCREW,FHSH,M8x1.25×20 |
| 13 | 4 | 069-01106 | SCREW,8H,HEX,Bx1.25×12,SS |
| 14 | 18 | 069-01103 | SCREW,BH,HEX,6x1x12,SS |
| 15 | 4 | 069-01119 | WASHER,LOCK,SPRING,REGULAR, M8, SS |
| 16 | 4 | 069-01113 | Nut, MS, MM8x1.25 |
| 17 | 8 | 069-01107 | SCREW,BH,HEX,8×1.25×16,SS |
| 18 | 2 | STD HARDWARE-80 | SCREW,PHP,10-24 UNCx2.5 |
| 19 | 4 | 034-10977 | WASHER,FLAT,SAE, #10, SS |
| 20 | 2 | 034-13100 | NUT,MS,HEX2,10-24UNC,SS |
| 21 | 1 | 065-12852 | STRAIN RELIEF,DOMED,SCR .24-.47,1/2 NPT,BLACK |
| 22 | 2 | 065-12875 | STRAIN RELIEF,DOMED,RCR .08-.24,3/8 NPT,BLACK |
| 23 | 1 | 065-12856 | LOCKNUT,NYLON,1/2 NPT,BLACK |
| 24 | 2 | 065-12831 | LOCKNUT,NYLON,3/8 NPT,BLACK |
| 25 | 1 | 076-30050 | COVER,TOP,SURROUND,TFBV5 |
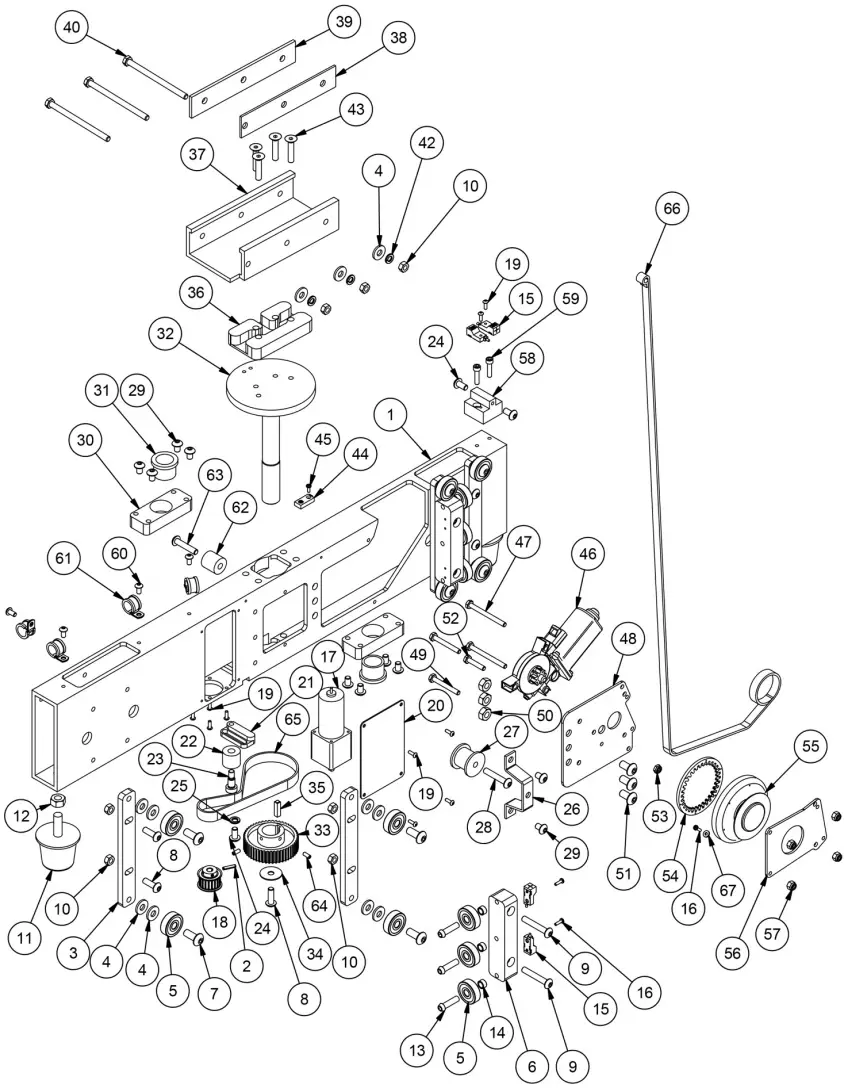
Carriage Assembly

Carriage Assembly: Parts List
| PARTS LIST | |||
| ITEM | OTT | PAID NUMBER | OESOUPTICti |
| 1 | 1 | 076-30012 | CORRIAGEMON LIFT,711392 |
| 2 | I | 034-13079 | ROLL P443/32 x 324.55 |
| 3 | 4 | 076-30011 | MATE.SUPPORT KARING.D13V2 |
| 4 | 19 | 034-13695 | DADRA/U.7,0S% 5/16-, SS |
| 5 | 14 | 069-01006 | WARINGA5300 Sealed |
| 6 | 2 | 076-30010 | SLOCK,TRAVERSE RAR.11482 |
| 7 | 4 | 069-01101 | SCREW,011.MEX.10xI.5825.66 |
| e | 5 | 069-01120 | SCREVOITIMEX,60.25,25,55 |
| 9 | 4 | 069-01111 | SCREWOLHESE61.25,50,55 |
| 10 | 11 | 069-01113 | MA. MS, tat 26 |
| 11 | 2 | 069-01013 | FOOT.ULRGE.M12 |
| 12 | 2 | 6941124 | /M. KS 14,41241.75 |
| 13 | 6 | 076-20985 | SCREV4SPICS.5MCS M881.25830 |
| 14 | 6 | 076-30007 | SPACER.9EARING,DINER.TX8V2 |
| 15 | 4 | 065.10057 | SENSOR, PROOMITY, 90 DEGREE, APS4-1214-02 |
| 16 | 3 | 034.11147 | SCREW,PNP.632 U1104.5 |
| 17 | 1 | 6901015 | NOTOR,TRANSMOTEC.P1)54266-12-8644F |
| 18 | 1 | 6901010 | RALET.CONE.714v2 |
| 19 | 10 | 069-01102 | SCREM0ILNEX4.A7412.65 |
| 20 | 1 | 7630037 | COVER.ROTAI IC” MOTOIL71411 |
| 21 | 1 | 076-30031 | SLIDE.ADJUSIEFLORIVE OELTIFEN2 |
| 22 | 1 | 076-30033 | RelLEILOELT TE/8510/1,TF8V2 |
| 23 | 1 | 069-01129 | 0013.61-0A-DER.M041-25.12mm |
| 24 | 3 | 069-01107 | SCREINANIMEXA1.25×1455 |
| 25 | 1 | 069-01119 | wASHERAACKDNUNG.REDRAIL 448, 5.6 |
| I | 076-30004 | MCONTAOLLER,WINOLT19482 | |
| 27 | I | 076-30003 | ROMERMNOLICLER,TF812 |
| 28 | t | 69431110 | SCREWOH.HEX,8.1 75‘45,65 |
| 29 | 10 | 069-01106 | SCREWEIM.HEXAN 1 75412,65 |
| 30 | 2 | 076-30018 | 131.00c8EARING.SPINDLE,TRIV2 |
| 31 | 2 | 069-01009 | Estilino, Ramm, Rout, F1416204, 1 ID |
| 32 | 1 | 076-30019 | SPINCLE.ROTATION,CARRIAGE,771392 |
| 33 | 1 | 7630027 | PuLLET.CRNEILROTATION.T11192 |
| 34 | I | 034.11052 | WASHER,RAT.FENDER. 5/16% SS |
| 35 | 1 | 076-30040 | KET.smou.nrev |
| 1 | 076-29998 | OWINELV/IRLI18V2 | |
| 37 | 1 | 076-29997 | CRAMP-SIC:PM LIOARD,IFBV2 |
| 38 | 1 | 076-29909 | SPAM-00DM Rea 7PEN |
| 39 | 1 | 026-29990 | SPACER, CRADLE. FRONT, TEEN |
| eo | 3 | 6941122 | SCREWMIARNI.2644120,SS |
| 42 | 3 | 034-11053 | WASHER,LOOGSPRINOREO1U61. 5/16-, SS |
| 43 | 1 | 6941117 | SCREW,196111081.25:440 |
| M | 1 | 066-10001 | SENSOR, FROONTY. STROME APS4-126-8.2 |
| 45 | 1 | 034-13696 | SCREVIMP,6-32 UNO41.375 |
| 46 | 1 | 069-01002 | MOTOR, MACON LIFT MOTOR 742-119,TF8V2 |
| 47 | 2 | 034.13692 | SCREW,184,1/4-212.2.3/445 |
| 48 | 1 | 076-29980 | MATE.MOTOR.W11401.TRIV |
| 49 | 2 | 034-11021 | 5CREW,1414,1/4-2442.65 |
| 50 | 3 | 6941112 | MA, NS, N41041.50 |
| 51 | 3 | 069-01100 | SOO-W,BILHEY.,11241.920$5 |
| 52 | 1 | 034.11018 | SCREMEM1,1/4-2041•1/4,SS |
| 53 | 1 | 034-11116 | NUT,NYLOOC,711I1L 1/4-20 RHEAS |
| 54 | 1 | 016-29979 | GEAR.INTEMAL.SKXLIFIN |
| 55 | 1 | 076-29981 | 5P301..LIFT WINDLIT81/7,R2 |
| 56 | 1 | 076-39979 | NATE.OUTER.WINCK7T8V |
| 57 | 1 | 034-11033 | NUT,NYWOL U4-20 UNC.SS |
| m | 1 | 076-29907 | °LOCK-SENSOR STOP.ITO V WOES |
| 59 | 2 | 6941137 | SCRON,DICS.SICS 046×145 |
| 60 | 4 | 6941103 | SCREVCIRMIEX,M1x12.55 |
| 61 | 4 | 065-12365 | CLO4P,L0014.86,S5 |
| 62 | 1 | 076-29996 | SPADER.WIRE TRAOLTN3_V2 |
| 63 | 1 | 069-01109 | SCREW,EINMEX8x1.25840,SS |
| 64 | 2 | 076-30027A | 10-32 UNE a 1/2 94 SO &NM SS |
| 65 | 1 | 069-01008 | SELT,HT045051415,ROTATION,IFBV |
| 66 | 1 | 069-01011 | STRAPMENCH,LIFT,TEBY |
| 67 | 1 | 034.13681 | WASNERJRAT,SAE, *6, SS |
Carriage Frame

Carriage Frame: Parts Lis
| PARTS LIST | |||
| ITEM | QTY | PART NUMBER | DESCRIPTION |
| 1 | 1 | 076-30043 | COVER,FRONT,LOWER,TFBVS |
| 2 | 1 | 076-30047 | BASE,SURROUND,TFBV5 |
| 3 | 1 | 076-30048 | SURROUND,FRAME,TFBV5 |
| 4 | 1 | 076-30049 | COVER,FRONT,SURROUND,TFBVS |
| 5 | 1 | 076-30075 | PAN,INSTALLATION,LOWER,TFBV5 |
| 6 | 1 | 076-30044 | COVER,ACCESS,CONTROL ARRAY,TFBV |
| 7 | 2 | 076-30056 | MOUNT,ANGLE,FRONT-REAR,TFBV5 |
| 8 | 2 | 076-30059 | HANDLE,LIFT,DISPOSABLE,TFBVS |
| 9 | 2 | 076-30079 | MOUNT,ANGLE,2,STD,TFBV5-7 |
| 10 | 4 | 069-01120 | SCREW,BH,HEX,8×1.25×20,SS |
| 11 | 2 | 069-01116 | SCREW,FHSH,M8x1.25×16 |
| 12 | 8 | 069-01115 | SCREW,FHSH,M8x1.25×20 |
| 13 | 4 | 069-01106 | SCREW,BH,HEX,8×1.25×12,SS |
| 14 | 18 | 069-01103 | SCREW,BH,HEX,6x1x12,SS |
| 15 | 4 | 069-01119 | WASHER,LOCK,SPRING,REGULAR, M8, SS |
| 16 | 4 | 069-01113 | Nut, MS, MM8x1.25 |
| 17 | 8 | 069-01107 | SCREW,BH,HEX,8×1.25×16,SS |
| 18 | 2 | STD HARDWARE-80 | SCREW,PHP,10-24 UNCx2.5 |
| 19 | 4 | 034-10977 | WASHER,FLAT,SAE, #10, SS |
| 20 | 2 | 034-13100 | NUT,MS,HEX2,10-24UNC,SS |
| 21 | 1 | 065-12852 | STRAIN RELIEF,DOMED,SCR .24-.47,1/2 NPT,BLACK |
| 22 | 2 | 065-12875 | STRAIN RELIEF,DOMED,RCR .08-.24,3/8 NPT,BLACK |
| 23 | 1 | 065-12856 | LOCKNUT,NYLON,1/2 NPT,BLACK |
| 24 | 2 | 065-12831 | LOCKNUT,NYLON,3/8 NPT,BLACK |
| 25 | 1 | 076-30050 | COVER,TOP,SURROUND,TFBV5 |
Wiring


Command Light PHONE: 1-800-797-7974
3842 Redman Drive FAX: 1-970-297-7099
Fort Collins, CO 80524
WEB: www.CommandLight.com



















