
Innovative Sensor Technology
physical chemical biological
Quick Start Guide
Flow Demo Board
FS5/FS7, OOL
Front side of Flow Demo Board:

Back side of Flow Demo Board:

How to connect PCB:
- For OOL sensor move switch to “OOL” position, for FS5 or FS7 sensor to “FS5/7” position.
- Connect the sensor to CON2 terminals according to the diagram on the back of PCB: Heater to terminals “H”, temperature sensor to terminals “S” (screw or solder them directly to pads). For FS5 or FS7 sensors,s, please connect the sensor’s common wire to one of the middle terminals of CON2.
- Select desired difference of temperatures between the heater and temperature sensor using ΔT switch and the table on the back of the PCB.
- Connect the power supply to CON1: positive to “VCC”, negative to “GND”. For OOL sensor no more than +15 V, for FS5/7 no more than +9 V.
- Connect voltmeter to CON1: positive to “OUT” or “OUTZ”, negative to “GND”.
- Switch on the power supply.
- For zero flow press the “ZERO” button in order to subtract zero flow offset from the LED bar and “OUTZ” output, note that “OUT” output will remain unaffected.
- The OOL sensor is directional, flow’s direction should be: from the temperature sensor to the heater.
Wiring for OOL Sensor:

Wiring for FS5/FS7 Sensor:

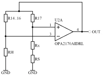
How the PCB works:
- The PCB measures flow using the Constant Temperature Anemometer (CTA) principle.
- During normal operation, CTA will always keep the temperature of the heater (TΗ) above the temperature of the sensor (TS) by a constant, predefined value
ΔT = TH – TS. - The CTA is made using an analog Wheatstone Bridge with a simplified diagram:

- PCB’s output voltage “OUT” is connected to the bridge.
- Additionally, the PCB has the “OUTZ” output allowing the user to measure flow without zero flow offset (zero flow = zero volts).
- Maximum power dissipated in the sensor / maximum “OUT” voltage can be limited using supply voltage: UOUT (max) = VCC – 2V. Maximum VCC current should not exceed 0.4 A.
- The PCB is protected using 0.5 A fuse F1, if PCB does not respond please check the fuse.
- The total value of R14..16 sensors is 21 Ω, for OOL sensor R17 = 420 Ω while for FS5/7 sensor R17 = 560 Ω.
- Please note that the Flow Demo Board ist not temperature-compensated.
Typical characteristics
FS7 Sensor:
OOL Sensor:

Order Information
Order Code / Former order code:
| 108327 104018 / 160.00023 104019 / 160.00024 104021 / 160.00026 104022 / 160.00027 | Board without sensor Board with FS7 sensor (with housing) Board with 6 mm Out of Liquid sensor Board with 4 mm Out of Liquid sensor Board with Real Probe sensors |
Additional Documents
Document name:
| Data Sheet: | DFFS5_E DFFS7_E DFOOL_E DF_Demo_Board_E |
| Application Note: | AFFS5_E AFFS7_E |
Innovative Sensor Technology IST AG, Stegrütistrasse 14, 9642 Ebnat-Kappel, Switzerland
Phone: +41 71 992 01 00
Fax: +41 71 992 01 99
Email: [email protected]
www.ist-ag.com
![]()
![]()
All mechanical dimensions are valid at 25 °C ambient temperature, if not differently indicated
- All data except the mechanical dimensions only have information purposes and are not to be understood as assured characteristics
- Technical changes without previous announcement as well as mistakes reserved
- The information on this data sheet was examined carefully and will be accepted as correct; No liability in case of mistakes
- Load with extreme values during a longer period can affect the reliability
- The material contained herein may not be reproduced, adapted, merged, translated, stored, or used without the prior written consent of the copyright owner
- Typing errors and mistakes reserved
- Product specifications are subject to change without notice
- All rights reserved
QSGF_Demo_Board_E2.3.2 | Flow | Demo Board


















