COMMAND LIGHT TFB-CL5 LED Traffic Advisor Light Bars and Arrow Sticks

THANK YOU!
Please allow us to express a simple thank you for investing in a COMMAND LIGHT product. As a company we are dedicated to producing the very best and most versatile flood lighting package available. We take great pride in the quality of our work and hope that you will find many years of satisfaction from the use of this equipment.
Should you have any problems with your product please do not hesitate to contact us.
Read this manual before installing or operating the COMMAND LIGHT.
Save this guide for future reference.
DANGER
PERSONAL RESPONSIBILITY CODE
The member companies of FEMSA that provide emergency response equipment and services want responders to know and understand the following:
- Firefighting and Emergency Response are inherently dangerous activities requiring proper training in their hazards and the use of extreme caution at all times.
- It is your responsibility to read and understand any user’s instruction, including purpose and limitations, provided with any piece of equipment you may be called upon to use.
- It is your responsibility to know that you have been properly trained in Firefighting and/or Emergency Response and in the use, precautions, and care of any equipment you may be called upon to use.
- It is your responsibility to be in proper physical condition and to maintain the personal skill level required to operate any equipment you may be called upon to use.
- It is your responsibility to know that your equipment is in operable condition and has been maintained in accordance with the manufacture’s instructions.
- Failure to follow these guidelines may result in death, burns or other severe injury.

Fire and Emergency Manufacturers and services Association, Inc. P.O. Box 147, Lynnfield, MA 01940. www.FEMSA.org
LIMITED WARRANTY
Five Year
COMMAND LIGHT warrants that the equipment is free from defects in materials and workmanship when used and operated for a period of five years. The responsibility of COMMAND LIGHT under this limited warranty is limited to the repair and replacement of any parts found defective. Parts must be returned to COMMAND LIGHT at 3842 Redman Drive, Ft Collins, Colorado 80524 with transportation charges prepaid (C.O.D. shipments will not be accepted).
Prior to returning defective parts to COMMAND LIGHT, the original purchaser shall make a claim in writing to COMMAND LIGHT at the above address indicating the model number, serial number and type of defect. No parts or equipment will be received by COMMAND LIGHT for repair or replacement under this warranty without specific written authority from it in advance.
Any parts damaged by improper installation, overloading, abuse or accident of any type or cause are not covered by this warranty.
All equipment manufactured by us is tested before leaving our plant, and is shipped in good working order and condition. We therefore extend to the original purchasers the following Limited Warranty for the period of five years from the original date of purchase:
- This warranty does not apply to defects caused by accident, misuse, neglect, or wear and tear, nor can we be held responsible for incidental and consequential expense and loss, nor does this warranty apply to equipment where alterations have been executed without our knowledge or consent. These conditions are readily discernable when the equipment is returned to us for inspection.
- On all component parts not manufactured by COMMAND LIGHT, their warranty is to the extent that the manufacturer of such component warrants them to COMMAND LIGHT, if at all. Look in your local business telephone directory for the nearest repair station for the brand of parts you have or write to us for the address.
- If equipment received has been damaged in transit, a claim should be made against the carrier within three days, as we assume no responsibility for such damage.
- Any service other than our Authorized Service voids this warranty.
- This warranty is in lieu of and is intended to exclude all other warranties, express or implied, oral or written, including any warranties of MERCHANTIBILITY or FITNESS for a particular purpose.
- Travel time paid at a maximum of 50% and only if pre-approved.
Warranty/Service
COMMAND LIGHT products* come with a industry leading 5 year warranty against any defects in materials and workmanship when used and operated for a period of five years. If during this time period, you have any malfunctions not related to misuse, accident, neglect, or normal wear and tear, please take the following steps in order to have your light tower serviced under COMMAND LIGHT’s warranty.
- Contact us immediately for initial diagnosis and parts if needed at 800-797-7974 or [email protected]
- You will need to have immediate access to light tower. This process can be done by individuals with little mechanical ability. (Involves pushing buttons and telling us what the light tower is doing or not doing)
- We then send parts (if needed) and have a technician dispatched (if needed) with a written work authorization number and a base amount of hours allotted to do repair
- We remain available for service support via phone, email, or video conference while technician completes repair, also to extend original time allotted if additional issue arise
- Mark repair as completed and validate the work authorization number for hours of labor / travel rates as agreed during diagnosis
- Finally, we will pay out or credit the invoice when we receive it from person/company performing the repair.
Please make contact with us as soon as problems arise in order to execute our warranty. We must have knowledge of the issue and a work order in place in order to pay or reimburse the department with the issue. Any unauthorized service voids this warranty. (No work is authorized until the call is made to us)
.Contact Us Early – before any work is done – We’d love to help!
*Excludes light producing components (bulbs, lasers, LEDs) These components come with their own manufacturer warranty. Contact us and we can help get it.
Breakage or Damage During Shipment
The transportation company is fully responsible for all shipping damage and will resolve problems promptly if you handle it correctly. Please read these instructions carefully.
Examine the contents of all shipping cases. If you find any damage, call your transportation agent at once and have them make a description on the freight or express bill describing the damage and the number of pieces. Then contact us and we will send you the original bill of lading. Also promptly contact the transportation company and follow their procedure for filing a claim. Each company will have a unique procedure to follow.
Please note, we cannot and will not enter claims for damages. If we filed claim here, it would be sent to your local freight agent for verification and investigation. This time can be saved by you filing the claim directly. Every consignee is on the ground floor, in contact with the local agent who inspects the damaged goods, and thus, each claim can be given individual attention.
Repair in the Field
The Command Light Traffic Flow Board mounts to the back of the Command light using the top four dust cover holes already in place. To do this, the arrow board housing must be removed first. The bottom housing will be fastened to the Command Light.
Remove the top four screws (10-24 x 3/8) from the dust cover.

Drill out the four holes using a 5/16 drill bit, leaving the dust cover in place. Remove the dust cover and attach the four clip-on nuts to the side panel.

Align the clips with the drilled holes. Place the dustcover back in place with all screws except for the top four. With the dust cover in place, the bottom housing of the Traffic Flow Board is ready to be mounted.
Place the bottom housing on top of the dust cover and use the ¼-20 x ¾ screws to mount it in place.
Operation:
The wireless controller has a total of six buttons:
- Emergency stop button
- On\Off\Start Button
- Arrow Left
- Both arrows
- Arrow Right
- Dashes
The first push of the button activates the function. A second push deactivates the function.

Power On Process:
There are three major steps in the process of Powering on the transmitter handset.
- Disengage the emergency shut off switch. This is done by twisting the switch, clockwise or counterclockwise.
- Turn the function knob (2) from the off position to the start position and hold for two seconds. This initiates the sync process in which the handset will connect and start the receiver unit.
Note: When turning the function knob to the Start position, the knob will automatically fall into the on position. The function knob needs to be in the start position first before going to the on position. This begins the sync process.
- The syncing procedure takes approximately 20 to 25 seconds. During this time, the status button will blink red indicating syncing is in progress.
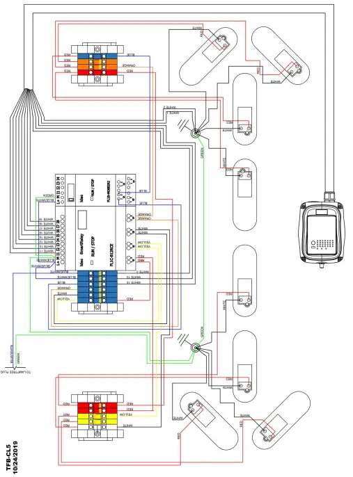
Wiring Schematic

Exploded View
PARTS LIST | |||
| ITEM | QTY | PART NUMBER | DESCRIPTION |
1 | 1 | 076 -30067 | BACK,LED BOARD, TFB CL6XX |
| 2 | 1 | 076-30066 | ARRAY,ENO.OSURE,FRONT,TFBV CL6XX |
3 | 8 | 069-01004 | GROMMET,GR-65PT,MARKER LAMP |
| 4 | 2 | 069-01000 | RAIL, DIN, SLOTTED, 7.SMM X 35MM 2 in. |
5 | 10 | 069-01140 | SCREW,BH,HEX,6xlx16,SS |
| 6 | 10 | 034·11028 | WASHER,LOCK,SPRING,REGULAR, 1/4″, SS |
7 | 6 | 034-10939 | SCREW,PHP,8-32 UNCX0.5 |
| 8 | 6 | 034-10951 | NUT,NYLOCK, 8-32 UNC,SS |
9 | 2 | 034-10968 | SCREW,PHP, 10-24 UNCx1 |
| 10 | 4 | 034-10978 | WASHER,LOCK,18-855,INTERNAL,#10 |
11 | 2 | 034•13100 | NUT,MS,HEX2, 10·24UNC,ss |
| 12 | 2 | 034-10981 | NUT,NYLOCK, 10·24 UNC,SS |
13 | 1 | 065-10055 | RELAY,PROGRAMMA8LE,10A,12-24VDC |
| 14 | 1 | 065-10056 | RELA Y,MODULE,5A, 12· 24VDC |
15 | 7 | 065-10068 | BlOCK,TERMINAL,DIN,DN-10-BLUE |
| 16 | 5 | 065-10075 | BRACKET,END,DIN,DN-EB35 |
17 | 1 | 065-10073 | BLOCK, TERMINAL,DIN, DN-T 1O-WHITE |
| 18 | 2 | 065-10074 | BLOCK, TERMINAL, DIN, DN -T1O-YELLOW |
19 | 3 | 065-10072 | BlOCK,TERMINAL,DIN,DN-T1O-REO |
| 20 | 2 | 065-10071 | BlOCK,TERMINAL,DlN,DN-TlO-ORANGE |
21 | 1 | 069-00997 | CONTROLLER,WIRELESS,12V, TFB-CLS |
| 22 | 1 | 069-00997 | BRACKET,CONTROLLER,WIRELESS,12V, TFB-CLS |
23 | 8 | 069-01003 | LAMP,MARKER, LED, P’T- Y56A |
| 24 | 1 | 065-12883 | STRAIN REUEF,OOMED 90,SCR .16-31,3/8 NPT,BLACK |
25 | 1 | 065-12831 | LOCKNUT,NYLON,3/8 NPT,BLACK |
| 26 | 2 | 034-11002 | SCREW,PHP,1/4-20 UNCx0.625 |
27 | 2 | 034-10110 | WASHER, LOCK, 18-855,INTERNAL,1/4in |
| 28 | 2 | 034-11029 | WASHER,FLAT,SAE, 1/4″, SS |
29 | 2 | 034-11033 | NUT,NYLOCK, 1/4-20 UNC,SS |
| 30 | l | 069-01000 | RAIL, DIN, SLOTTED, 7.SMMX 35MM 7.125 in. |

Customer Support
COMMAND LIGHT_
3842 Redman Drive
Fort Collins, CO 80524
PHONE: 1-800-797-7974
FAX: 1-970-297-7099
WEB: www.CommandLight.com



















