h2flow Flowvis Digital Flow Meter
Description
FlowVis Digital is the latest and most significant upgrade to date to the renowned FlowVis family. By adding Digital functionality to the already unrivaled accuracy and flexibility of FlowVis flow meters, users will now experience even greater functionality, ease of use, and precision. Unique features such as Pool Turnover Rate and an ability to set flow rate alarms will further enhance the industry’s most respected flow meter.
FlowVis Digital employs a patented electronic design to accurately measure the flow rate. A remote digital display, housed in a NEMA 4X corrosion-proof enclosure, displays the flow rate in both a numeric value as well as in a bar-graph format.
Even with the ability to install FlowVis in tight spaces and with almost zero straight pipe requirements, it can sometimes be difficult to install the device in a location that makes it easy to read. FlowVis Digital solves this problem by allowing you to install a Digital readout in a user-accessible location.
In addition to greater installation flexibility, the Digital upgrade will also eliminate the possibility of experiencing a parallax error issue when reading the standard FlowVis.
Note: Parallax error can be caused by not looking at the FlowVis scale squarely – akin to a passenger in a car looking at the speedometer and seeing a different reading to the driver. Additional details relating to this can be found in the FlowVis Operating Manual.
Using the ‘Advanced Setup’ features, FlowVis Digital can be interfaced with other systems such as heaters, chemical feeders and UV units, so that they will only operate above a user-defined flow rate. When using this option, it will be necessary to include the Auxiliary Interface Unit with your purchase.
FlowVis Digital also includes a 4-20 mA output that can be interfaced to Variable Frequency Drives, such as H2flow’s
Eco-Flow in order to achieve constant flow control.
Compatibility
FlowVis Digital is designed to be included (as an option) with any new FlowVis installation. Alternatively, it can be retrofitted to an existing FlowVis – regardless of the size or model. For retrofit installations, however, it is important to take careful note of sections 6.1 and 6.2 of this manual.
Safety information
ALL CONNECTIONS MUST BE MADE BY A QUALIFIED ELECTRICIAN. ELECTRIC SHOCK CAN CAUSE SERIOUS INJURY OR EVEN DEATH.
- Electrical: FlowVis Digital utilizes a 100-240VAC to 12VDC power supply that needs to be plugged into a
standard receptacle. The power supply cord should be firmly inserted into the receptacle, and a plug restraining clamp should be added, if any of the FlowVis Digital’s outputs are being interfaced to other equipment such as VFDs, Heaters, Chemical Feeders or any safety-related equipment. - Mechanical: The FlowVis Digital sensor housing should only be secured to the FlowVis lid using the two extra-long 1”(25mm) stainless steel Phillips head screws provided.
what’s included
FlowVis Digital model FV-D includes:
Dimensions
For product dimensions, please refer to the images below (Fig 2.1 & 2.2). Please note: Dimensions are the same for FlowVis Digital indoor and outdoor models. *Cable glands supplied; not pictured below; please refer to Fig 1.1 on pg.4.
pre-installation
Per the section of this manual titled ‘Description’, please note that this product is indoor-rated only.
This section only applies to FlowVis models that are 2.5” and below OR, FV-3 and FV-4 that were provided prior to November 2020. This section covers two scenarios for installing the FlowVis Digital system:
- Install FlowVis Digital to a new OR existing FlowVis unit for 1.5”/DN40, 2”/DN50, or 2.5”/DN65 pipe. If this section applies to you, please refer to Installation section 6.1 before proceeding to Installation section 6.3.
- Install FlowVis Digital to a 3”/DN80 or 4”/DN100 FlowVis that was manufactured before November 2020. If this section applies to you, please refer to Installation section 6.2 before proceeding to Installation section 6.3. If your FlowVis 3”/DN80 or 4”/DN100 was manufactured after March 2020, please proceed directly to Installation section 6.3.
Note: To confirm the manufacturing date of your FV-3 (DN80) or FV-4 (DN100), look at the 2-digit code on the side of the FlowVis lid and confi rm that it is equal to or greater (later) than HT18. For example, HT18 is greater (later) than HT17. If the code on your FlowVis lid is less than (before) HT18, a new, compatible lid assembly will be required. Please contact H2fl ow for assistance in determining the appropriate lid assembly for your installation.
installation
6.1. Replacing the flapper & indicator assembly in 1.5”(DN40) 2” (DN50) and 2.5” (DN65) installations
For the flowers Digital (FV-D) to function on FlowVis models FV-15, FV-15-L, FV-C-M-DN40, FV-2, FV-2-L, FV-C-M-DN50, FV-25, FV-25-L, and FV-C-M-DN65, it will be necessary to replace the Flapper and its attached red indicator with the one provided in the FV-D packing box (see Fig.1.4 on page 4) – regardless of whether the FlowVis unit itself is new or already installed. This is a simple procedure that will take less than 2 minutes; however, it is important to reassemble the unit exactly as shown below.
Procedure:
- Release each of the two spring legs from the location tabs – this will remove the tension from the spring. See Fig.2.3 above.
- Slide the Hasteloy pivot pin to completely remove it from the lid.
- Discard the existing gray Flapper with its attached red indicator.
- Pay attention to the orientation of the spring when reassembling the unit.
- Install the new Flapper and Indicator following a reversal of the disassembly procedure. Note, you may fi nd it easier to place the spring’s legs over their location tabs before sliding the pin.
- Proceed to Section 6.3 to complete the installation of FlowVis Digital.

installation cont.
Installing FlowVis Digital to an existing (pre- November 2020) 3”(DN80) or 4” (DN100) FlowVis
- Remove the screws from the existing lid of the FlowVis unit and remove the lid assembly.
- It is not uncommon for the FlowVis lid to be retained by a vacuum suction after the 8 screws have been removed. Under no circumstances should you try to leverage the lid off with a screwdriver or similar device. Instead, momentarily open a valve that is either upstream or downstream to release the vacuum.
- Ensure that the new lid assembly has a code on the side of the lid that is equal to or greater than HT16. For example HT16 is greater (later) than HT15.
- Ensure that the o-ring on the underside of the new lid assembly is undamaged, lubricated with silicone (such as Boss 820), and is in-place without twists.
- Carefully lower the lid onto the Tee, making sure that the o-ring stays in place. Also make sure that its orientation is correct; the top of the FlowVis scale should be toward the direction of flow.
- Referring to Fig.2.5 (right), identify the required side of the FlowVis to mount the FlowVis sensor, ensuring that the sensor is fully seated and the screw holes line-up with those on the FlowVis lid assembly.
- Place 6 of the 8 FlowVis screws in the lid assembly, and use the 2 longerscrews provided with your FlowVis Digital (Fig.1.3 on page 4) in the holes for the sensor. Do not tighten.
- Using a hand Phillips-head screwdriver, slowly tighten the screws in a diagonal pattern, per the diagonal sequence shown in Fig.2.6. Do not fully tighten one screw before proceeding to the next, i.e., pull them down slowly multiple times to avoid stressing and cracking the lid. Screws should be tightened to a final torque of 25 in./lbs. or 2.8 Nm. Disclaimer: Under no circumstances should the screws in the FlowVis lid assembly or sensor be tightened with an electric screwdriver in the ‘drill’ setting. This can result in
a cracked lid or sensor and will void the product warranty. - Proceed to section 6.3 to complete the installation of your FlowVis Digital.

Installing FlowVis Digital to a new or existing (post- November 2020) FlowVis
PLEASE NOTE: If you are installing FlowVis Digital to either, a) an existing 1.5”(DN40), 2×2.5”(DN50/65), please refer to section 6.1, or b) an FV-3(DN80 or FV-4(DN-100) that was manufactured before November 2020, please refer to section 6.2 of this manual before proceeding with section 6.3.
- Check the contents of your FlowVis Digital box to ensure that they comply with the components shown on page 4 of this document
- Unless previously done in section 6.2, remove the two FlowVis lid screws that will align with the hole mounting tabs for the sensor (refer to Fig.2.5 on pg. 7).
- Mount the sensor, ensuring that it is fully seated and the screw holes line up with those on the FlowVis lid assembly (see Fig.2.5).
- Place the 2 extended screws provided with your FlowVis Digital (Fig.1.3 on page 4) in the holes for the sensor and using a hand Phillips-head screwdriver, slowly tighten the screws. Do not fully tighten either screw before proceeding to the next, i.e., pull them down slowly, multiple times to avoid stressing and cracking the sensor. Screws should be tightened to a final torque of 25 in./lbs. or 2.8 Nm. Disclaimer: Under no circumstances should the screws in the FlowVis lid assembly or sensor be tightened with an electric screwdriver in the ‘drill’ setting. This can result in a cracked lid or sensor and will invalidate the product warranty.
- Mount the FlowVis Digital Display enclosure in a location that is: a) convenient for viewing, b) close enough to the FlowVis flow meter for the sensor cable length (including any extension cables you may have purchased), and c) close enough to a 100-240VAC receptacle to allow the power supply to connect. Note: The power supply output(12VDC) cable has a total length of 10 feet / 3M, but can be extended up to a total length of 24 feet / 8M. It is essential that its polarity is maintained. Good electrical practices should be used when extending this cable.
- Connect the Power Supply low voltage (12VDC) output to the Display (see wiring diagrams on pages 9 & 10).
- Connect the Sensor to the display using either the standard-length cables provided or the extension cable (if purchased).
- Disclaimer: The sensor-to-display cables MUST NOT be cut or spliced in any way. Doing so will invalidate the FlowVis Digital product warranty. If these cables are longer than needed, we suggest coiling the excess cable and tying with a zip-tie.
- Plugin the Power Supply and ensure that the Digital Display illuminates and the blue light on the sensor is on (not flashing). If the blue light is flashing, please refer to section 6.4.
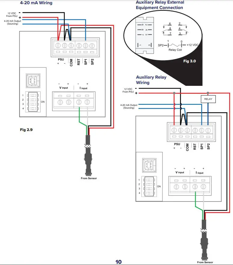
- If being used, connect 4-20 mA output to external equipment such as a VFD (see Fig.2.9).
- If being used, connect the alarm relay (see Fig.3.1).
- Proceed to the Programming section.
Sensor/blue light is flashing
A blue LED is visible when looking at the sensor. A flashing blue LED indicates that the FlowVis does not have a magnet installed. All FlowVis models that are 3” (DN80) and larger that were manufactured after November 2020 had this magnet installed. If your application involves a unit that is ≥ 3” (DN80), and the sensor light is flashing, it is apparent that your FlowVis unit was manufactured before this date. Please contact H2flow to find a solution. If your FlowVis model is for a 2.5” (DN65) or smaller, and the blue sensor light is flashing, please install the replacement flapper/indicator that was included in the FlowVis Digital shipping box (see section 6.1 of this document).
wiring

output
programming
To proceed with programming, first locate the DIP switches on the backside of the Digital display. Refer to the circled area in Fig.3.2.
Important Note: It is important to select the correct DIP switch position based on BOTH the model (first column) and the pipe size (second column) shown in the table below as multiple FlowVis models exist for the same pipe diameter.
operation
After setting the DIP Switches to reflect the FlowVis model and Pipe Size employed in your application, the FlowVis Digital is ready to use. No calibration or further settings are required. However, by default, the FlowVis Digital readout will display the flow rate in US GPM and the Turnover Rate will show — (indicating that this function is not activated). If you would like to change the unit of measurement from US GPM to either LPM or M3/hr, and /or activate the pool Turnover Rate function, then it will be necessary to access these functions as described in the Advanced Setup section.
advanced setup
Although FlowVis Digital will function as a flow meter without additional steps, there are several very useful features that can be accessed via the ‘advanced setup’ procedures. These features comprise:
- Display of the pool turnover rate
- Changing the display’s appearance at a user-defined flow rate
Programming an (optional) auxiliary relay to operate external equipment such as a Heater or Chemical Feed System, which will only operate at user-defined flow rates
Programming the advanced features will require a Windows-based laptop PC. The initial step is to download the Advanced Panel Display Software from the internet, we recommend that this be done in an office environment rather than the pool equipment room. Note: there is no requirement to connect the laptop to the Display during this initial step.
The laptop PC will require the following:
- Running either a Windows 7, 8, or 10 operating system, using either a 32 or 64-bit configuration
- Microsoft .NET Framework (if you don’t have this, it can be downloaded from www.microsoft.com/net)
- A spare USB 2.0 port (for later connection to the Display)
- An internet connection
Step 1 – Download and install the ‘Advanced Panel Display’ Configurator Software:
Launch an internet browser page and go to www.h2flow.net/flowvis-digital-flow-meter and locate the ‘Configurator’ section, either by clicking on the tab titled ‘Configurator’ on the page header or by scrolling down the page to this section.
Click on the ‘Configurator Download’ button. When the Configurator has finished downloading, open the file, either from your Downloads folder or from the bar at the bottom of your browser. Follow the prompts provided by the Setup Wizard and when asked, click on ‘Save As’. Save the file to your preferred location. The default file name will be ‘APM Configurator’.
After downloading the file, double-click on the icon labeled ‘APM Configurator’.
You should then see an image on your desktop which resembles Fig 3.5 (right).
Click on the ‘Updates’ tab and make sure that the ‘Automatic Updates’ option is checked. If ‘Automatic Updates’ was un-checked, please check this, and then close the program and re-launch. If new updates are available, they will be automatically downloaded and saved to your PC.
The Configurator program has now been successfully installed and your laptop is ready to connect to the FlowVis Display.
Step 2 – Programming the advanced features of the FlowVis Digital Display
With the Configurator program still open, connect the Display to your PC using the Type A to Type B cable that was delivered with your FlowVis Digital (Fig 1.5).
The FlowVis Digital screen should display the text ‘US.b’, and the Configurator should now look like Fig.3.6, below. Click on the ‘Configure APM’ button.
You should now see a screen that looks like the one below (Fig. 3.7):
In this screen, you can program:
- The unit of measurement in either US GPM (default), LPM, or M3/h
- If being installed to a swimming pool, then the turnover rate by inserting the volume of your pool
Please do not change any other values.
‘Alarm 2’ has been designated to the Digital (Open Collector) output that can be connected to control the optional Auxiliary Relay kit discussed in section 13 of this manual. In the right-hand side of this screen, you can program the condition that you wish the relay to activate. As can be seen from the default values, it will operate when the flow rate is above 25 GPM.
You can change this value to that desired for your application, and you can also determine the condition that you wish it to operate, e.g., above or below the programmed value, between or outside the programmed values. Note that when either of these latter two options is selected, a second value window will appear.
Beneath this you will see an option to select the relay’s sensitivity in detecting the programmed condition at which you wish it to activate; the default is set to ‘low’. It is recommended that you do not adjust this unless you need the relay to operate immediately when the flow rate hits the programmed level. Please note, however, that the equipment connected to the relay may experience rapid turning on and off when the flow rate is turbulent and is close to the programmed alarm value.
Finally, you may also wish to change the appearance of the Display when the Alarm condition is met. For example, if you wanted to make the screen flash red when the flow rate is above a certain value such as a high flow rate, you can achieve this by checking the ‘Change Backlight’ box and selecting the desired appearance.
When all changes have been made, it is essential that you click on ‘APM’ in the menu at the top of the screen, and then click on the dropdown option ‘Write Configuration to APM’.
Before disconnecting the Type A to Type B cable between your PC and the Display, you may wish to save your configuration settings. To do so, click on ‘File’ at the top-left of the Configurator screen, and then click on ‘Save Configuration File’ from the dropdown menu. In the ‘Save As’ dialog box, navigate to the location that you wish to save the file, and give it a Filename before clicking on the ‘Save’ button.
auxiliary relay (optional kit)
The Auxiliary Relay option is a valuable feature that allows the FlowVis Digital user to control external devices such as Heater and Chemical Feeders at user-defi ned fl ow rates. For example, you may want to control the Chemical Feeder to operate only above 20 GPM. Setting this value is discussed in Section 12.
The Auxiliary Relay option kit installs into the rear of the FlowVis Digital Display enclosure and comprises the following items:
| Qty. | Item |
| 1 | Auxiliary Relay with 12 VDC coil and 2 sets of souble pole / double throw dry contacts |
| 1 | Set of relay coil wires |
| 1 | Cable zip ties (2) with (1) adhesive pad |
| 6 | Crimp style Cable Spades |
| 1 | Cable Gland |
Installation (internal)
- Secure Relay 1 by removing adhesive backing tape
- Attach pre-made blue wire 2 to terminal 1 3 on Relay
- Attach pre-made red wire 4 to terminal 0 5 on Relay
- After removing protective film, attach Cable Pad 6 to rear of hinged door in location shown
- Use Zip Ties 7 as shown
- Connect blue wire to terminal marked ‘SP2’ on rear of Display
- Connect red wire to terminal marked ‘PSU+’ on rear of Display
- Drill hole 5/8” (16mm) diameter hole for Cable Gland 8 Be careful not to damage Relay 1

Installation (external)
The Auxiliary Relay comprises two sets of double pole / double throw dry contacts. Both sets of contacts will operate at the same programmed fl ow rate as set in the ‘Advanced Setup’ section on page 14. Each of the two sets of contacts has a normally open and a normally closed relay. The ‘normal state’ is the condition that the contacts are in before they are activated when the coil is energized by the programming value. Please refer to the Auxiliary Relay Connection Diagram (Fig. 3.0) on page 10.
Using the cable spade connectors provided, connect the external wiring to the required Auxiliary Relay outputs. For example, if the Heater requires a contact closure to operate, connect the heater-enabled circuit to either terminals 4 and 2, or 8 and 6. Both of these are normally open contacts that will close when the relay coil is energized by the setting applied in the ‘Advanced Setup’ section on page 14.
display features
The FlowVis Digital Display comprises certain standard features as well as user-defi ned parameters/adjustments. Standard features include a Digital and Bar Graph reading of the measured fl ow rate. The user has the option to program the Unit
of Measurement to be displayed in either US GPM (default), LPM, or M3/hour. The patent-pending feature that displays the Turnover Rate is activated by the user during programming. The Display’s format can also be programmed by the user to change its appearance under prescribed conditions, e.g., fl ash above or below a certain flow rate. Refer to the ‘Advanced Setup’ section for more information on how to take advantage of this functionality.
On all FlowVis Digital installations for 8-inch FlowVis units, please note that the text ‘X10’ will appear above the flow reading at all times. See the below examples and instructions on how to properly read these flow rates:
troubleshooting
FlowVis Digital has been designed to be an easy to install, accurate and reliable addition to the renowned FlowVis flow meter. However, should an unexpected problem occur, please refer to the following Troubleshooting Guide?
As always, please feel free to contact us with any questions or concerns. Tel: 888.635.0296
| Observation | Solution |
| Digital Display not illuminated | • Check Power Supply is plugged into its receptacle, if yes… • Check for 12 VDC power at terminals PSU+ and PSU- on rear of Display, if no voltage… • Check to see if wires from the Power Supply are securely terminated into the PSU+ and PSU- terminals, if yes… • Check to see if power source is active. If yes, Power Supply needs to be replaced |
| Digital Display reads zero flow rate with pump running | • Is Display illuminated? If yes… • Check to see if FlowVis is reading the expected flow. If yes… • Check to see if there is a steady blue light on the sensor. If no… • Check sensor wiring and terminations into the rear of the Display – red wire to I input +, black wire to I input -, and green wire to COM. Is everything is secure and correct? If yes… |
| Observation | Solution |
| Digital Display not illuminated (continued from previous page) | • If the blue light is flashing, the sensor has not detected a magnet in the FlowVis indicator arm. Contact H2flow for further assistance. • Is this a retrofit to an existing FlowVis? If yes, did you install a new lid assembly that is ‘Digital’ compatible? If no… • Contact H2flow for further guidance |
| Digital Display is reading a flow rate that is significantly different to the FlowVis | • Check that the DIP switch settings applied in ‘Programming’ section, correctly related to the FlowVis model being used. If applied correctly, please contact H2flow for further guidance. |
| Turnover rate appears to be inaccurate | • The turnover rate is calculated by the programmed pool volume, divided by the flow rate. Perform a manual calculation as follows: (Pool Volume ÷ Flow Rate from FlowVis) ÷ 60 = Turnover rate in hours. If this number is different to the value shown on the FlowVis Display, reconnect your laptop and check that the pool volume has been accurately entered. |
| External equipment such as a Heater or Chemical Feeder, that is being controlled by the Auxiliary Output, is turning on and off erratically | • Reconnect laptop PC and check that the Sensitivity Level has been set to ‘Low’. If yes… • Check the flow rate reading is well above (or below) the set level programmed to turn on (or off) the Auxiliary Output. If the actual flow rate is close to the set value and there is turbulence causing the flow rate to be erratic, consider adjusting the setpoint value. |
| Display is showing the wrong unit of measurement | • Connect your laptop and check to see the required Unit of Measurement (US GPM, LPM or M3/hour) has been selected. Change as necessary. |
environmental
See specifi cation section for environmental operating conditions.
For product disposal, follow all local environmental requirements mandated for plastic and electronic equipment.
standards & approvals
Display & Sensor NSF 50 certifi ed, (indoor use only) Power Supply UL, cUL, CE
NSF 50 accuracy certification
The accuracy of FlowVis Digital has been independently certified by NSF to the NSF 50 Standard for Flow Meters. At the time of printing, the FlowVis Digital is the only digital flow meter in the world to have been certified to this rigorous standard.
The NSF 50 flow meter standard has five levels of accuracy that a flow meter can be certified to – Levels 1 to 5 (L1-L5), and where L1 is the most accurate:
Level 1 (L1) – Average of absolute values of all single point deviations must be ≤2%. Single point deviations shall not exceed ±4%.
Level 2 (L2) – Average of absolute values of all single point deviations must be ≤5%. Single point deviations shall not exceed ±7.5%.
Level 3 (L3) – Average of absolute values of all single point deviations must be ≤10%. Single point deviations shall not exceed ±12.5%.
Level 4 (L4) – Average of absolute values of all single point deviations must be ≤12.5%. Single point deviations shall not exceed ±15%.
Level 5 (L5) – Average of absolute values of all single point deviations must be ≤15%. Single point deviations shall not exceed ±20%.
FlowVis Digital has been certified to NSF 50 as follows:
| FlowVis Digital connected to FlowVis model | FlowVis Digital accuracy | Flow Range (GPM) |
| FV-15 | L1 | 20-90 |
| FV-15-U | L1 | 20-90 |
| FV-2 | L1 | 20-110 |
| FV-2-U | L1 | 20-110 |
| FV-25 | L1 | 20-110 |
| FV-3 | L1 | 70-240 |
| FV-3-40 | L1 | 70-240 |
| FV-4 | L2 | 150-450 |
| FV-6 | L1 | 300-1000 |
| FV-8 | L1 | 600-1800 |
specifications
Display Enclosure
Enclosure Material ……………………………………………………. ABS
Rating …………………………………………………………………………. NEMA 4X / IP66
Dimensions………………………………………………………………… 6” x 6” x 3.5” / 152mm x 152mm x 90mm (HxWxD)
Mounting Brackets (4) ………………………………………………. Stainless Steel
Outdoor (UV inhibitor included) ………………………………. Special Order
Display
Display ……………………………………………………………………….. LCD
Backlight Colors………………………………………………………… Red, Green, White
Display Cable with Socket ………………………………………. 138” (3.5M) long
Sensor
Sensor Housing Material …………………………………………. Polycarbonate (clear)
Molded Cable with Plug …………………………………………… 20” (0.5M) long
Display to Sensor Extension Cable (optional)
Pre-formed with Attached Plug and Socket ………….. 25 feet (7.62M) long
Power Supply
Power Connection ……………………………………………………. Receptacle style
Power Source ……………………………………………………………. 100-240VAC, 0.4 Amps
Power Output ……………………………………………………………. 12 VDC, 1.0 Amps
Low Voltage Cable Length ………………………………………. 10’ (3M)
Auxiliary Relay
Output Contacts ……………………………………………………….. Double Pole, Double throw Form C Dry Contacts
Contact Ratings …………………………………………………………. 20A max
Relay Coil …………………………………………………………………… 12VDC (sourced and controlled by the Display)
Analog Output (4-20mA)
Scaled to ……………………………………………………………………. 4 mA = zero flow, 20 mA = max flow rate limit of installed FlowVis
Output Format …………………………………………………………… Voltage sourced from FlowVis Digital Display
Maximum Load ………………………………………………………….. 250 ohms
Accuracy
Flow Rate Accuracy ………………………………………………….. >97.9% for all FlowVis models
Environmental
Operating Temperature ……………………………………………. 32 to 122°F (0 to 50°C)
Storage Temperature ……………………………………………….. -4 to 140°F (-20 to 60°C)
Rated for …………………………………………………………………….. Indoor use only
warranty
IMPORTANT, PLEASE READ AND KEEP THIS DOCUMENT ON RECORD.
Definition
H2flow Controls, Inc., warrants the FlowVis® product for 3-years from its date of supply from H2flow Controls, Inc. or its stocking Distributor. In the event that the product experiences a premature failure due to defective workmanship or materials, H2flow will, at its discretion, replace either the failed component(s) or the complete FlowVis Digital unit. H2flow shall not be responsible for third-party labor or any consequential losses. Damage caused by improper installation, misuse or exposure to corrosive chemicals, will not be covered by this warranty.
Eligibility
This warranty extends to the original purchaser only or to the end-user client of an H2flow Controls Inc. authorized affiliate.
How to obtain service
To obtain service under the terms of this warranty, the customer is required to notify H2flow Controls Inc. before the expiration of the warranty period and to return the item in accordance with H2flow Controls Inc’s product return policy. Any product returned for warranty repair must be accompanied by a full fault report specifying the symptoms and the conditions under which the fault occurs. Should H2flow Controls Inc. incur additional cost as a result of a failure to complete the appropriate paperwork, an administrative charge may be levied.
Exclusions
This warranty shall not apply to any defect, failure or damage caused by improper use or improper or inadequate care. H2flow Controls Inc. shall not be obligated to provide service under this warranty if:
- damage has been caused by a failure to make a full and proper inspection of the product (as described by the documentation enclosed with the product at the time of shipment) on initial receipt of the product following shipment;
- damage has been caused by the attempts of individuals, other than H2flow Controls Inc. staff to repair or service the product;
damage has been caused by the improper use of the product, including but not limited to, the cracking or breakage of a FlowVis Digital sensor or FlowVis lid due to the over-tightening of lid screws, damage to the FlowVis Digital LCD display screen due to misuse or excessive exposure to chemicals, use or installation in an outdoor, wet or ‘washdown’ type environment, the splicing or cutting of cables or wires unless explicitly instructed to do so during the installation process.
Charges
Undercover of this warranty, H2flow Controls Inc. will pay the carriage and insurance charges for the shipment of defective product back to H2flow Controls Inc. and for its return to the client’s original site of dispatch except when:
- H2flow Controls Inc’s product return policy has not been followed.
- product failure is caused by any of the exclusions described in paragraph 4 above when the customer will be liable for the full cost of the repair (parts and labor) plus all carriage and insurance costs to and from H2flow Controls Inc’s premises.
The product is damaged in transit and a contributory cause is inadequate packaging. It is the customer’s responsibility to ensure that the packaging used to return equipment to H2flow Controls Inc. is the same, or has equivalent protective qualities, to that used to ship the product to the customer in the first instance. Any damage resulting from the use of inadequate packaging will nullify H2flow Controls Inc’s obligations under this warranty.
Should the customer’s product be damaged in transit following a repair at H2flow Controls Inc’s site, a full photographic record of the damage must be obtained (packaging and the product) to support any claim for recompense. Failure to present this evidence may limit H2flow Controls Inc’s obligations under this warranty.THIS WARRANTY IS GIVEN BY H2FLOW CONTROLS INC. IN LIEU OF ANY OTHER WARRANTIES, EXPRESSED OR IMPLIED, INCLUDING BUT NOT LIMITED TO ANY IMPLIED WARRANTY OF MERCHANTABILITY, NON INFRINGEMENT OR FITNESS FOR A PARTICULAR PURPOSE. H2FLOW CONTROLS INC SHALL NOT BE LIABLE FOR ANY SPECIAL, INDIRECT, INCIDENTAL OR CONSEQUENTIAL DAMAGES OR LOSSES. WE SPECIFICALLY DISCLAIM ANY AND ALL WARRANTIES TO CUSTOMERS OF THE CUSTOMER. THE CUSTOMER’S SOLE REMEDY FOR ANY BREACH
OF WARRANTY IS THE REPAIR OR REPLACEMENT, AT H2FLOW CONTROLS INC’S DISCRETION, OF THE FAILED PRODUCT.


























