Digital Stepper Driver R42
User Manual

Shenzhen Rtelligent Mechanical Electrical Technology Co.,ltd
Product overview
Thank you for choosing Rtelligent R series digital stepper driver.
R series stepper driver, which surpasses the performance of common analog stepper driver comprehensively based on the new 32-bit DSP platform developed by TI, and adopting the micro-stepping technology and PID current control algorithm design. The R series stepper drivers have the features of low noise, low vibration, low heating and high-speed high torque output, it is suitable for most stepper motors by integrated with the micro-stepping technology.
The R42 driver can select the running current and subdivision through the DIP switch. There are 16 subdivisions and 8 current selections. It has overvoltage, undervoltage and overcurrent protection. Its input and output control signals are optically isolated.
| Power supply | 24 — 48VDC |
| Output Current | Up to 2.2 amps ( peak value) |
| Current control | PID current control algorithm |
| Micro-stepping settings | DIP switch settings, 16 options |
| Speed range | Use the suitable motor, up to 3000rpm |
| Resonance suppression | Automatically calculate the resonance point and inhibit the IF vibration |
| Parameter adaption | Automatically detect the motor parameter when driver initialize, optimize the controlling performance |
| Pulse mode | Support direction & pulse, CW/CCW double pulse, |
| Pulse filtering | 2MHz digital signal filter |
| Idle current | The current is automatically halved after the motor stops running |
We hope that our products with excellent performance can help you to complete the sports control program successfully.
Please read this technical manual before using the products.
Application environment and installation
Environmental requirement
| Item | Rtelligent R42 |
| Installation environment | Avoid dust, oil and corrosive environment |
| Vibration | 0.5G (4.9m/s2) Max |
| Operating temperature/humidity | Or – 45r / 90% RH or less (no condensation) |
| Storage and transportation temperature: | -10r – 70r |
| Cooling | Natural cooling / away from the heat source |
| Waterproof grade | IP54 |
Driver installation dimensions

Driver installation requirements
Please install the driver vertically or horizontally, with its front facing forward, top facing upward to facilitate cooling.
During assembly, avoid drillings and other foreign matters falling inside the driver.
During assembly, please use M3 screw to fix.
When there is vibration source (such as a driller) close to the installation position, please use a vibrating absorber or a vibration resistant rubber gasket.
When multiple drivers are installed in the control cabinet, please pay attention to reserve enough space for sufficient heat dissipation. If necessary, you can configure cooling fans to ensure good heat dissipation conditions in the control cabinet.
Driver port and connection
Port function description
| Function | Grade | Definition | Remarks |
| Power supply input port | V+ | Input DC power positive | DC 24-48V |
| V- | Input DC power negative | ||
| Motor connection port | A+ | connect two terminals of motor’ s phase-A winding | |
| A- | |||
| B+ | connect two terminals of motor’ s phase-B winding | ||
| B- | |||
| Pulse connection | PUL+ | Pulse input interface | 3.3 – 24V level compatible |
| PUL- | |||
| DIR+ | Direction input interface | ||
| DIR- | |||
| Enable connection | ENA+ | Enable control interface | |
| ENA- |
Power supply input
The driver’s working power is DC power, and the input voltage range is between 24V ~ 48V.
Input power polarity should not be reversed!!!
The driver’s work mode is constant current control. The driver output the voltage to motor by changing the input power into PWM chopping wave when it is working. In this case, the input power will affect the performance of driver.
Power selection reference:
Voltage:
Stepper motor has the characteristics of torque decrease with the increase of motor speed, and the input voltage will affect the amplitude of high-speed torque reduction. Properly increasing the voltage of the input power supply can increase the output torque of the motor at high speed.
Therefore, if you want to get better high-speed performance, pls increase the power supply voltage of the driver; and for low-speed applications, choosing a slightly smaller voltage can appropriately reduce the heat of the motor.
Current:
The working process of the driver is to convert the input high-voltage and low-current power supply into the low-voltage and high-current at both ends of the motor winding. In actual use, the appropriate power supply should be selected according to the motor model, load torque and other factors.
The effects of regeneration voltage:
When the stepper motor is working, it also retains the characteristics of the generator. When decelerating, the kinetic energy accumulated by the load will be converted into electrical energy and superimposed on the driver circuit and input power supply.
Pay attention to the setting of acceleration and deceleration time to protect the driver or power supply.
When the driver is powered off, you will see the driver’s LED indicator on when the load is pulled to make the motor move, which is also affected by this.
Motor connection

The matching motor of the R42 driver is the low resistance and low inductance hybrid stepper motor.
The common 2-phase stepper motor’s lead number are 4, 8 and 6.
There is only one connection mode for 4 leads motor.
Series and parallel connection mode are used by 8 leads motor:
When series used, the winding inductance increased. The set of driver current should be about 0.7times than before. This is suitable for low speed required.
When parallel used, the winding inductance decreased. The set of driver current should be about 1.4times than before. This is suitable for high speed required.
Parallel and central tapping connection mode are used by 6 leads motor:
When parallel used, all the winding connected, and the inductance was higher. This is suitable for low speed required.
When central tapping used, half of the winding connected, and the inductance was lower. This is suitable for high speed required.
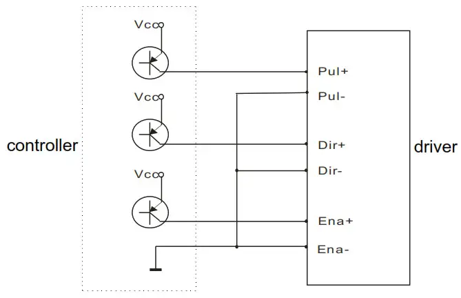
Control signal connection
- PUL, DIR port: connection for pulse command
The standard R series driver signal interface is in the form of pulse, and R42 can receivetwo pulse command signals.
The upper controller can be the pulse signal generating device, such as PLC, MCU, control card and controller.
The pulse level that R42 driver can be used: 3.3V-24V (no need to connect resistor)Pulse and direction (PUL + DIR) 
Double pulse (CW +CCW) 
- ENA port: used to enable or disable
When the internal optocoupler is off, the driver outputs current to the motor;
When the internal optocoupler is on, the driver will cut off the current of each phase of the motor to make the motor free, and the step pulse will not be responded.
When the motor is in error state, ENA input can be used to restart the driver. Firstly, the fault is eliminated, and then a falling edge signal is input to the ENA terminal. The driver can restart the power part and the motor is excited.
The level logic of the ENA signal can be set to the opposite, with the logic being opposite to the above. - Examples for control signal connection
Common Anode
Common Cathode
Difference
The setting of DIP switches and operating parameters

The setting of current
| Peak Current | Average Current | SW1 | SW2 | SW3 | Remarks |
| 0.3A | 0.2A | on | on | on | Other Current be can customize ed |
| 0.5A | 0.3A | off | on | on | |
| 0.7A | 0.5A | on | off | on | |
| 1.0A | 0.7A | off | off | on | |
| 1.3A | 1.0A | on | on | off | |
| 1.6A | 1.2A | off | on | off | |
| 1.9A | 1.4A | on | off | off | |
| 2.2A | 1.6A | off | off | off |
DIP SW1, SW2, SW3 are used to set current which is output from driver to motor.
Generally, the current is set to the rated current of the motor. If your system has high request to the heating, please decrease the current properly to lower the motor’s heating, but at the same time, the output torque will be lower. If you don’t need the motor running continuous, you can increase the current to higher the torque. But be minded that the current can not be 1.5times over than the rated current.
The setting of pulse per revolution
| Steps/revolution | SW5 | SW6 | SW7 | SW8 | Remarks |
| 200 | on | on | on | on | Customizable other pulse per revolution |
| 400 | off | on | on | on | |
| 800 | on | off | on | on | |
| 1600 | off | off | on | on | |
| 3200 | on | on | off | on | |
| 6400 | off | on | off | on | |
| 12800 | on | off | off | on | |
| 25600 | off | off | off | on | |
| 1000 | on | on | on | off | |
| 2000 | off | on | on | off | |
| 4000 | on | off | on | off | |
| 5000 | off | off | on | off | |
| 8000 | on | on | off | off | |
| 10000 | off | on | off | off | |
| 20000 | on | off | off | Off | |
| 25000 | off | off | off | off |
DIP SW5, SW6, SW7, and SW8 are used to set the pulse per revolution required by the motor.
Motor speed = command pulse frequency / per revolution pulse
Motor stroke = number of command pulses / pulse per revolution
Half / full flow selection
DIP SW4 is used to set the static current value when the motor is stopped
Off means that when the driver’s power-on pulse stops, the driver switches the current output to the motor to half (half current) when it is rotating;
On means that when the driver’s power-on pulse stops, the driver maintains the same current output to the motor as the rotation (full current) ). In general use, SW4 should be set to off, so that the heat of the motor and driver is reduced, and the reliability is improved.
Driver working status LED indication
| LED status | Driver status | |
| Green indicator is on for long time | Driver not enabled | |
| Green indicator is flickering | Driver working normally | |
| One green indicator and one red indicator | Driver overcurrent | |
| One green indicator and two red indicators | Driver input power overvoltage | |
| One green indicator and three red indicators | The internal voltage of the driver is wrong | |
Common faults and troubleshooting
| Phenomenon | Possible situations | Solutions |
| Motor does not work | Power indicator is off | Check the power supply circuit for normal power supply |
| The motor rotor is locked but the motor does not work | Pulse signal is weak; increase the signal current to 7-16mA | |
| The speed is too slow | Select the right micro-stepping | |
| Driver is protected | Solve the alarm and re-power | |
| Enable signal problem | Pull up or disconnect the enable signal | |
| Command pulse is incorrect | Check whether the upper computer has pulse output | |
| The steering of motor is wrong | The rotary direction of motor is reverse | Adjust the DIP SW5 |
| The motor cable is disconnected | Check the connection | |
| The motor has only one direction | Pulse mode error or DIR port damaged | |
| Alarm | The motor connection is wrong | Check the motor connection |
| indicator is on | The motor connection and encoder connection are wrong | Check the sequence of encoder connection |
| The voltage is too high or too low | Check the power supply | |
| The position or speed is wrong | The signal is disturbed | Eliminate interference for reliable grounding |
| The command input is incorrect | Check the upper computer instructions to ensure the output is correct | |
| The setting of Pulse per revolution is wrong | Check the DIP switch status and correctly connect the switches | |
| Encoder signal is abnormal | Replace the motor and contact the manufacturer | |
| The driver terminal burned up | Short circuit between terminals | Check power polarity or external short circuit |
| Internal resistance between terminals is too large | Check whether there is any solder ball due to excessive addition of solder on the wire connections | |
| The motor is out of tolerance | Acceleration and deceleration time is too short | Reduce command acceleration or increase driver filtering parameters |
| Motor torque is too low | Select the motor with high torque | |
| The load is too heavy | Check the load weight and quality and adjust the mechanical structure | |
| The current of power supply is too low | Replace the appropriate power supply |
Guarantee clause
Warranty period: 12 months
We provide quality assurance for one year from the date of delivery and free maintenance service for our products during the warranty period.
Exclude the following:
- Improper connection, such as the polarity of the power supply is reversed and insert/pull the motor connection when the power supply is connected.
- Beyond electrical and environmental requirements.
- Change the internal device without permission.
Maintenance process
For maintenance of products, please follow the procedures shown below:
(1) Contact our customer service staff to get the rework permission.
(2) The written document of the driver failure phenomenon is attached to the goods, as well as the contact information and mailing methods of the sender. Mailing address: Post code: Tel.:


Common Cathode
Difference

















