
5R60 USER MANUAL

Shenzhen Intelligent Mechanical Electrical Technology Co., Ltd.
Introduction
Thank you for choosing the Rite five-phase stepper motor driver. I hope that our products can help you successfully complete your motion control project.
Based on SVPWM technology, the 5R60 five-phase stepper motor driver adopts PID current control algorithm to realize the current subdivision drive of the five-phase stepping motor. It has high precision and small vibration and is especially suitable for high-end precision manufacturing. The 5R60 driver can select an 8-speed running current and a 16-speed subdivision through the DIP switch. It has overvoltage, Undervoltage, phase current, and total current overcurrent protection. Its input and output control signals are optically isolated.
Characteristic indicators
Features
- Power supply: 24 – 48VDC
- Output current: DIP switch setting, 8-speed selection, maximum 3.5 amps (peak)
- Current Control: New Pentagon Connection SVPWM Algorithm and PID Control
- Subdivision setting: DIP switch setting, 16 file selection
- Matching motor: Five-phase stepping motor with new pentagon connection
- System self-test: The motor parameters are detected during the power-on initialization of the driver, and the current control gain is optimized according to the voltage conditions.
- Control mode: Pulse & direction; double pulse mode
- Noise filter: software setting 1MHz~100KHz
- Instruction smoothing: Software setting range 1~512
- Idle current: DIP switch selection, after the motor stops running for 2 seconds, the idle current can be set to 50% or 100%, and the software can be set from 1 to 100%.
- Alarm output: 1 channel optically isolated output port, default is an alarm output, can be reused as brake control
- Communication interface: USB
Electrical Specifications
| Drive parameter | Minimum value | Typical value | Maximum | unit |
| Supply voltage | 24 | – | 48 | VDC |
| Output current (peak) | 0.5 | – | 3 | A |
| Control signal conduction current | 6 | 10 | 15 | mA |
| Step pulse frequency | 200K | – | 1M | Hz |
| Step pulse width | 500 | – | – | ns |
| Direction signal width | 5 | – | – | us |
| Undervoltage protection point | – | 20 | – | VDC |
| Overvoltage protection point | – | 55 | – | VDC |
| Input signal voltage | 3.3 | 5 | 7 | VDC |
| Drive initialization time | – | – | 2 | S |
ports and wiring
The wiring diagram is as follows:

Power connection
If your power output does not have a fuse or some other device that limits the short-circuit current, place a properly sized fast-blow fuse (no more than 10Amps) between the power supply and the drive to protect the drive and power supply. Between the positive side of the power supply and the V+ of the drive.
Connect the positive terminal of the power supply to the V+ of the drive and the negative terminal of the power supply to the V- of the drive.
!!! Please be careful not to reverse the connection, the drive damage caused by the power supply is not guaranteed.
Choose the right power source.
Voltage
The chopper driver continuously changes the magnitude and direction of the voltage at the winding end of the motor while detecting current to obtain accurate phase current.
If both high efficiency and low noise are to be guaranteed, the driver supply voltage is at least 5 times the rated phase voltage of the motor (ie the rated phase current of the
motor × phase resistance).
If you need a motor for better high-speed performance, you need to increase the drive supply voltage.
If using a regulated power supply, the supply voltage must not exceed 48V.
Current
The maximum supply current should be the sum of the two-phase currents. Normally, the current you need depends on the motor model, voltage, speed, and load conditions. The actual supply current value is much lower than this maximum current value because the driver uses a switching amplifier that converts the high voltage and low current into low voltage and high current. The more the supply voltage exceeds the motor voltage, the less supply current is required. When the motor is connected to a 48V power supply, the power supply output current is half of the 24V power supply output current.
Motor connection
The 5R60 can only drive five-phase stepper motors with a new pentagon connection.
Please connect the motor windings to the 5PIN terminals A, B, C, D, and E of the drive in the order of blue, red, orange, green, and black.
Control signal connection
Pulse & Direction Signal
The 5R60 driver has two high-speed inputs, PUL and DIR, which are optically isolated and accept 5VDC single-ended or differential signals. The signal input port has a high-speed digital filter with a maximum filtering frequency of 1MHz.
The pulse signal is valid for the falling edge.
The direction of motor operation depends on the DIR level signal. When DIR is floating or low, the motor runs clockwise. When the DIR signal is high, the motor runs
counterclockwise.
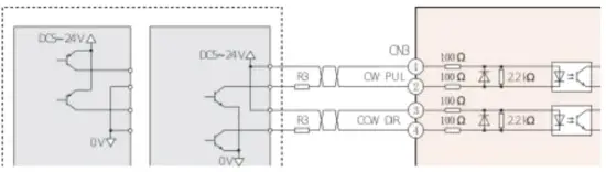
When the pulse input is an open collector, the wiring is as follows:

3.3.2 Enable Signal
The EN input enables or disables the power section of the driver. The signal input is optically isolated and accepts 5VDC single-ended or differential signals. An external current-limiting resistor is required for greater than 5V.
When the EN signal is floating or low (optocoupler is not conducting), the driver is enabled and the motor is running normally; when the EN signal is high (optocoupler is on) the driver power is partially turned off and the motor is not energized.
The EN input can be used to restart the drive when the motor is in an error state. First, the existing fault is eliminated from the application system, and then a falling edge signal
is an input to the EN terminal. The driver can restart the power section and the motor is excited.
error output interface connection
The OUT port is an optoisolated OC output with a maximum withstand voltage of 30VDC and a maximum saturation current of 100mA.
When the driver is working normally, the output optocoupler does not turn on.
Timing diagram
The following figure shows that the optocoupler is turned ON and the optocoupler is turned off.

* 1 driver is powered on and motor parameters are identified. Please send pulse instructions after 1S.
* 2. Maintaining the time of direction signal when the motor is switched again
* 3. When the power output of the motor is closed through the ENA port and enabled again, the jitter of the motor can be reduced due to the ramp mode of the internal current of the driver. So when enabled again, it needs to wait for 100ms to send the pulse. Slope setup time can be set by USB using debugging software
Lock shaft time = 2 * power-on lock shaft time setting value * 50uS
Driver Running Parameter Setting
Current Setting
The 5R60 driver sets the peak value of output current through SW1, SW2, and SW3 dial switches. The current value can be customized according to the customer’s requirements. Usually, the current is set to the rated current of the motor. If your system has high heating requirements, you can reduce the current to reduce the heat of the generator, but the output torque of the motor will be reduced at the same time. If you do not require continuous operation of the motor, you can increase the operating current appropriately to obtain greater torque, but be careful not to exceed 1.5 times the rated current of the motor.
| Phase current peak A | SW1 | SW2 | SW3 |
| 0.5 | ON | ON | ON |
| 0.7 | OFF | ON | ON |
| 1 | ON | OFF | ON |
| 1.5 | OFF | OFF | ON |
| 2 | ON | ON | OFF |
| 2.5 | OFF | ON | OFF |
| 3 | ON | OFF | OFF |
| 3.5 | OFF | OFF | OFF |
Automatic Half Flow Settings
SW4 sets the driver’s automatic current reduction percentage. When the switch is set to OFF, the idle current will be reduced to 50% of the running current; when the switch is set to ON, the idle current will be reduced to 100% of the running current.
After the driver stops receiving the pulse for 2 seconds, it enters the idle state.
The time to enter the idle state and the percentage of standby current can be set through the USB port.
Subdivision Settings
| Pulse number/turn | SW5 | SW6 | SW7 | SW8 |
| 500 | ON | ON | ON | ON |
| 1000 | OFF | ON | ON | ON |
| 1250 | ON | OFF | ON | ON |
| 2000 | OFF | OFF | ON | ON |
| 2500 | ON | ON | OFF | ON |
| 4000 | OFF | ON | OFF | ON |
| 5000 | ON | OFF | OFF | ON |
| 10000 | OFF | OFF | OFF | ON |
| 12500 | ON | ON | ON | OFF |
| 20000 | OFF | ON | ON | OFF |
| 25000 | ON | OFF | ON | OFF |
| 40000 | OFF | OFF | ON | OFF |
| 50000 | ON | ON | OFF | OFF |
| 62500 | OFF | ON | OFF | OFF |
| 100000 | ON | OFF | OFF | OFF |
| 125000 | OFF | OFF | OFF | OFF |
Driver working status LED indication
| LED status | Driver status | |
| Long green light | Driver not enabled | |
| Flashing green light | The driver is working properly | |
| 1 green, 1 red | Driver overcurrent | |
| 1 green, 2 red | Driver input power supply overvoltage | |
| 1 green, 3 red | Driver internal voltage error | |
Installation
Mechanical dimensions
Installation Instructions
Users can install with the wide or narrow sides of the drive’s cooling base. If installing with a wide side, use M3 screws to install through the holes in the four corners. If installing with narrow sides, use M3 screws to install through the holes on both sides. For good heat dissipation, a narrow side mounting is recommended.
The power device of the driver will generate heat. If continuous operation is under high input voltage and high power conditions, the effective heat dissipation area or forced cooling should be expanded.
Do not use it in places where the air is not circulating or where the ambient temperature exceeds 40 ° C; do not install the drive in a location that is wet or has metal chips.
Appendix A. Guarantee Clause
A.1 Warranty period: 18 months
We provide quality assurance for one year from the date of delivery and free
maintenance service for our products during the warranty period.
A.2 Exclude the following:
- Improper connection, such as the polarity of the power supply is reversed and insert/pull the motor connection when the power supply is connected.
- Beyond electrical and environmental requirements.
- Change the internal device without permission.
A.3 Maintenance process
For maintenance of products, please follow the procedures shown below:
- Contact our customer service staff to get the rework permission.
- The written document of the drive failure phenomenon is attached to the goods, as well as the contact information and mailing methods of the sender.

















