RTELLIGENT R60X2 Digital Stepper Driver

Product description
Thank you for choosing Rtelligent R series digital stepper driver. R60X2 is a two-axis stepper motor driver. The driver has two independent control signal interfaces to control two stepper motors respectively The R60X2 driver can select the operating current and subdivision through the DIP switch. There are 8 subdivisions and 8 current options. The driver has over-voltage, under-voltage, and over-current protection. The input and output control signals are optically isolated.
| Power supply | 24 – 48 VDC |
| Output current | Up to 5.6 amps (peak) |
| Current control | PID current control algorithm |
| Segment settings | DIP switch setting, 8 options |
| Speed range | Use the suitable stepper motor, up to 3000rpm |
| Resonance suppression | Automatically calculate the resonance point and inhibit the IF vibration |
| Parameter
adaptation | Automatically detect the motor parameter when driver initialize, optimize the controlling performance |
| Pulse mode | Support pulse + direction、 double pulse |
| Pulse filtering | 2MHz digital signal filter |
| Idle current | Automatically halve the current after the motor stopping |
We hope that our products with excellent performance can help you to complete the sports control program successfully. Please read this technical manual before using the products.
Application environment and installation
Environmental requirement
| Item | Rtelligent R60X2 |
| Installation environment | Avoid dust, oil and corrosive environment |
| Vibration | 0.5G(4.9m/s2) Max |
| Operating temperature/humidity | 0℃ ~ 45℃ / 90% RH or less (no condensation) |
| Storage and transportation temperature | -10℃ ~ 70℃ |
| Cooling | Natural cooling / away from the heat source |
| Waterproof grade | IP54 |
Driver installation dimensions
Driver installation requirements
When installing, please stand the drive vertically or horizontally, with the front face up and the top face up to facilitate heat dissipation. During assembly, avoid drillings and other foreign matters falling inside the driver. During assembly, please use M3 screw to fix. When there is a vibration source near the installation (such as a drilling machine), please use a vibration absorber or install anti-vibration rubber gaskets. When multiple drives are installed in the control cabinet, please note that sufficient space should be reserved in the placement to obtain sufficient heat dissipation; if necessary, a cooling fan can be configured to ensure good heat dissipation conditions in the control cabinet.
Driver Port and Connection
Port function description
| Function | Grade | Definition | Remark |
| Power supply input port | V+ | Input DC power positive | DC 24~48V |
| V- | Input DC power negative | ||
|
Motor 1 terminal | A+ | Connect both ends of Phase A winding of Motor 1 | |
| A- | |||
| B+ | Connect both ends of Phase B winding of Motor 1 | ||
| B- | |||
|
Motor 2 terminal | A+ | Connect both ends of Phase A winding of Motor 2 | |
| A- | |||
| B+ | Connect both ends of Phase B winding of Motor 2 | ||
| B- | |||
|
Motor 1 pulse wiring | PUL1+ | Pulse input port |
Two axis independent pulse direction signal, default 5V.
R60x2-24 is a 24Vsignal. |
| PUL1- | |||
| DIR1+ | Direction input port | ||
| DIR1- | |||
|
Motor 2 pulse wiring | PUL2+ | Pulse input port | |
| PUL2- | |||
| DIR2+ | Direction input port | ||
| DIR2- | |||
| Motor 1 enable wiring | ENA1+ | Enable control port | |
| ENA1- | |||
| Motor 2 enable wiring | ENA2+ | Enable control port | |
| ENA2- |
Power supply input
The power supply of the driver is DC power, the input voltage range is between 18V ~ and 48V.
Do not reverse the polarity of the input power ! ! !
The working mode of the driver is constant current control. When working, the driver outputs the input power supply to the motor in the form of PWM chopper. Therefore, the power input can affect the performance of the drive.
Power selection reference:
Voltage:
Stepper motor has the characteristics of torque decrease with the increase of motor speed, and the input voltage will affect the amplitude of high-speed torque reduction. Properly increasing the voltage of the input power supply can increase the output torque of the motor at high speed. Therefore, if you want to get better high-speed performance, please increase the power supply voltage of the driver. For low-speed applications, choosing a slightly smaller voltage can appropriately reduce the heat of the motor.
Current:
The working process of the driver is to convert the input high-voltage and low-current power supply into the low-voltage and high-current at both ends of the motor winding. Therefore, the current of the power supply will be lower than the current value that the driver outputs to the motor. In actual use, the appropriate power supply should be selected according to the motor model, load torque and other factors.
The effects of regeneration voltage:
When the stepper motor is working, it also retains the characteristics of the generator.When decelerating, the kinetic energy accumulated by the load will be converted into electrical energy through the drive circuit. This part of the energy will be superimposed on the driver circuit and input power supply, causing protection of the driver circuit and power supply. When setting the motor running command, pay attention to the setting of acceleration and deceleration time. In addition, when the driver is powered off, the driver’s LED indicator will be on when the load is pulled to make the motor move. This phenomenon is also related to the above reasons.
Power selection:
The output current of the switching power supply is not less than 7A, and the power is not less than 200W.
Motor connection
The matching motor of the R60X2 driver is the low resistance and low inductance hybrid stepper motor. The common 2-phase stepper motor’s lead number are 4, 8 and 6. There is only one connection mode for 4 leads motor. Series and parallel connection mode are used by 8 leads motor: When series used, the winding inductance increased. The set of driver current should be about 0.7times than before. This is suitable for low speed required. When parallel used, the winding inductance decreased. The set of driver current should be about 1.4times than before. This is suitable for high speed required. Parallel and central tapping connection mode are used by 6 leads motor: When parallel used, all the winding connected, and the inductance was higher. This is suitable for low speed required. When central tapping used, half of the winding connected, and the inductance was lower. This is suitable for high speed required.
Control signal connection
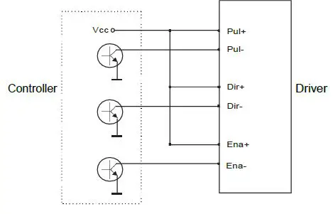
PUL、DIR Port: connection for pulse command
The standard R series driver signal interface is in pulse form, and R60X2 can receive two kinds of pulse command signals. The upper controller can be a pulse signal generating device such as a PLC, a single-chip microcomputer, a control card, and a controller.
The acceptable pulse level of R60X2 driver is: default 5V
ENA port: enable/disable
By default, When the internal optocoupler is off, the driver outputs current to the motor; When the internal optocoupler is on, the driver will cut off the current of each phase of the motor to make the motor free, and the step pulse will not be responded. When the motor is in an error state, the ENA input can be used to restart the drive. First, remove the existing fault, and then input a falling edge signal to the ENA terminal, and the drive can re-excite. The level logic of the ENA signal can be set to the opposite, and the logic is opposite to the above.
Examples for control signal connection
Common Anode:
Common Cathode:
Difference:
Dialing code and parameter setting
Axis 1 current setting Axis 1 pulse setting Axis 2 current setting Axis 2 pulse setting
Setting of current
| AXIS-1 | AXIS-2 | ||||
| Peak current | SW1 | SW2 | SW6 | SW7 | Remark |
| 2.5A | on | on | on | on | Other current values can be customized |
| 3.5A | off | on | off | on | |
| 4.5A | on | off | on | off | |
| 5.6A | off | off | off | off | |
DIP SW1, SW2, SW6, SW7 are used to set the current value of the driver output to the motor. Normally, the current is set to the rated current of the motor. If your system has high requirements for heat generation, you can appropriately reduce the current to reduce the heat of the motor, but the output torque of the motor will be reduced at the same time. If you do not require the motor to run continuously, you can appropriately increase the operating current to obtain a greater torque, but be careful not to exceed 1.5 times the rated current of the motor.
Setting of pulse per revolution
| AXIS-1 | AXIS-2 | ||||||
| Steps/revolution | SW3 | SW4 | SW5 | SW8 | SW9 | SW10 | Remark |
| 1600 | on | on | on | on | on | on |
Other current values can be customized |
| 3200 | off | on | on | off | on | on | |
| 6400 | on | off | on | on | off | on | |
| 12800 | off | off | on | off | off | on | |
| 1000 | on | on | off | on | on | off | |
| 3600 | off | on | off | off | on | off | |
| 4000 | on | off | off | on | off | off | |
| 8000 | off | off | off | off | off | off | |
DIP SW3, SW4, SW5, SW6, SW7, SW8, SW9 are used to set the number of pulses required per revolution of the motor
- Motor speed = command pulse frequency ÷ pulse per revolution
- Motor stroke = number of command pulses ÷ pulse per revolution
Automatic half current
The motor standby quiescent current value automatically enters a half current after the pulse stops 0.4S, which reduces the heating of the motor and the driver and improves the reliability.
Driver working status LED indication
Common faults and troubleshooting
| Phenomenon | Possible situations | Solutions |
|
Motor does not work | Power indicator is off | Check the power supply circuit for normal power supply |
| The motor rotor is locked but the motor does not work | Pulse signal is weak; increase the signal current to 7-16mA | |
| The speed is too slow | Select the right micro-stepping | |
| Driver is protected | Solve the alarm and re-power | |
| Enable signal problem | Pull up or disconnect the enable signal | |
| Command pulse is incorrect | Check whether the upper computer has pulse output | |
|
The steering of motor is wrong | The rotary direction of motor is reverse | Change the motor wiring sequence or adjust the command direction |
| The motor cable is disconnected | Check the connection | |
| The motor has only one direction | Pulse mode error or DIR port corruption |
|
Alarm indicator is on | The motor connection is wrong | Check the connection |
| The voltage is too high or too low | Check the power supply | |
| Damaged motor or driver | Replace the motor or driver | |
|
The position or speed is wrong | The signal is disturbed | Eliminate interference for reliable grounding |
| The command input is incorrect | Check the upper computer instructions to ensure the output is correct | |
| Incorrect per revolution pulse setting | Check the DIP switch status and correctly connect the switches | |
| Motor lost step | Check if the command speed is too large and the motor selection is small | |
| The driver terminal burned up | Short circuit between terminals | Check power polarity or external short circuit |
| Internal resistance between terminals is too large | Check whether there is any solder ball due to excessive addition of solder on the wire connections | |
|
The motor is out of tolerance | Acceleration and deceleration time is too short | Reduce command acceleration or increase driver filtering parameters |
| Motor torque is too low | Select the motor with high torque | |
| The load is too heavy | Check the load weight and quality and adjust the mechanical structure | |
| The current of power supply is too low | Replace the appropriate power supply |
Warranty period: 18 months
We provide quality assurance for one year from the date of delivery and free maintenance service for our products during the warranty period.
Exclude the following
- Improper connection, such as the polarity of the power supply is reversed and insert/pull the motor connection when the power supply is connected.
- Beyond electrical and environmental requirements.
- Change the internal device without permission.
Maintenance process
For maintenance of products, please follow the procedures shown below:
- Contact our customer service staff to get the rework permission.
- The written document of the driver failure phenomenon is attached to the goods, as well as the contact information and mailing methods of the sender.

















