Applied Motion 3535 Stepper Driver User Guide
Quick Setup
Block Diagram


Connecting the Power Supply
DO NOT REVERSE WIRES – THIS WILL DAMAGE THE DRIVE
Connecting the Motor
STEP motors have 4, 6 or 8 leads, these are wired to 4 connections on the drive in various combinations.
Motors will perform differently according to the way it is connected, to find out more about the different ways of connecting your motor, see the specs or FAQs on our website.



Warning: When connecting the motor to the driver, be sure that the motor power supply is off. Secure any unused motor leads so that they can’t short to anything. Never disconnect the motor while the drive is powered up. Never connect motor leads to ground or to a power supply!
Selecting Between Full and Half Step Operation
The top switch in the bank of DIP switches selects between FULL and HALF step operation.
Setting Phase Current
The drive uses a combination of DIP switch settings to set the current. There is always a base current of 0.4A. To increase this current slide the switch for each value towards the label until they add up to your required value.
Suppose you want to set the driver for 2.2 amps per phase. You need the 0.4 A base current plus another 1.6 and 0.2 A. 2.2 = 0.4 + 1.6 + 0.2
Slide the 1.6 and 0.2 A switches toward the labels as shown in the figure.
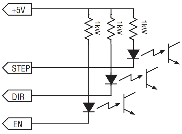
Connecting Logic
A schematic diagram of the input circuit is shown below.
You must supply 5 volts DC to activate the LEDs on the input side of the opt isolators. The maximum current draw is 15 mA.
Drive Input Circuit
Your controlling logic must be capable of sinking at least 5 mA to control each drive input. Most CMOS and open collector TTL devices are directly compatible with this drive. Logic low, or 0, for a given input occurs when that input is pulled to less than 0.8 volts DC. In this state the LED is conducting current. Logic high, or 1, occurs when the input is greater then 4 volts or open.
- STEP tells the driver when to move the motor one step.
- DIRECTION signals which way the motor should turn.
- ENABLE allows the user to turn off the current to the motor by setting this signal to logic 0.
- If you have no need to disable the amplifiers, you don’t need to connect anything to the ENABLE input.
Using the Oscillator
Drives with an O suffix are equipped with internal pulse generators that you can use to drive the motor. To set the drive to oscillator mode, simply find the jumper located near the center of the printed circuit board and move it to the SLEW setting. The figure at the right shows the proper setting of the jumper.
To change the slew speed, locate the trim pot labeled SPEED. By turning the brass screw you can raise or lower the speed. Turning the screw clockwise makes the motor run faster.
The acceleration and deceleration rates can also be adjusted using the trim pots labeled ACCEL and DECEL. Turning the screw clockwise makes the motor accelerate and decelerate faster.
Using Remote Speed Control Potentiometer
The latest revision of model 3535 O step motor drive includes an analog signal input connector that can be used to control the oscillator speed externally. Normally, an on board potentiometer controls the speed.
You will need:
- a 100kW or 200kW linear potentiometer. A multiturn type is recommended.
- a two pin female connector compatible with .025 inch square pins on .100” centers. AMP type MTA-100 is one type that works well
- a shielded, two wire cable
To install the external pot: - locate the connector on the 3535 O labelled ÒXSPD.Ó It can be found between the signal connector and the three blue potentiometers.
- turn the screw on the blue SPEED potentiometer 15 turns counterclockwise. If you don’t do this, the external potentiometer will not provide the correct speed range.
- prepare a cable with your pot on one end and the connector on the other end
- The potentiometer wiper connects to pin 2
- The potentiometer CW terminal connects to pin 1
- The third pot terminal connects to the wiper
- The cable shield connects to the CW pot terminal

With this arrangement, speed will increase as you turn the external pot clockwise. The frequency range for the 200k ohm pot will be 600 to 5000 steps per second. The frequency range for the 100k ohm pot will be900 to 5000 steps per second. The on board trim pots will still control acceleration and declaration times. Turning the pots clockwise makes the acceleration and deceleration faster i.e. reduces the time to or from speed).
Using Mechanical Switches with 3535-O Drive
The 3535-O was designed to be used with active logic and for that reason are optically isolated. To activate the opt isolators a small, but not insignificant amount of current at +5 volts DC is required.
In some applications, step motors and drives are used with mechanical switches only and there is no readily available source of +5 volts.
In these instances, the 12-35 VDC motor power supply can be used with additional dropping resistors to power the opto LEDs. The recommended wiring diagram is shown on page 11. Table I lists the appropriate resistor value to use for a given power supply voltage. 1/4 watt or larger resistors should be used.
Please do not to reverse the wiring, as damage to the LEDs will result rendering the drives inoperable. Check your wiring carefully before turning on the power supply!
| Table I: External Dropping Resistors | |||||
| Supply Voltage | R Ohms | Supply Voltage | R Ohms | Supply Voltage | R Ohms |
| 12 | 1200 | 21 | 3000 | 30 | 4700 |
| 15 | 1800 | 24 | 3600 | 33 | 5100 |
| 18 | 2400 | 27 | 4200 | 35 | 5600 |
Choosing a Power Supply
To find out how to choose a power supply refer to the tech notes on our website
Mounting the Drive

To operate the drive continuously at maximum power you must properly mount it on a heat sinking surface with a thermal constant of no more than 4°C/watt. Often, the metal enclosure of your system will make an effective heat sink.
Technical Specifications
Amplifiers
Dual, bipolar H-bridge, pulse width modulated switching at 20kHz. 12-35 VDC input. 0.4 – 3.5 amps/phase output current, switch selectable in 0.1 A increments. 122 watts maximum output power. Automatic idle current reduction, reduces current to 50% of setting after one second
Oscillator (O suffix)
400 to 5000 steps per second. Linear acceleration and deceleration, individually adjustable from 5 to 900 msec.
Inputs
Step, direction and enable, optically isolated, 5V logic. 5mA/signal, sink requirement. Motor steps on rising edge of step line. 10 µsec minimum low pulse.
50 µsec minimum set up time for direction signal. Step input doubles as run/ stop in oscillator mode. (0 = run, 1 = stop.)
Physical
Mounted on 1/4 inch thick black anodized aluminum heat transfer chassis.
1.5 x 3.0 x 4.0 inches overall. Power on LED.
Maximum chassis temperature: 70° C.
Connectors
European style screw terminal blocks. Motor: 4 position. Signal Input: 4 position. DC Input: 2 position.
CE Mark.
Complies with EN55011A and EN50082-1(1992).
Customers Support:
Applied Motion Products, Inc.
18645 Madrone Pkwy
Morgan Hill, CA 95037
T: 800-525-1609 | applied-motion.com
Doc 920-0013 Rev C – 8/4/2022


















