

Clicker 2 Battery Powered STM32 Development Board
A compact starter kit with your favourite micro controller and two mikroBUS ™ sockets

TO OUR VALUED CUSTOMERS
I want to express my thanks to you for being interested in our products and for having confidence in MikroElektronika.
The primary aim of our company is to design and produce high quality electronic products and to constantly improve the performance thereof in order to better suit your needs.

Nebojsa Matic
General Manager
Introduction to clicker 2 for dsPIC33
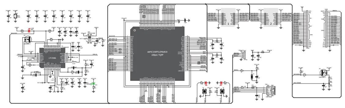
clicker 2 for dsPIC33 is a compact development kit with two mikroBUS ™ sockets for click board ™ connectivity. You can use it to quickly build your own gadgets with unique functionalities and features. It carries the dsPIC33EP512MU810, a 16-bit microcontroller, two indication LEDs, two general purpose buttons, a reset button, an ON/OFF switch, a li-polymer battery connector, a micro USB connector and two mikroBUS ™ sockets. A mikroProg connector and a 2×26 pinout for interfacing with external electronics are also provided. The mikroBUS ™ connector consists of two 1×8 female headers with SPI, I 2C, UART, RST, PWM, Analog and Interrupt lines as well as 3.3V, 5V and GND power lines. clicker 2 for dsPIC33 board can be powered over a USB cable.

Key features
- ON/OFF switch
- 8 MHz crystal oscillator
- two 1×26 connection pads
- mikroBUS ™ sockets 1 and 2
- Pushbuttons
- Additional LEDs
- LTC3586 USB power manager IC
- Power and Charge indication LEDs
- RESET button
- Micro USB connector
- dsPIC33EP512MU810 MCU
- Li-Polymer battery connector
- mikroProg programmer connector
- 32.768 KHz crystal oscillator


Power supply

USB
power supply
You can supply power to the board with a micro USB cable provided in the package. On-board voltage regulators provide the appropriate voltage levels to each component on the board. Power LED (GREEN) will indicate the presence of power supply.
Battery power supply
You can also power the board using a Li-Polymer battery, via onboard battery connector. On-board battery charger circuit enables you to charge the battery over USB connection. LED diode (RED) will indicate when battery is charging. Charging current is ~300mA and charging voltage is 4.2V DC.t

NOTE
Some click boards need more current than the USB connection can supply. For 3.3V clicks, the upper limit is 750 mA; for 5V clicks, it’s 500 mA. In those cases you would need to use the battery as the power supply, or the vsys pin on the side of the board.
dsPIC33EP512MU810 microcontroller
The clicker 2 for dsPIC33 development tool comes with the dsPIC33EP512MU810 device. This 16-bit low power high performance microcontroller is rich with on-chip peripherals and features 512 KB of program memory and 53,248 bytes of RAM. It has integrated full speed USB 2.0. support.

Key MCU features
- CPU speed: 70 MIPS
- 3568 Bytes Data SRAM
- Architecture: 16-bit
- Program memory: 512KB
- Pin count: 100
- RAM memory: 53,248 KB
Programming the microcontroller

The microcontroller can be programmed in two ways:
- Using USB HID mikroBootloader,
- Using external mikroProg for dsPIC33 programmer
3.1 Programming with mikroBootloader
You can program the microcontroller with a bootloader which is preprogrammed by default. To transfer .hex file from a PC to MCU you need bootloader software (mikroBootloader USB HID) which can be downloaded from:
https://download.mikroe.com/examples/starter-boards/clicker-2/dspic33/clicker-2-dspic33-usb-hid-bootloader.zip
After the mikroBootloader software is downloaded, unzip it to desired location and start it.

step 1 – Connecting clicker 2 for dsPIC33

- To start, connect the USB cable, or if already connected press the Reset button on your clicker 2 for dsPIC33. Click the Connect button within 5s to enter the bootloader mode, otherwise existing microcontroller program will execute.
step 2 – Browsing for .HEX file

- Click the Browse for HEX button and from a pop-up window (Figure 3.4) choose the .HEX file which will be uploaded to MCU memory.
step 3 – Selecting .HEX file

- Select .HEX file using open dialog window.
- Click the Open button.
step 4 – Uploading .HEX file

- To start .HEX file bootloading click the Begin uploading button.

- Progress bar enables you to monitor .HEX file uploading.
step 5 – Finish upload

- Click OK button after the uploading process is finished.
- Press Reset button on clicker 2 for dsPIC33 board and wait for 5 seconds. Your program will run automatically.

3.2 Programming with mikroProg programmer
The microcontroller can be programmed with external mikroProg for PIC programmer and mikroProg Suite for PIC software. The external programmer is connected to the development system via 1×5 connector Figure 3-9. mikroProg is a fast USB 2.0 programmer with hardware debugger support. It supports PIC10®, dsPIC30/33®, PIC24® and PIC32® devices in a single programmer. It supports over 570 microcontrollers from Microchip®. Outstanding performance, easy operation and elegant design are its key features.


mikroProg Suite for dsPIC® software
![]()
mikroProg programmer requires special programming software called mikroProg Suite for dsPIC ® . This software is used for programming of ALL Microchip ® microcontroller families, including PIC10 ® , PIC12 ® , PIC16 ® , PIC18 ® , dsPIC30/33 ® , PIC24 ® and PIC32 ® . Software has intuitive interface and SingleClick ™ programming technology. Just by downloading the latest version of mikroProg Suite your programmer is ready to program new devices. mikroProg Suite is updated regularly, at least four times a year, so your programmer will be more and more powerful with each new release.

The board also contains a 01 reset button and a pair of 02 buttons and 03 LEDs, as well as an ON/OFF switch. The RESET button is used to manually reset the microcontroller— it generates a low voltage level on the microcontroller’s reset pin. LEDs can be used for visual indication of the logic state on two pins (RA0 and RG9). An active LED indicates that a logic high (1) is present on the pin. Pressing any of the two buttons can change the logic state of the microcontroller pins (T2 and T3) from logic high (1) to logic low (0).

Power management and battery charger
clicker 2 for dsPIC33 features LTC®3586-2, a highly integrated power management and battery charger IC that includes a current limited switching PowerPath manager. LTC®3586 also enables battery charging over a USB connection.

Oscillators
Board is equipped with 8MHz crystal oscillator (X1) circuit that provides external clock waveform to the microcontroller OSC1 and OSC2 pins. This base frequency is suitable for further clock multipliers and ideal for generation of necessary USB clock, which ensures proper operation of bootloader and your custom USB-based applications. And the 32. TK MHz oscillator (X2), a Real-Time Clock and Calendar (RTCC) module.

USB connection
dsPIC33 microcontrollers has an integrated USB module, which enables you to implement USB communication functionality to your clicker 2 board. Connection with target USB host is done over a micro USB connector which is positioned next to the battery connector.

Pinout

8.1 mikroBUS™ pinouts

click boards™ are plug and play!
Up to now, MikroElektronika has released more than 300 mikroBUS™ compatible click boards™. On the average, three click boards are released per week. It is our intention to provide you with as many add-on boards as possible, so you will be able to expand your development board with additional functionality. Each board comes with
a set of working example code. Please visit the click boards™ webpage for the complete list of currently available boards: https://shop.mikroe.com/click

Dimensions

DISCLAIMER
All the products owned by MikroElektronika are protected by copyright law and international copyright treaty. Therefore, this manual is to be treated as any other copyright material. No part of this manual, including product and software described herein, may be reproduced, stored in a retrieval system, translated or transmitted in any form or by any means, without the prior written permission of MikroElektronika. The manual PDF edition can be printed for private or local use, but not for distribution. Any modification of this manual is prohibited.
MikroElektronika provides this manual ‘as is’ without warranty of any kind, either expressed or implied, including, but not limited to, the implied warranties or conditions of merchantability or fitness for a particular purpose.
MikroElektronika shall assume no responsibility or liability for any errors, omissions and inaccuracies that may appear in this manual. In no event shall MikroElektronika, its directors, officers, employees or distributors be liable for any indirect, specific, incidental or consequential damages (including damages for loss of business profits and business information, business interruption or any other pecuniary loss) arising out of the use of this manual or product, even if MikroElektronika has been advised of the possibility of such damages. MikroElektronika reserves the right to change information contained in this manual at any time without prior notice, if necessary.
HIGH RISK ACTIVITIES
The products of MikroElektronika are not fault – tolerant nor designed, manufactured or intended for use or resale as on – line control equipment in hazardous environments requiring fail – safe performance, such as in the operation of nuclear facilities, aircraft navigation or communication systems, air traffic control, direct life support machines or weapons systems in which the failure of Software could lead directly to death, personal injury or severe physical or environmental damage (‘High Risk Activities’). MikroElektronika and its suppliers specifically disclaim any expressed or implied warranty of fitness for High Risk Activities.
TRADEMARKS
The MikroElektronika name and logo, mikroC, mikroBasic, mikroPascal, Visual TFT, Visual GLCD, mikroProg, Ready, MINI, mikroBUS™ , EasyPIC, EasyAVR, Easy8051, click boards™ and mikromedia are trademarks of MikroElektronika. All other trademarks mentioned herein are property of their respective companies. All other product and corporate names appearing in this manual may or may not be registered trademarks or copyrights of their respective companies, and are only used for identification or explanation and to the owners’ benefit, with no intent to infringe.
Copyright © 2017 MikroElektronika. All Rights Reserved.
![]()
If you want to learn more about our products, please visit our web site at www.mikroe.com
If you are experiencing some problems with any of our products or just need additional information, please place your ticket at www.mikroe.com/support
If you have any questions, comments or business proposals, do not hesitate to contact us at [email protected]
Downloaded from Arrow.com.


















