MIKROE 23LC1024 SRAM Click Board
Introduction
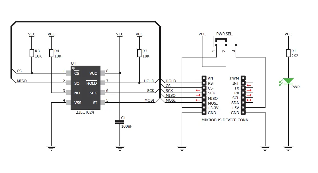
- SRAM click lets you add 1 Mbit of additional SRAM memory to your devices, via the 23LC1024 chip. The board communicates with the target MCU through the mikroBUS™ SPI interface (MISO, MOSI, SCK, CS) with additional HOLD functionality provided through the default mikroBUS™ RST pin. SRAM click is designed to use either a 3.3V or 5V power supply.

- Turn the board upside down so that the bottom side is facing you upwards. Place shorter pins of the header into the appropriate soldering pads.

Turn the board upward again. Make sure to align the headers so that they are perpendicular to the board, then solder the pins carefully.
- Plugging the board in
Once you have soldered the headers your board is ready to be placed into the desired mikroBUS™ socket. Make sure to align the cut in the lower-right part of the board with the markings on the silkscreen at the mikroBUS™ socket. If all the pins are aligned correctly, push the board all the way into the socket. - Essential features
The 23LC1024 IC organizes the memory in 8-bit instruction registers and 32-byte pages. Three operating modes for reading and writing data are available: byte, page, and sequential (the last one allows read/write for entire memory array). The clock rate for all three modes is up to 20MHz. The HOLD pin, when pulled low, suspends data transmission mid-sequence (without causing the reset of the entire sequence). - Schematic

- Dimensions

- SMD jumpers

SRAM click features an SMD jumper (zero ohm resistor) that let’s you switch between a 3.3V or a 5V power supply. - Code examples

Once you have done all the necessary preparations, it’s time to get your click board™ up and running. We have provided examples for mikroC™, mikroBasic™ and mikroPascal™ compilers on our Libstock website. Just download them and you are ready to start. - Support
MikroElektronika offers free tech support (www.mikroe.com/support) until the end of the product’s lifetime, so if something goes wrong, we’re ready and willing to help! - Disclaimer
MikroElektronika assumes no responsibility or liability for any errors or inaccuracies that may appear in the present document. Specification and information contained in the present schematic are subject to change at any time without notice.
Copyright © 2015 MikroElektronika. All rights reserved.
MIKROE 23LC1024 SRAM Click Board

























