MIKROE 0100000079447 Rotary Y Click Board

Introduction
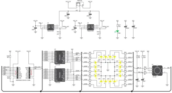
Rotary Y click carries a 15-pulse incremental rotary encoder with detents, surrounded by a ring of 16 yellow LEDs. It communicates with the target board through mikroBUS™ SPI lines (CS, SCK, MISO, MOSI), and three additional lines for outputting the Encoder info: ENCB OUT, ENCA OUT and SW (in place of the standard AN, RST and INT pins, re-spectively). Rotary Y click can be used with either a 3.3V or 5V power supply.
Soldering the headers
Before using your click board™, make sure to solder 1×8 male headers to both left and right sides of the board. Two 1×8 male headers are included with the board in the package.
Turn the board upside down so that the bottom side is facing you upwards. Place shorter pins of the header into the appropriate soldering pads.
Turn the board upward again. Make sure to align the headers so that they are perpendicular to the board, then solder the pins carefully.
Plugging the board in
Once you have soldered the headers your board is ready to be placed into the desired mikroBUS™ socket. Make sure to align the cut in the lower-right part of the board with the markings on the silkscreen at the mikroBUS™ socket. If all the pins are aligned correctly, push the board all the way into the socket.
Essential features
Rotary Y click with its LED ring is a perfect solution for implementing an input knob into your design (in contrast to a potentiometer, a rotary encoder can be spun round continuously). A single rotation is divided into 15 discrete steps. The encoder outputs A and B signals (out of phase to each other). The knob is also a push-button outputted through the interrupt line. The LED ring is controlled through the SPI interface.
Schematic
Dimensions
| mm | mils | |
| LENGTH | 57 | 2244 |
| WIDTH | 26 | 1024 |
| HEIGHT* | 20 | 787 |
MikroElektronika assumes no responsibility or liability for any errors or inaccuracies that may appear in the present document. Specification and information contained in the present schematic are subject to change at any time without notice.
SMD jumper
There is one zero-ohm SMD jumper J1 used to select whether 3.3V or 5V I/O voltage level is used. Jumper J1 is soldered in 3.3V position by default.
Code examples
Once you have done all the necessary preparations, it’s time to get your click board™ up and running. We have provided examples for mikroC™, mikroBasic™, and mikroPascal™ compilers on our Libstock website. Just download them and you are ready to start.
Support
MikroElektronika offers free tech support (www.mikroe.com/support) until the end of the product’s lifetime, so if something goes wrong, we’re ready and willing to help!


























