
clickTM
USB adapter
Connect the desired ClickTM additional board directly to your PC via USB cable. No microcontrollers are required.
TO OUR VALUED CUSTOMERS
I want to express my thanks to you for being interested in our products and for having confidence in MikroElektronika.
The primary aim of our company is to design and produce high-quality electronic products and to constantly improve the performance thereof in order to better suit your needs.![]()
Nebojsa Matic General Manager
The FT2232H and Windows® logos and product names are trademarks of FTDI Chip® and Microsoft® in the U.S.A. and other countries.
Downloaded from Arrow.com.
Introduction
- TX/RX indication LED
- USB MINI-B connector
- Power indication LE
- I2C/UART jumper (J1)
- FT2232H IC
- mikroBUSTM socket
- VIN/BC0 jumper (J2)
- MCP3204 ADC converter
- EEPROM memory
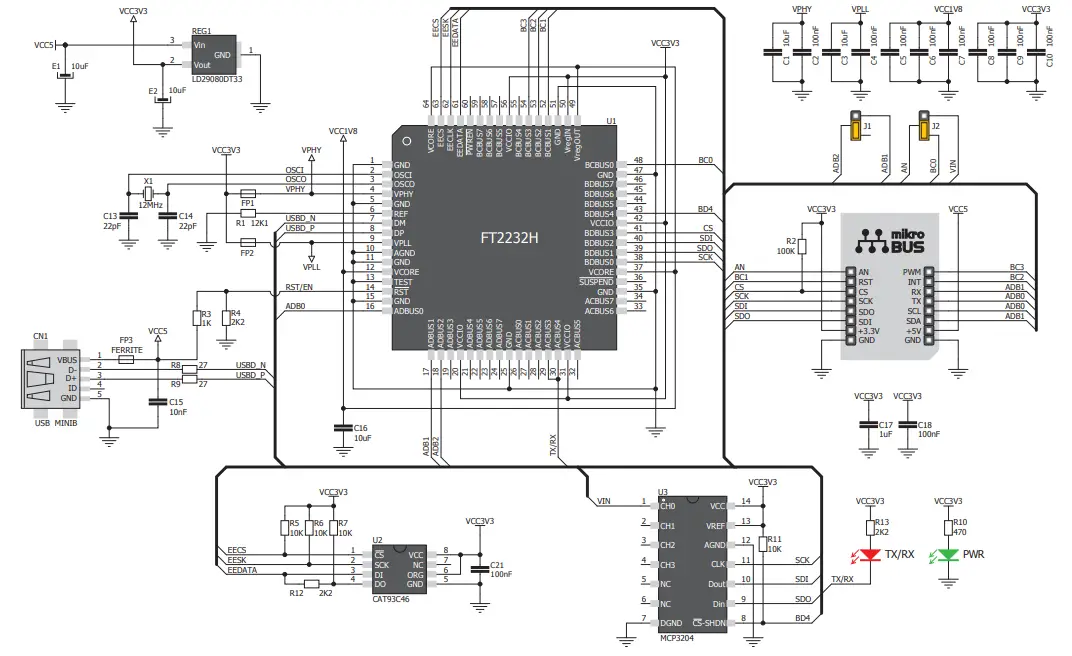
Click USB adapter board provides the necessary interface for connecting ClickTM add-on boards to your PC through a high-speed USB connection. There is no need to use a microcontroller. It features FT2232H dual high-speed USB to multipurpose IC, Analog-to-digital converter, EEPROM memory, and a single mikroBUSTM host socket. FT2232H provides necessary communication lines defined by the mikroBUSTM standard. mikroBUSTM host connector consists of two 1×8 female headers with SPI (MOSI, MISO, SCK, CS), I2C (SDA, SCL), UART (Tx, Rx), RST, PWM, Analog and Interrupt lines as well as 3.3V, 5V, and GND power lines. Click USB adapter board can be powered through USB cable only. On-board power circuitry generates 3.3V and 5V. Two jumpers are provided on the board. J1 jumper is used to select whether UART or I2C will be used. J2 selects whether AN pin on the mikroBUSTM socket will be just another GPIO pin, or connected to the MCP3204 AD converter circuit, thus serving for analog readings.
3.3V VOLTAGE REGULATOR
Figure 1: Click USB adapter schematic
Install drivers before use
The onboard FT2232H chip requires drivers to be installed on your PC before operation. Drivers are available on the manufacturer’s website: http://www.ftdichip.com/Drivers/VCP.htm

Click boards are plug-and-play!
Up to now, MikroElektronika has released more than 60 mikroBUSTM compatible Click boards. On average, a one-click board is released per week. It is our intention to provide you with as many add-on boards as possible, so you will be able to expand your development board with additional functionality. Each board comes with a set of working example codes. Please visit the Click boards webpage for the complete list of currently available boards: http://www.mikroe.com/click/
Dimensions
DISCLAIMER
All the products owned by MikroElektronika are protected by copyright law and international copyright treaty. Therefore, this manual is to be treated as any other copyright material. No part of this manual, including product and software described herein, may be reproduced, stored in a retrieval system, translated or transmitted in any form or by any means, without the prior written permission of MikroElektronika. The manual PDF edition can be printed for private or local use, but not for distribution. Any modification of this manual is prohibited.
MikroElektronika provides this manual `as is’ without warranty of any kind, either expressed or implied, including, but not limited to, the implied warranties or conditions of merchantability or fitness for a particular purpose.
MikroElektronika shall assume no responsibility or liability for any errors, omissions, and inaccuracies that may appear in this manual. In no event shall MikroElektronika, its directors, officers, employees or distributors be liable for any indirect, specific, incidental, or consequential damages (including damages for loss of business profits and business information, business interruption or any other pecuniary loss) arising out of the use of this manual or product, even if MikroElektronika has been advised of the possibility of such damages. MikroElektronika reserves the right to change information contained in this manual at any time without prior notice, if necessary.
HIGH-RISK ACTIVITIES
The products of MikroElektronika are not faulted tolerant nor designed, manufactured or intended for use or resale as on line control equipment in hazardous environments requiring to fail safe performance, such as in the operation of nuclear facilities, aircraft navigation or communication systems, air traffic control, direct life support machines or weapons systems in which the failure of Software could lead directly to death, personal injury or severe physical or environmental damage (`High-Risk Activities’). MikroElektronika and its suppliers specifically disclaim any expressed or implied warranty of fitness for High-Risk Activities.
TRADEMARKS
The MikroElektronika name and logo, the MikroElektronika logo, mikroBUSTM, Click BoardsTM are trademarks of MikroElektronika. All other trademarks mentioned herein are property of their respective companies. All other product and corporate names appearing in this manual may or may not be registered trademarks or copyrights of their respective companies, and are only used for identification or explanation and to the owners’ benefit, with no intent to infringe
Copyright © MikroElektronika, 2013, All Rights Reserved.
Downloaded from Arrow.com.![]()
If you want to learn more about our products, please visit our website at www.mikroe.com
If you are experiencing some problems with any of our products or just need additional information, please place your ticket at www.mikroe.com/support
If you have any questions, comments, or business proposals, do not hesitate to contact us at [email protected]
Click USB Adapter Manual ver. 1.02
Downloaded from Arrow.com.




















