TDK-Lambda GWS500 Series Embedded Switch Mode Power Supply SMPS Instruction Manual
BEFORE USING THE POWER SUPPLY UNIT
Pay attention to all warnings and cautions before using the unit. Incorrect usage could lead to an electrical shock, damage to the unit or a fire hazard.
WARNING and CAUTION
- Do not modify.
- Do not touch the internal components, they may have high voltage or high temperature. You may get electrical shock or burned.
- When the unit is operating, keep your hands and face away from it as you may be injured by flying debris in the event of a fault.
- This power supply is designed for use within an end product. Stick the WARNING label for users on the system equipment and notify in the system instruction manual.
- Never operate the unit under over current or short-circuit conditions for more than 30 seconds or outside its specified Input Voltage Range, which could result in damage but there is no possibility of fire or burning.
- Confirm connections to input/output terminals are correct as indicated in the instruction manual.
- This power supply has a possibility for hazardous voltage to appear at output terminal depending on the type of failure. The outputs of these products must be earthed in the end equipment to maintain SELV.
If the outputs are not earthed, they must be considered hazardous and must not be made user accessible.
Note: CE MARKING
CE marking, when applied to the GWS series products, indicates compliance with the Low Voltage Directive (2014/35/EU) in that it complies with EN60950-1 2nd Edition.
Model Name Identification Method

- blank: Standard type
- /BAT: Battery charging for 24V (21~29V/17.6A) & 48V (42~58V/8.8A) only
- /T: OTP auto recovery after unit cools down
- /RL: Remote ON/OFF reverse logic (Active High)
- /F: Full cover without internal fan but require external forced air cooling.
- /L: Without cover but require external forced air cooling.
Terminal Explanation
Front Panel Explanation

- L : Input terminal Live line (Fuse in line)
- N : Input terminal Neutral line
: Protective Earth (Frame Ground, FG)- – V : – Output terminal
- +V : + Output terminal
- Output monitoring indicator (Green LED : ON)
- V.ADJ : Output voltage adjustment trimmer (The output voltage rises when the trimmer is turned clockwise.)
- CN201: Remote Sensing, DCOK, 5VSB, Remote On/Off and PV signals (Refer to 2.2)
CN201 Connector Pin Configuration and Function
![]() | Pin No. | Configuration | Function |
| 1 | +Vm | +Output Voltage Monitor | |
| 2 | +S | +Sensing | |
| 3 | -Vm | -Output Voltage Monitor | |
| 4 | -S | -Sensing | |
| 5 | DCOK | DCOK signal is an open collector output signal, referenced to pin6 (COM). As the output voltage drops, DCOK signal will output “High”. | |
| 6 | COM | Return loop for DCOK signal. | |
| 7 | 5VSB | Auxiliary voltage output, 4.75~5.25V, referenced to pin8 (5V COM). The maximum load current is 0.3A. This output is not controlled by the remote ON/OFF control. | |
| 8 | 5V COM | Return loop for 5VSB output. | |
| 9 | CNT+ | Remote ON/OFF control terminal (When CNT+ is pulled to TTL low, power supply unit turns ON. Otherwise, it turns OFF) | |
| 10 | CNT- | Return loop for CNT+ signal | |
| 11 | PV | Output voltage external control terminal | |
| 12 | COM | Return loop for PV signal. |
CN201 Connector, Housing and Terminal Pins
| PART DESCRIPTION | PART NAME | MANUFACTURER |
| PIN HEADER | S12B-PHDSS(LF)(SN) | JST |
| SOCKET HOUSING | PHDR-12VS | JST |
| TERMINAL PINS | SPHD-002T-P0.5(AWG28~24) SPHD-001T-P0.5(AWG26~22) | JST |
| HAND CRIMPING TOOL | YRS-620(SPHD-002T-P0.5) YC-610R(SPHD-001T-P0.5) | JST |
Basic Connection (Local sensing)
- Connect “+S” terminal to “+Vm” terminal with sensing wire
- Connect “-S” terminal to “-Vm” terminal with sensing wire
- Connect “CNT+” terminal to “CNT-” terminal with wire
Please use attached connector for each connection.
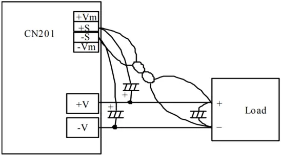
Remote Sensing (+S, -S terminal)
- Connect “+S” terminal to “+” terminal of load with sensing wire
- Connect “-S” terminal to “-” terminal of load with sensing wire
- Connect “CNT+” terminal to “CNT-” terminal with wire
This function compensates voltage drop of wiring from output terminals to load terminals. Connect “+S” terminal to “+” terminal of load and “-S” terminal to “-” terminal of load with sensing wires. The total line voltage drop (+ side line and – side line) shall be less than 0.3V. In case that sensing lines are too long, it is necessary to put an electrolytic capacitor in following places:
- across the load terminal,
- between “+S” terminal and “+V” terminal,
- between “‐S” terminal and “‐V” terminal.

When the function of remote sensing is not in use, connect +S terminal to +Vm terminal, and –S terminal to –Vm terminal by the attachment connector. If remote sensing terminals are opened, the stability and the accuracy of the output deteriorated. Therefore, terminal +S, -S must be connected.
Terminal Connection Method
Please pay extra attention to the wiring. Incorrect connection may cause damage the power supply.
- When connecting input, output wiring, and CN201, input AC-Line should be OFF.
- The output load line and input line shall be separated to improve noise immunity.
- The protective earth (PE) must be connected to the
terminal. - Remote sensing lines shall be twisted or use shielded wires.
- Remote ON/OFF control lines shall be twisted or use shielded wire.
- Current for each terminal screw shall be 40A or less.
- Basic Connection (Local Sensing)
Connect with the attached connector to CN201
- DCOK output signal required
Open collector method shown below shall be used “COM“ terminal is ground for “DCOK” terminal.
- ON/OFF control required
“CNT-“ terminal is ground for “CNT+” terminal.
- PV control required
Inject external voltage between 3~6V “COM“ terminal is ground for “PV” terminal.
Explanation Of Functions And Precautions
Input Voltage Range
Input voltage range is single phase 85 ~ 264VAC (47 ~ 63Hz) or 120 ~ 373VDC.
Input voltage which is out of specification, may damage the unit. For cases where conformance to various safety specifications (UL,CSA,EN) are required, input voltage range will be 100~240VAC (50/60Hz).
Note: GWS500 series is able to withstand Input Surge of 300VAC for 5 seconds.
Output Voltage Range
V.ADJ trimmer is for output voltage adjustment within the range of specifications. Turning the trimmer clockwise will increase the output voltage. Kindly note that over voltage protection ( OVP ) function may trigger if the output voltage is increased excessively. Please ensure that the output power is below the rated output power, and output current is below the maximum output current (12V & 48V) or below the peak output current (24V & 36V) when output voltage is raised.
Over Voltage Protection (OVP)
The OVP function will shutdown the output. To reset OVP, remove the input of power supply for a few minutes, and then re-input. Alternatively, use CNT reset (Remote ON/OFF: OFF to ON). OVP setting is fixed and cannot be adjusted externally.
Over Current Protection (OCP)
OCP function operates when the output current exceeds OCP specifications. OCP characteristic is constant current limiting within their voltage range for 24V ~ 48V while hiccup mode for 12V. The output will automatically recover when the overload condition is removed. Do not operate overload or shorted conditions for more than 30 seconds, which could result in damage. There is no possibility of fire or burning. OCP setting is fixed and not to be adjusted externally.
Over Temperature Protection (OTP)
Over Temperature Protection function (manual reset type) is provided. When ambient or internal temperature rises abnormally, OTP function will shut down the output. To recover the unit, first shut down the AC input and let the unit cool down before turning ON the AC input. Alternatively, use CNT reset (Remote ON/OFF: OFF to ON) after letting the unit cool down.
As for the /T option model, the unit automatically recovers after it cools down without the need for AC recycle or CNT reset.
Low Output Detection Circuit (DCOK)
Low output voltage detection circuit is provided. DCOK signal is only valid after AC input is turn-on for more than one sec. DCOK signal will turn “High” level to indicate abnormal status when the output voltage becomes less than approximately 80% of rated. It uses the open collector method as shown below
Remote ON/OFF Control
Remote ON/OFF control is provided.
Using this function, output on/off is allowed to be controlled without input voltage on/off.
The output is turned ON when CNT+ and CNT- terminals are shorted, while the output is turned OFF when these terminals are opened. When this function is not used, connect CNT+ and CNT- terminals together. The specifications for this function are as follows
- TTL compatible.
- The maximum input voltage to CNT+ terminal is 12V, and the maximum allowable reverse voltage is -1V.
- The source current for CNT+ terminal is 3.5mA.
- A switch or a relay or a transistor or a FET can be used as ON/OFF switch.
The /RL option model reverses the logic of the remote ON/OFF function.Voltage Range between CNT+ and CNT- Output Status Standard type /RL option 2.4 ≤ H ≤ 12.0V or Open OFF ON 0.0 ≤ L ≤ 0.8V or Short ON OFF 
Output Ripple & Noise
Ripple & noise are measured at 20MHz by using a 300mm twisted pair of load wires terminated with a 0.1uF film capacitor & 47uF electrolytic capacitor. When load lines are longer, ripple becomes larger. The output ripple cannot be measured accurately if the probe ground lead of oscilloscope is too long. At low temperature, large ripple & noise may also be observed due to large ESR of the internal Electrolytic Capacitors especially at -25°C.
Series Operation
For series operation, either method ( A ) or ( B ) is possible.
Method ( A )
Method ( B )
Parallel Operation
- (A) Operation to increase the Output Current is not possible.

- (B) Operation as a Backup Power Supply is possible as follows:

- Set the power supply output voltage higher by the amount of forward voltage drop ( VF ) of the diode.
- Please adjust the output voltage of each power supply to be the same.
- Please use within the specifications for output voltage, output current and output power.
Output Voltage External Control (PV)
Output voltage external control function is available. Output voltage can be varied by applying an external voltage (3–6V) to “PV” terminal and “COM” terminal. Please consider the following characteristics.
Connection method
Output Voltage Linearity (12V, 24V, 36V & 48V)
Output Voltage Derating
Note:
- For 12V & 36V output model, limit output voltage variation range at 60% ~ 110%. At PV voltage variation 3V ~ 5.5V.
- For 24V output model, limit output voltage variation range at 60% ~ 120%. At PV voltage variation 3V ~ 6V.
- For 48V output model, limit output voltage variation range at 80% ~ 120%. At PV voltage variation 4V ~ 6V.
Battery Charging (/BAT) option
An option model for battery charging operation is available. It comes in two output voltages namely, 24V & 48V with ex-factory setting of 29V & 58V respectively.
However, in conjunction with the Vadj and PV functions, the output voltage can be set to the range shown on the charts below.
24/BAT should be used to charge 24V battery while 48/BAT should be used to charge 48V battery.
Battery charging (Constant Current) is applicable for valid output voltage range. The unit may hiccup below this voltage range.
Connection method

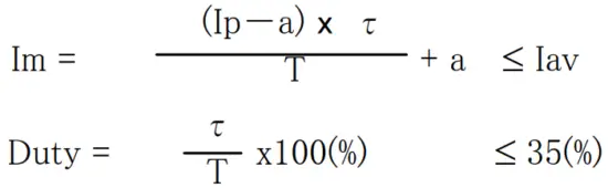
Output Peak Current
For 24V, 36V output model, please meet the following conditions. Reduce peak current value according to output derating as section 6-2.
- Input voltage range : AC85V~265V
- Continuous Peak output time (τ) : Within 10 seconds
- Peak output current (Ip) : Within the rated peak output current
- Average DC output current (Im) : Within the rated output current, Iav


Ip : Peak output current (A)
Ia : Rated output current (A)
v
Im : Average output current (A)
τ : Peak current pulse width (sec)
T : Period (sec)
Auxiliary Supply
Auxiliary supply (5V, 0.3A max) is provided to ease customer application. Aux voltage is always available as long as input power in the specified voltage range is present.
Output Dynamic Load Response
During output dynamic load test from no load condition, the output voltage level might experience a higher voltage dip of 15% (typ).
For example, VIN = 230VAC Dynamic Load = 0% – 100% Ta = 25degC, the output voltage level dip will be -15% (typ).
Isolation / Withstand Voltage
Isolation Test
Isolation resistance between output and
(chassis) shall be more than 100MΩ at 500VDC. For safety, voltage setting of DC isolation tester must be done before the test. Ensure that the unit is fully discharged after the test.
- (a) Output ~
(chassis) : 500VDC, 100MΩ or more
Withstand Voltage
This series is designed to withstand 4.25kVDC between input and output, 2.25kVDC between input and
(chassis) and 500VDC between output and
(chassis) each for 1 minute. When testing withstand voltage, set current limit of withstand voltage test equipment at 20mA ( Output –
(chassis) : 100mA ). The applied voltage must be gradually increased from zero to testing value and then gradually decreased for shut down. When timer is used, the power supply may be damaged by high impulse voltage at timer switch on and off. Connect input and output as follows:
- (a) Input ~
(chassis) : solid line 2.25kVDC, 1min (20mA) - (b) Input ~ Output : dotted line 4.25kVDC, 1min ( 20mA )
- (c) Output ~
(chassis) : 500VDC, 1min (100mA)

Mounting Directions
Output Derating according to the Mounting Directions
Recommended standard mounting is Method ( A ). Method ( B ) is also possible.
Refer to the Derating below.
- (A) Standard Mounting

- (B)

Output Derating

For /L and /F option, the system is forced air cooling with external airflow of at least 15cfm and air blowing out from the opposite side of the input/output connectors.
The Output Derating with external fan depends on the airflow conditions and the temperature rise for the components.
The method stipulated below provides a way to decide for the safe operation of this power supply. As shown, this table provides a list of the maximum temperature allowed for specified components. The component temperature is measured according to IEC60950-1 2nd edition Clause 4.5.
Maximum rated temperature for these components are taken from the component specification provided by the original manufacturers. These are the worse case allowable temperature.
Temperature is measured using thermal couple K-type, and using CYANOACRYLATE adhesive or equivalent to secure to the hottest point of these components.
In order to decide the worse case temperature rise, the selected measurement point should not face direct airflow and the equipment powered should operate under worse case operating conditions.
| Location No | Parts Name | Maximum Temperature (oC) *1 |
| D1 | Bridge Diode | 112 (130) |
| D16/Q10 | Schottky Diode/Mosfet | 109 (130) |
| Q1 | Mosfet | 123 (130) |
| Q4 | Mosfet | 102 (130) |
| T1 | Transformer | 125 (130) |
Absolute temperature (Maximum temperature) during normal operating conditions. Higher temperature will probably cause shorter life span for the power supply.
Please refer to the component side layout drawing below for temperature measurement. Airflow should cool down all the components evenly.
Mounting Method
- This is forced air cooling type power supply. In consideration of the heat radiation and safety, please keep a distance of more than 50mm between the power supply front & back.
- Maximum allowable penetration of mounting screws into the power-supply is 5mm.
- Recommended torque for mounting screws (M4): 1.27 Nm (13.0 kgfcm).
- For /L option, please provide clearance 4mm or more on top of power supply to peripheral parts.

Wiring Method
- The input and output load wires shall be separated to improve noise immunity.
- Both wires must be as thick and short as possible to have lower impedance.
- Noise can be reduced by connecting a film capacitor with 0.1uF capacitance across the load terminals.
- For safety and EMI considerations, connect the
terminal of GWS500 series to mounting set ground terminal - The recommended wire type :
MODEL Recommended Wire Recommended torque Recommended crimp-type terminal D (Max) T (Max) Mounting Pieces (Max) GWS500 AWG18-10 M4 Screws 1.27 N×m (13 kgf×cm)
6.8mm 0.8mm 4 Note 1 : When using separate loads, it is recommended to use 4 pieces of 0.8mm thick crimp-type terminal.
Note 2 : For recommended wire diameter, refer to wire maker recommended allowable current and voltage drop.
External Fuse Rating
Refer to the following fuse rating when selecting the external input fuse. Surge current flows when input turns on. Do not select the fuse according to input current (rms) values under the actual load condition.
GWS500 : F10AH , 250V
Fan Life Expectancy
The fan life has limitation. Therefore, periodic maintenance by exchanging the life-expired fan is required for the power supply. The following figure shows the life of fan.
Measurement point of fan exhausts temperature
Before concluding that the unit is at fault, Please make the following checks
- Check if the rated input voltage is connected and within specification.
- Check if the wiring of input and output is correct.
- Check if the I/O terminal connection is properly tightened by required torque.
- Check if the wire thickness is enough.
- Check if the output voltage trimmer (V.ADJ) is properly adjusted. OVP might be triggered and output is shutdown.
- Is the chassis of power supply abnormally hot? The output is shutdown by OTP operation. Please disconnect or turn off the AC input and let the unit cool down sufficiently before turning ON the AC input again.
- Check if the output current and output wattage does not exceed the specification.
- Audible noise may be heard when input voltage waveform is not sinusoidal.
- Audible noise may be heard during dynamic load operation.
- Ensure that a large capacitor is not connected across the output terminals. Please use within maximum capacitance shown below.
Maximum external capacitance MODEL 12V 24V 36V 48V GWS500 10,000uF 5,000uF 1,000uF
Warranty Condition
This product is under warranty for 5 years from the date of shipment. During the warranty period, TDK-Lambda will, at its option, either repair or replace products prove to be defective. However, the built-in FAN motor replacement is charged. Please contact to our sales office for FAN replacement.
Warranty applies but not limited to the following.
- Average operating temperature (ambient temperature of the power supply unit) is under 40o C.
- Average load factor is 80% or less.
- Installation method: Standard installation.
Following cases will not be covered by warranty.
- Improper usage and mis-handling like dropping or applying shock to the unit and defects from operation exceeding specification of the product.
- Defects resulting from natural disaster (fire, flood).
- Unauthorized modification or repair.


































