MIKROE-1834 Tilt Click Compact Add-On Board
User Manual

Introduction
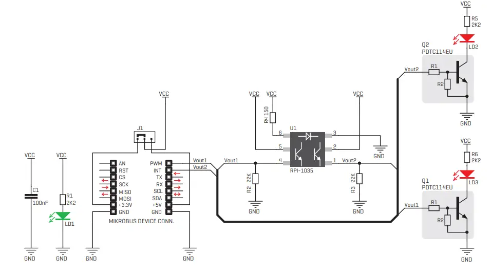
Tilt click ™ carries RPI-1035, a 4-directional optical tilt sensor. This type of sensor provides positional feedback for left, right, forward or backward movements. Tilt click™
communicates with the target board microcontroller through mikroBUS ™ PWM and INT lines, used here for Vout1 and Vout2 outputs from the sensor. In addition, two onboard LEDs provide visual feedback from the sensor. The board can use either a 3.3V or 5V power supply.
Soldering the headers
Before using your click™ board, make sure to solder 1×8 male headers to both left and right side of the board. Two 1×8 male headers are included with the board in the package.
Turn the board upside down so that the bottom side is facing you upwards. Place shorter pins of the header into the appropriate soldering pads.
Turn the board upward again. Make sure to align the headers so that they are perpendicular to the board, then solder the pins carefully.
Plugging the board in
Once you have soldered the headers your board is ready to be placed into the desired mikroBUS ™ socket. Make sure to align the cut in the lower-right part of the board with the markings on the silkscreen at the mikroBUS™ socket.
If all the pins are aligned correctly, push the board all the way into the socket.
Essential features
All Tilt click™ does is tell you whether it’s leaning left, right, forward or backward at a given moment. The optical type of direction detector it employs is highly reliable. Compared to mechanical solutions, optical direction detectors are less prone to noise caused by vibrations. Compared to magnetic-based direction detectors, they are not influenced by magnetic disturbances. This makes Tilt click™ a robust and simple to implement solution for all those that need direction detection without the need for highly precise positional measurements.
Schematic

Dimensions

| mm | mils | |
| LENGTH | 28.5 | 1122 |
| WIDTH | 25.4 | 1000 |
| HEIGHT | 4 | 157.5 |
SMD jumper
There is one zeroohm SMD jumper J1 used to select whether 3.3V or 5V I/O voltage level is used. Jumper J1 is soldered in 3.3V position by default.
Code xamples
Once you have done all the necessary preparations, it’s time to get your click™ board up and running. We have provided examples for mikroC™ , mikroBasic™ and mikroPascal ™ compilers on our Libstock website. Just download them and you are ready to start.
LIBSTOCK.COM
Support
MikroElektronika offers free tech support (www.mikroe.com/support) until the end of the product’s lifetime, so if something goes wrong, we’re ready and willing to help!
Disclaimer
MikroElektronika assumes no responsibility or liability for any errors or inaccuracies that may appear in the present document. Specification and information contained in the present schematic are subject to change at any time without notice.
Copyright © 2015 MikroElektronika. All rights reserved.
click™ BOARD
www.mikroe.com
TILT click™ manual
Downloaded from Arrow.com

















