
MikroE MMA8491Q TILT-n-SHAKE Click Board
Introduction
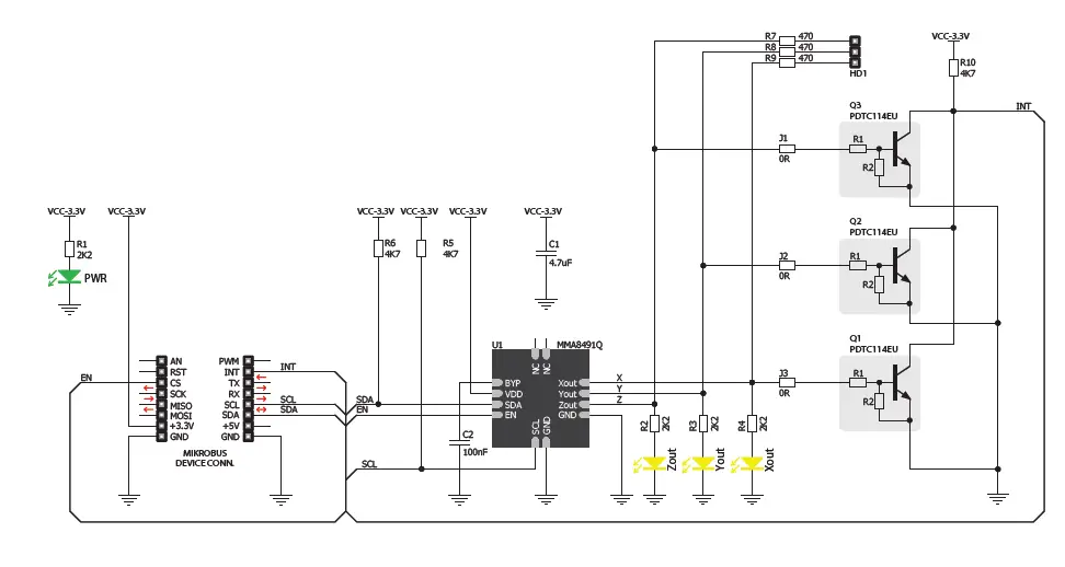
- TILT-n-SHAKE click carries Freescale’s MMA8491Q IC. It’s a multifunctional 3-axis digital accelerometer that can also be configured as a 45-degree Tilt sensor. As an accelerometer, it communicates with the target MCU through mikroBUS™ I2C pins (SCL, SDA). When configured as a Tilt sensor, the click board needs only one output pin — INT (interrupt). TILT-n-SHAKE click is designed to use a 3.3V power supply only.

- Soldering the headers
Before using your click board™, make sure to solder 1×8 male headers to both left and right side of the board. Two 1×8 male headers are included with the board in the package.Turn the board upside down so that the bottom side is facing you upwards. Place shorter pins of the header into the appropriate soldering pads.
Turn the board upward again. Make sure to align the headers so that they are perpendicular to the board, then solder the pins carefully.
- Plugging the board in
Once you have soldered the headers your board is ready to be placed into the desired mikroBUS™ socket. Make sure to align the cut in the lower-right part of the board with the markings on the silkscreen at the mikroBUS™ socket. If all the pins are aligned correctly,
- Essential features
To use TILT-n-SHAKE click as an accelerometer, keep the enable pin (EN) pulled to logic high. The 14-bit digital output has over ±8g full-scale range with 1 mg/LSB sensitivity and a fast output time of about 700 micro-seconds. As a tilt sensor, the MMA8491Q has three detection outputs, one for each axis: Xout, Yout and Zout. Three on-board LEDs will also signal the tilt orientation. push the board all the way into the socket. - Schematic

- Dimensions

- INT SEL jumpers

Depending on your applications you may not need the tilt sensor to react to every axis of movement. You can reduce its sensitivity to two, or just one dimension, by unsoldering one of the three INT SEL jumpers. - Code examples

Once you have done all the necessary preparations, it’s time to get your click board™ up and running. We have provided examples for mikroC™, mikroBasic™ and mikroPascal™ compilers on our Livestock website. Just download them and you are ready to start. - Support
MikroElektronika offers free tech support (www.mikroe.com/support) until the end of the product’s lifetime, so if something goes wrong, we’re ready and willing to help! - Disclaimer
MikroElektronika assumes no responsibility or liability for any errors or inaccuracies that may appear in the present document. Specification and information contained in the present schematic are subject to change at any time without notice.
Copyright © 2015 MikroElektronika. All rights reserved.



























