
Electric current! Danger to life!
Only skilled or instructed persons may carry out the following operations.
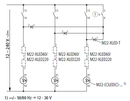
DESCRIPTION


M22-XLED60
M22-XLED220

M22-XLED-T
M22-XLED60
M22-XLED220

Test button
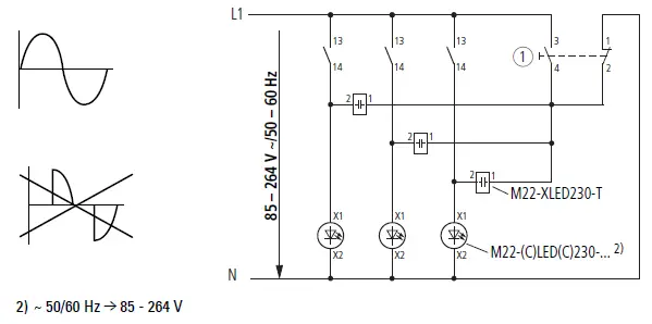
M22-XLED230-T

Test button
Eaton Electric Ltd., P.O. Box 554, Abbey Park, Southampton Road, Titchfield, PO14 4QA, United Kingdom
USA:
Eaton.com/eatoncare
+1 877-386-2273
Eaton.com/contacts
Eaton.com/aftersales
Eaton.com/documentation
08/21 IL04716009Z
Eaton.com/recycling
















