TORO 21465 Personal Pace SmartStow

Ordering Replacement Parts
To order replacement parts, please supply the part number, the quantity, and the description of each part desired.
Understanding Reference Numbers
Each identified part in an illustration has a reference number. The reference number for a part also appears in the parts list, along with other information about the part.
This catalog uses two special reference number formats, one to indicate parts in a service assembly and another to indicate the quantity of a given part in an illustration.
Service Assembly Reference Numbers
Parts in service assemblies have reference numbers in the form a:b. The a represents the reference number of the entire service assembly and the b represents a sequential number unique to each part within the service assembly
For example, a wheel assembly might be identified by reference number 6, the tire by 6:1, the valve by 6:2, and the wheel by 6:3. When you order the assembly identified by reference number 6, you receive all parts identified by reference numbers 6:1,6:2, and 6:3. However, you may also order any part individually. Reference numbers of this type appear in illustration and in parts lists.
Reference Numbers Indicating Quantity
In an illustration, if a reference number indicates more than one part, the reference number has the form nX y. The n represents the quantity of the part, the X is the multiplication symbol, and the y represents the reference number.
For example, in an illustration, the reference number 2X 37 means that two of the parts identified by reference number 37 are indicated.
Housing Assembly

Ref. Part Number Qty. Description
1 144-3192 1 Housing ASM
2 114-7963-01 1 Baffle-Front
3 46-8091 13 Screw-HWH
4 139-5440 1 Baffle-Rear, Rwd
7 131-0837 1 Screw-Shoulder, HHF
9 140-2368 1 ASM-Chute, In Mold
10 139-5443 1 Deflector-Recycle
11 139-5444 1 Knob-Recycle
12 139-5445 1 Latch-Recycle
13 140-4192 1 Spring-Compression
14 32104-120 2 Screw-PPH
16 139-5476 1 ASM-Rear Door, In Mold
18 139-5478 1 Spring-Torsion, LH
19 139-5479 1 Spring-Torsion, RH
30 139-5457 1 Bumper-Front
32 144-0210 4 ASM-Intake, Rwd
31 139-5467 3 Screw-Plastic, HWH
33 140-2384 1 Cover-Intake, Bottom
35 140-4185 1 Decal
Grass Bag Assembly

Ref. Part Number Qty. Description
1 139-5470-03 1 ASM-Frame, Bag
2 139-5471 1 ASM-Bag, Grass
Decal Assembly

Ref. Part Number Qty. Description
3 94-8072 1 Decal-Danger
10 140-4183 1 Decal
11 140-4184 1 Decal
Engine and Blade Assembly

Ref. Part Number Qty. Description
4 1 Engine-Briggs, 625 Exi Zs SS ■ ▲
10 121-5844 3 Screw-Thd Form, HWH
13 139-1816 1 Driver-Blade
20 131-4547-03 1 Blade-22 Inch
22 108-3766-03 1 Support-Blade
Ref. Part Number Qty. Description
24 125-2466 1 Bolt-Blade
25 140-4247 1 Decal-Briggs 625 Exi SS
33 133-8062 1 Decal-Arrestor, Spark
34 133-8198 1 Decal-Level, Fuel
35 2210-316 1 Stop-Rope ●
Front Wheel and Height-of-Cut Assembly

Ref. Part Number Qty. Description
1 115-1956-05 2 Plate-HOC,Front Fsvq Wednesday
2 322-3 4 Screw-HH
3 3296-29 6 Nut-Lock, NI
4 105-1809 2 Arm-Spring
5 110-0549 2 Knob-HOC
6 137-9128 2 Arm-Pivot, Front
7 105-1818 2 Bushing-Mount, HOC
8 322-6 2 Screw-HH
9 105-3048 2 Washer-Flat
11 139-5449 2 Washer-Wheel Bolt
12 140-2355 2 ASM-8″ Wheel, Idler
13 139-1789 2 Wheel Bolt
Rear Wheel and Height-of-Cut Assembly

Ref. Part Number Qty. Description
1 139-6593-05 1 Plate-HOC, LH (2 Hole)
2 139-6592-05 1 Plate-HOC, RH (2 Hole)
3 322-3 4 Screw-HH
4 3296-29 4 Nut-Lock, NI
5 3229-11 2 Screw-CARR
6 3296-16 2 Nut-Lock, NI
7 132-4486 2 Arm-Spring
8 110-0549 2 Knob-HOC
9 139-5451 2 Arm-Pivot, Rear
10 108-9779 2 Retainer-Bushing, HOC
11 104-8699 2 Bearing-Ball
12 108-9782 2 Bushing-Sleeve
13 139-6561 1 Transmission-Rwd
14 114-7977-03 1 Bracket-Transmission
15 140-4041 1 V-Belt
16 108-7476 3 Screw-Plastite
17 110-7191 2 Washer-Thrust
18 131-5399 2 Gear-Pinion, 15T
19 32151-61 2 Ring-Retaining
20 140-2362 2 ASM-Cover, Gear (Dk Gray)
22 140-2350 2 ASM-9.65″ Wheel, Geared
23 139-1789 2 Wheel Bolt
24 139-5448 1 Cover-Belt, Rwd
25 46-8091 2 Screw-HWH
26 139-6597 1 Shield-Trailing
32 140-2369 4 Pad-Smart Stow
33 107-7461 4 Screw-Plastite
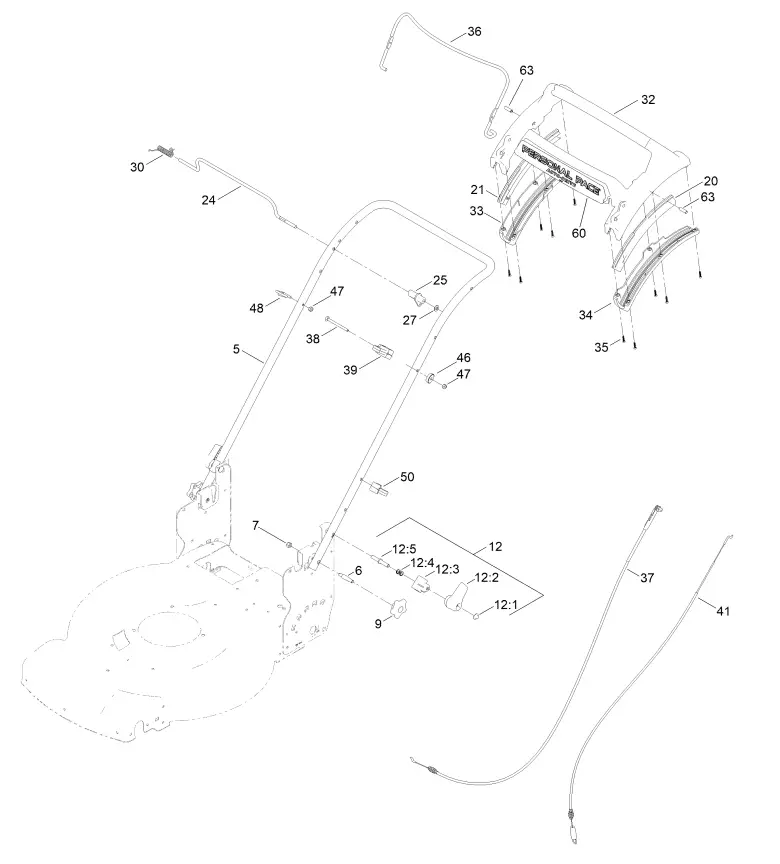
Handle Assembly

Ref. Part Number Qty. Description
5 139-5458-05 1 Handle-Curved
6 139-6588 2 Bolt-Shoulder, Handle
7 3296-29 2 Nut-Lock, NI
9 117-5976 2 Knob-Handle
12 138-3249 2 Quick Release ASM
12:1 32112-11 1 Nut-Push
12:2 138-3248 1 Lever-Release
12:3 138-3253 1 Anchor-Spring
12:4 115-2858 1 Spring-Compression
12:5 138-3243 1 Rod-Release
20 140-2367 1 Guide-Curved, LH (Rwd)
21 140-2366 1 Guide-Curved, RH (Rwd)
24 139-5464 1 Rod-Control, Traction
25 139-6554 1 Lever-Traction, Rwd
27 3256-23 1 Washer-Plain
30 140-4194 1 Spring-Torsion
Ref. Part Number Qty. Description
32 139-6569 1 Handle-Personal Pace, Curved
33 139-6567 1 Bottom-Handle, RH
34 139-6568 1 Bottom-Handle, LH
35 94-4496 10 Screw-PPH
36 140-4023-03 1 Bail-Brake
37 139-6594 1 Cable-Brake, Pp B&s
38 144-0221 1 Screw-CARR
39 139-6581 1 Anchor-Cable, Rwd
41 139-6595 1 Cable-Traction, Rwd (Pp)
46 136-9075 1 Washer-Curved
47 3296-73 2 Nut-Lock, NI
48 86-9671 1 Guide-Rope
50 114-7988 1 Guide-Cable
60 140-4187 1 Decal
63 139-6577 2 Pin-Handle, Pp
Attachments and Accessories
For 21465 22in Recycler Lawn Mower with SmartStow
Product Name ……………………………………………………………………………………………………………… Model/Part
Fuel Stabilizer .05 oz ……………………………………………………………………………………………………….. 130-2393
Briggs Maint Kit……………………………………………………………………………………………………………….. 130-8148
4-Cycle Fuel, Snow And Lawn 32oz Can…………………………………………………………………………….. 131-3823
Toro Premium Fuel Treatment 12 Oz Bottle …………………………………………………………………………. 131-6572
Oil-30/10W-30 Synthetic (Quart)………………………………………………………………………………………… 138-6053
Chute ASM …………………………………………………………………………………………………………………….. 139-6556
Lawn Striping Kit with 22in Roller……………………………………………………………………………………………. 20601
Toro 4-Cycle SAE 30 Oil (32oz Bottle) …………………………………………………………………………………….. 38903
Summer Oil-Case of 24 (20oz Bottles)…………………………………………………………………………………….. 38916
Smart Stow Walk Power Mower Cover ……………………………………………………………………………….. 490-2012
Bag-Walk Behind (Toro)……………………………………………………………………………………………………. 490-7318
Lawnmower Cover…………………………………………………………………………………………………………… 490-7462
22 Inch Atomic Blade………………………………………………………………………………………………………….. 59534P
Cordless 60V MAX String Trimmer Assembly
Ref. Part Number Qty. Description
2 88602 1 Charger-Battery, 60V 2 Amp
3 88625 1 Battery-Li Ion, 60V 2.5 Ah
4 139-8250 1 Bump Feed Head ASM
4:1 139-8252 1 Spring-Spool
4:2 139-8253 1 Cap-Feed, Bump
4:3 139-8254 1 Spool
5 139-8251 1 Shield-Grass
6 139-8255 1 Handle-Trimmer
8 3274-15 1 Screw-HSH

Attachments and Accessories
For 51830 Flex-Force Power System 14in or 16in 60V MAX String Trimmer
Product ……………………………………………………………………………………………………………… Name Model/Part
60V Battery Charger 2 AMP ………………………………………………………………………………………………….. 88602
60V Rapid Battery Charger 5.4 AMP ………………………………………………………………………………………. 88605
60V Battery Charger 1 AMP ………………………………………………………………………………………………….. 88610
0.080in 60V Trimmer Line, 100 Ft…………………………………………………………………………………………….88611
0.095in 60V Trimmer Line, 100 Ft…………………………………………………………………………………………… 88612
60V 2.0 AH Battery ………………………………………………………………………………………………………………. 88620
60V LI-ION Battery 2.5 AH…………………………………………………………………………………………………….. 88625
60V LI-ION, Battery 4.0 AH …………………………………………………………………………………………………… 88640
60V LI-ION Battery 5.0 AH…………………………………………………………………………………………………….. 88650
60V LI-ION Battery 6.0 AH…………………………………………………………………………………………………….. 88660
60V LI-ION Battery 7.5 AH…………………………………………………………………………………………………….. 88675
Cordless 60V MAX Axial Blower Assembly

Ref. Part Number Qty. Description
2 137-9452 1 Tube-Blow
Attachments and Accessories
For 51820T Flex-Force Power System 60V MAX Axial Blower
Product Name ………………………………………………………………………………………………………. Model/Part
60V Battery Charger 2 AMP ………………………………………………………………………………………………….. 88602
60V Rapid Battery Charger 5.4 AMP ………………………………………………………………………………………. 88605
60V Battery Charger 1 AMP ………………………………………………………………………………………………….. 88610
60V 2.0 AH Battery ………………………………………………………………………………………………………………. 88620
60V LI-ION Battery 2.5 AH…………………………………………………………………………………………………….. 88625
60V LI-ION, Battery 4.0 AH …………………………………………………………………………………………………… 88640
60V LI-ION Battery 5.0 AH…………………………………………………………………………………………………….. 88650
60V LI-ION Battery 6.0 AH…………………………………………………………………………………………………….. 88660
60V LI-ION Battery 7.5 AH…………………………………………………………………………………………………….. 88675


















