
Count on it.
Parts Catalog
TX 427 Wide Track
Compact Tool Carrier
Model No. 22322—Serial No. 409445442 and Up
22322 TX 427 Wide Track Compact Tool Carrier
Ordering Replacement Parts
To order replacement parts, please supply the part number, the quantity, and the description of each part desired.
Understanding Reference Numbers
Each identified part in an illustration has a reference number. The reference number for a part also appears in the parts list, along with other information about the part. This catalog uses two special reference number formats, one to indicate parts in a service assembly and another to indicate the quantity of a given part in an illustration.
Service Assembly Reference Numbers
Parts in service assemblies have reference numbers in the form a:b. The a represents the reference number of the entire service assembly and the b represents a sequential number unique to each part within the service assembly.
For example, a wheel assembly might be identified by reference number 6, the tire by 6:1, the valve by 6:2, and the wheel by 6:3. When you order the assembly identified by reference number 6, you receive all parts identified by reference number 6:1,6:2, and 6:3. However, you may also order any part individually. Reference numbers of this type appear in illustrations and in parts lists.
Reference Numbers Indicating Quantity
In an illustration, if a reference number indicates more than one part, the reference number has the form Nyx. The n represents the quantity of the part, the X is the multiplication symbol, and the y represents the reference number. For example, in an illustration, the reference number 2X 37 means that two of the parts identified by reference number 37 are indicated.
Main Frame Assembly

| Ref. | Part Number | Qty | Description |
| 1 | 114-1352 | 1 | Chassis ASM |
| 1:02 | 100-4650 | 2 | Decal-Warning |
| 1:03 | 93-9084 | 4 | Decal-Point, Lift |
| 1:04 | 107-3557 | 1 | Gasket-Cover, Access |
| 1:05 | 108-6297-01 | 1 | Cover-Tank |
| 1:06 | 98-9940 | 6 | Screw-HHF |
| 1:07 | 353-988 | 2 | Plug-Hex |
| 1:07:01 | 237-79 | 1 | O-Ring |
| 1:08 | 93-6686 | 1 | Decal-Oil, HYD |
| 2 | 61-2790 | 1 | Filter-Screen |
| 3 | 100-2097 | 1 | Dipstick-Oil |
| 4 | 93-7498 | 1 | Plug-Plastic |
| 5 | 237-101 | 1 | O-Ring |
| 6 | 115-4565-01 | 1 | Cover-Rear |
| 7 | 325-5 | 6 | Screw-HH |
| 8 | 3296-23 | 4 | Nut-Lock, NI |
| 9 | 3256-26 | 6 | Washer-Flat |
| 10 | 99-6165-01 | 2 | Counterweight-Rear |
| 11 | 3253-7 | 4 | Washer-Lock |
| 12 | 325-12 | 4 | Screw-HH |
| 13 | 117-9982 | 1 | Loader Tower ASM |
| 13:02 | 138-0799 | 1 | Decal-Panel, Control |
| 13:03 | 93-7814 | 1 | Decal-Danger |
| 14 | 100-6116 | 10 | Screw-HHF |
| 15 | 100-6123-01 | 2 | Plate-Stiffener |
| 16 | 32128-52 | 10 | Nut-Lock, Flange |
| 17 | 323-23 | 2 | Screw-HH |
| 18 | 104-8301 | 2 | Nut-HF, NI |
| 19 | 100-1271 | 2 | Tube-Spacer |
| 20 | 353-508 | 1 | Plug-HH |
| 20:01 | 237-42 | 1 | O-Ring |
Grill, Side Cover and Counterweight Assembly

| Ref. | Part Number | Qty. | Description |
| 0:00 | 117-9998-03 | 1 | Grill |
| 0:00 | 95-1726 | 4 | Screw-Taptite |
| 0:00 | 106-9335 | 1 | Housing-Latch |
| 0:00 | 106-5729 | 1 | Bracket-Latch |
| 0:00 | 3296-60 | 1 | Nut-Lock, NI |
| 0:00 | 106-5728 | 1 | Cam-Latch |
| 0:00:00 | 3253-3 | 1 | Washer-Lock |
| 0:00 | 321-2 | 1 | Screw-HH |
| 9 | 104-0869 | 1 | Spring |
| 10 | 106-5727-03 | 1 | Panel-Side, RH |
| 11 | 106-5726-03 | 1 | Panel-Side, LH |
| 12 | 117-9994-03 | 1 | Plate-Front |
| 13 | 3230-28 | 2 | Screw-CARR |
| 14 | 32128-20 | 2 | Nut-HF |
| 15 | 117-9995-03 | 1 | Plate-Counterweight |
| 16 | 99-6166-01 | 1 | Counterweight-Front |
| 17 | 3256-26 | 4 | Washer-Flat |
| 18 | 325-12 | 4 | Screw-HH |
| 19 | 3296-23 | 4 | Nut-Lock, NI |
| 20 | 108-5639 | 1 | Handle-Latch |
| 21 | 3256-2 | 1 | Washer-Flat |
| 22 | 107-8021 | 1 | Screw-PTH |
| 23 | 3296-47 | 1 | Nut-Lock,NI |
| 24 | 106-9343 | 1 | LH Rear Cover Support ASM |
| 24:02 | 32148-9 | 1 | Nut-Clinch |
| 25 | 106-9342 | 1 | RH Rear Cover Support ASM |
| 25:02 | 32148-9 | 1 | Nut-Clinch |
| 26 | 9266714 | 6 | Screw-HWH |
| 27 | 32151-72 | 2 | Ring-Retaining |
| 28 | 106-9339-01 | 1 | Cover-Access, Rear |
| 29 | 106-0565 | 2 | Washer-Rubber |
| 30 | 95-9648 | 2 | Knob |
| 31 | 2412-120 | 2 | Clamp-R |
| 32 | 3269-10 | 2 | Washer-Back |
| 33 | 3269-17 | 2 | Rivet-Pop |
| 34 | 104-7050 | 1 | Tube-Manual |
| 35 | 104-7048 | 1 | Cap-Housing |
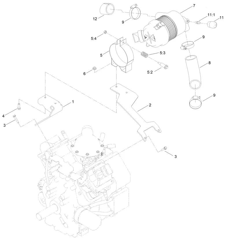
Engine, Exhaust and Control Lever Assembly

| Ref. | Part Number | Qty. | Description |
| 1 | 3231-28 | 4 | Screw-CARR |
| 2 | 114-1288-03 | 1 | Plate-Mounting, Engine |
| 3 | 117-1811 | 1 | Shim-Strap |
| 4 | 3296-39 | 4 | Nut-Lock, NI |
| 5 | 1 | Engine-Kohler, Ch740-3136 | |
| 6 | 48-9220 | 4 | Washer-Plain |
| 7 | 323-9 | 4 | Screw-HH |
| 8 | 32128-21 | 4 | Nut-HF Lock |
| 9 | 114-8725 | 1 | Baffle-Engine |
| 10 | 115-4837 | 1 | Strip-Seal, 10.5 Inch |
| 11 | 105-0378 | 1 | Seal-Strip, 6.5 Inch |
| 12 | 105-0377 | 1 | Seal-Strip, 3 Inch |
| 13 | 32144-36 | 2 | Screw-PPH |
| 14 | 61-3340 | 1 | Bushing |
| 14:01 | 321-13 | 3 | Screw-HH |
| 14:02 | 3253-2 | 3 | Washer-Lock |
| 14:03 | 3245-2 | 1 | Screw-Set, HSH |
| 15 | 67-7490 | 1 | Key-Square |
| 16 | 61-3330 | 1 | Pulley |
| 19 | 289-42 | 1 | Nipple |
| 1/20/1900 0:00 | 94-9650 | 1 | Elbow-90 DEG |
| 0:00 | 100-1256 | 1 | Oil Hose ASM |
| 22 | 2412-36 | 1 | Clamp-Hose |
| 23 | 115-1509 | 1 | Muffler |
| 576:00:00 | 112-2844 | 4 | Nut-HF |
| 25 | 104-4090 | 2 | Clamp-Muffler |
| 624:00:00 | 114-1366 | 1 | Shield-Manifold |
| 27 | 32128-25 | 4 | Nut-HF |
| 28 | 117-9973 | 2 | Shield-Muffler |
| 0:00 | 3256-3 | 8 | Washer-Flat |
| 30 | 9266934 | 8 | Screw |
| 31 | 108-9730 | 2 | Lever-Control |
| 32 | 233-42 | 2 | Knob |
| 33 | 3256-51 | 4 | Washer-Flat |
| 34 | 3290-134 | 4 | Screw |
| 35 | 32149-7 | 4 | Nut-Keps |
| 36 | 100-1299-03 | 1 | Guide-Cable |
| 37 | 32144-11 | 1 | Screw-HWH |
| 38 | 108-4679 | 2 | Cable-Throttle/Choke |
| 39 | 3290-378 | 1 | Tie-Cable |
Fuel Tank and Carbon Canister Assembly

| Ref. | Part Number | Qty | Description |
| 1 | 117-9956 | 1 | Tank-Fuel |
| 2 | 117-9965 | 1 | Spacer |
| 3 | 117-1722 | 1 | Cap-Fuel |
| 4 | 3250-31 | 6 | Screw-PPH |
| 5 | 46-6560 | 1 | Bushing |
| 6 | 98-0185 | 1 | Pipe-Stand |
| 7 | 113372 | 1 | Gasket-Sender, Fuel |
| 8 | 100-1298 | 1 | Sender-Fuel |
| 9 | 3253-17 | 5 | Washer-Lock |
| 10 | 109-0301 | 1 | Hose-Fuel |
| 11 | 2412-98 | 2 | Clamp-Hose |
| 12 | 3290-378 | 3 | Tie-Cable |
| 13 | 114-0284 | 1 | Grommet |
| 14 | 114-0285 | 1 | Valve-Rollover |
| 15 | 117-4043-03 | 1 | Holder-Canister |
| 16 | 127-8685 | 1 | Canister-Carbon |
| 17 | 119-3517 | 2 | Hose-Fuel |
| 18 | 115-7854 | 1 | Filter-Fuel, Inline |
| 19 | 106-5317 | 3 | Hose-Fuel |
| 20 | 133-8499 | 1 | Valve-Check, Vacuum |
| 21 | 115-4736 | 1 | Hose-Fuel |
| 22 | 2412-146 | 8 | Clamp-Hose |
| 23 | 9266714 | 2 | Screw-HWH |
| 24 | 51-3217 | 1 | Hose-Fuel |
| 25 | 106-8150 | 2 | Fitting-Straight |
| 26 | 92-2379 | 4 | Clamp-Hose |
| 27 | 120-2235 | 1 | Filter-Fuel |
| 28 | 94-1389 | 1 | Grommet |
| 29 | 131-0575 | 2 | Sleeve-Thermal |
Air Cleaner Mount Assembly

| Ref. | Part Number | Qty | Description |
| 1 | 117-1729-03 | 1 | Bracket-Support, Right |
| 2 | 117-1728-03 | 1 | Bracket-Support, Left |
| 3 | 33103-035 | 4 | Screw-HHF |
| 4 | 322-5 | 2 | Screw-HH |
| 5 | 93-2191 | 1 | Air Cleaner Mounting Band ASM |
| 5:02 | 94-3653 | 1 | Bolt |
| 5:03 | 94-3654 | 1 | Spring |
| 5:04 | 48-9510 | 1 | Nut |
| 6 | 32128-20 | 2 | Nut-HF |
| 7 | 93-2190 | 1 | Air Cleaner ASM |
| 8 | 114-8734 | 1 | Hose-Air Cleaner |
| 9 | 2412-92 | 3 | Clamp-Hose |
| 11 | 104-3563 | 1 | Indicator |
| 11:01 | 94-1416 | 1 | Adapter-Indicator |
| 12 | 114-1364 | 1 | Tube-Inlet, Air |
Air Cleaner Assembly No. 93-2190

| Ref. | Part Number | Qty. | Description |
| 2 | 108-3811 | 1 | Filter-Air |
| 3 | 94-3652 | 1 | Cover ASM |
| 3:01 | 1-643283 | 2 | Latch-Cleaner, Air |
| 4 | 87-9400 | 1 | Valve-Valuator |
| 5 | 285-17 | 1 | Plug-Pipe |
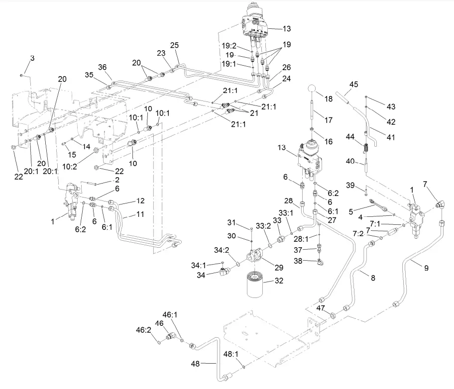
Hydraulic Pump Mount Assembly

| Ref. | Part Number | Qty. | Description |
| 1 | 110-5236 | 1 | Hub-Engine |
| 2 | Oct-70 | 1 | Key-Square |
| 3 | 3241-6 | 4 | Screw-SQH |
| 4 | 3256-23 | 4 | Washer-Plain |
| 5 | 115-4523 | 2 | Coupling-Rubber |
| 0:00 | 71-4411 | 4 | Spacer |
| 7 | 110-9695 | 1 | Hub-Pump |
| 8 | 322-8 | 4 | Screw-HH |
| 9 | 3296-29 | 4 | Nut-Lock, NI |
| 0:00 | 98-2751-03 | 1 | Mount-Pump |
| 0:00 | 3253-6 | 4 | Washer-Lock |
| 0:00 | 324-7 | 4 | Screw-HH |
| 13 | 106-7650 | 1 | HYD Pump ASM |
| 14 | 66-9300 | 2 | Screw-HHF |
| 15 | 99-3017 | 1 | Fitting |
| 15:01 | 237-81 | 1 | O-Ring |
| 16 | 131-0573 | 1 | Fitting-STR |
| 16:01 | 237-80 | 1 | O-Ring |
| 17 | 112-0211 | 2 | Strainer Fitting ASM |
| 17:01 | 237-146 | 1 | O-Ring |
| 18 | 131-0585 | 2 | Hose-Suction, Formed |
| 19 | 2412-34 | 4 | Clamp-Hose |
| 20 | 340-4 | 1 | Fitting-Straight |
| 20:01 | 237-30 | 1 | O-Ring |
| 20:02 | 237-79 | 1 | O-Ring |
| 21 | 340-7 | 1 | Fitting-Straight |
| 21:01 | 237-65 | 1 | O-Ring |
| 21:02 | 237-80 | 1 | O-Ring |
| 22 | 114-1356 | 1 | HYD Tube ASM |
| 22:01 | 237-30 | 1 | O-Ring |
| 23 | 114-1355 | 1 | HYD Tube ASM |
| 23:01 | 237-65 | 1 | O-Ring |
| 24 | 340-127 | 1 | Nut-Bulkhead |
| 25 | 340-74 | 1 | Nut-Lock, Bulkhead |
| 26 | 354-120 | 1 | Fitting-Elbow, 90 |
| 26:01:00 | 237-79 | 1 | O-Ring |
| 27 | 98-4667 | 1 | Hose |
| 28 | 2412-36 | 2 | Clamp-Hose |
| 29 | 2412-4 | 1 | Clamp-R |
| 30 | 3296-39 | 1 | Nut-Lock, NI |
| 31 | 3234-42 | 1 | Screw-HHF |
| 32 | 92-8020 | 1 | Adapter-Breather |
| 33 | 68-6150 | 1 | Breather |
Hydraulic Pump Assembly No. 106-7650

| Ref. | Part Number | Qty | Description |
| 1 | 100-4238 | 1 | Key-Square |
| 2 | 107-9316 | 1 | Seal Kit |
| 2:01 | 1 | Seal-Shaft ● | |
| 2:02 | 1 | Seal-Square ● | |
| 2:03 | 2 | Ring-Backup ● | |
| 2:04 | 2 | Seal-Gear ● | |
| 2:05 | 2 | Ring-Backup ● | |
| 2:06 | 2 | Seal-Gear-Rear ● | |
| 2:07 | 1 | O-Ring ● |
Traction Hydraulic Assembly

| Ref. | Part Number | Qty. | Description |
| 1 | 106-5706 | 1 | RH HYD Pump ASM |
| 2 | 106-5705 | 1 | LH HYD Pump ASM |
| 3 | 325-6 | 4 | Screw-HH |
| 4 | 32128-52 | 4 | Nut-Lock, Flange |
| 5 | 114-1756 | 2 | HYD Motor ASM |
| 6 | 3253-7 | 8 | Washer-Lock |
| 7 | 115-4845 | 4 | Screw-HH, TAP |
| 8 | 325-19 | 4 | Screw-HH |
| 9 | 98-2763-03 | 2 | Plate-Mounting |
| 10 | 340-7 | 4 | Fitting-Straight |
| 10:01 | 237-65 | 1 | O-Ring |
| 10:02 | 237-80 | 1 | O-Ring |
| 11 | 115-4829 | 1 | Hose-HYD |
| 12 | 115-4826 | 1 | Hose-HYD |
| 13 | 98-0233 | 2 | Hose-HYD |
| 14 | 340-155 | 2 | Fitting-Straight |
| 14:01 | 237-79 | 1 | O-Ring |
| 14:02 | 237-151 | 1 | O-Ring |
| 15 | 99-6160 | 2 | Fitting-Elbow, 90 Long |
| 15:01 | 237-30 | 1 | O-Ring |
| 15:02 | 237-79 | 1 | O-Ring |
| 16 | 104-3795 | 1 | Fitting-Tee |
| 16:01 | 340-65 | 2 | O-Ring |
| 16:02 | 237-146 | 1 | O-Ring |
| 17 | 105-0226 | 1 | Tube-HYD |
| 18 | 99-6161 | 1 | HYD Check Valve ASM |
| 18:01 | 237-58 | 2 | O-Ring |
| 19 | 340-98 | 2 | Fitting-Elbow, 90 DEG |
| 19:01 | 237-79 | 1 | O-Ring |
| 19:02 | 237-30 | 1 | O-Ring |
| 20 | 340-109 | 1 | Fitting-Tee |
| 20:01 | 237-79 | 1 | O-Ring |
| 20:02 | 237-30 | 2 | O-Ring |
| 21 | 98-0200 | 1 | Tube-HYD |
| 22 | 340-101 | 1 | Fitting-HYD, 45 DEG |
| 22:01 | 237-30 | 1 | O-Ring |
| 22:02 | 237-79 | 1 | O-Ring |
| 23 | 98-0201 | 1 | Hose-HYD |
| 24 | 340-157 | 1 | Fitting-HYD, Tee |
| 24:01:00 | 237-79 | 1 | O-Ring |
| 24:02:00 | 237-30 | 2 | O-Ring |
| 25 | 106-9330 | 1 | Tube-HYD |
| 26 | 108-4665 | 1 | HYD Tube ASM |
| 26:01:00 | 237-30 | 1 | O-Ring |
| 27 | 108-4666 | 1 | Tube-HYD |
| 28 | 3334-945 | 1 | Tie-Cable |
| 29 | 117-3988 | 1 | Tube-HYD |
| 30 | 340-14 | 1 | Fitting-HYD, 45 DEG |
| 30:01:00 | 237-65 | 1 | O-Ring |
| 30:02:00 | 237-80 | 1 | O-Ring |
Hydraulic Pump Assembly No. 106-5705 and 106-5706

| Ref. | Part Number | Qty. | Description |
| 1 | 100-6110 | 1 | Overhaul Seal Kit |
| 2 | 94-1913 | 1 | Cylinder Block ASM |
| 3 | 100-6112 | 1 | Plate-Valve |
Hydraulic Motor Assembly No. 114-1756

| Ref. | Part Number | Qty | Description |
| 1 | 100-6110 | 1 | Overhaul Seal Kit |
| 2 | 94-1913 | 1 | Cylinder Block ASM |
| 3 | 100-6112 | 1 | Plate-Valve |
| 4 | 120-5393 | 1 | Motor Housing ASM |
Main Hydraulic Assembly

| Ref. | Part Number | Qty. | Description |
| 1 | 104-2831 | 1 | 1 Spool Valve ASM |
| 2 | 322-11 | 2 | Screw-HH |
| 3 | 3296-29 | 2 | Nut-Lock, NI |
| 4 | 237-42 | 1 | O-Ring |
| 5 | 72-4310 | 1 | Switch-Ball |
| 6 | 340-4 | 4 | Fitting-Straight |
| 6:01 | 237-30 | 1 | O-Ring |
| 6:02 | 237-79 | 1 | O-Ring |
| 7 | 340-153 | 2 | Fitting-Elbow, 90 DEG |
| 7:01 | 237-79 | 1 | O-Ring |
| 7:02 | 237-151 | 1 | O-Ring |
| 8 | 104-5707 | 1 | Tube-HYD |
| 9 | 106-9309 | 1 | Tube-HYD |
| 10 | 340-161 | 2 | Fitting-Bulkhead |
| 10:01 | 237-30 | 2 | O-Ring |
| 10:02 | 340-127 | 1 | Nut-Bulkhead |
| 11 | 106-9310 | 1 | Tube-HYD |
| 12 | 106-9311 | 1 | Tube-HYD |
| 13 | 144-7354 | 1 | 2 Spool Valve ASM |
| 14 | 3253-4 | 3 | Washer-Lock |
| 15 | 322-4 | 3 | Screw-HH |
| 16 | 51-2070 | 1 | Nut |
| 17 | 108-4675 | 1 | Shaft-Handle, Loader |
| 18 | 233-21 | 1 | Knob |
| 19 | 340-2 | 4 | Fitting-Straight |
| 19:01 | 237-22 | 1 | O-Ring |
| 19:02 | 237-42 | 1 | O-Ring |
| 20 | 340-71 | 4 | Fitting-Straight, Bulkhead |
| 20:01 | 237-22 | 2 | O-Ring |
| 21 | 340-68 | 2 | Fitting-Tee, Bulkhead |
| 21:01 | 237-22 | 3 | O-Ring |
| 22 | 340-70 | 6 | Nut-Lock |
| 23 | 106-9312 | 1 | Tube-HYD |
| 24 | 106-9313 | 1 | Tube-HYD |
| 25 | 106-9314 | 1 | Tube-HYD |
| 26 | 106-9315 | 1 | Tube-HYD |
| 27 | 106-9385 | 1 | Tube-HYD |
| 28 | 106-9387 | 1 | HYD Tube ASM |
| 28:01 | 237-22 | 1 | O-Ring |
| 29 | 92-5821 | 1 | Head-Filter |
| 30 | 3253-3 | 2 | Washer-Lock |
| 31 | 321-4 | 2 | Screw-HH |
| 32 | 86-3010 | 2 | Filter-Oil |
| 33 | 100-4240 | 1 | Fitting-STR |
| 33:01 | 237-30 | 1 | O-Ring |
| 33:02 | 237-81 | 1 | O-Ring |
| 34 | 340-131 | 1 | Fitting-HYD, 90 DEG |
| 34:01 | 237-30 | 1 | O-Ring |
| 34:02 | 237-81 | 1 | O-Ring |
| 35 | 106-9316 | 1 | Tube-HYD |
| 36 | 106-9317 | 1 | Tube-HYD |
| 37 | 86-5480 | 1 | Nipple-Test |
| 38 | 354-79 | 1 | Cap-Dust |
| 39 | 33114-035 | 1 | Screw-HH |
| 40 | 104-2827 | 1 | Spacer-Hiflo |
| 41 | 112-2739 | 1 | Lever-Auxiliary |
| 42 | 3256-16 | 1 | Washer-Flat |
| 43 | 3296-42 | 1 | Nut-Lock, NI |
| 44 | 112-2738 | 1 | Spring-Torsion |
| 45 | 112-2605 | 1 | Grip-Rubber |
| 46 | 340-14 | 1 | Fitting-HYD, 45 DEG |
| 46:01 | 237-65 | 1 | O-Ring |
| 46:02 | 237-80 | 1 | O-Ring |
| 47 | 340-74 | 1 | Nut-Lock, Bulkhead |
| 48 | 106-9333 | 1 | HYD Tube ASM |
| 48:01 | 237-65 | 1 | O-Ring |
One Spool Valve Assembly No. 104-2831

| Ref. | Part Number | Qty | Description |
| 1 | 99-4390 | 1 | Seal Kit |
| 1:01 | 99-3074 | 4 | Gasket |
| 1:02 | 99-3075 | 8 | Gasket |
Two Spool Valve Assembly No. 144-7354

| Ref. | Part Number | Qty. | Description |
| 1 | 106-7724 | 1 | Joystick Kit |
| 1:01 | 98-0668 | 3 | Nut |
| 1:02 | 106-7726 | 1 | Pivot-Joystick |
| 1:03 | 106-7727 | 1 | Pin-Joystick |
| 1:04 | 106-7728 | 1 | End-Rod |
| 1:05 | 42-9850 | 3 | Washer-Lock, Spring |
| 1:06 | 98-5828 | 3 | Screw-HSH |
| 1:07 | 106-7729 | 1 | Bellow-Rubber |
| 1:08 | 3290-379 | 1 | Tie-Cable |
| 1:09 | 106-7730 | 2 | Joint-Joystick |
| 1:10 | 106-7731 | 1 | Holder-Articulated |
| 2 | 106-7725 | 1 | Seal-Joystick |
| 13 | 106-7732 | 1 | Valve Spring Kit |
| 14 | 106-7733 | 1 | Detent Spring Kit |
| 15 | 106-7734 | 2 | Valve-Relief |
| 16 | 106-7735 | 1 | Valve-Relief, Main |
| 17 | 106-7736 | 1 | Spool-Valve |
| 18 | 144-7350 | 1 | Spool – Valve |
| 19 | 106-7738 | 2 | Seal-Valve, Spool |
| 20 | 106-7719 | 2 | Seal-Valve |
| 21 | 353-988 | 3 | Plug-Hex |
| 21:01 | 237-79 | 1 | O-Ring |
Hydraulic Pump Pulley Assembly

| Ref. | Part Number | Qty. | Description |
| 1 | Mar-68 | 2 | Key |
| 2 | 106-5710 | 2 | Pulley-3V |
| 3 | 95-3611 | 1 | V-Belt |
| 4 | 3256-25 | 2 | Washer-Flat |
| 5 | 3296-38 | 2 | Nut-Lock, NI |
| 6 | 115-1485 | 2 | Washer-Plain |
| 7 | 114-0463 | 2 | Washer-Friction, Composite |
| 8 | 115-4986 | 1 | Spacer |
| 9 | 115-1486 | 1 | Arm-Idler |
| 10 | 323-9 | 1 | Screw-HH |
| 11 | 104-8301 | 2 | Nut-HF, NI |
| 12 | 117-9971 | 1 | Bolt-Carriage |
| 13 | 119-2358 | 1 | Pulley-Idler |
| 14 | 43-0940 | 1 | Spacer |
| 15 | 105-0383 | 1 | Spring-Extension |
| 16 | 112-2409 | 1 | Retainer-Spring |
Track and Traction Assembly

| Ref. | Part Number | Qty | Description |
| 1 | 117-1308-0P | 2 | Guide-Track, Tx Wide |
| 2 | 3253-7 | 8 | Washer-Lock |
| 3 | 325-5 | 8 | Screw-HH |
| 4 | 138-0782 | 20 | Road Wheel ASM |
| 4:02 | 120-5378 | 1 | Bearing-Ball |
| 4:03 | 253-118 | 1 | Seal-Oil |
| 5 | 106-7585 | 20 | Gasket-Bogie |
| 6 | 327-4 | 20 | Screw-HH |
| 7 | 106-7557 | 20 | Cap-Wheel, Bearing |
| 8 | 106-7595 | 20 | Ring-Snap, Internal |
| 9 | 115-0721-03 | 2 | Wheel-Drive |
| 10 | 98-9846 | 2 | Bolt-Tensioner |
| 11 | 321-37 | 2 | Screw-HH |
| 12 | 98-4799 | 2 | Spacer |
| 13 | 32128-32 | 2 | Nut-HHF |
| 14 | 115-0717-03 | 2 | Arm-Tensioner |
| 15 | 108-4664 | 2 | Block-Tensioner |
| 16 | 95-3624 | 2 | Spring-Compression |
| 17 | 115-0722 | 8 | Washer-Plain |
| 18 | 138-0783 | 4 | Tensioner Wheel ASM |
| 18:02 | 104-6129 | 2 | Bearing-Ball |
| 19 | 104-2024 | 4 | Nut-Hex, NI |
| 20 | 136-5848 | 2 | Track |
| 21 | 107-9319 | 2 | Nut-Hex |
| 22 | 3253-21 | 6 | Washer-Lock |
| 23 | 323-34 | 6 | Screw-HH |
Control Panel Assembly

| Ref. | Part Number | Qty. | Description |
| 1 | 112-2786-03 | 1 | Plate-Reverse |
| 2 | 98-8425 | 1 | Spring-Torsion, LH |
| 3 | 323-11 | 2 | Screw-HH |
| 4 | 105-1217 | 1 | Decal |
| 5 | 98-8424 | 1 | Spring-Torsion, RH |
| 6 | 66-0560 | 1 | Bolt-Shoulder |
| 7 | 32128-32 | 4 | Nut-HHF |
| 8 | 71-2870 | 2 | Bolt-Eye |
| 9 | 108-4724 | 1 | Spring-Extension |
| 10 | 100-4203 | 1 | Neutral Centering Lever ASM |
| 10:02 | 256-156 | 2 | Bushing-Flange |
| 11 | 323-7 | 5 | Screw-HH |
| 12 | 3296-39 | 7 | Nut-Lock, NI |
| 13 | 110-0228-01 | 1 | Panel-Control |
| 14 | 3229-1 | 2 | Screw-CARR |
| 15 | 3296-6 | 1 | Nut-Lock |
| 16 | 3229-20 | 2 | Screw-CARR |
| 17 | 100-1263 | 1 | Plate-Switch |
| 18 | 100-1270 | 1 | Switch-Proximity |
| 19 | 3256-51 | 2 | Washer-Flat |
| 20 | 32149-7 | 2 | Nut-Keps |
| 21 | 32149-2 | 2 | Nut-Keps |
| 22 | 3256-22 | 4 | Washer-Flat |
| 23 | 114-1337 | 2 | Spacer-Spring |
| 24 | 256-257 | 2 | Bushing-Cylinder |
| 25 | 3256-24 | 2 | Washer-Flat |
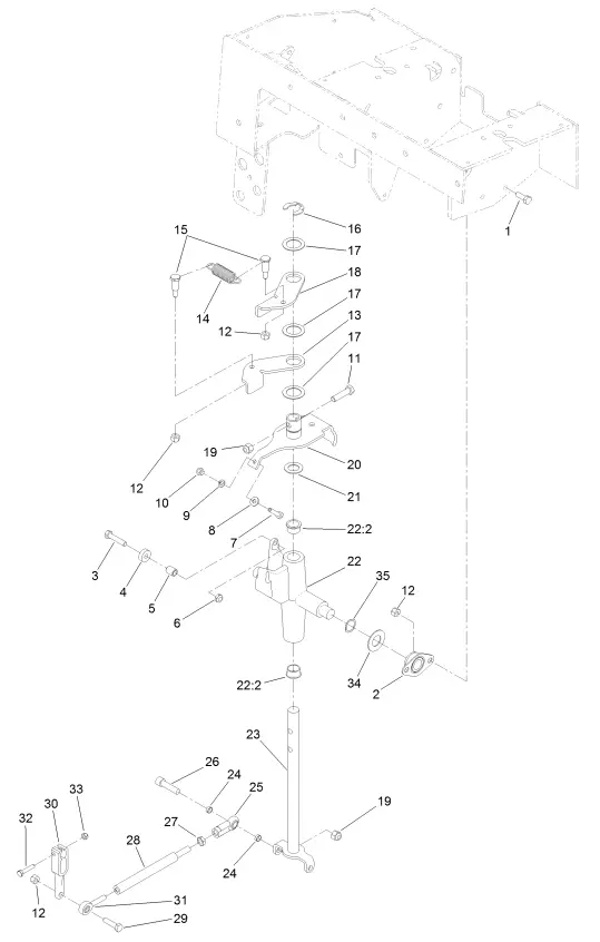
Traction Control Assembly

| Ref. | Part Number | Qty. | Description |
| 1 | 322-4 | 4 | Screw-HH |
| 2 | 27-2320 | 2 | Bearing |
| 3 | 322-7 | 1 | Screw-HH |
| 4 | 251-259 | 1 | Bearing-Ball |
| 5 | 88-7450 | 1 | Spacer-Lever, Control |
| 6 | 3296-47 | 1 | Nut-Lock,NI |
| 7 | 114-0282 | 1 | Screw-HH |
| 8 | 3256-22 | 1 | Washer-Flat |
| 9 | 3253-3 | 1 | Washer-Lock |
| 10 | 3217-5 | 1 | Nut-Hex |
| 11 | 323-8 | 1 | Screw-HH |
| 12 | 3296-29 | 8 | Nut-Lock, NI |
| 13 | 98-8407 | 1 | Lever-Return, RH |
| 14 | 108-4724 | 1 | Spring-Extension |
| 15 | 63-2650 | 2 | Screw-Shoulder |
| 16 | 32151-91 | 1 | Ring-Retaining |
| 17 | 108-9743 | 3 | Washer-Plain |
| 18 | 98-8408 | 1 | Lever-Return, LH |
| 19 | 3296-39 | 3 | Nut-Lock, NI |
| 20 | 112-2783 | 1 | Lever-Pivot |
| 21 | 257-8 | 1 | Washer-Thrust |
| 22 | 106-5737 | 1 | Control Support ASM |
| 22:02 | 256-252 | 2 | Bearing-Flange |
| 23 | 117-6335 | 1 | Rod-Drive |
| 24 | 117-9915 | 4 | Spacer |
| 25 | 103-1167 | 2 | Joint-Ball End, LH |
| 26 | 3274-2 | 2 | Screw-HSH |
| 27 | 3220-16 | 2 | Nut-Hex Jam, LH |
| 28 | 117-9900 | 2 | Rod-Linkage |
| 29 | 322-6 | 2 | Screw-HH |
| 30 | 117-3964-03 | 2 | Arm-Control, Pump |
| 31 | 117-9969 | 2 | Bearing-Rod End, RH |
| 32 | 33113-030 | 2 | Screw-HH |
| 33 | 33023-00 | 2 | Nut-Lock |
| 34 | 3256-39 | 2 | Washer-Flat |
| 35 | 95-3703 | 2 | Washer-Spring, Wave |
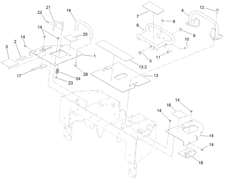
Control Handle and Reference Bar Assembly

| Ref. | Part Number | Qty. | Description |
| 1 | 115-4836-01 | 1 | Panel-RH |
| 2 | 115-4859 | 1 | Decal-Brake |
| 3 | 115-4857 | 1 | Decal-Control, Loader |
| 4 | 106-7715 | 1 | Bar-Reference |
| 5 | 3234-18 | 1 | Screw-HHF |
| 6 | 120-5380-03 | 1 | Handle-Control |
| 7 | 115-4020 | 1 | Decal-Traction |
| 8 | 98-1459 | 1 | Decal |
| 9 | 32128-43 | 1 | Nut-Flange |
| 10 | 3247-6 | 2 | Screw-Set |
| 11 | 3218-3 | 2 | Nut-Jam |
| 12 | 95-1726 | 4 | Screw-Taptite |
| 13 | 108-4643 | 1 | Center Panel ASM |
| 13:02 | 115-4860 | 1 | Decal-Danger |
| 14 | 9266714 | 11 | Screw-HWH |
| 15 | 112-2737-01 | 1 | Panel-LH |
| 16 | 115-4861 | 1 | Decal-Control, Auxiliary |
| 17 | 112-2691 | 1 | Plate-Locking, Brake |
| 18 | 112-2749-01 | 1 | Plate-Stop |
| 19 | 112-2620 | 1 | Bar-Reference |
| 21 | 115-4580 | 1 | Rod-Interlock |
| 22 | 3290-307 | 1 | Pin-Cotter |
| 23 | 88-7200 | 1 | Washer-Flat |
| 24 | 85-6750 | 1 | Spring-Control |
| 25 | 115-4862 | 1 | Decal-Loader Lock |
| 26 | 3234-5 | 2 | Screw-HHF |
Brake Handle and Bracket Assembly

| Ref. | Part Number | Qty | Description |
| 1 | 233-21 | 1 | Knob |
| 2 | 112-2694-03 | 1 | Handle-Brake |
| 3 | 3290-307 | 1 | Pin-Cotter |
| 4 | 283-67 | 1 | Pin-Clevis |
| 5 | 100-6274 | 2 | Tube-Guide |
| 6 | 3245-20 | 2 | Screw-HSH |
| 7 | 100-1678 | 1 | Spring |
| 8 | 321-6 | 4 | Screw-HH |
| 9 | 112-2789-0P | 1 | Bar-Link, Brake R.H. |
| 10 | 112-2735-0P | 2 | Plate-Brake |
| 11 | 3296-42 | 4 | Nut-Lock, NI |
| 12 | 112-2791 | 1 | Cable-Brake |
| 13 | 3296-39 | 2 | Nut-Lock, NI |
| 14 | 112-2695 | 1 | Spring-Leaf |
| 15 | 94-6177 | 1 | Bolt-Shoulder |
| 16 | 93-2368 | 1 | Bushing-Flange |
| 17 | 115-4854-03 | 1 | Bracket-Cable, Spring |
| 18 | 114-1254 | 1 | Spring-Compression |
| 19 | 114-1255 | 1 | Spacer-Spring |
| 20 | 323-39 | 1 | Screw-HH |
| 21 | 98-0691 | 1 | Washer-Hardened |
| 22 | 112-2788-0P | 1 | Bracket-Mounting, Brake R.H. |
| 23 | 112-2733-0P | 1 | Bracket-Mounting, Brake L.H. |
| 24 | 112-2734-0P | 1 | Bar-Link, Brake L.H. |
| 25 | 110-0224-0P | 1 | Support-Bar, Brake |
| 26 | 32104-32 | 4 | Screw-HWH |
| 27 | 3234-11 | 2 | Screw-HHF |
Wire Harness, Temperature Sensor and Shield Assembly

| Ref. | Part Number | Qty | Description |
| 1 | 117-1735-03 | 1 | Bracket-Fuse/Relay |
| 2 | 32144-11 | 4 | Screw-HWH |
| 3 | 100-6117-03 | 1 | Shield-Wiring |
| 4 | 98-2765 | 1 | Switch-Temperature |
| 4:01 | 237-79 | 1 | O-Ring |
| 5 | 3290-381 | 3 | Tie-Cable |
| 6 | 117-1732 | 1 | Harness-Wire |
| 6:01 | 109103 | 1 | Fuse-Blade, 30 Amp |
| 6:02 | 109102 | 1 | Fuse-Blade, 25 Amp |
| 6:03 | 218-578 | 1 | Fuse-Blade, 10 Amp |
| 6:04 | 109355 | 2 | Fuse-Blade, 15 Amp |
| 6:05 | 116-0053 | 1 | Cap-Plug |
| 7 | 32104-4 | 2 | Screw |
| 8 | 104-2065 | 4 | Screw-HWH |
| 9 | 98-7249 | 2 | Relay |
| 10 | 3255-8 | 1 | Washer-Lock |
| 11 | 33104-016 | 1 | Screw-HHF |
| 12 | 99-7422 | 1 | Module-Delay, Ignition |
| 13 | 80-9330 | 1 | Audio Alarm ASM |
| 13:01 | 104-5107 | 1 | Nut-Plastic, Knurled |
Battery, Key Switch and Fuel Gauge Assembly

| Ref. | Part Number | Qty | Description |
| 1 | 88-9830 | 1 | Key Switch ASM |
| 1:01 | 3254-5 | 1 | Washer-Lock |
| 1:02 | 218-461 | 1 | Nut-HH |
| 2 | 63-8360 | 3 | Key-Ignition |
| 3 | 104-7427 | 1 | Inductive Hourmeter ASM |
| 3:01 | 104-4234 | 1 | Clip-Mounting |
| 4 | 104-2839 | 1 | Light-Temp, Oil |
| 5 | 66-2940 | 1 | Gauge-Fuel |
| 5:01 | 100-6147 | 1 | Bracket-Mounting, Gauge |
| 5:02 | 3254-1 | 2 | Washer-Lock, Int |
| 5:03 | 3217-27 | 2 | Nut-Hex |
| 5:04 | 3255-24 | 3 | Washer-Lock / EXT |
| 5:05 | 3217-16 | 3 | Nut-Hex |
| 6 | 106-9390-03 | 1 | Tray-Mounting, Battery |
| 7 | 32144-69 | 2 | Screw-HWHTF |
| 8 | 323-6 | 2 | Screw-HH |
| 9 | 3296-39 | 2 | Nut-Lock, NI |
| 10 | 104-9979 | 1 | Battery |
| 11 | 105-0371-03 | 1 | Clamp-Battery |
| 12 | 322-3 | 2 | Screw-HH |
| 13 | 3296-29 | 2 | Nut-Lock, NI |
| 14 | 106-5708 | 1 | Cable-Battery, Negative |
| 15 | 106-5707 | 1 | Cable-Battery, Positive |
Loader Arm Assembly

| Ref. | Part Number | Qty. | Description |
| 0:00 | 104-2849 | 7 | Pin-Locking |
| 2 | 322-10 | 7 | Screw-HH |
| 3 | 3296-29 | 7 | Nut-Lock, NI |
| 0:00 | 108-4638 | 1 | Loader Arm ASM |
| 4:02 | 302-5 | 2 | Fitting-Grease |
| 4:03 | 95-3577 | 4 | Bushing |
| 4:04 | 98-4871 | 2 | Bushing-Tension |
| 4:05 | 100-8821 | 4 | Decal-Warning, Pinch |
| 4:07 | 115-4855 | 1 | Decal-Caution |
| 4:08 | 100-8822 | 1 | Decal-No Rider |
| 5 | 108-4639 | 1 | Locking Arm ASM |
| 5:02 | 115-4858 | 2 | Decal-Danger |
| 6 | 98-0083 | 1 | Stop-Rubber |
| 7 | 95-1687 | 4 | Rivet |
| 8 | 100-1663 | 1 | Pin-Hitch |
| 9 | 68-1440 | 2 | Washer-Rubber |
| 10 | 325-14 | 1 | Screw-HH |
| 11 | 3296-23 | 1 | Nut-Lock, NI |
| 12 | 105-1217 | 2 | Decal |
| 13 | 115-4867 | 2 | Decal |
Loader Arm Hydraulic Assembly

| Ref. | Part Number | Qty. | Description |
| 1 | 139-0778 | 1 | HYD CYL ASM |
| 2 | 139-0776 | 1 | LH HYD CYL ASM |
| 3 | 139-0777 | 1 | RH HYD CYL ASM |
| 4 | 340-2 | 6 | Fitting-Straight |
| 4:01 | 237-22 | 1 | O-Ring |
| 4:02 | 237-42 | 1 | O-Ring |
| 5 | 340-154 | 2 | Union-Bulkhead |
| 5:01 | 237-22 | 2 | O-Ring |
| 6 | 340-70 | 2 | Nut-Lock |
| 7 | 106-9364 | 1 | HYD Tube ASM |
| 7:01 | 237-22 | 1 | O-Ring |
| 8 | 106-9365 | 1 | HYD Tube ASM |
| 8:01 | 237-22 | 1 | O-Ring |
| 9 | 56-7973 | 2 | Clamp-Tube |
| 10 | 3256-2 | 1 | Washer-Flat |
| 11 | 3253-3 | 1 | Washer-Lock |
| 12 | 94-2691 | 3 | Screw-HWH |
| 13 | 105-8394 | 1 | Bulkhead Coupler ASM |
| 13:01 | 237-65 | 1 | O-Ring |
| 14 | 105-8395 | 1 | Bulkhead Nipple ASM |
| 14:01 | 237-65 | 1 | O-Ring |
| 14:02 | 100-6120 | 1 | Seal Kit ● |
| 15 | 100-8816 | 1 | Cap-Dust, Coupler |
| 16 | 100-8815 | 1 | Cap-Dust, Nipple |
| 17 | 340-74 | 2 | Nut-Lock, Bulkhead |
| 18 | 98-0242 | 2 | Hose-HYD |
| 19 | 112-2563 | 1 | HYD Tube ASM |
| 19:01 | 237-30 | 1 | O-Ring |
| 20 | 108-6319 | 1 | HYD Tube ASM |
| 20:01 | 237-30 | 1 | O-Ring |
| 21 | 106-9366 | 1 | Spacer-Hardline |
| 22 | 98-0237 | 2 | Plate-Clamp, Tube |
| 23 | 112-2565 | 1 | Plate-Hardline |
| 24 | 98-0216 | 4 | Hose-HYD |
| 25 | 100-6128 | 1 | Sleeve-Protective |
| 26 | 3290-378 | 2 | Tie-Cable |
| 27 | 98-0213 | 2 | Hose-HYD |
| 28 | 100-6127 | 1 | Sleeve-Protective |
| 29 | 98-0207 | 2 | Hose-HYD |
Hydraulic Cylinder Assembly No. 139-0778

| Ref. | Part Number | Qty | Description |
| 1 | 139-0808 | 1 | Seal Kit |
Hydraulic Cylinder Assembly No. 139-0777

| Ref. | Part Number | Qty | Description |
| 1 | 139-0807 | 1 | Seal Kit |
Hydraulic Cylinder Assembly No. 139-0776

| Ref. | Part Number | Qty | Description |
| 1 | 139-0807 | 1 | Seal Kit |
Quick Attach Assembly

| Ref. | Part Number | Qty | Description |
| 1 | 132-8418 | 1 | Quick Attach ASM |
| 1:01 | 130-7708-03 | 1 | Mount-Quach |
| 1:02 | 105-0246 | 2 | Cam |
| 1:03 | 98-4694 | 2 | Spring-Compression |
| 1:04 | 104-5909 | 1 | Stop-RH |
| 1:05 | 104-5903 | 1 | Stop-LH |
| 1:06 | 132-8419 | 2 | Pin-Locking |
| 1:07 | 3285-1 | 2 | Pin-Grooved |
| 1:08 | 302-5 | 2 | Fitting-Grease |
| 1:09 | 98-4871 | 1 | Bushing-Tension |
| 2 | 130-5222 | 3 | Pin-Pivot |
| 3 | 302-5 | 3 | Fitting-Grease |
| 4 | 99-5105 | 3 | Screw-Shoulder |
Heat Exchanger Assembly

| Ref. | Part Number | Qty. | Description |
| 1 | 120-5360-03 | 1 | Bracket-Mounting, Cooler |
| 2 | 3234-42 | 4 | Screw-HHF |
| 3 | 3296-39 | 4 | Nut-Lock, NI |
| 4 | 94-9566 | 2 | Pad-Footrest |
| 5 | 104-2803 | 2 | Support-Cooler |
| 6 | 104-2816 | 2 | Pad-Support |
| 7 | 105-0352 | 1 | Exchanger-Heat |
| 8 | 115-0798-03 | 1 | Deflector-Cooler |
| 9 | 321-4 | 7 | Screw-HH |
| 10 | 3296-42 | 7 | Nut-Lock, NI |
Hood and Fan Assembly

| Ref. | Part Number | Qty. | Description |
| 1 | 9114604 | 14 | Screw-Head, Truss |
| 2 | 100-1284 | 1 | Hinge-Hood |
| 3 | 32128-33 | 6 | Nut-HF |
| 4 | 114-1363 | 1 | Hood |
| 5 | 3296-42 | 22 | Nut-Lock, NI |
| 6 | 2412-91 | 2 | Clamp |
| 7 | 114-8715-03 | 1 | Bracket-Fan, Back |
| 8 | 114-8714-03 | 1 | Bracket-Fan, Back |
| 9 | 104-2809 | 1 | Fan |
| 10 | 321-4 | 12 | Screw-HH |
| 11 | 115-4849-03 | 1 | Bracket-Support, Hood |
| 12 | 240-5 | 1 | Grommet |
| 13 | 114-8711-03 | 1 | Shroud-Fan |
| 14 | 114-8712-03 | 1 | Shroud-Fan, Front |
| 15 | 3256-22 | 2 | Washer-Flat |
| 16 | 139-8818 | 1 | Decal-Service Tx427 De |
| 16 | 139-8823 | 1 | Decal-Service Tx427 ES |
| 16 | 139-8827 | 1 | Decal-Service Tx427 Fr |
| 16 | 139-8832 | 1 | Decal-Service Tx427 It |
| 16 | 139-8837 | 1 | Decal-Service Tx427 Ne |
| 16 | 139-8842 | 1 | Decal-Service Tx427 Pl |
| 16 | 139-8847 | 1 | Decal-Service Tx427 Ru |
| 16 | 139-8852 | 1 | Decal-Service Tx427 Sk |
| 17 | 117-1725-03 | 1 | Latch-Rod |
| 18 | 322-3 | 4 | Screw-HH |
| 19 | 3296-29 | 4 | Nut-Lock, NI |
| 20 | 106-9308 | 2 | Spacer |
| 21 | 1-523420 | 2 | Bumper |
| 22 | 121-4605 | 2 | Washer-Spring |
| 23 | 3272-6 | 1 | Pin-Cotter |
| 24 | 106-2584 | 1 | Spring-Torsion |
| 25 | 106-2554 | 1 | Rod-Support, Hood |
Attachments and Accessories
For 22322 TX 427 Wide Track Compact Tool Carrier
Product Name…………………………………………………..Model/Part
Kit Road Wheel, 5-pack ………………………………………………. 144-7395
4 Cubic Foot Standard Bucket …………………………………………… 22409
Loose Materials Bucket ……………………………………………………. 22410
Narrow Bucket ………………………………………………………………… 22520
Adjustable Forks……………………………………………………………….. 22341
Multi-Purpose Tool…………………………………………………………… 22423
Crumber Kit ……………………………………………………………………..22464
Tree Forks ………………………………………………………………………22438
Trench Filler………………………………………………………………….. 22472
Leveler…………………………………………………………………………..23165
48in Hydraulic Blade……………………………………………………….. 22414
Concrete Breaker …………………………………………………………….23135
Cement Bowl ………………………………………………………………… 22442
Backhoe………………………………………………………………………..23163
Stump Grinder ……………………………………………………………22429
Backhoe Fitup Kit…………………………………………………………23162
40in Tiller …………………………………………………………………….. 22445
Soil Cultivator ……………………………………………………………….. 23102
Direct Drive Power Box Rake ………………………………………. 22426
Vibratory Plow ……………………………………………………………….22911
Bore Drive Head …………………………………………………………….22420
Rod and Reamer ……………………………………………………………22421
Light Kit ASM ………………………………………………………..144-7101
TX Platform…………………………………………………………………. 22475
Road Wheel Kit………………………………………………………………106-7620
Reference Guide Kit ……………………………………………………107-9310
Spark Arrestor Screen ………………………………………………..75-6880
Track-Aggressive Tread, Wide …………………………………………… 108-9749
50-Hour Filter Kit…………………………………………………………… 136-4774
200-Hour Filter Kit……………………………………………………..136-4775
Dingo 4-in-1 Bucket ……………………………………………………. 22478
Universal Swivel Auger Head ………………………………………..22806
Auger Head …………………………………………………………………….. 22805
Dingo Grapple Rake ……………………………………………………….. 22577
30in Auger Bit ……………………………………………………………………22816
High-Torque Trencher Head ………………………………………………. 22473
High-Speed Trencher Head ………………………………………………… 22474
Dingo Snow Thrower …………………………………………………………..22585
Kit-TX427/525 Snow Thrower Power………………………………….. 144-2512
18in Auger Bit ………………………………………………………………………… 22814
24in Auger Bit ……………………………………………………………………….. 22815
12in Auger Bit Extension ………………………………………………………..22818
24in Auger Bit Extension ……………………………………………………….. 22819
6in Full-Flight Auger Bit …………………………………………………………… 22820
9in Full-Flight Auger Bit ……………………………………………………….. 22821
12in Full-Flight Auger Bit……………………………………………………. 22822
15in Full-Flight Auger Bit……………………………………………….. 22823
Notes:…..

Count on it.
© 2021—The Toro® Company
8111 Lyndale Avenue South
Bloomington, MN 55420
Contact us at www.Toro.com.
Printed in the USA.
All Rights Reserved


















