TORO 74056TE 152cm Z Master 4000 Series Riding Mower

INSTALLATION
Ordering Replacement Parts
To order replacement parts, please supply the part number, the quantity, and the description of each part desired.
Understanding Reference Numbers
Each identified part in an illustration has a reference number. The reference number for a part also appears in the parts list, along with other information about the part. This catalog uses two special reference number formats, one to indicate parts in a service assembly and another to indicate the quantity of a given part in an illustration.
Service Assembly Reference Numbers
Parts in service assemblies have reference numbers in the form a:b. The a represents the reference number of theentire service assembly and the b represents a sequential number unique to each part within the service assembly. For example, a wheel assembly might be identified by reference number 6, the tire by 6:1, the valve by 6:2, and the wheel by 6:3. When you order the assembly identified by reference number 6, you receive all parts identified by reference numbers 6:1,6:2, and 6:3. However, you may also order any part individually. Reference numbers of this type appear in illustration and in parts lists.
Reference Numbers Indicating Quantity
In an illustration, if a reference number indicates more than one part, the reference number has the form nX y. The n represents the quantity of the part, the X is the multiplication symbol, and the y represents the reference number.For example, in an illustration, the reference number 2X 37 means that two of the parts identified by reference number 37 are indicated.
Assembly
Frame Assembly

| Ref. | Part Number | Qty. | Description | Ref. | Part Number | Qty. | Description | |
| 1 | 144-6590 | 1 | Frame Decal ASM | 14 | 3234-42 | 8 | Screw-HHF | |
| 1:1 | 1 | Frame-60 ● | 15 | 131-8834 | 2 | Bumper | ||
| 1:1:2 | 126-4363 | 2 | Decal-Warning | 17 | 138-9753 | 6 | Screw | |
| 1:1:4 | 144-2687 | 1 | Decal, Belt Routing | 25 | 140-4994-01 | 1 | Bracket-Light | |
| 2 | 139-8063 | 1 | ASM-ROPS | 28 | 140-4997-01 | 1 | Toeboard [red] | |
| 12 | 139-6717-01 | 1 | Plate-Hydro | 30 | 3296-42 | 2 | Nut-Lock, NI | |
| 13 | 109-6658 | 8 | Nut-Flange, NI |
Roll-Over Protection System Assembly No. 139-8063

| Ref. | Part Number | Qty. | Description | Ref. | Part Number | Qty. | Description | |
| 1 | 1 | Upper ROPS ASM ● | 4 | 126-9209 | 2 | Bolt-Shoulder | ||
| 1:2 | 107-3069 | 1 | Decal-Warning | 5 | 103-4553 | 2 | Pin-Fold, ROPS | |
| 2 | 1 | ASM-ROPS, RH | 6 | 99-5107 | 6 | Nut-Lock | ||
| Suspension [black] ● | 7 | 109-5337 | 2 | Bumper-ROPS | ||||
| 3 | 1 | ASM-ROPS, LH Suspension | 8 | 109-9505 | 4 | Washer-Spring | ||
| [black] ● | 9 | 325-13 | 4 | Screw-HH |
Hydraulic Drive Assembly

| Ref. | Part Number | Qty. | Description | Ref. | Part Number | Qty. | Description | |
| 1 | 145-3696 | 1 | LH Transaxle ASM W/Arm | 9 | 145-1949-03 | 2 | Guard-Clutch [black] | |
| 2 | 145-3695 | 1 | RH Transaxle ASM W/Arm | 12 | 144-6591-03 | 2 | Guard-Muffler, Te | |
| 3 | 3234-38 | 8 | Screw-HHF | 15 | 104-7201 | 2 | Nut-HF, NI | |
| 4 | 119-9908 | 1 | Hydraulic Reservoir ASM | 16 | 138-9753 | 8 | Screw | |
| 4:1 | 109-3320 | 1 | Cap-Reservoir, HYD | 18 | 140-7994 | 1 | Belt-V | |
| 5 | 3229-28 | 2 | Screw-CARR | 19 | 106-5517 | 2 | Decal-Warning | |
| 6 | 140-1225 | 1 | ASM-Hose, Hydraulic |
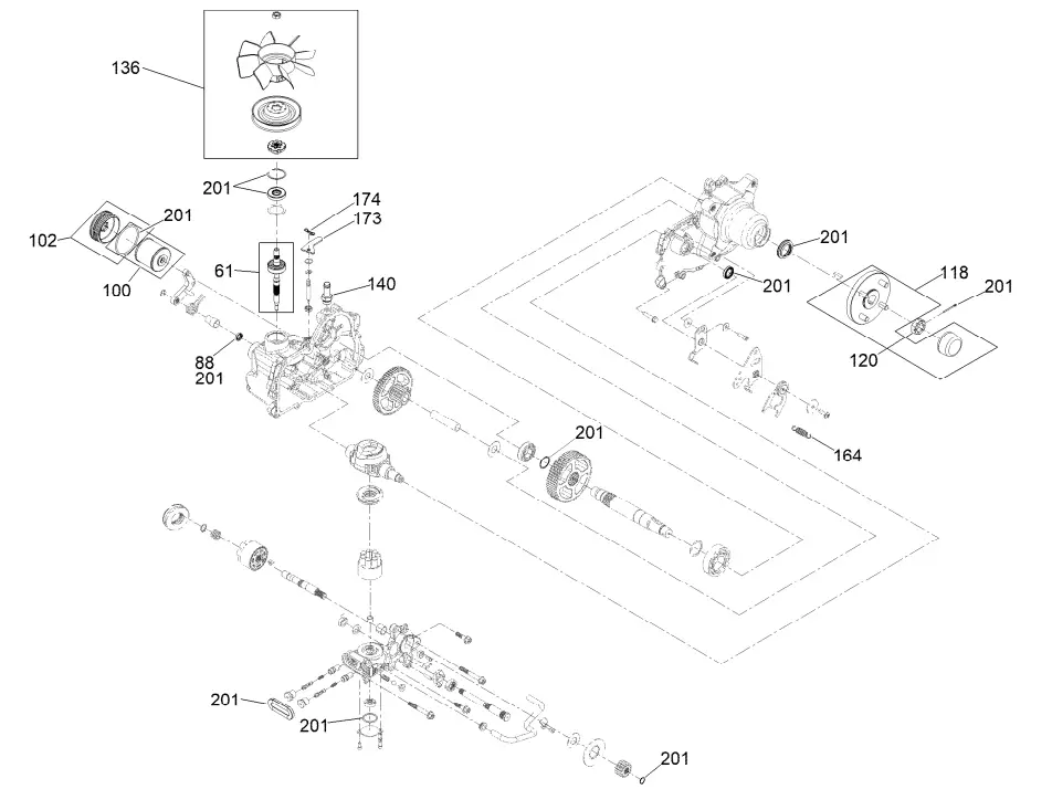
RH Transaxle Assembly No. 145-3695

| Ref. | Part Number | Qty. | Description | Ref. | Part Number | Qty. | Description | |
| 61 | 147-1671 | 1 | Kit, Input Shaft | 136 | 144-6597 | 1 | Kit, Fan And Pulley | |
| 88 | 145-3637 | 1 | Seal, Brake | 140 | 144-6601 | 1 | Fitting-5/8 Beaded, 7/8 SAE | |
| 100 | 144-6598 | 1 | Kit, Filter | 164 | 125-4684 | 1 | Spring-Extension | |
| 102 | 144-6599 | 1 | Kit, Filler Cap | 173 | 139-8091 | 1 | Plate-Lever, Bypass | |
| 118 | 144-6594 | 1 | Hub-4 Bolt | 174 | 119-1415 | 1 | Pin-Cotter, Locking | |
| 120 | 144-6595 | 1 | Nut, Slotted | 201 | 144-6600 | 1 | Kit, Seal |
LH Transaxle Assembly No. 145-3696

| Ref. | Part Number | Qty. | Description | Ref. | Part Number | Qty. | Description | |
| 61 | 147-1671 | 1 | Kit, Input Shaft | 136 | 144-6597 | 1 | Kit, Fan And Pulley | |
| 88 | 145-3637 | 1 | Seal, Brake | 140 | 144-6601 | 1 | Fitting-5/8 Beaded, 7/8 SAE | |
| 100 | 144-6598 | 1 | Kit, Filter | 164 | 125-4684 | 1 | Spring-Extension | |
| 102 | 144-6599 | 1 | Kit, Filler Cap | 173 | 139-8091 | 1 | Plate-Lever, Bypass | |
| 118 | 144-6594 | 1 | Hub-4 Bolt | 174 | 119-1415 | 1 | Pin-Cotter, Locking | |
| 120 | 144-6595 | 1 | Nut, Slotted | 201 | 144-6600 | 1 | Kit, Seal |
Throttle, Choke Cables and Guard Assembly

| Ref. | Part Number | Qty. | Description | Ref. | Part Number | Qty. | Description | |
| 1 | 139-6719-03 | 1 | Guard-Muffler [black] | 41 | 138-9753 | 6 | Screw | |
| 2 | 144-2637 | 1 | Rear Guard ASM | 43 | 139-6735 | 1 | Cable-Control, Choke | |
| 3 | 144-6551-01 | 1 | Console-RH | 44 | 139-6734 | 1 | Cable-Control, Throttle | |
| 4 | 144-2638-01 | 1 | Console-LH | 45 | 1-603175 | 1 | Knob-Ball | |
| 6 | 140-4867 | 1 | RH Cover ASM | 46 | 105-8278 | 1 | Decal | |
| 6:2 | 99-8936 | 1 | Decal-Control, Motion | 48 | 87-6620 | 6 | Screw-Tph Thd Form | |
| 7 | 140-4866 | 1 | LH Cover ASM | 49 | 126-9939 | 1 | Decal-Fill, Fuel | |
| 7:2 | 99-8936 | 1 | Decal-Control, Motion | 50 | 140-7987 | 1 | Decal-4000 Series, RH | |
| 11 | 1-807513 | 2 | Bolt-CARR | 51 | 140-7979 | 1 | Side Pod, LH | |
| 12 | 3296-2 | 2 | Nut-Lock, NI | 52 | 140-7980 | 1 | Side Pod, RH | |
| 24 | 3230-22 | 2 | Screw-CARR | 53 | 140-7968 | 1 | Cup Holder | |
| 25 | 104-8300 | 16 | Nut-HF, NI | 54 | 3230-18 | 4 | Screw-CARR | |
| 27 | 126-6267 | 4 | Screw-TTH | 55 | 140-7996-03 | 1 | Plate-Cover, LH Front | |
| 30 | 126-6268 | 6 | Screw-Torx | 58 | 140-7998-03 | 1 | Plate-Cover, RH Front | |
| 31 | 3220-3 | 1 | Nut-HJ | 60 | 130-8451 | 4 | Rivet-Trifold | |
| 32 | 139-1149 | 1 | Decal – 4000 Series, LH | 61 | 120-7950 | 8 | Screw-Torx | |
| 37 | 145-6964-01 | 1 | Guard-Rear, LH | 62 | 140-8019 | 1 | Cupholder-RH | |
| 38 | 140-1221-01 | 1 | Guard-Rear, Top | 66 | 144-2642 | 2 | Rod-Support, Pod | |
| 39 | 145-7012 | 1 | RH Rear Guard ASM | 67 | 3296-59 | 4 | Nut-Lock, NI | |
| 39:2 | 133-8062 | 1 | Decal-Arrestor, Spark | 68 | 144-6550 | 1 | Plate-Throttle Stop |
Fuel System Assembly

| Ref. | Part Number | Qty. | Description | Ref. | Part Number | Qty. | Description | |
| 1 | 139-6722 | 1 | Fuel Tank ASM | 7:1 | 109-0298 | 1 | Line-Fuel | |
| 2 | 135-4801 | 1 | Cap-Fuel, Ratcheting | 7:2 | 114-3766 | 1 | Hose-Fuel | |
| 3 | 104-2490 | 2 | Clamp-Hose | 7:3 | 1-603770 | 1 | Valve-Fuel | |
| 4 | 131-8834 | 2 | Bumper | 7:4 | 2412-98 | 4 | Clamp-Hose | |
| 5 | 104-7201 | 2 | Nut-HF, NI | 8 | 126-5523 | 3 | Clip | |
| 6 | 139-8067 | 1 | Vent Hose ASM | 9 | 140-4957 | 1 | ASM-Fuel Vent | |
| 6:1 | 138-3152 | 2 | Hose-Vent | 9:1 | 138-3152 | 1 | Hose-Vent | |
| 6:2 | 120-2234 | 1 | Fitting-Tee | 9:2 | 116-4630 | 1 | Fitting-Orifice, Straight | |
| 6:3 | 140-4956 | 1 | Hose-Fuel | 9:3 | 116-4344 | 1 | Hose-Fuel | |
| 7 | 139-8068 | 1 | Fuel Hose ASM |
Fuel Tank Assembly No. 139-6722

| Ref. | Part Number | Qty. | Description | Ref. | Part Number | Qty. | Description | |
| 2 | 46-6560 | 4 | Bushing | 5 | 139-8058 | 1 | Gauge-Fuel | |
| 3 | 140-4955 | 1 | Connector Elbow-90 DEG | 6 | 126-9057 | 2 | Fitting-90 DEG | |
| 4 | 133-9269 | 1 | Grommet-Fuel | 7 | 140-4954 | 1 | Fitting-Tee |
Tank Retainer Assembly

| 4 | 104-8300 | 2 | Nut-HF, NI | 10 | 138-9753 | 4 | Screw | |
| 6 | 139-6706-03 | 1 | Plate-Tank Retainer, Front | 12 | 135-0505 | 4 | Bumper-Seat | |
| 7 | 147-2436-03 | 1 | Plate-Tank Retainer, Rear | 13 | 1-543286 | 1 | Grommet | |
| 8 | 3230-23 | 2 | Bolt-CARR | 16 | 109-9233 | 1 | Bumper-Push-In, Rubber |
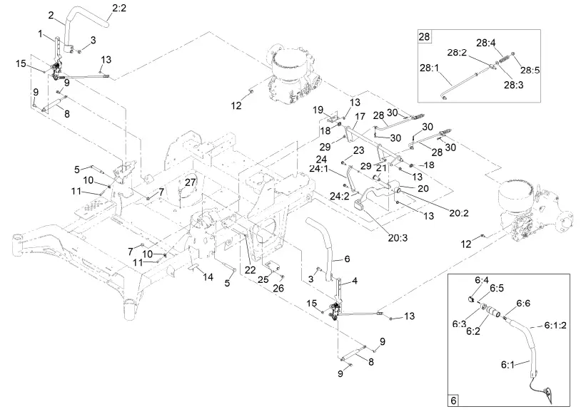
Motion Control Assembly

| Ref. | Part Number | Qty. | Description | Ref. | Part Number | Qty. | Description | |
| 1 | 139-6697 | 1 | Motion Control ASM-RH | 17 | 144-2658 | 1 | Brake ASM | |
| 2 | 139-1089 | 1 | Handle ASM – RH | 18 | 126-5820 | 2 | Bearing-Spherical | |
| 2:2 | 109-5668 | 1 | Grip-Lever, Control | 19 | 139-6742 | 1 | Bracket-Brake | |
| 3 | 3234-42 | 4 | Screw-HHF | 20 | 139-6726 | 1 | Brake Lever ASM W/Grip | |
| 4 | 139-6696 | 1 | Motion Control ASM-LH | 20:2 | 109-8054 | 2 | Bushing-Flange | |
| 5 | 115-5099 | 2 | Bolt-Pivot | 20:3 | 132-4749 | 1 | Grip-Lever | |
| 6 | 140-8020 | 1 | Handle ASM-LH | 21 | 139-6743 | 1 | Pivot-Handle | |
| 6:1 | 1 | Handle ASM – LH ● | 22 | 3234-29 | 1 | Screw-HHF | ||
| 6:1:2 | 109-5668 | 1 | Grip-Lever, Control | 23 | 116-2670 | 2 | Screw-Shoulder | |
| 6:2 | 125-2662 | 1 | Case ASM | 24 | 144-6566 | 1 | Brake Link ASM | |
| 6:3 | 121-3399 | 1 | Cap-Switch | 24:1 | 144-6565 | 1 | Plate-Link, Handle | |
| 6:4 | 140-1228 | 1 | Switch, Spdt (On)-Off-(On) | 24:2 | 116-4976 | 2 | Bushing-Sleeve | |
| 6:5 | 94-4496 | 2 | Screw-PPH | 25 | 139-6745 | 1 | Plate-Switch | |
| 6:6 | 144-0354 | 1 | Harness-Wire, Handle | 26 | 32144-70 | 2 | Screw-HWHTF | |
| 7 | 104-8301 | 2 | Nut-HF, NI | 27 | 3230-23 | 2 | Bolt-CARR | |
| 8 | 142-6851 | 2 | Damper | 28 | 144-0353 | 2 | Brake Rod ASM | |
| 9 | 126-4424 | 4 | Screw-Shoulder | 28:1 | 140-4952 | 1 | Rod-Brake | |
| 10 | 112-3306 | 2 | Nut | 28:2 | 139-6741 | 1 | Fitting-Rod | |
| 11 | 126-4299 | 2 | Screw-HSBH | 28:3 | 3256-3 | 1 | Washer-Flat | |
| 12 | 37-8771 | 2 | Bolt-Shoulder, HF | 28:4 | 144-2645 | 1 | Spring-Compression | |
| 13 | 104-8300 | 6 | Nut-HF, NI | 28:5 | 104-8301 | 1 | Nut-HF, NI | |
| 14 | 115-9625 | 1 | Decal-Brake, Parking | 29 | 3256-45 | 2 | Washer-Flat | |
| 15 | 3218-3 | 2 | Nut-Jam | 30 | 119-1415 | 4 | Pin-Cotter, Locking |
Left and Right Control Arm Assembly

| Ref. | Part Number | Qty. | Description | Ref. | Part Number | Qty. | Description | |
| 1 | 126-3773 | 1 | Control Arm ASM | 6 | 117-1198 | 1 | Bolt-Pivot | |
| 1:2 | 126-8909 | 2 | Bushing | 7 | 3256-24 | 1 | Washer-Flat | |
| 1:3 | 1-413152 | 2 | Bushing-Sleeve | 8 | 32152-2 | 1 | Nut-Lock, Cone | |
| 2 | 126-7296 | 1 | Washer-Friction | 9 | 126-5434 | 1 | Swivel | |
| 3 | 126-8182 | 1 | Arm-Control | 10 | 140-4949 | 1 | Link-Control | |
| 4 | 117-1240 | 1 | Washer | 11 | 126-8195 | 1 | Spring-Return, Neutral | |
| 5 | 119-8925 | 1 | Washer-Belleville | 12 | 104-8300 | 2 | Nut-HF, NI |
Caster Wheel Assembly

| Ref. | Part Number | Qty. | Description | Ref. | Part Number | Qty. | Description | |
| 1 | 2 | ASM-Front Caster W/Fork ● | 4 | 3256-68 | 2 | Washer-Flat | ||
| 2 | 109-3678 | 4 | Bearing-Ball | 5 | 3234-5 | 2 | Screw-HHF | |
| 3 | 145-3660 | 2 | Spacer-Bearing | 6 | 144-0375 | 2 | Cap, Grease |
Caster Wheel and Fork Assembly

| Ref. | Part Number | Qty. | Description | Ref. | Part Number | Qty. | Description | |
| 1 | 147-0295-01 | 1 | 15In Caster Fork [red] | 2:1:2 | 1 | Caster Axle ASM ● | ||
| 2 | 140-4943 | 1 | ASM-Pneumatic 15X6.50-6 | 2:1:2:1 | 126-5220 | 1 | Axle-Caster | |
| 2:1 | 1 | ASM Whl/Brgs 15X6.5-6 ● | 2:1:2:2 | 103-3051 | 1 | Spacer-Nut | ||
| 2:1:1 | 140-4945 | 1 | Wheel And Tire ASM | 2:1:3 | 1-633585 | 2 | Bearing-Cone, Taper | |
| 15X6.5-6 | 2:1:5 | 103-0063 | 2 | Seal-Caster | ||||
| 2:1:1:1 | 139-3624 | 1 | Wheel Rim 6X4.5 | 2:2 | 103-2768 | 2 | Guard-Seal | |
| 2:1:1:2 | 5108 | 1 | Valve | 2:3 | 126-5389 | 1 | Screw-HHF | |
| 2:1:1:3 | 140-4946 | 1 | Tire | 2:4 | 99-5107 | 1 | Nut-Lock |
Rear Wheel Assembly

| 1 | 144-6620 | 2 | Wheel And Tire ASM | 1:3 | 232-27 | 1 | Stem-Valve | |
| 1:1 | 144-6606 | 1 | Wheel | 2 | 242-50 | 2 | Nut-Lug | |
| 1:2 | 140-7986 | 1 | Tire |
Electrical Assembly

| Ref. | Part Number | Qty. | Description | Ref. | Part Number | Qty. | Description | |
| 1 | 1-603511 | 1 | Keys-Ignition (Spare Pair) | 14 | 33094-00 | 1 | Washer-Plain | |
| 1 | 63-8360 | 1 | Key-Ignition | 15 | 33114-020 | 1 | Screw-HH | |
| 2 | 139-6368 | 1 | Switch-Rocker, | 17 | 140-1200 | 1 | Harness-Wire, Deck Lift | |
| On-None-On | 17:9 | 103-3895 | 1 | Diode | ||||
| 3 | 99-8445 | 1 | Screw-HWH | 17:10 | 109101 | 1 | Fuse-Blade, 20 Amp | |
| 4 | 110-6765 | 1 | Switch | 19 | 140-1213 | 1 | Harness-Wire, Light Kit | |
| 5 | 116-5609 | 1 | Module ASM | 21 | 139-8089 | 1 | Mount-Flush, Light | |
| 6 | 137-4100 | 1 | Switch-Ignition | 23 | 104-2065 | 2 | Screw-HWH | |
| 7 | 139-8078 | 1 | Harness-Wire | 25 | 140-7955 | 1 | Port-Power, USB | |
| 8 | 32128-33 | 2 | Nut-HF | 26 | 92-8875 | 1 | Switch-Rocker | |
| 9 | 321-4 | 2 | Screw-HH | 27 | 140-4993 | 1 | Bumper-Front | |
| 10 | 3256-22 | 2 | Washer-Flat | 28 | 135-2015 | 2 | Screw-Shoulder | |
| 11 | 82-2190 | 2 | Switch-Bail | 29 | 32144-1 | 1 | Screw-Taptite | |
| 12 | 104-8162 | 1 | Battery | 31 | 1-643275 | 2 | Relay | |
| 13 | 126-7627 | 1 | Strap-Bungee |
Wire Harness Assembly No. 139-8078

| Ref. | Part Number | Qty. | Description | Ref. | Part Number | Qty. | Description | |
| 11 | 116-0053 | 3 | Cap-Plug | 16 | 32180-176 | 1 | Cover-Block, Fuse | |
| 12 | 103-3895 | 1 | Diode | 17 | 32180-177 | 1 | Clip-Mounting | |
| 13 | 121-8867 | 1 | Fuse-Mini Blade, 15 Amp | 18 | 126-8876 | 1 | Insulator-Battery | |
| 14 | 121-8868 | 1 | Fuse-Mini Blade, 20 Amp | 19 | 1-543393 | 1 | Insulator-Solenoid | |
| 15 | 126-3991 | 1 | Relay-Micro | 24 | 121-8869 | 1 | Fuse-Mini Blade, 25 Amp |
Deck Lift Assembly

| Ref. | Part Number | Qty. | Description | Ref. | Part Number | Qty. | Description | |
| 1 | 115-5065 | 4 | Bushing-Flange | 34 | 147-0271-01 | 1 | CYL Mount Plate | |
| 3 | 3230-22 | 8 | Screw-CARR | 35 | 127-6751 | 1 | Spacer-Aluminum | |
| 4 | 104-8300 | 14 | Nut-HF, NI | 36 | 3230-2 | 2 | Bolt-CARR | |
| 6 | 140-4975-03 | 2 | Deck Lift Shaft ASM [black] | 37 | 139-8111 | 1 | Actuator-Linear | |
| 7 | 126-4639-03 | 1 | Link-Lift | 43 | 3234-47 | 2 | Screw-HHF | |
| 8 | 126-9181 | 3 | Pin-Clevis | 45 | 140-4918 | 1 | Bracket-Mount, Upper Front | |
| 9 | 138-8491 | 4 | Clip-Pin | (LH) | ||||
| 12 | 126-8877 | 4 | Deck Chain ASM | 46 | 140-4919 | 1 | Bracket-Mount, Upper Front | |
| 12:1 | 1-633447 | 1 | Chain-Lift, Deck | (RH) | ||||
| 12:2 | 130-0742 | 2 | Bolt-Shoulder | 47 | 145-1275 | 2 | Bracket-Mounting, Upper | |
| 12:3 | 104-8301 | 2 | Nut-HF, NI | 48 | 126-7760 | 2 | Rod-Support, Upper | |
| 12:4 | 43-0940 | 2 | Spacer | 49 | 145-1276-03 | 2 | Bracket-Flag | |
| 13 | 140-1179 | 1 | ASM-Deck Strut W/ | 50 | 126-8561 | 2 | Guard-Side | |
| Bushings | 51 | 140-4927 | 1 | Decal-HOC, MM | ||||
| 14 | 1-373034 | 2 | Washer | 54 | 114-2754 | 1 | Spacer | |
| 15 | 109-6658 | 2 | Nut-Flange, NI | 55 | 3296-47 | 1 | Nut-Lock,NI | |
| 16 | 3231-7 | 2 | Screw-CARR | 56 | 126-7439 | 1 | Screw-Torx | |
| 25 | 126-5401 | 1 | Pin-HOC | 61 | 3229-11 | 4 | Screw-CARR | |
| 30 | 99-5107 | 1 | Nut-Lock | 62 | 104-7201 | 4 | Nut-HF, NI | |
| 33 | 139-8135 | 1 | Pin-Pivot, Actuator |
Deck Strut Assembly No. 140-1179

| 2 | 126-8360 | 4 | Bushing-Rubber, | 4 | 3231-7 | 2 | Screw-CARR | |
| Suspension | 5 | 2844 | 2 | Washer | ||||
| 3 | 108-6544 | 4 | Spacer | 6 | 104-8301 | 2 | Nut-HF, NI |
Engine, Clutch and Muffler Assembly

| Ref. | Part Number | Qty. | Description | Ref. | Part Number | Qty. | Description | |
| 1 | 137-9243 | 1 | Engine-Kawasaki, | 12 | 116-2456 | 1 | Pulley-Flat Idler | |
| Fx801V-_s22-R | 14 | 3231-42 | 1 | Screw-CARR | ||||
| 2 | 1-653313 | 2 | Gasket-Exhaust | 15 | 3231-29 | 1 | Screw-CARR | |
| 3 | 139-6702 | 1 | Sheave, W/Hub | 16 | 139-6690 | 1 | Bushing, Idler Pivot | |
| 4 | 1-807259 | 1 | Key | 17 | 3256-4 | 1 | Washer-Flat | |
| 5 | 140-1190 | 1 | Anchor-Clutch | 18 | 104-8301 | 2 | Nut-HF, NI | |
| 6 | 98-5975 | 4 | Washer-Belleville | 22 | 116-4924 | 1 | Engine Oil Drain Hose ASM | |
| 7 | 109-6919 | 1 | Washer-Clutch | 22:1 | 353-508 | 1 | Plug-HH ● | |
| 8 | 1-603610 | 2 | Washer-Spring | 22:1:1 | 237-42 | 1 | O-Ring | |
| 9 | 109-9761 | 1 | Screw-HH | 23 | 139-1079 | 1 | Muffler | |
| 10 | 323-7 | 4 | Screw-HH | 24 | 1-653331 | 1 | Spring-Idler | |
| 11 | 144-2671 | 1 | Idler Arm ASM | 25 | 116-1604 | 1 | Clutch | |
| 11:2 | 138-2573 | 2 | Bushing-Flange |
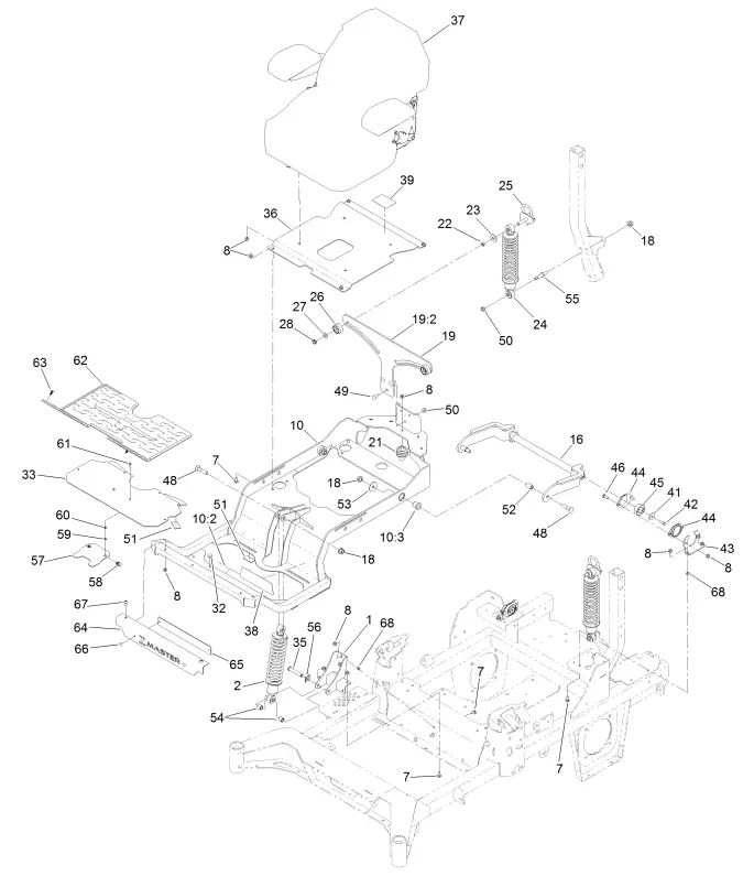
Seat Suspension Platform Assembly

| Ref. | Part Number | Qty. | Description | Ref. | Part Number | Qty. | Description | |
| 1 | 139-6691-03 | 1 | Mount-Shock, Lower [black] | 42 | 116-0648 | 2 | Screw-HH, Thread Locking | |
| 2 | 136-1719 | 1 | Shock ASM-Front | 43 | 127-6759-03 | 2 | Bracket-Bearing | |
| 7 | 3230-23 | 8 | Bolt-CARR | 44 | 127-6743 | 4 | Housing-Bearing, Flange | |
| 8 | 104-8300 | 23 | Nut-HF, NI | 45 | 1-653346 | 2 | Bearing | |
| 10 | 140-4868 | 1 | Subframe ASM | 46 | 3230-10 | 4 | Bolt-CARR | |
| 10:2 | 132-0871 | 1 | Decal-Danger | 48 | 127-6768 | 3 | Screw-CARR | |
| 10:3 | 127-6745 | 2 | Bushing-Flange | 49 | 3231-22 | 3 | Screw-CARR | |
| 16 | 127-6754-03 | 1 | Arm-Trailing | 50 | 104-8301 | 5 | Nut-HF, NI | |
| 18 | 99-5107 | 5 | Nut-Lock | 51 | 130-0733 | 4 | Pad-Rubber | |
| 19 | 144-2602 | 1 | Bracket-Mounting | 52 | 127-6751 | 2 | Spacer-Aluminum | |
| 19:2 | 132-5067 | 1 | Decal-Adjustment, Ride | 53 | 86-1990 | 2 | Washer-Thrust | |
| 21 | 126-5491 | 1 | Isolator | 54 | 140-4869 | 2 | Spacer-Tube | |
| 22 | 133-5109 | 2 | Bearing-Sleeve | 55 | 133-4401 | 2 | Bolt-Shoulder | |
| 23 | 131-4699 | 2 | Washer-Plastic | 56 | 138-8491 | 1 | Clip-Pin | |
| 24 | 133-1815 | 2 | Shock/Spring ASM | 57 | 119-0395-03 | 1 | Adapter-Captive | |
| 25 | 136-9017 | 2 | Cam Lock ASM | 58 | 107069 | 2 | Clip | |
| 26 | 136-5636 | 2 | Knob-Lock, Cam | 59 | 32115-15 | 2 | Nut-Push | |
| 27 | 3-6803 | 2 | Washer-Adjusting | 60 | 3256-60 | 2 | Washer-Flat | |
| 28 | 3296-45 | 2 | Nut-Hex | 61 | 3274-69 | 2 | Screw-HSBH | |
| 32 | 1-513658 | 2 | Bumper | 62 | 144-0355 | 1 | Floormat-Myride | |
| 33 | 144-0381-01 | 1 | Floorpan | 63 | 117-2382 | 2 | Plug-Plastic | |
| 35 | 126-9181 | 1 | Pin-Clevis | 64 | 144-0382-03 | 1 | Plate-Badge | |
| 36 | 140-1197-03 | 1 | Pan-Seat | 65 | 144-0422-01 | 1 | Plate-Backer | |
| 37 | 144-2631 | 1 | Seat ASM-Standard | 66 | 130-8451 | 2 | Rivet-Trifold | |
| 38 | 144-0437 | 1 | Decal-Myride | 67 | 126-6268 | 2 | Screw-Torx | |
| 39 | 144-2669 | 1 | Decal-Service Aid | 68 | 117-2749 | 6 | Nut-Push | |
| 41 | 105-3048 | 2 | Washer-Flat |
Seat Assembly No. 144-2631

| 1 | 109-9801 | 1 | Seat Track Set | 5 | 145-3643 | 1 | Cover-Back, Seat | |
| 2 | 145-3641 | 1 | Armrest Kit | 6 | 145-3644 | 1 | Cover-Bottom, Seat | |
| 3 | 145-3642 | 1 | Pads-Armrest | 7 | 82-2190 | 1 | Switch-Bail | |
| 4 | 130-2854 | 1 | Seat Belt Kit |
Decal Assembly

| Ref. | Part Number | Qty. | Description |
| 1 | 144-0438 | 1 | Decal – Pro |
| 2 | 144-0439 | 1 | Decal – Pro |
| 11 | 144-6552 | 1 | Decal-Panel, Te Control |
Deck Assembly

| Ref. | Part Number | Qty. | Description | Ref. | Part Number | Qty. | Description | |
| 1 | 144-6588 | 1 | Deck Decal ASM | 34 | 139-8061 | 2 | Bushing, Idler | |
| 2 | 137-9780 | 3 | Spindle ASM | 35 | 108-5388 | 1 | Screw-HH | |
| 3 | 137-9784 | 3 | Guard-Bottom | 36 | 3231-7 | 2 | Screw-CARR | |
| 4 | 138-6045 | 3 | Shaft-Spindle | 37 | 109-6658 | 2 | Nut-Flange, NI | |
| 5 | 103-1330 | 3 | Guard-Bearing, Top | 38 | 98-5967 | 1 | Spacer-Wheel | |
| 6 | 138-6059 | 3 | Sheave-Drive, Blade | 39 | 144-0357 | 1 | Belt-V | |
| 7 | 103-2802 | 3 | Washer | 40 | 139-1087 | 1 | Idler Arm ASM | |
| 8 | 116-7306 | 3 | Nut-Hex | 41 | 116-6317 | 1 | Spring-Extension | |
| 9 | 140-1240 | 3 | Blade | 42 | 3231-21 | 3 | Screw-CARR | |
| 10 | 137-9787 | 3 | Bushing-Hex | 47 | 140-4913 | 1 | Support-Lower LH | |
| 11 | 109-9220 | 3 | Screw-Sems | 48 | 140-4914 | 1 | Support-Lower RH | |
| 12 | 3231-27 | 10 | Screw-CARR | 49 | 32144-70 | 4 | Screw-HWHTF | |
| 13 | 107-8541-01 | 1 | Baffle-Discharge | 50 | 145-1271-03 | 1 | Guard-Center Belt 60 | |
| 14 | 104-8301 | 34 | Nut-HF, NI | 51 | 114-5882-01 | 2 | Bracket-Cover, Belt | |
| 15 | 323-23 | 1 | Screw-HH | 52 | 94-2413 | 4 | Nut-U | |
| 16 | 98-7912 | 1 | Tube-Spanner | 53 | 117-2749 | 4 | Nut-Push | |
| 17 | 1-603299 | 4 | Roller-Scalp, Anti | 54 | 73-0041 | 4 | Washer-Thrust | |
| 18 | 98-7913 | 1 | Tube-Spacer | 55 | 117-7816 | 1 | LH Belt Cover ASM | |
| 19 | 323-17 | 1 | Screw-HH | 55:2 | 117-3824 | 1 | Plug-Plastic | |
| 20 | 133-2129 | 1 | Tube-Shafting | 56 | 117-7815 | 1 | RH Belt Cover ASM | |
| 21 | 133-2128 | 1 | Tube-Spacer | 56:2 | 117-3824 | 1 | Plug-Plastic | |
| 26 | 144-2635 | 1 | Rubber Deflector ASM | 57 | 3234-29 | 4 | Screw-HHF | |
| 27 | 322-50 | 1 | Screw-HH | 58 | 119-1415 | 2 | Pin-Cotter, Locking | |
| 28 | 104-8300 | 6 | Nut-HF, NI | 59 | 140-8027 | 2 | Rod-Skirt, Lower | |
| 29 | 105-4622 | 1 | Spacer | 60 | 3230-23 | 4 | Bolt-CARR | |
| 30 | 108-4052 | 1 | Spring-Torsion | 61 | 144-0420 | 1 | Shield-Rubber | |
| 31 | 3230-3 | 1 | Screw-CARR | 62 | 132-5064 | 4 | Rivet-Pop | |
| 32 | 126-4781-03 | 1 | Step-Deck | 63 | 126-9646 | 2 | Bracket-Guard | |
| 33 | 132-9424 | 2 | Pulley-Idler, Flat |
Deck Decal Assembly No. 144-6588

| Ref. | Part Number | Qty. | Description | Ref. | Part Number | Qty. | Description | |
| 1 | 1 | Deck ASM W/Decals 60 ● | 1:4 | 116-8283 | 1 | Decal-Torque, Bolt | ||
| 1:2 | 117-3848 | 2 | Decal-Danger | 1:6 | 109-6035 | 1 | Decal-Routing, Belt | |
| 1:3 | 127-0326 | 1 | Decal-Scalp, Anti | 1:7 | 107-1619 | 1 | Decal |
Spindle Assembly No. 137-9780

| 2 | 116-0720 | 2 | Bearing-Ball |
| 3 | 138-6042 | 1 | Spacer-Bearing |
Deflector Assembly No. 144-2635

| 1 | 3231-4 | 4 | Screw-CARR | 5 | 108-4059-01 | 1 | Plate-Hinge, Rear | |
| 2 | 106-3246-01 | 1 | Deflector | 6 | 106-3253-01 | 1 | Plate-Hinge, Front | |
| 3 | 106-3248-03 | 1 | Strap-Discharge | 7 | 104-8301 | 4 | Nut-HF, NI | |
| 4 | 139-8114 | 1 | Deflector-Deck, Rubber |
Idler Arm Assembly No. 139-1087

| Ref. | Part Number | Qty. | Description | Ref. | Part Number | Qty. | Description | |
| 1 | 139-1086 | 1 | Idler Arm ASM | 7 | 109-6658 | 3 | Nut-Flange, NI | |
| 2 | 138-2573 | 2 | Bushing-Flange | 8 | 323-15 | 1 | Screw-HH | |
| 3 | 139-8060 | 1 | Bushing, Idler | 9 | 3231-5 | 1 | Screw-CARR | |
| 4 | 132-9424 | 1 | Pulley-Idler, Flat | 10 | 132-4729 | 1 | Anchor-Spring, Short | |
| 5 | 139-6690 | 1 | Bushing, Idler Pivot | 11 | 136-9028 | 1 | Bolt-Shoulder, HWH | |
| 6 | 1-213069 | 3 | Washer | 12 | 104-8301 | 1 | Nut-HF, NI |
Attachments and Accessories
For 74056TE 152cm Z Master 4000 Series Riding Mower
Product Name Model/Part
- Anti-Scalp Kit (Trim Side)………………………………………………………………………………………………….. 108-4140
- Hypr-Oil 500 (quart)…………………………………………………………………………………………………………..114-4713
- Hypr-Oil 500 (gallon)………………………………………………………………………………………………………….114-4714
- Hypr-Oil 500-5 (5 gallon)…………………………………………………………………………………………………….114-4715
- Striper Kit……………………………………………………………………………………………………………………….. 126-7882
- Jack Kit………………………………………………………………………………………………………………………….. 127-6666
- Recycler Kit-G3/Grandstand/GM 3300 60 …………………………………………………………………………… 139-6655
- Blade-20.5 High Flow ………………………………………………………………………………………………………. 140-1240
- Blade-20.50 Atomic …………………………………………………………………………………………………………. 140-1241
- Blade-20.50 Medium Flow………………………………………………………………………………………………… 140-4853
- Blade-20.50, Low Flow …………………………………………………………………………………………………….. 140-4854
- Blade-20.50 Recycler ………………………………………………………………………………………………………. 140-4855
- 6 Pack-Blade, 20.5 High Flow……………………………………………………………………………………………. 140-4877
- 6 Pack-Blade, 20.5 Med Flow ……………………………………………………………………………………………. 140-4878
- 6 Pack-Blade, 20.5 Low Flow ……………………………………………………………………………………………. 140-4879
- 6 Pack-Blade, 20.5 Atomic………………………………………………………………………………………………… 140-4880
- 6 Pack-Blade, 20.5 Recycler……………………………………………………………………………………………… 140-4881
- Trimmer Mount ……………………………………………………………………………………………………………….. 144-2665
- Kit, Jack Mount ……………………………………………………………………………………………………………….. 144-2676
- Hardtop Sun Canopy ……………………………………………………………………………………………………….. 144-3719
- 60″ Chute Gate Kit…………………………………………………………………………………………………………… 144-6572
- 60 CE Compliance Kit [4000]…………………………………………………………………………………………….. 145-1263
- Asm-Semi Pneumatic 15×6.50-6 ……………………………………………………………………………………….. 145-1919
- Handle Extension Kit ……………………………………………………………………………………………………….. 145-3615
- Spark Arrestor Screen ……………………………………………………………………………………………………….. 75-6880
- Z 4000 Bagger Kit………………………………………………………………………………………………………………… 78463
- Z 4000 60in Completion Kit……………………………………………………………………………………………………. 78466
© 2022—The Toro® Company
8111 Lyndale Avenue South
Bloomington, MN 55420
Contact us at www.Toro.com.
Printed in the USA.
All Rights Reserved

















