Schneider Electric XPS-AC Emergency Stop Circuits

Safety Relay for monitoring EMERGENCY STOP circuits according to EN / IEC 60204-1, EN ISO / ISO 13849-1, EN ISO / ISO 13850
(Translation of the original instruction sheet)
Dimensions



Terminal marking

Front View
A1/A2 – Fuse green
K1/K2 green
Safety Instructions
![]()
HAZARDOUS VOLTAGE
Only trained professional electricians may install, startup, modify, and retrofit this equipment!
Disconnect the device / system from all power sources prior to starting any work!
If installation or system errors occur, line voltage may be present at the control circuit in devices without DC isolation!
Observe all electrical safety regulations issued by the appropriate technical authorities or the trade association. The safety function can be lost if the device is not used for the intended purpose.
Opening the housing or any other manipulation will void the warranty.
Failure to follow this instruction will result in death or serious injury.
CAUTION
UNINTENDEND USE
If the device has been subjected to improper or incorrect use it must no longer be used, and the guarantee loses its validity. Impermissible conditions include:
strong mechanical stress, for example through a fall, or voltages, currents, temperatures or humidity outside of the specifications.
Before starting up your machine/plant for the first time, please be sure to check all the safety functions according to valid regulations, and observe the specified test cycles for safety equipment.
Failure to follow this instruction can result in injury or equipment damage.
CAUTION
RISKS ON INSTALLATION
Perform the following precautionary steps prior to installation, assembly, or disassembly:
- Disconnect supply voltage to the equipment / system prior to starting any work!
- Lockout/tag the equipment / system to prevent accidental activation!
- Confirm that no voltage is present!
- Ground the phases and short to ground!
- Protect against adjacent live components using guards and barriers!
- The devices must be installed in a cabinet with a protection class of at least IP 54.
Failure to follow this instruction can result in injury or equipment damage.
CAUTION
LIMITED CONTACT PROTECTION
- Protection type according to EN / IEC 60529.
- Housing/terminals: IP 40 / IP 20.
- Finger-proof acc. to EN 50274.
Failure to follow this instruction can result in injury or equipment damage.
Safety Relay for monitoring EMERGENCY STOP circuits
- Safety Relay according to EN / IEC 60204-1, EN ISO / ISO 13849-1 and EN ISO / ISO 13850 for E-stop or protective guard monitoring.
- PL e / category 3 in accordance with EN ISO / ISO 13849-1
(previously EN 954-1 category 3) - MTTFd = 210,4 Years
- PFHd = 3,56 x 10-9 1/h
- SILCL 3 in accordance with EN 62061
- Stop category 0 acc. EN / IEC 60204-1
- Manual or automatic start
- 3 Enabling paths, 1 signalling path
- Feedback loop to monitor external contactors
Description of Device and Function
The supply voltage, as marked on the device nameplate, is applied to the N.C. contacts of the EMERGENCY STOP button(s) to A1/A2 (see wiring diagram). The N.C. contacts from each of the devices connected to safety outputs 13-14, 23-24 and 33-34 must be wired in the feedback circuit between terminals Y1 and Y2, in series with the START button. This assures that the device can only be started if these external contactors have dropped out after a preceding EMERGENCY STOP command.
If the EMERGENCY STOP button is deactivated the LED “A1/A2” is lit. The actuation of the START button energizes the internal relays K1 and K2. The three safety outputs (13-14, 23-24 and 33-34) and the transistor output Y43-Y44 are switched. In this state of operation, both LEDs “A1/ A2” and “K1/K2” are lit. The actuation of the EMERGENCY STOP button(s) instantaneously opens the output contacts and the two LEDs will go out.
Proper Use
The device is for monitoring sensors (e.g. emergency stop buttons, position switches) that are used as part of the safety equipment of machines for the purpose of protecting people, material and machinery.
Note
- The performance level and safety category in accordance with EN ISO / ISO 13849-1 depends on the external wiring, the application case, the choice of control station and how this is physically arranged on the machine.
- The user must carry out a risk assessment in accordance with EN ISO / ISO 14121-1.
- The entire system/machine must undergo validation in accordance with the applicable standards on the basis of this.
- The module contains electro-mechanical relays. Therefore his indicated performance level and his MTTFd value depend on the load and on the operating cycles in the application. The above mentioned performance level and MTTFd values are suitable for nominal load and maximum 6.336 switching cycles per year or for low load and maximum 316.800 switching cycles per year.
- If the current load is known, use the diagram for the electrical service life (see page 9/12) to calculate the maximum number of switching cycles. The specified performance level can only be assured for the number of switching cycles calculated using this method.
The device must be replaced on reaching this maximum figure.
Thereby the lifetime of the device must not be exceeded. - Operating the device not within the specifications may lead to malfunctions or the destruction of the device.
- The supply input A1 serves as a control input. This may lead to short disruptions or a lowering below the operating voltage UB in order to switch to the release path.
- Expansion devices or external contactors with positively driven contacts can be used to duplicate the enabling current paths.
- The emergency stop chain must be closed before the reset button is activated.
- If magnetic switches with reed contacts or sensors with semiconductor outputs are connected the switch ON peak current must be noticed (see Technical Data).
- Please consult the installation notes.
Note:
Please observe instructions from safety authorities.
Note:
Safety systems are comprised of many components. No one safety component will insure the safety of the system. The design of the complete safety system should be considered before you begin. It is very important to follow applicable safety standards when installing and wiring these components.
There are no user serviceable components in the module. Approved safety devices must use only the hard contacts outputs between terminals 13-14, 23-24 and 33-34. The contactless signalling circuit between terminals Y43-Y44 is permissable only for non-safety related functions.
It is imperative that an external fuse be connected as shown on the “WIRING DIAGRAM FOR MODULE XPS-AC SAFETY RELAY”. For maximum protection of the outputs, please refer to “TECHNICAL DATA” (page 10/12).
CAUTION
RESIDUAL RISK (EN ISO / ISO 12100-1)
The following wiring diagrams have been tested under actual service conditions. This module must be used for safety-related functions in conjunction with the connected safety equipment and devices that meet applicable standard requirements. A residual risk will remain if:
a) it is necessary to modify this recommended circuit and if the added/ modified components are not properly integrated in the control circuit.
b) the user does not follow the required standards applicable to the operation of the machine, or if the adjustments to and maintenance of the machine are not properly made. It is essential to strictly follow the prescribed machine maintenance schedule.
c) the devices connected to the safety outputs do not have mechanically-linked contacts.
Failure to follow this instruction can result in injury or equipment damage.
WARNING
FAILURE TO PROTECT
- Wire safety relay using wiring diagrams provided.
- Wire to meet applicable standards requirements.
- All devices connected to the safety outputs must have mechanically linked contacts.
- It is imperative that properly sized external fuses be connected as shown in wiring diagrams provided.
- Strictly follow prescribed maintenance schedule when making adjustments to and maintenance of machine.
Failure to follow this instruction can result in death, serious injury, or equipment damage.
![]()
HAZARDOUS VOLTAGE
- Disconnect all power supplying ≥ 30V AC or 42V DC before working on equipment.
Failure to follow this instruction will result in death or serious injury.
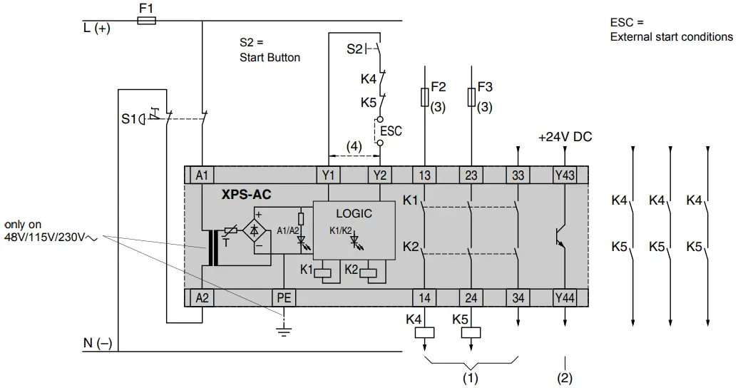
Wiring diagram for XPS-AC

S1= EMERGENCY STOP – push button with two NC contacts (recommended appl.)
(1) = 3 Safety outputs
(2) = 1 Transistor output
(3) = See Technical Data for maximum fuse sizes
(4) = Terminals Y1-Y2 jumpered, automatic start

S1= EMERGENCY STOP – push button with one NC contact .
ESC = External start conditions
(1) = 3 Safety outputs
(2) = 1 Transistor output
(3) = See Technical Data for maximum fuse sizes
(4) = Terminals Y1-Y2 jumpered, automatic start
Functional Diagram XPS-AC


System diagnostics LEDs on the front cover
Arrangement of LEDs in the cover
A1/A2 – Fuse
K1/K2
LED 1: (A1/A2 – Fuse) Supply voltage is present on terminals A1/A2.
LED 2: (K1/K2)
LED 2 indicates that the outputs between terminals 13-14, 23-24 and 33-34 are closed.
Electrical life of the output contacts determined by EN / IEC 60947-5-1 / Annex C.3

TECHNICAL DATA
– Terminals and connection XPS-AC….
Single wire connection
Without cable end:
solid 0.14-2.5 mm2
stranded 0.14-2.5 mm2
AWG 26-14
Stripping length: 7 mm (0.28 in.)
Flexible with cable end
(without plastic sleeve): 0.25-2.5 mm2 (24-14 AWG1))
(with plastic sleeve): 0.25-1.5 mm2 (24-16 AWG1))
Tightening torque, min.: 0,5 Nm (4.4 lb-in)
Multiple-wire connection (2 wires max.)
Without cable end:
solid 0.14-0.75 mm2 (26-20 AWG1))
stranded 0.14-0.75 mm2 (26-20 AWG1))
Stripping length: 7 mm (0.28 in.)
Flexible with cable end
(without plastic sleeve): 0.25-1 mm2 (24-18 AWG1))
Flexible with TWIN-cable end
(with plastic sleeve): 0.5-1.5 mm2 (22-14 AWG1))
Tightening torque, min.: 0,5 Nm (4.4 lb-in)
XPS-AC….P
Single wire connection
Without cable end:
solid 0.2-2.5 mm2
stranded 0.2-2.5 mm2 AWG 24-12
Stripping length: 7 mm (0.28 in.)
Flexible with cable end
(without plastic sleeve): 0.25-2.5 mm2 (22-14 AWG1))
(with plastic sleeve): 0.25-1.5 mm2 (22-16 AWG1))
Tightening torque, min.: 0,5 Nm (4.4 lb-in)
1)AWG indication according to EN/IEC 60947-1 / table 1
- Mounting:
Mounting on 35 mm DIN rail according to EN/IEC 60715 - Degree of protection according to EN/IEC 60529:
Terminals: IP20
Enclosure: IP40 - Weight:
Version 115V
+230V a 0.21 kg (7.4 oz)
Version 48V
a 0.21 kg (7.4 oz)
Version 24V
z 0.16 kg (5.6 oz) - Mounting position: any plane
- Ambient operating temperature:
10° C to +55° C (+ 14° F to +130° F) - Overvoltage category III (4 kV) Pollution degree 2
Rated insulation voltage 300V a according to EN/IEC 60664-1 - Supply voltage UE according to IEC 60038:
230V
a – 50/60 Hz (+10% / -15%)
115V
a – 50/60 Hz (+15% / -15%)
48V
a – 50/60 Hz (+10% / -15%)
24V
a – 50/60 Hz (+10% / -20%)
24V
c (+20% / -20%)
(refer to device nameplate for supply voltage)
Max. protection: 4 A fuse gG - Power consumption:
Version 230V
a ≤ 2.1 VA
Version 115V
a ≤ 2.3 VA
Version 48V
a ≤ 2.1 VA
Version 24V
a ≤ 2.2 VA
Version 24V
c ≤ 1.2 W - Safety outputs: 13-14, 23-24, 33-34
- The sum of simultaneous currents on all of the outputs is limited to: Σ Ith ≤ 10.5 A



6 A 2 A 2 A 4 A 4 A 2 A 3.5 A 3.5 A 3.5 A Protection of outputs:
max.: 4 A fuse gG or 6A fastblow - Maximum switching capacity of outputs:
AC 15 – C300 Ue = 230V
a / Ie = 0,75A
DC 13 Ue = 24V
c / Ie = 2A - Mechanical service life (Switching operations): 10 x 106
- Transistor output, NO
(contactless): Y43-Y44
(Typically: 24V
c / 20mA) - Response time: ≤ 100 ms
- PL e / category 3 in accordance with EN ISO / ISO 13849-1
(previously EN 954-1 category 3)
Minimum switching ratings of outputs: The device is capable to switch low voltage loads (min. 17 V
c / 10 mA) provided that the contact has never been used with higher loads. - Resistance in the feedback circuit between terminals Y1 and Y2: max. 50 Ω
EC DECLARATION OF CONFORMITY FOR SAFETY COMPONENTS
Document-no.: S1A2878900.00)
WE: Schneider Electric Industries SAS 35, rue Joseph Monier / 92506 Rueil Malmaison, France
hereby declare that the safety component
TRADEMARK: SCHNEIDER ELECTRIC
PRODUCT, TYPE: Module for emergency stop monitoring
MODELS: XPS-AC
SERIAL NUMBER: refer to original EC declaration of conformity
DATE OF MANUFACTURING: refer to device nameplate
all the essential protection requirements that are described in the following directives are defined, corresponding.
Furthermore, the conformity with the following harmonized European standards explained:
| DATED REFERENCE | DIRECTIVE: |
| EN 60204-01:2006 (DIN EN 60204-01:2007-06) | DIRECTIVE 2006/95/EC OF THE EUROPEAN PARLIAMENT AND OF THE COUNCIL of 12 December 2006 on the harmonisation of the laws of Member States relating to electrical equipment designed for use within certain voltage limits |
| EN 60947-5-1:2004 (DIN EN 60947-5-1:2005-02) | |
| EN 60947-01:2007 (DIN EN 60947-01:2008-04) | |
| EN ISO 13850:2008 (DIN EN ISO 13850:2009-08) | |
| EN 60947-01:2007 (DIN EN 60947-01:2008-04) | DIRECTIVE 2004/108/EC OF THE EUROPEAN PARLIAMENT AND OF THE COUNCIL of 15 December 2004 on the approximation of the laws of the Member States relating to electromagnetic compatibility and repealing Directive 89/336/EEC |
| EN 61000-6-02:2005 (DIN EN 61000-6-2:2006-03 | |
| EN 61000-6-4:2007 (DIN EN 61000-6-4:2007-09) | |
| EN 60947-5-1:2004 (DIN EN 60947-5-1:2005-02) | |
| EN 62061:2005 (DIN EN 62061:2005-10) | DIRECTIVE 98/37/EC OF THE EUROPEAN PARLIAMENT AND OF THE COUNCIL of 22 June 1998 and DIRECTIVE 2006/42/EC OF THE EUROPEAN PARLIAMENT AND OF THE COUNCIL of 17 May 2006 on machinery, and amending Directive 95/16/EC (recast) |
| EN ISO 12100-2:2003 (DIN EN ISO 12100-2:2004-04) | |
| EN ISO 13849-1:2008 (DIN EN ISO 13849-01:2008-12) | |
| EN ISO 13849-2:2008 (DIN EN ISO 13849-2:2008-09 |
The following notified body has made a positive declaration in accordance to Chapter 7, Sentence 2, 2004/108/EG:
| NUMBER OF THE NOTIFIED BOD | NUMBER OF DECLARATION: | NAME, ADDRESS |
| 0044 | 4420509373024-001 | TÜV NORD CERT GMBH Langemarckstr. 20 D-45141 Essen |
It is important that the safety component is subject to correct installation, maintenance and use conforming to its intended purpose, to the applicable regulations and standards, to the supplier’s instructions and to accepted rules of the art.
Documentation authority:
Eric Léon Barry / Schneider Electric Automation GmbH / Steinheimer Straße 117 / 63500 Seligenstadt, Germany
France – Rueil Malmaison p. p. François Mondino
17 – September – 2009 OEM R&D Vice-President
The original EC Declaration of Conformity is available on our website: www.schneider-electric.com



















