Schneider Electric QO200WXBR Power Box Kit

Product Information
| Item | Description | Quantity |
|---|---|---|
| QO200WXBR QO200WXB2R | 9080MH307 Terminal block mounting track, 7 in. (178 mm) | 1 |
| 9080MH314 Terminal block mounting track, 14 in. (356 mm) | 1 | |
| 10-32 x 3/8 in. screw | 2 | |
| LC1D65AG7 contactor, three-pole, 65 A, 30 kW, 120 Vac | 1 | |
| QO200PWX120 WiserTM control relay, 20 A, 120 Vac | 1 | |
| DFCC1 Fuse carrier TeSysTM DF, one-pole, 30 A, fuse class CC | 1 | |
| 10 A CC Fuse | 1 |
Product Usage Instructions
- Turn off all power supplying this equipment before working on or inside equipment. Use a properly rated voltage sensing device to confirm power is off.
- Attach the contactor (LC1D65AG7) to the DIN rail following the instructions provided with the TeSys D contactor instruction bulletin. Be certain that the clips are engaged.
- Place the DFCC1 sectional fuse holder into the external side ofthe contactor, pressing it into the DIN rail. Be certain that the clips are engaged. Once the fuse holder is set, add the fuse (provided). See Figure 3.
- Following the directions provided in Instruction Bulletin NNZ90049, place the QO200PWX120 Wiser control relay into the interior.
- Verify that the circuit breaker is installed according to the instruction bulletin provided with the QO circuit breaker (sold separately).
Note: Use wire size according to the instruction bulletin included with the contactor to make the power connections and control connections.
Kit Contents
Table : Energy Center Universal or SolarEdge® Edition
| Item | QO200WXBR | QO200WXB2R |
| 9080MH307 Terminal block mounting track, 7 in. (178 mm) | 1 | 1 |
| 9080MH314 Terminal block mounting track, 14 in. (356 mm) | 1 | 1 |
| 10-32 x 3/8 in. scr ew | 2 | 2 |
| LC1D65AG7 contactor, three-pole, 65 A, 30 kW, 120 Vac | 1 | 2 |
| QO200PWX120 Wiser™ control relay, 20 A, 120 Vac | 1 | 1 |
| DFCC1 Fuse carrier TeSys™ DF, one-pole, 30 A, fuse class CC | 1 | 2 |
| 10 A CC Fuse | 1 | 2 |
Precautions
DANGER
HAZARD OF ELECTRIC SHOCK, EXPLOSION, OR ARC FLASH
- Apply appropriate personal protective equipment (PPE) and follow safe electrical work practices. See NFPA 70E.
- This equipment must only be installed and serviced by qualified electrical personnel.
- MORE THAN ONE LIVE CIRCUIT – Turn OFF all power supplying this equipment before working on or inside equipment.
- Always use a properly rated voltage sensing device to confirm power is off.
- Test each circuit breaker with test button monthly. If circuit breaker handle does not move to center (tripped) position, turn circuit breaker off and contact a qualified electrician.
- Replace all devices, doors and covers before turning on power to this equipment.
- Do not allow petroleum-based paints, solvents, or sprays to contact the nonmetallice parts of this product.
- Before starting a wiring installation or addition, consult a local building or electrical inspector for current National Electrical Code (NEC) requirements. Local codes vary, but are adopted and enforced to promote safe electrical installations. A permit may be needed to do electrical work and some codes may require an inspections of electrical work.
- This equipment may not be suitable for use in corrosive environments present in agricultural buildings. See NEC 547.
Failure to follow these instructions will result in death or serious injury.
WARNING: This product can expose you to chemicals including Lead and lead compounds, which is known to the State of California to cause cancer and birth defects or other reproductive harm. For more information go to www.P65Warnings.ca.gov.
Necessary Tools
LADALLEN4 Allen® wrench
PH2 screwdriver
Installation
- Turn off all power supplying this equipment before working on or inside equipment. Use a properly rated voltage sensing device to confirm power is off.
- Install DIN rail (A) 9080MH314 (see Figure 1, A) or 9080MH307 (see Figure 2) in enclosure mountingholes using the two 10-32 x 7/8 in. screws, provided. Tighten the screws to 20–25 lb-in. (2.3–2.8 N•m) according to the models described in Figure 1 or Figure 2, as appropriate.
Figure 1: Universal Model
NOTE: Energy Center Universal model: max. four contactors
Figure 2: SolarEdge® Edition Model
NOTE: SolarEdge Edition model: max. two contactors. - Attach the contactor (LC1D65AG7) to the DIN rail following the instructions provided with the TeSys D contactor instruction bulletin. Be certain that the clips are engaged
- Place the DFCC1 sectional fuse holder into the external side of the contactor, pressing it into the DIN rail. Be certain that the clips are engaged. Once the fuse holder is set, add the fuse (provided). See Figure 3.
- Following the directions provided in Instruction Bulletin NNZ90049, place the QO200PWX120 Wiser control relay into the interior.
- Verify that the circuit breaker is installed according to the instruction bulletin provided with the QO circuit breaker (sold separately).
NOTE: Spaces one through four in the interior are reserved for the solar circuit breakers.
Figure 3: Location of Fuse Holders
- Make the electrical connections according to the diagram shown in Figures 4–6.
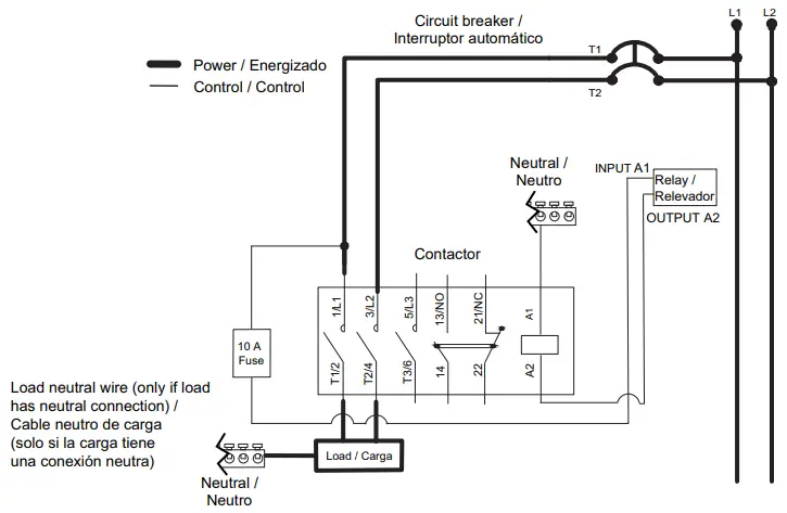
QO200WXBR Two-Pole 35–60 A Wiring
NOTICE
HAZARD OF EQUIPMENT DAMAGE
The equipment is provided with fuses. It is the user’s responsibility to replace fuses with the same rating when needed.
Failure to follow these instructions can result in equipment damage.
NOTE: Use wire size according to the instruction bulletin included with the contactor to make the power connections and control connections.
Using a QO two-pole 35–60 A circuit breaker, make the connections for kit QO200WXBR according to the diagram shown in Figure 4.
- A. Using #8 to #2 AWG Cu wire, connect T1 of the circuit breaker to the 1/L1 terminal of the contactor and T2 to the terminal 3/L2 on the contactor.
- B.Using #14 to #12 AWG Cu wire, connect the INPUT A1 of the relay to the bottom terminal of the 10 A fuse and the upper terminal of the fuse to the 1/L1 lug of the contactor.
- C. Using #14 to #12 AWG Cu wire, connect the OUTPUT A2 terminal of the relay to A2 on the contactor.
- D. Using #14 to #12 AWG Cu wire, connect A1 of the contactor to neutral.
- E. Connect the customer load in terminals T1/2 and T2/4 of the contactor. Load neutral wire needed only if the load has a neutral connection.
Figure 4: QO200WXBR Wiring Diagram with Regular Type QO Two-pole 35–60 A Circuit Breaker
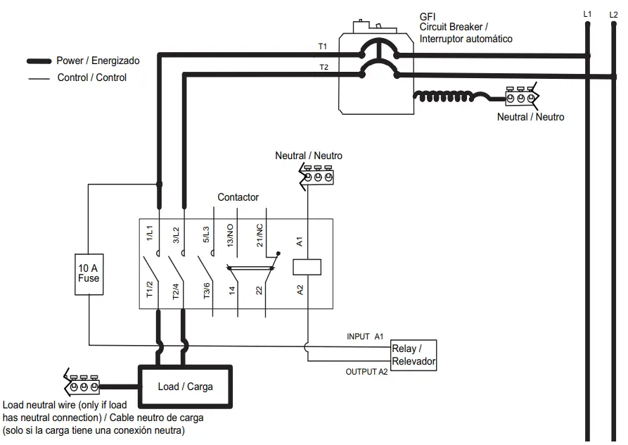
QO200WXBR Two-Pole 35–60 A GFI Wiring
NOTICE
HAZARD OF EQUIPMENT DAMAGE
The equipment is provided with fuses. It is the user’s responsibility to replace fuses with the same rating when needed.
Failure to follow these instructions can result in equipment damage.
NOTE: Use wire size according to the instruction bulletin included with the contactor to make the power connections and control connections.
Using a QO two-pole 35–60 A GFI circuit breaker, make the connections for kit QO200WXBR according to the diagram shown in Figure 5.
- A. Using #8 to #2 AWG Cu wire, connect T1 of the circuit breaker to the 1/L1 terminal of the contactor and T2 to the terminal 3/L2 on the contactor.
- B. Connect the GFI wire of the circuit breaker to the neutral of the system.
- C. Using #14 to #12 AWG Cu wire, connect the INPUT A1 of the relay to the bottom terminal of the 10 A fuse and the upper terminal of the fuse to the 1/L1 lug of the contactor.
- D. Using #14 to #12 AWG Cu wire, connect A1 of the contactor to the neutral.
- E. Using #14 to #12 AWG Cu wire, connect the OUTPUT A2 terminal of the relay to A2 on the contactor.
- F. Connect the customer load in terminals T1/2 and T2/4 of the contactor.
Figure 5: QO200WXBR Wiring Diagram with Regular Type QO Two-pole 35–60 A GFI Circuit Breaker
QO200WXB2R Two-Pole 35–60 A Wiring
NOTICE
HAZARD OF EQUIPMENT DAMAGE
The equipment is provided with fuses. It is the user’s responsibility to replace fuses with the same rating when needed.
Failure to follow these instructions can result in equipment damage.
NOTE: Use wire size according to the instruction bulletin included with the contactor to make the power connections and control connections.
Using two QO two-pole 35–60 A circuit breakers, make the connections for kit QO200WXB2R according to the diagram shown in Figure 6.
- A. Using #8 to #2 AWG Cu wire, connect T1 of the circuit breaker to the 1/L1 terminal of the contactor and T2 to the terminal 3/L2 on the contactor.
- B. Using #14 to #12 AWG Cu wire, connect the INPUT A1 of the relay to the bottom terminal of the 10 A fuse and the upper terminal of the fuse to the 1/L1 lug of the contactor.
- C. Using #14 to #12 AWG Cu wire, connect the OUTPUT A2 terminal of the relay to A2 on the contactor.
- D. Using #14 to #12 AWG Cu wire, connect A1 of the contactor to the neutral.
- E. Connect the customer load in terminals T1/2 and T2/4 of the contactor. Load neutral wire is needed only if the load has a neutral connection.
- F. Repeat steps A through E to make the wiring of the second contactor, using INPUT B1 and OUTPUT B2 from the relay.
Figure 6: QO200WXB2R Wiring Diagram with Two Regular Type QO Two-pole 35–60 A Circuit Breakers
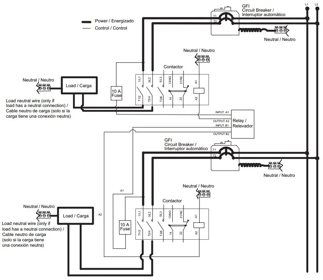
QO200WXB2R Two-Pole 35–60 A GFI Wiring
NOTICE
HAZARD OF EQUIPMENT DAMAGE
The equipment is provided with fuses. It is the user’s responsibility to replace fuses with the same rating when needed.
Failure to follow these instructions can result in equipment damage.
NOTE: Use wire size according to the instruction bulletin included with the contactor to make the electrical connections and fuse inline connection. Multiwire circuit available up to 50 A (60 A two-wire only).
If the application requires an external metal box, install the QO200WXBR or QO200WXB2R contactor kit for Energy Center units, a minimum of 8 x 11 x 6 in. (203 x 279 x 152 mm) type 3R box is required. All conduits and fittings must be rated for the environment
- A. Using #8 to #2 AWG Cu wire, connect T1 of the circuit breaker to the 1/L1 terminal of the contactor and T2 to the terminal 3/L2 on the contactor.
- B. Connect the GFI wire of the circuit breaker to the neutral of the system.
- C. Using #14 to #12 AWG Cu wire, connect the INPUT A1 of the relay to the bottom terminal of the 10 A fuse and the upper terminal of the fuse to the 1/L1 lug of the contactor.
- D. Using #14 to #12 AWG Cu wire, connect the A1 of the contactor to the neutral.
- E. Using #14 to #12 AWG Cu wire, connect the OUTPUT A2 terminal of the relay to A2 on the contactor.
- F. Connect the customer load in terminals T1/2 and T2/4 of the contactor. Load neutral wire needed only if the load has a neutral connection.
- G. Repeat steps A through F to make the wiring of thesecond contactor, using INPUT B1 and OUTPUT B2 from the relay.
Figure 7: QO200WXB2R Wiring Diagram with Two Type QO GFI Two-pole 35–60 A GFI Circuit Breakers
After the kit is installed, place the identification label on the front directory of the system, to identify the presence of the Wiser Control Relay.
For commissioning and connecting, please use the instruction bulletin supplied with the Wiser Control Relay.
Electrical equipment must be installed, operated, serviced, and maintained only by qualified personnel. No responsibility is assumed by Schneider Electric for any consequences arising out of the use of this material.
Schneider Electric and Square D are trademarks and the property of Schneider Electric SE, its subsidiaries, and affiliated companies. All other trademarks are the property of their respective owners.
Schneider Electric USA, Inc.
800 Federal Street
Andover, MA 01810 USA
888-778-2733
www.se.com/us




















