Q-TRAN QZLP LED Power Supply

OVERVIEW
TOP VIEW
QZLP Components
- Driver Compartment
- Primary Compartment
- Secondary Compartment
- Mounting Tab Slots
Required Hardware
Mounting
- The QZLP can be mounted either vertically or horizontally, utilizing the supplied screws and the mounting tabs on the bottom of the enclosure
SIDE SLOT
- The QZLP must be mounted into a stud for sufficient support, using the slots of each mounting tab

- When installing multiple QZLP power supplies, seperate the enclosures by 3” of space from edge to edge. This prevents the rise of ambient temperature between the power supplies.

- Wiring diagram
Phase Dimming
0-10v Dimming
Wiring from power supply to light fixture must be two conductor cable
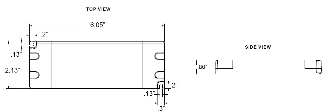
QZLP 30W
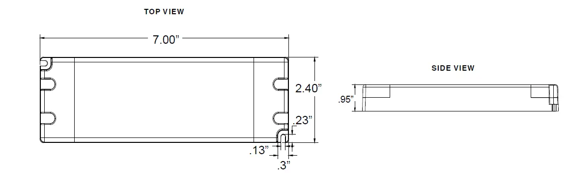
QZLP 60W
QZLP CORD & PLUG 25W

QZLP CORD & PLUG 60W
© 2021 Q-Tran Inc. All rights reserved
155 Hill St. Milford, CT 06460
203-367-8777
[email protected]
www.q-tran.com























