TOTO MW7463056CEMG Close Coupled Toilet

FEATURES
- Concealed supply connection for seamless installation
- DYNAMAX TORNADO FLUSH® utilizes 360º cleaning power to reach every part of the bowl
- High-efficiency dual flush 1.28 & 0.8 GPF (4.8 & 3.0 LPF)
- CEFIONTECT® ceramic glaze minimizes waste from sticking to porous ceramic surfaces
- Design of the bowl reduces water flow resistance resulting in a quieter flushing sound
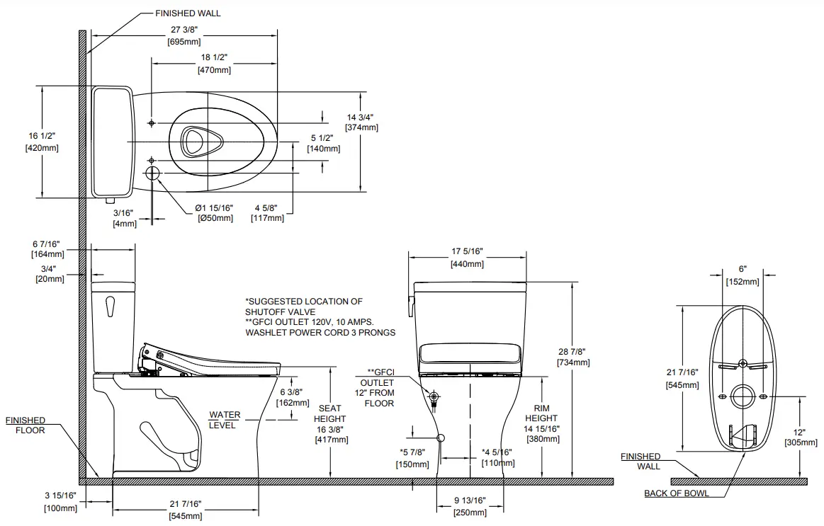
- 12″ Rough-in
- Chrome plated trip lever
- Elongated front bowl and WASHLET+ S550e and tank set
- EWATER+® auto-cleans wand and bowl
- On-demand remote function cleans wand with EWATER+
- PREMIST of bowl before each use
- Remote control operated
- Auto Flush available as upgrade
- Auto Open / Close Lid
- Night light
- Auto Flush available as upgrade
- Semi-concealed trapway
MODELS & COMPONENTS
- MW7463056CEMGA (#01)
With CEFIONTECT ceramic glaze, WASHLET+ S550e with contemporary design and Auto Flush- CT746CUGT40
Elongated bowl with CEFIONTECT - ST746EMA
Tank and cover only - SW3056AT40
WASHLET+ S550e - THU765
Auto Flush Kit
- CT746CUGT40
- MW7463056CEMG (#01)
Same as MW7463056CEMGA without Auto Flush- CT746CUGT40
Elongated bowl with CEFIONTECT - ST746EMA
Tank and cover only - SW3056AT40
WASHLET+ S550e
- CT746CUGT40
Optional Components
- THU773#01-A
Trip Lever – Cotton - THU773#PN-A
Trip Lever – Polished Nickel - THU773#BN-A
Trip Lever – Brushed Nickel
PRODUCT SPECIFICATION
The two-piece high-efficiency DYNAMAX TORNADO FLUSH toilet shall be dual flush 1.28 GPF/0.8 GPF. Toilet shall be 12″ rough-in. Toilet shall have CEFIONTECT ceramic glaze. Toilet shall have elongated front bowl and Polished Chrome trip lever. Toilet shall be TOTO
Model MW7463056CEMG____.
See SW3056AT40 Specification Sheet for details on included WASHLET.
CODES/STANDARDS
- Meets and exceeds ASME A112.19.2/CSA B45.1, ASME A112.19.14
- Certifications: IAPMO(cUPC®), EPA WaterSense, State of Massachusetts, and others
- Code Compliance: UPC, IPC, NSPC, NPC Canada, and others
- Legislative Compliance: California Green Building Code, City of Los Angeles Water Efficiency Ordinance, and others
- Complies with CA Prop 65 warning requirements
SPECIFICATIONS
- Water Use 1.28 & 0.8 GPF (4.8 & 3.0 LPF)
- Flush System DYNAMAX TORNADO FLUSH®
- Min. Water Pressure 8 psi (Flowing)
- Water Surface 5-5/8″ x 4-1/8″
- Trap Diameter 2-1/2″
- Rough-in 12″
- Trap Seal 2-1/8″
- Warranty One Year Limited Warranty
- Material Vitreous China
- Shipping Weight
- CT746CUGT40 66 lbs.
- ST746EMA 35 lbs
- Shipping Dimensions
- CT746CUGT40 18-3/4″ L x 10-1/2″ W x 18-1/8″H
- ST746EMA 18-3/4″ L x 8-3/8″ W x 16″H
INSTALLATION NOTES
Back-to-Back Toilet Installations:
TOTO recommends the use of a nationally listed, double sanitary tee-wye only, in vertical waste stacks, in accordance with the stipulations noted in the majority of nationally recognized plumbing codes.

To maintain adequate wall gap between the back of the tank and wall, mount the floor flange at a nominal 12” rough-in distance.
DIMENSIONS

Ph: (888) 295-8134
Fax: (800) 699-4889
www.totousa.com
© TOTO USA
















