MEAN WELL UHP-1500-HV Series 1500W Conduction Cooling with High Voltage Output Instruction Manual

Features
- High voltage output (115/230/380V)
- Fanless and conduction-cooled design
- Slim and 1U Low profile (41mm)
- Built-in active PFC function
- DC 12V/0.4A auxiliary power or apparatus
- Output voltage and constant current level programmable(PV/PC)
- Protections: Short circuit / Over load / Over voltage / Over temperature
- Built-in remote ON-OFF control and DC OK signal
- Operating altitude up to 2000 meter (E type Note.6, Blank/PM/CAN type Note.7)
- LED indicator for power on
- Optional PMBus or CANBus protocol
- 5 years warranty
Applications
- Industrial automation machinery
- Industrial control system
- Mechanical and electrical equipment
- Electronic instruments, equipment or apparatus
- Test and measurement instrument
- Laser related machine
- Charging related equipment
- DC centralized bus(Lighting)
Description
UHP-1500 series is a 1500W single-output slim type power supply with 1U 41mm of low profile design. Adopting the full range 90~264VAC input, the entire series provides an output voltage line of 115V/230V and 380V. In addition to the high efficiency up to 95.5%, that the whole series operates from -30 ~ 70 under air convection without fan. UHP-1500 has the complete protection functions and 5G anti-vibration capability; It is complied with the international safety regulations such as TUV BS EN/EN62368-1, UL62368-1, and the design refers to BS EN/EN61558-1 and BS EN/EN60335-1. UHP-1500 series serves as a high performance power supply solution for various industrial and DC centralized bus applications.
Model Encoding

SPECIFICATION ( E type )




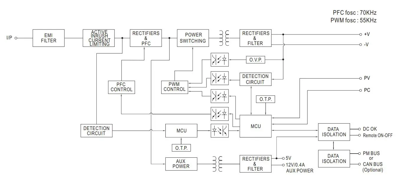
BLOCK DIAGRAM

STATIC CHARACTERISTIC

EFFICIENCY VS LOAD (380V MODEL)

DERATING CURVE

FUNCTION MANUAL ( For E type)

FUNCTION MANUAL (Blank/PM/CAN type)
- Output Voltage Programming (or, PV / remote voltage programming / remote adjust / margin programming / dynamic voltage trim) In addition to the adjustment via the built-in potentiometer, the output voltage can be trimmed to 50%~120% by applying EXTERNAL VOLTAGE. When PC/PV are used at the same time, PC is preferred

- Constant Current Programming (or, PC / remote current programming / dynamic current trim) The output current can be trimmed to 20~100% of the rated current by applying EXTERNAL VOLTAGE.

Covered by over temperature protection auto de-rating function works under operation either in PC mode or under control by communication protocol. T1(Typ.): Maximum ambient temperature of full load. T2(Typ.): T1+5.
- Remote ON-OFF Control
The power supply can be turned ON/OFF individually or along with other units in parallel by using the “Remote ON-OFF” function.
- DC-OK Signal
DC-OK signal is a TTL level signal. The maximum sink current is 10mA and the maximum external voltage is 5.6V.
- PMBus Communication Interface
UHP-1500 supports PMBus Rev. 1.1 with maximum 100KHz bus speed, allowing information reading, status monitoring, output trimming, etc. For details, please refer to the Function Manual.
MECHANICAL SPECIFICATION (For E type)





INSTALLATION
- Operate with additional aluminum plate In order to meet the “Derating Curve” and the “Static Characteristics” ,UHP-1500-HV series must be installed onto an aluminum plate(or the cabinet of the same size) on the bottom. The size of the suggested aluminum plate is shown as below. And for optimizing thermal performance, the aluminum plate must have an even and smooth surface (or coated with thermal grease), and UHP-1500-HV series must be firmly mounted at the center of the aluminum plate.


























