39200000 Citterio Bidet Tap
Instructions
![]() | ![]() | ![]() |
Safety Notes
Installation Instructions
- The fitting must be installed, flute and tested after the valid norms.
- If the instantaneous water heater causes problems or if you wish to increase the water flow, the EcoSmart® (flow limiter) located behind the aerator can be
Technical Data
This mixer series-produced with EcoSmart® (flow limiter)
Operating pressure: max. 1 MPa
Recommended operating pressure: 0,1 – 0,5 MPa
Test pressure:1,6 MPa
(1 MPa = 10 bar = 147 PSI)
Hot water temperature:max. 80°C
Recommended hot water temp.:65°C
Hansgrohe mixers can be used together with hydraulically and thermically controlled continuous flow heaters if the flow pressure is at least 0,15 MPa
Symbol description
Do not use silicone containing acetic acid!
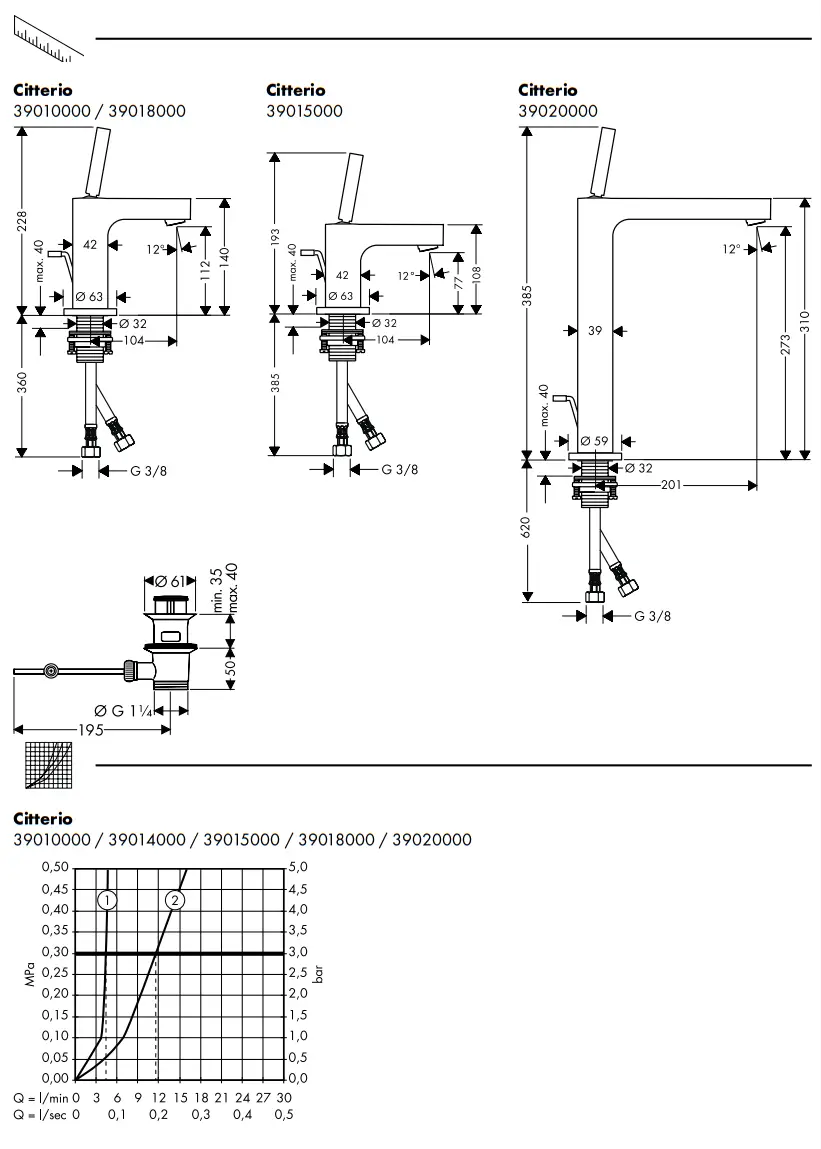
Dimensions (see page 34 + 35)
Flow diagram
(see page 34 + 35)
with EcoSmart®
without EcoSmart
Spare parts (see page 38)
Special accessories
special tool (58085000) order as an extra
Installation kit order as an extra
Operation (see page 33)
Cleaning (see page 37) enclosed brochure
Test certificate (see page 36)
![]() | ![]() |
![]() | |
| open | close |
![]() | |
| cold | hot |
![]() | ![]() |
| P-IX | DVGW | SVGW | WRAS | KIWA | NF | ACS | ETA | |
| 39010000 | P-IX 9508/IA | X | X | X | X | |||
| 39014000 | X | X | ||||||
| 39015000 | P-IX 9508/IA | X | X | X | X | X | ||
| 39018000 | P-IX 9508/IA | X | X | X | X | X | ||
| 39020000 | P-IX 9508/IA | X | X | X | X | |||
| 39200000 | P-IX 9509/IA | X | X | X |


The Quick Clean cleaning function only needs a small manual rub over to remove the lime scale from the spray channels.

Hansgrohe Postfach1145 · D-77761
SchiltachTelefon +49 (0) 78 36/51-1282
Telefax +49 (0) 7836/511440
E-Mail: [email protected]
Internet: www.hansgrohe.com



























