

PK-A3260-10-00-0C
Advanced Multi-Circuit Meter
Quick Install Guide
Cat. Nos. 71D12, 71D48, 70D12, 70D48, 70N12, and 70N48
VerifEye Advanced Multi Circuit Meter
WARNINGS
- HAZARD OF ELECTROCUTION, SHOCK, EXPLOSION, OR ARC FLASH. CAREFULLY READ AND FOLLOW INSTRUCTIONS:
- TO AVOID FIRE, SHOCK OR DEATH, turn off all power supplying equipment before working on or inside the equipment. Use a properly rated voltage sensing device to confirm power is off.
- Follow safe electrical work practices. See NFPA 70E in the USA, or applicable local codes.
- This equipment MUST be installed and serviced by an electrician or other qualified personnel with the requisite knowledge, training and experience related to the installation and operation of this equipment.
- Product may use multiple voltage/power sources. Be sure all sources of power have been disconnected before servicing.
- Do not depend on this product for voltage indication.
- Only install this product on insulated conductors.
- If the meter appears damaged or defective, first disconnect all power to the meter. Then call or email Technical Support for assistance.
CAUTIONS
- This product is not intended for life or safety applications.
- Do not install this product in hazardous or classified locations.
- The installer is responsible for compliance with all applicable codes.
- Mount this product inside a suitable fire and electrical enclosure.
- If the collector is connected directly to a source of voltage, the pulse isolator will immediately burn out and become non-responsive.
DO NOT EXCEED 346V Line to Neutral or 600 volts Line to Line. This meter is equipped to monitor loads up to 346V L-N. Exceeding this voltage will cause damage to the meter and danger to the user. Always use a Potential Transformer (PT) for voltages in excess of 346V L-N or 600 volts line to line. VerifEye® branded meters are 600 Volt Over Voltage Category III devices.
For use in a Pollution Degree 2 or better environment only. A Pollution Degree 2 environment must control conductive pollution and the possibility of condensation or high humidity. Consider the enclosure, the correct use of ventilation, thermal properties of the equipment, and the relationship with the environment. Installation category: CAT II or CAT III.
Provide a disconnect device to disconnect the meter from the supply source. Place this device in close proximity to the equipment, and within easy reach of the operator, and mark it as the disconnecting device. The disconnecting device shall meet the relevant requirements of IEC 60947-1 and IEC 60947-3 and shall be suitable for the application. In the US and Canada, disconnecting fuse holders can be used. Provide overcurrent protection and disconnecting device for supply conductors with approved current limiting devices suitable for protecting the wiring. If the equipment is used in a manner not specified by the manufacturer, the protection provided by the device may be impaired.
For the complete safety information for this product, see the full user guide at www.leviton.com
INSTALLATION
Cat. nos. 71D12 and 71D48 shown
- Remove covers.
Screws provided.
- Mount.
Use the enclosure as a template.
NOTE: If meter is not available to use as a template, see the mechanical specifications drawing in the online user guide at www.leviton.com.
- Connect.
• Conduit fittings
• Conduits
• Blanking plugs
- Connect voltage leads.
WARNING: RISK OF ELECTRIC SHOCK, EXPLOSION, OR ARC FLASH. DO NOT ENERGIZE METER WITH VOLTAGE COVER REMOVED. CAREFULLY READ AND FOLLOW INSTRUCTIONS.
Connect the voltage leads (L1, L2, L3 and N as necessary) to the meter through a dedicated disconnect or circuit breaker.
NOTE: Verify the circuit breaker is marked as the disconnect breaker for the meter.
Wiring the Meter in a Single Phase Application: The meter is powered through the voltage between L1 and L2. For single phase installations in which no L2 exists, install a jumper from N to L2. This connection provides power to the meter, maintaining L1-N as the metering voltage reference.
- Attatch high voltage cover.
NOTE: IP30 TOUCH SAFE (with internal cover installed)
- Connect CT and communications wiring.

Communication Verification
The LCD user interface can be used to quickly confirm the settings required for each combination of interface and protocol. The interface is intuitive and groups together commonly associated registers. Arrows indicate how to move from one menu display to the next. The active menu item is indicated by a blinking character on the LCD. The ENTER button is used to select a property and up / down buttons are used to select among the values supported by the meter.
NOTE: Verification includes confirmation of BOTH the physical interface settings (serial or ethernet) and the protocol (Modbus or BACnet) settings.
NOTE: Changes to the meter configuration are limited to the communication interface using the LCD. If additional changes (such as CT type) are required they must be made using a software interface.
VerifEye S7 Configuration Utilities/Web Application
If your VerifyEye model does not include the LCD user interface or if you prefer to verify the installation using software then verification is facilitated through the VerifEye S7 Configuration Utilities PC application or the Web App which shares a common design. For an overview of VerifEye S7 Configuration Utilities or VerifEye Web App, refer to the section on configuration details in the full user guide.
Pulse Inputs
Series 7000/7100 meters are equipped with pulse inputs (models 70D12, 70N12, 71D12 – 4 inputs; models 70D48, 70N48, 71D48 – 2 inputs). Pulse counting supports accumulation of consumption data from any external meter using a dry contact (Form A Relay) or open collector outputs. The pulse inputs are compatible with “low speed” meters. The pulse duration must exceed 50mS in both the logic low and high state allowing for a maximum input frequency of 10 Hz.
Pulse scaling, resetting and accumulated values are accessed through registers and are “system” in scope. Refer to the register list, S7 Configuration Utilities or the full user guide for more information.

NOTE: A full navigational map is available in the Appendix of the user guide available at www.leviton.com

C(+) E(-) C(+) E(-)
1 PULSE INPUT 2
Wiring
- a. Wiring in a 3-wire, split phase service panel
WARNING: TO AVOID FIRE, SHOCK, OR DEATH; TURN OFF POWER at circuit breaker or fuse and test that power is off before wiring!
WARNING: HIGH VOLTAGE MAY BE PRESENT. To be installed by an electrician or other qualified personnel only.
EXAMPLE LOADS:
Single phase L1-N or L2-N 110 VAC: lighting, appliance, living zone
Single phase L1-L2 220 VAC: water heater, clothes dryer, equipment with no neutral wire Split phase L1-L2 220 VAC: service entrance, equipment with neutral wire
b. Wiring in a 3 phase, 4 wire service panel
NOTE: The VerifEye meter series uses the NEUTRAL terminal as a voltage reference. For systems without a neutral conductor, Leviton suggests connecting a ground wire to this terminal. If the neutral terminal is left open, L-L measurements will be accurate, but L-N measurements may not be symmetric. If a ground wire is connected to the NEUTRAL terminal, <2mA will flow into the ground wire. - Wiring the CTs to the meter
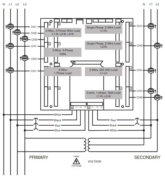
The image to the right shows how to connect CTs to the input terminals on the S7000/7100 for each service type. For service types that are not specifically listed, choose SINGLE PHASE service from the drop down menu and configure each channel individually. The three phase loads that are illustrated on the left and split phase loads on the right are shown as examples only. Elements are fully interchangeable on the meter.
NOTE: Current and voltage inputs must be installed ‘in phase’ for accurate readings (e.g. CT1 on Line 1, CT2 on Line 2) Orientation is critical. Ensure that all CTs are properly oriented with the line and load, as marked. Failure to install CTs in the correct orientation and on the correct phase will lead to inaccurate meter readings.

FCC & IC Canada Compliance Statement:
This device complies with Part 15 of the FCC Rules and ISED License-exempt RSS standard(s). Operation is subject to the following two conditions: (1) This device may not cause harmful interference, and (2) This device must accept any interference received, including interference that may cause undesired operation. Changes or modifications not expressly approved by Leviton could void the user’s authority to operate the equipment.
These limits are designed to provide reasonable protection against harmful interference in a commercial installation. This equipment generates, uses and can radiate radio frequency energy and, if not installed and used in accordance with the instructions, may cause harmful interference to radio communications. However, there is no guarantee that interference will not occur in a particular installation. If this equipment does cause harmful interference to radio or television reception, which can be determined by turning the equipment off and on, the user is encouraged to try to correct the interference by one or more of the following measures:
- Reorient or relocate the receiving antenna.
- Increase the separation between the equipment and receiver.
- Connect the equipment into an outlet on a circuit different from that to which the receiver is connected.
- Consult the dealer or an experienced radio/TV technician for help.
This Class A digital apparatus complies with Canadian CAN ICES-3(A)/NMB-3(A)
TRADEMARK DISCLAIMER: Use herein of third party trademarks, service marks, trade names, brand names and/or product names are for informational purposes only, are/may be the trademarks of their respective owners; such use is not meant to imply affiliation, sponsorship, or endorsement.
Patents covering this product, if any, can be found on Leviton.com/patents.
TECHNICAL SPECIFICATIONS
| Service Types | Single phase, split phase, three phase-four wire (WYE), three phase-three wire (Delta) |
| Voltage Input Channels | 90-346 VAC line-to-neutral, 600V line-to-line. CAT III For 48 Circuit Models Only: Two independent voltage reference inputs |
| Current Channels | 12/48 channels, 0.525 VAC max, 333 mV CTs, 0-4,000+Amps depending on current transducer |
| Maximum Current input | 150% of current transducer rating (mV CTs) to maintain accuracy. Measure up to 4000A with ROCoil CTs. |
| Measurement Type | True RMS using high-speed digital signal processing (DSP) with continuous sampling |
| Line Frequency | 50-60 Hz |
| Power | From Ll Phase to 12 Phase. 90-600VAC RMS CAT III 50/60Hz. 500mA AC Max Use of 12 volt auxiliary output requires 100 VAC minimum input voltage. |
| AC Protection | 0.5A Fuse 200kA interrupt capacity |
| Power Out | Unregulated 12VDC output. 200 mA. self-resetting fuse |
| Waveform Sampling | 1.8 kHz |
| Parameter Update Rate | 1 second |
| Measurements | Volts. Amps. kW. WAR. kVA, aPF. dPF. kW demand, kVA demand. Import (Received) kWh. Export (Delivered) kWh. Net kWh, Import (Received) kVAh. Export (Delivered) kVAh, Net kVAh. Import (Received) kVARh. Export (Delivered) kVARh. Net kVARh. THD, Theta, Frequency. All parameters for each phase and system total. |
| Accuracy | 0.2% ANSI C12.20-2010 Class 0.2 |
| Resolution | Values reported in IEEE-754 single precision floating point format (32 bit). |
| Indicators | 4-line display, tri-color backlight (PhaseChekTm) |
| Pulse inputs | Models 70D12, 70N12, 71 D12 – 4 inputs Models 70D48, 70N48. 71 D48 – 2 inputs |
| Alarm Output | Voltage Phase Loss Alarm (SPDT Relay – 30 VDC) ( only) |
Communication
| Hardware | RS-485. Ethernet. & USB (for configuration only) |
| Supported Protocols | Modbus RTU or BACnet Master Slave Token Passing protocol (MSITP) Modbus (using SunSpec IEEE-754 single precision floating point model) Modbus TCP BACnet IP |
| Max Communication Length (RS485) | et Range total length Belden 1120A or equivalent cable. w1110h0D met Range of 100K bits/second or less |
| RS-485 Loading | 1/8 unit |
| Communication Rate (baud) | Modbus: 9600 (Default), 19200, 38400. 57600. 76800. 115200 BACnet: 9600 (Default). 19200. 38400, 76800 |
| Data Bits | 8 |
| Parity | None. Even, Odd |
| Stop Bit | 2, 1 |
| Termination | None provided |
Mechanical
| Wire Connections & Voltage | 12-22 AWG 600 VAC. Voltage connection must be #14 AWG or larger 8 600 VAC rated |
| Mounting | Enclosure or Panel Mount |
| High Voltage Cover | IPSO (embedded version) |
| Operating Temperature | -20 to + 60,C (-4 to 140:F) |
| Humidity | 5% to 95% non-condensing |
| Enclosure | ABS Plastic. 94-VO flammability rating, connections sized for 1—inch EMT conduit |
| Dimensions | (L) 33.7cm x (W) 25.1cm x (H) 8.0 cm (13.3′ x 9.8″ x 3.1″) (enclosure version) (L) 26.2cm x (W) 24.1cm x (H) 8.0 cm (10.3″ x 9.5″ x 3.1″) (mounting plate version) |
| PCBA Dimensions | (L) 21.6cm x (W) 21.6cm x (H) 6.4 cm (8.5″ x 8.5″ x 2.57 |
VerifEye S7 Configuration Utilities Minimum System Requirements
| Operating System | Windows® 7. Windows 8, Windows 10 |
| Communications Port | USB or Ethernet connectivity |
| Certifications | FCC Part 15 Class A |

FCC SUPPLIER’S DECLARATION OF CONFORMITY:
Models 71D12, 71D48, 70D12, 70D48, 70N12, and 70N48 are sold by Leviton Manufacturing Inc. 201 N Service Rd, Melville, NY 11747. This device complies with part 15 of the FCC Rules. Operation is subject to the following two conditions: (1) This device may not cause harmful interference, and (2) this device must accept any interference received, including interference that may cause undesired operation.
FOR CANADA ONLY
For warranty information and/or product returns, residents of Canada should contact Leviton in writing at Leviton Manufacturing of Canada ULC to the attention of the Quality Assurance Department, 165 Hymus Blvd, Pointe-Claire (Quebec), Canada H9R 1E9 or by telephone at 1 800 405-5320.
LIMITED 5 YEAR WARRANTY AND EXCLUSIONS
Leviton warrants to the original consumer purchaser and not for the benefit of anyone else that this product at the time of its sale by Leviton is free of defects in materials and workmanship under normal and proper use for five years from the purchase date. Leviton’s only obligation is to correct such defects by repair or replacement, at its option. For details visit www.leviton.com or call 1-800-824-3005. This warranty excludes and there is disclaimed liability for labor for removal of this product or reinstallation. This warranty is void if this product is installed impro perly or in an improper environment, overloaded, misused, opened, abused, or altered in any manner, or is not used under normal operating conditions or not in accordance with any labels or instructions. There are no other or implied warranties of any kind, including merchantability and fitness for a particular purpose, but if any implied warranty is required by the applicable jurisdiction, the duration of any such implied warranty, including merchantability and fitness for a particular purpose, is limited to five years. Leviton is not liable for incidental, indirect, special, or consequential damages, including without limitation, damage to, or loss of use of, any equipment, lost sales or profits or delay or failure to perform this warranty obligation. The remedies provided herein are the exclusive remedies under this warranty, whether based on contract, tort or otherwise.
For Technical Assistance Call: 1-800-824-3005 (USA Only) or 1-800-405-5320 (Canada Only) www.leviton.com
© 2020 Leviton Mfg. Co., Inc.






EXAMPLE LOADS:
NOTE: The VerifEye meter series uses the NEUTRAL terminal as a voltage reference. For systems without a neutral conductor, Leviton suggests connecting a ground wire to this terminal. If the neutral terminal is left open, L-L measurements will be accurate, but L-N measurements may not be symmetric. If a ground wire is connected to the NEUTRAL terminal, <2mA will flow into the ground wire.


















