
Quick Installation Guide
Smart Meter
(GM1000D/GM3000/GM1000)
V1.0 -2022-01-25
Product Introduction

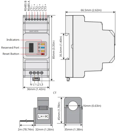
Installation
Packing List
[1]: For GM1000D and GM3000 only.
[2]: GM1000D x 8; GM1000 x 4; GM3000 x 6.
Installation and Cable Connection

Wiring System
GM1000D

- Recommended cable connected to the voltage input terminal: 1mm² (17AWG).
- CT direction: House (K)–>Grid (L).
GM1000

- Recommended cable connected to the voltage input terminal: 1mm² (17AWG).
- CT direction: House (K)–>Grid (L).
GM3000

- Recommended cable connected to the voltage input terminal: 1mm² (17AWG).
- CT direction: House (K)–>Grid (L).
Commissioning
Power ON
Step 1 Connect the smart meter cables.
Step 2 Power on the inverter and make sure that the inverter is working normally. Then the smart meter is powered on.
Indicator
| Type | Status | Description |
| Steady on | Power on | |
| Off | Power off | |
![]() | Steady on | Purchasing from the utility grid. |
| Blinking | Selling to the utility grid. | |
| Blinking | The communication is normal. | |
| Blink 5 | The meter is resetting |
Reset Button
| Press Time | Description |
| < 3s | Reset the smart meter. |
| 5s | Restore factory settings. |
| >10s | Restore factory settings and clear the historical energy data. |
Technical Parameters
| Model | GM1000D | GM1000 | GM3000 | |
| Application | Single-phase | Single-phase | Three-phase | |
| Voltage | Nominal Voltage | 110V/230V | 3 x 230V/380V | |
| Voltage Range | 100V-240V | |||
| Frequency | 50Hz/60Hz | |||
| Current Input | Nominal Current | CT in: 120A/40mA | ||
| Current Range | 0.48A-120A | |||
| Self-Consumption | <3W | |||
| Data Detection | CurrentNoltage/Active Power/Reactive Power/Power Factor/Frequency | |||
| Energy Calculation | Active/Reactive Power Energy | |||
| Precision | Voltage/Current | Class I | ||
| Active Power | Class I | |||
| Reactive Power | Class II | |||
| Communication | RS485(Bund Rate 9600/Modbus Protocol/Communication cable max. length 100m) | |||
| Interface | 3 LED (Power, Energy Consumption, Communication), USB port, Reset button | |||
| Mechanical | Size (L xWxH mm) | 36 x 85 x 66.5 | ||
| Weight | 360g | 250g | 450g | |
| Protection Class | IP20 (For indoor use) | |||
| Installation Method | Mounting rack | |||
| Operating Temperature | -25 – +60° C | |||
| Operating Humidity | <95%, No condensation | |||
| Altitude | <2000m | |||
EU Declaration of Conformity
The module sold in the European market meets the following directives and requirements:
- Electromagnetic compatibility Directive 2014/30/EU (EMC)
- Electrical Apparatus Low Voltage Directive 2014/35/EU (LVD)
- Restrictions of Hazardous Substances Directive 2011/65/EU and (EU) 2015/863 (RoHS)
- Waste Electrical and Electronic Equipment 2012/19/EU
- Registration, Evaluation, Authorization, and Restriction of Chemicals (EC) No 1907/2006 (REACH)
You can download the EU Declaration of Conformity at https://en.goodwe.com.
Official Website | ![]() |
| https://en.goodwe.com/ | https://en.goodwe.com/contact-us.asp |
No. 90 Zijin Rd., New District, Suzhou, 215011, China
www.goodwe.com
[email protected]

Official Website


















