TRINAMIC TMCM-1640 Bldc Motor Controller

Life support policy
TRINAMIC Motion Control GmbH & Co. KG does not authorize or warrant any of its products for use in life support systems, without the specific written consent of TRINAMIC Motion Control GmbH & Co. KG.
Life support systems are equipment intended to support or sustain life, and whose failure to perform, when properly used in accordance with instructions provided, can be reasonably expected to result in personal injury or death.
© TRINAMIC Motion Control GmbH & Co. KG 2011-2020
Information given in this data sheet is believed to be accurate and reliable. However neither responsibility is assumed for the consequences of its use nor for any infringement of patents or other rights of third parties, which may result from its use.
Specifications are subject to change without notice.
Features
The TMCM-1640 is a highly compact controller/driver module for brushless DC (BLDC) motors with up to 5A coil current, optional encoder and/or hall sensor feedback. For communication the module offers RS485 and (mini-)USB interfaces.
Applications
- Compact single-axis brushless DC motor solutions
Electrical data
- Supply voltage: +24VDC nom. (+12V… +28.5V DC)
- Motor current: up to 5A RMS (programmable)
Integrated motion controller
- High performance ARM Cortex™-M3 microcontroller for system control and communication protocol handling
Integrated driver
- High performance integrated pre-driver (TMC603)
- High-efficient operation, low power dissipation (MOSFETs with low RDS(ON))
- Dynamic current control
- Integrated protection
Interfaces
- USB: mini-USB connector, full speed (12Mbit/s) serial communication interface
- RS485 serial communication interface
- Hall sensor interface (+5V TTL or open-collector signals)
- Encoder interface (+5V TTL or open-collector signals)
- 3 general purpose inputs: 2x digital (+5V / +24V compatible), 1x analogue (0… 10V)
- 1 general purpose output (open-drain)
Software
- Available with TMCL™
- stand-alone operation or remote controlled operation
- program memory (non volatile) for up to 2048 TMCL™ commands
- PC-based application development software TMCL-IDE
- PC-based application development software TMCL-BLDC for initial settings
Please refer to separate TMCM-1640 TMCL™ Firmware Manual for further information
Order codes
Cables are not included. Add the TMCM-1640-CABLE to your order if required.
| Order code | Description | Dimensions [mm] |
| TMCM-1640 | 1-axis BLDC controller/driver module with up to 5A / 28.5V. RS485 and USB 2.0 interface | 42 x 42 x 15 |
| Component parts | ||
| TMCM-1640-CABLE | Cable-loom for TMCM-1640 | |
| Related motors | ||
| QBL4208-41-04-006 | QMot BLDC motor 42 mm, 4000RPM, 0.06Nm | 42 x 42 x 41 |
| QBL4208-61-04-013 | QMot BLDC motor 42 mm, 4000RPM, 0.13Nm | 42 x 42 x 61 |
Mechanical and electrical interfacing
Controller/driver board size and mounting holes
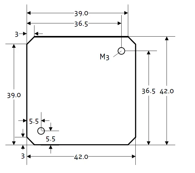
The dimensions of the controller/driver board (TMCM-164) are approx. 42mm x 42mm in order to fit on the back side of a 42mm NEMA 17 brushless DC motor. Maximum component height (height above PCB level) without mating connectors is around 10mm and about 3mm below PCB level. There are two mounting holes for M3 screws for mounting the board directly to a NEMA 17/42mm flange size brushless DC motor.
Figure 4.1: Module dimension and position of mounting holes
Connectors
The controller/driver board offers 6 connectors including the motor connector which is used for attaching the motor coils to the electronics. In addition to the power connector there is one connector for (optional) motor hall sensor signals and one connector for (optional) incremental encoder signals. For serial communication a mini-USB connector has been integrated on-board. There is an additional connector for RS485 serial communication, 3 general purpose inputs and one output. General purpose inputs and output may have dedicated functionality depending on firmware.
| Domain | Connector type | Mating connector type |
| Power | Tyco electronics (formerly AMP) MTA-100 series (3-640456-2), 2 pol., male | MTA 100 series (3-640440-2), 2 pol., female |
| Motor | Tyco electronics (formerly AMP) MTA-100 series (3-640456-3), 3 pol., male | MTA 100 series (3-640440-3), 3 pol., female |
| USB | 5-pin standard mini-USB connector, female | 5-pin standard mini-USB connector, male |
| Hall | 2mm pitch 5 pin JST B5B-PH-K connector | Housing: JST PHR-5 Crimp contacts: BPH-002T-P0.5S (0.5-0.22mm) |
| Encoder | 2mm pitch 5 pin JST B5B-PH-K connector | Housing: JST PHR-5 Crimp contacts: BPH-002T-P0.5S (0.5-0.22mm) |
| I/O, RS485 | 2mm pitch 8 pin JST B8B-PH-K connector | Housing: JST PHR-8 Crimp contacts: BPH-002T-P0.5S (0.5-0.22mm) |
Power connector
A 2-pin Tyco electronics (formerly AMP) MTA-100 series connector (3-640456-2) is used as power connector onboard.
Mating connector: Tyco electronics (formerly AMP) MTA-100 series (3-640440-2)
![]()
| Pin | Label | Description |
| 1 | +U | Module + driver stage power supply input | |
| 2 | GND | Module ground (power supply and signal ground) |
Table 4.1: Connector for power supply
- Please note, that there is no protection against reverse polarity and only limited protection against voltages above the upper maximum limit. The power supply typically should be within a range of +9 to +28.5V.
- When using supply voltages near the upper limit, a regulated power supply is mandatory. Please ensure that enough power filtering capacitors are available in the system (2200µF or more recommended) in order to absorb mechanical energy fed back by the motor in stalling conditions and in order to prevent any voltage surge e.g. during power-on (especially with longer power supply cables as there are only ceramic filter capacitors on-board). In larger systems a zener diode circuitry might be required in order to limit the maximum voltage when the motor is operated at high velocities.
- The power supply should be designed in a way that it supplies the nominal motor voltage at the desired maximum motor power. In no case shall the supply value exceed the upper voltage limit.
- To ensure reliable operation of the unit, the power supply has to have a sufficient output capacitor and the supply cables should have a low resistance, so that the chopper operation does not lead to an increased power supply ripple directly at the unit. Power supply ripple due to the chopper operation should be kept at a maximum of a few 100mV.
Guidelines for power supply:
- keep power supply cables as short as possible
- use large diameters for power supply cables
- add 2200µF or larger filter capacitors near the motor driver unit especially if the distance to the power supply is large (i.e. more than 2-3m)
Motor connector
A 3-pin Tyco electronics (formerly AMP) MTA-100 series connector (3-640456-3) is used as motor connector on-board.
Mating connector: Tycos electronics (formerly AMP) MTA-100 series (3-640440-3)
![]()
| Pin | Label | Description |
| 1 | BM1 | Motor coil phase 1 / U | |
| 2 | BM2 | Motor coil phase 2 / V | |
| 3 | BM3 | Motor coil phase 3 / W |
Hall sensor connector
A 2mm pitch 5 pin JST B5B-PH-K connector is used for hall sensor signals.
- Mating connector housing: PHR-5
- Mating connector contacts: SPH-002T-P0.5S.
![]()
| Pin | Label | Description |
| 1 | GND | Hall sensor supply and signal ground | |
| 2 | +5V | +5V output for hall sensor supply | |
| 3 | HALL_1 | Hall sensor signal 1 | |
| 4 | HALL_2 | Hall sensor signal 2 | |
| 5 | HALL_3 | Hall sensor signal 3 |
Table 4.3: Connector for hall sensor signals
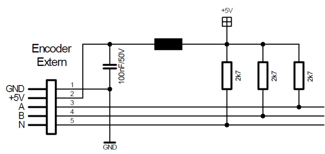
Encoder connector
- A 2mm pitch 5 pin JST B5B-PH-K connector is used for encoder signals.
- Mating connector housing: PHR-5
- Mating connector contacts: SPH-002T-P0.5S.
![]()
| Pin | Label | Description |
| 1 | GND | Hall sensor supply and signal ground | |
| 2 | +5V | +5V output for encoder supply (max. 100mA) | |
| 3 | A | Encoder channel a | |
| 4 | B | Encoder channel b | |
| 5 | N | Encoder index / null channel |
Table 4.4: Connector for encoder signals
USB connector
A 5-pin standard mini-USB connector is available on board for serial communication.
![]() | Pin | Label | Description |
| 1 | VBUS | +5V power | |
| 2 | D- | Data – | |
| 3 | D+ | Data + | |
| 4 | ID | Not connected | |
| 5 | GND | ground |
Table 4.5: Mini USB connector
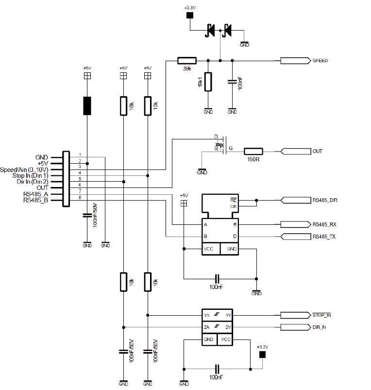
GPIOs and RS485 connector
A 2mm pitch 8 pin JST B8B-PH-K connector is used for connecting general purpose inputs and outputs.
- Mating connector housing: PHR-8
- Mating connector contacts: SPH-002T-P0.5S
|
| Pin | Label | Description |
| 1 | GND | Signal and system ground | |
| 2 | +5V | +5V output for supply of external circuit (max. 100mA) | |
| 3 | AIN | Analog input (0… 10V), may be used as velocity control input in standalone mode (depending on firmware) | |
| 4 | IN_0 | Digital input, may be used as stop (STOP_R) / limit switch input (depending on firmware) | |
| 5 | IN_1 | Digital input, may be used as stop (STOP_L) / limit switch input (depending on firmware) | |
| 6 | OUT | Digital output (open-drain, max. 100mA) | |
| 7 | RS485+ | RS485 2-wire serial interface (non-inverted signal) | |
| 8 | RS485- | RS485 2-wire serial interface (inverted signal) |
Table 4.6: General purpose input/output connector
Input/output circuits
Hall sensor input
The hall sensor input circuit supports +5V push-pull (TTL) and open-collector hall sensor signals. In order to support open-collector signals the input circuit offers 2k7 pull-up resistors to +5V (generated on-board from power supply voltage).
Figure 4.3: Hall sensor input circuit
Encoder input
The encoder input circuit supports +5V push-pull (TTL) and open-collector hall sensor signals. In order to support open-collector signals the input circuit offers 2k7 pull-up resistors to +5V (+5V generated on-board from power supply voltage).
Figure 4.4: Encoder input circuit
General purpose inputs/outputs
On-Board LEDs
The board offers three LEDs in order to indicate board status. The green LED turns on in case +5V from the on-board DC/DC switching regulator is available. The function of the two red LEDs is dependent on the firmware version. With standard TMCL firmware one red LED indicates high temperature (Temperature Warning) and the other will turn on in case the motor current reaches the limit that has been previously set in software (Overcurrent).
BEHAVIOR OF LEDS WITH STANDARD TMCL FIRMWARE
| Label | Description |
| +5V | green LED, indicates +5V available from the on-board DC/DC regulator |
| Temperature Warning | Red LED, flashes when on-board temperature rises above approx.. 100°C and remains permanently on when temperature exceeds approx.. 120°C |
| Overcurrent | Red LED, on when motor current reaches MaxCurrent setting in software |
Operational ratings
The operational ratings shown below should be used as design values. In no case should the maximum values been exceeded during operation.
| Symbol | Parameter | Min | Typ | Max | Unit |
| +U | Power supply voltage for operation | 9 | 24 | 28.5 | V DC |
| ICOIL | Continuous motor current (RMS) | 0 | 3 | 5 | A |
| ISUPPLY | Power supply current | << ICOIL | 1.4 * ICOIL | A | |
| TENV | Environment temperature at rated current (no forced cooling required) | tbd | °C |
| Symbol | Parameter | Min | Type | Max | Unit |
| VHALL | Signal voltage at hall sensor input 1/2/3 (either push-pull (TTL) or open- collector (internal 2k7 pull-up)) | 0 | 5 | V | |
| VENCODER | Signal voltage at encoder input a/b/n (either push-pull (TTL) or open-collector (internal 2k7 pull-up)) | 0 | 5 | V | |
| VAIN | Signal voltage at analog input AIN | 0 | 10 | V | |
| VDIN_1/DIN_2 | Signal voltage at digital input DIN_1, DIN_2 | 0 | 24 | V | |
| VDIN_1/DIN_2_L | Signal voltage at digital input DIN_1, DIN_2, low level | 0 | 0.8 | V | |
| VDIN_1/DIN_2_L | Signal voltage at digital input DIN_1, DIN_2, high level | 2 | 24 | V |
Functional description
In Figure 7.1 the main parts of the TMCM-1640 module are shown. The module mainly consists of the Cortex™-M3 CPU, TRINAMICs TMC603A 3-phase pre-driver, the MOSFET driver-stage, and the USB 2.0 interface.
System architecture
The TMCM-1640 integrates a microcontroller with the TMCL™ (Trinamic Motion Control Language) operating system. The motion control real-time tasks are realized by the TMC603A.
Microcontroller
On this module, the ARM Cortex™-M3 CPU 32-bit processor is used to run the TMCL™ operating system and to control the TMC603A. The flash ROM of the microcontroller holds the TMCL™ operating system. The EEPROM memory is used to permanently store configuration data. The microcontroller runs the TMCL™ operating system which makes it possible to execute TMCL™ commands that are sent to the module from the host via the interface. The microcontroller interprets the TMCL™ commands and controls the TMC603A which executes the motion commands.
The TMCL™ operating system can be updated via the host interface. Please use the latest version of the TMCL-IDE to do this.
TMC603A 3-phase pre-driver
The TMC603A is a three phase motor driver for highly compact and energy efficient drive solutions. It contains all power and analog circuitry required for a high performance BLDC motor system. The TMC603A is designed to provide the frontend for a microcontroller doing motor commutation and control algorithms. It integrates shunt resistor based current measurement. Protection and diagnostic features as well as a step- down switching regulator further reduce system cost and increase reliability.
Revision history
Document revision
| Version | Date | Author GE – Göran Eggers SD – Sonja Dwersteg | Description |
| 0.90 | 2010-MAY-05 | GE | Initial version |
| 1.00 | 2011-FEB-14 | SD | First complete version |
| 1.01 | 2011-MAY-12 | SD | Minor changes |
| 1.02 | 2011-OCT-31 | SD | Table for connectors and mating ones new, minor changes |
| 1.03 | 2011-NOV-03 | SD | Order codes new |
| 1.04 | 2011-NOV-16 | GE | Table overview mating connectors corrected |
| 1.05 | 2018-MAR-12 | GE | Note on sensorless operation (hallFx™) removed |
| 1.06 | 2020-OCT-02 | GE | Description LEDs added |
Hardware revision
| Version | Date | Description |
| TMCM-164_V10 | 2010-APR-09 | First 8 prototype boards |
| TMCM-1640_V10 | 2010-DEC-10 | First version pre-series |
Table 8.2: Hardware revision
References
- [TMCM-1640] TMCM-1640 TMCL™ Firmware Manual
- [TMCL-IDE and TMCL-BLDC] TMCL-IDE User Manual
- [TMC603A] TMC603A Datasheet
- [QBL4208] QBL4208 Manual
Please refer to our homepage http://www.trinamic.com.
Copyright © 2011-2020, TRINAMIC Motion Control GmbH & Co. KG
TRINAMIC Motion Control GmbH & Co. KG
Hamburg, Germany
www.trinamic.com
TMCM-1640 1-axis BLDC controller / driver 5A / 24V DC RS485 + USB interface hall sensor interface encoder interface

























