HS-Technik BTC-24 BTC Tool Controller

Operating Principles
This quality product “Made in Germany” fulfils the highest requirements with regard to performance, quality and accuracy. When used correctly the product will undoubtedly perform very well for many years.
These operating instructions contain information on safety and for the operation of the BTC-24. In addition it contains information on the dimensions and technical data. We would be happy to assist you with additional information or to answer your questions. Our technical support and our technicians would be happy to assist you.
Scope of Delivery
- BTC-24 extension
- Cable for power supply
- Ethernet cable
- Operating instructions
General Information
Read the device operating manual before initial operation. Please pay particular attention to Chapter 2 “General Safety Notes”.
This manual should make it easier for the operator to get used to the device and of its intended application possibilities. The operating instructions include important information related to the safe and proper operation of the device. Compliance with these instructions helps you to:
- Avoid dangers
- Avoid repair costs and downtimes
- Increase the reliability and the lifespan of the product.
This manual must be read and applied by every person who is assigned to conduct work using this device.
In addition to this operating instructions the applicable regulations on accident prevention and environmental protection should be observed.
NOTE
After reading, keep the operating instructions in a place accessible to every operator. If you have any further questions, please feel free to contact us.
Technical Terms and Abbreviations Used
- °C
Degrees Celsius, temperature - AC
Alternate current - Hz
Hertz, Frequency - mNN
Meters above sea level, height - SN
Serial number - V
Volts, electrical voltage - W
Watts, electrical power
Intended Use
This device was designed to expand the BTC-Tool Controller with digital in- and outputs.
WARNING
Intended use also includes
- following all indications of the operating instructions and
- observance of inspection and maintenance works.
Improper Use
DANGER
The use of this device for other purposes is not permitted. Improper use or incorrect accessories can lead to dangers with unforeseeable consequences.
We accept no liability for damage and malfunctions resulting from non-observance of these operating instructions and improper use.
Duties of The Operator
The operator committed to only allow people who are familiar with the basic regulations on work safety and accident prevention and who have been trained on how to use the device at the workplace and to work with this device.
The safety awareness of the personnel while working will be reviewed at regular intervals.
Duties of Personnel
Prior to its use all people who work with this device are obligated to inform themselves of the applicable workplace safety and accident prevention regulations for this device and to observe them.
Training of Personnel
Only trained and instructed personnel should work with this device. The responsibilities of the personnel must be clearly defined. Trainees may only work with this device under the supervision of an experienced person.
Guarantee and Liability
Guarantee and liability claims for personal injury and property damage are excluded, if caused by one or more of the following:
- improper use
- failure to observe these operating instructions
- improper installation, commissioning, operation and maintenance of the device
- Operating the device with defective safety devices or improperly installed, or non-functioning safety and protective devices
- Failure to observe the information in the operating instructions regarding transport, storage, assembly, commissioning, operation and maintenance of the device
- unauthorized structural modifications to the device
- improperly performed repairs
- catastrophes due to external influences and acts of God
Copyright
These operating instructions are intended solely for the operator and its personnel. They contain guidelines and information which may not be fully, or partially
- reproduced
- distributed or
- otherwise shared.
The copyright of these operating instructions is retained by HS-Technik GmbH. Manufacturer’s address:
Im Martelacker 12
D-79588 Efringen-Kirchen
Telephone: +49 (0)7628 – 91 11-0
Fax: +49 (0)7628 – 91 11-90
E-mail: [email protected]
Internet: www.hs-technik.com
General Safety Information for Power Tools
DANGER
Read all the safety information, instructions, illustrations and technical data which is provided with this device. Failure to follow the instructions below may result in electric shock, fire and/or serious injury.
WARNING
This device was manufactured in according with current state-of-the-art technology and recognized technological safety guidelines. However, its use may jeopardies the health and life of the user or third parties, or risk damage to other property.
WARNING
The workplace must only be used in accordance with its intended use and in technically perfect condition.
NOTE
Keep all safety information and instructions for the future.
NOTE
Only have your device repaired by qualified professional staff and only with original replacement parts which are available at HS-Technik GmbH. This ensures that the safety of the device is maintained.
Important Information About this Device
Structural Modifications
No changes, additions or conversions to the device may be made without the approval of the manufacturer.
All conversion measures require written permission and confirmation by HS-Technik GmbH.
WARNING
In the event of the replacement of wear and tear parts only original replacement parts may be used.
Cleaning the Device and Disposal
NOTE
Observe the following information for cleaning your device. Incorrect cleaning supplies or improper procedures when cleaning can lead to damage to the device.
Do not use any degreasing or corrosive cleaning supplies and no water. Do not spray any cleaning supplies, solvents or easily flammable materials into the openings of the housing!
Substances and materials used must be handled and disposed of properly, particularly when cleaning with solvents.

Start-up and Use
DANGER
Risk of injury from damaged devices
Damaged devices can lead to injuries or damages.
- All damaged parts must be repaired before use.
Risk of injury from falling devices
Falling devices can lead to injuries or damages.
- Avoid dropping the device.
Risk of injury due to improper use
Improper use can lead to injuries or damage.
- Use the device only for the intended purposes.
NOTE
Maintain your device with care. Follow the operating instructions during maintenance and cleaning.
NOTE
Do not drop the device, and do not let any other objects fall onto the device. Protect it from impacts.
NOTE
Ensure that the device does not come into contact with splashing water or oil.
Device Structure
- Power supply
- Main switch
- Subnet connection
- Customer cable inlet
- LED state displays
- Power supply display



Start-up of the BTC-24
Assembly of the BTC-24
The BTC-24 is intended for wall mounting. This requires 4xM5 mounting screws.

Specifications in mm
Not shown to scale
NOTE
Please install the controller so that the connection socket is easily accessible in order to ensure a quick and safe disconnection from the network in an emergency.
Connection to the BTC
The expansion module is connected to the BTC controller using the communication cable provided. The BTC must have a corresponding features to use the digital inputs and outputs.
Functional designation of I/O’s
Fixed mapping of controls, internally programmed by optional feature of BTC.
Other functionalities available on demand.
| Position | Module | Input | Bit No | 2 – 6 digital inputs |
| 3 | 1 | DI 1 DI 2 DI 3 DI 4 | 0 1 2 3 | Selection Programm-No. 0…15 |
| DI 5 DI 6 | 4 5 | No. of screws / rivets 0…15 → 1…16 (max. 16) | ||
| 4 | 2 | DI 1 DI 2 | 0 1 | |
| DI 3 DI 4 | 2 3 | Selection Tool-No., 0…3 0…3 → 1…4 (max. 4) | ||
| DI 5 | 4 | abort | ||
| DI 6 | 5 | start |
| Position | Module | Output | Bit No. | 3× 2 relay NO/NC contacts |
| 5 | 1 | NO/NC 1 | 0 | ready |
| NO/NC 2 | 1 | preset accepted | ||
| 6 | 2 | NO/NC 1 | 2 | aborted |
| NO/NC 2 | 3 | result IO | ||
| 7 | 3 | NO/NC 1 | 4 | result NIO |
| NO/NC 2 | 5 | error |
Interface to Digital Input Modules
Pinout

Connection Example

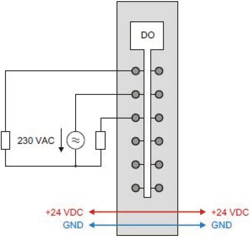
Interface to Relay Output Modules
Pinout

Connection Example

Maintenance and Servicing
Apart from the regular cleaning and the visual inspection for damages the device is nearly maintenance-free.
Storage
Observe the following information when storing the BTC-24:
- Store the device in a dry environment protected against splashing water.
- Store the device in a well ventilated space and protected against exposure to dust.
- Ensure that the storage environment is free of aggressive chemicals and vapors.
Technical Data
| Description | BTC-24 |
| Dimensions L × W × H | 260 – 90 – 175 mm |
| Weight | approx. 2.2 kg |
| Fastening | wall mount |
| Protection class | IP20 |
| Operating conditions | 0 … 40°C / 32 … 104°F, 20 … 60% RH, non-condensing |
| Transportation and storage | -20 … 60°C / -4 … 140°F, 0 … 75% RH, non-condensing |
| Voltage supply | 110 … 240 VAC mains supply, max. 15 W |
| Inputs | 12x 20 … 28 VDC, ca. 4 mA |
| Outputs | 6x potential free relay NO/NC contacts max. 30 VDC / 240 VAC, max. 5 A |

Troubleshooting and Fault Repair
The BTC-24 by HS-Technik is a very long-lasting tool.
If, however, a device does not work properly you can find, and eliminate, the most frequent causes for errors in the table below.
| Error | Possible Cause | Remedy |
| No function, no light indications turned on | Missing power supply | Check the cable and the main switch |
| No function, power indication turned on | No subnet connection | Check the Ethernet cable |
If the error still persists or is not listed, please contact HS-Technik GmbH.
Repairs:
Telephone: +49 (0)7628 / 91 11-0
Email: [email protected]
Programming:
Telephone: +49 (0)7628 / 91 11-0
Email: [email protected]
Please note the following information:
- Serial number of the device
- What error has occurred?
- Display
- When did the error first appear?
- What have you done to fix the error?
We reserve the right to make errors, technical changes to our products and changes to the delivery program in the course of further development.
CE Declaration of Conformity
We, the manufacturer, hereby declare that the named device complies with the essential protection requirements of the listed EU directives regarding design and construction type.
The prerequisite for this is the intended use of the device as well as compliance with the installation and commissioning instructions.
If the product or its accessories are modified without our permission, this declaration becomes invalid.
Device Description: BTC digital I/O extension
Type Designation: BTC-24
Manufacturer: HS-Technik GmbH, Im Martelacker 12, D-79588 Efringen-Kirchen
Directives: 2014/30/EU, 2014/35/EU
Applied Standards: EN 62368-1:2014, EN 61131-2:2007, EN 61000-6-2:2005 + AC:2005, EN 61000-6-4:2007 + A1:2011



















