
CHANGSHA SPARK TECHNOLOGY ELECTRONICS CO.,LTD
SF-K1
USER MANUAL

SPARK FABRICA
www.sparkfabrica.com
DISCLAIMER
Please read the manual carefully before installing and using this product. Failure to read or comply with this manual may result in injury to products and personnel, and Spark Fabrica shall not be responsible for this.
This product is a professional machine, we do not assume any responsibility for accidents or losses caused by the use or maintenance of this product by personnel without professional training and permission.
If the information contained in the manual or the product specifi cations are changed, Spark Fabrica will not inform you further and responsible for any errors or omissions.
Our company reserves the right to modify the user manual at any time.
PREFACE
This manual includes warning, caution and notice concerning the safe operation of equipment. These warning, caution and notice come with the following icons. Please read them carefully!
This warning indicates a dangerous situation that may result in death or serious injury if not avoided.
This alert indicates a dangerous situation that may result in mild or moderate injury if not avoided.
This means that you need to be careful.
PRODUCT INTRODUCTION
Kungfupao is a new spark device without gunpowder and !reworks invented by Changsha Spark Technology Electronics Co., Ltd. It is a new product which produce ist ant spark effect. This product can be widely used in weddings, opening celebration, meeting, sports events, concert and so on.
1.1 PRODUCT OVERVIEW

1.2 PRODUCT ACCESSORIES
1.6M Power Plug
User Manual
3 Meters Power Pair Cable (optional)
3 Meters DMX Pair Cable
1.3 BUTANE GAS
Granule for this product is liquefied butagas, and the gas cylinder is universal portable butagas cylinder. Its dimension is 68mm*180mm, and volume is 220±5g. Please use qualified products from formal manufacturer.

TECHNICAL PARAMETER
| Identification | Brand | SPARK FABRICA |
| Name | Kungfupao/SF-K1 | |
| AC Power | Input Voltage & Frequency | 100-260V,50 / 60HZ |
| Battery Quantity | 6 | |
| Battery Mode | 18650 Lithium Battery | |
| Power | 10W | |
| Granule | Granule | Composite Ti (medium) |
| Powder Consumption (100% Output) | 1g | |
| Height | 3M | |
| Powder Tank Capacity | 70g | |
| Gas Cylinder | Tank type | Portable Butagas Cylinder |
| Number Of Installed Gas Tanks | 2 | |
| Gas Consumption | 8g-10g /min | |
| Weight | Net Weight | 16Kg |
| Gross Weight | 18Kg | |
| Dimension | Machine Dimensions – L*W*H | 400*350*285mm |
| Machine Packing Dimensions – L*W*H | 455*400*310mm |
SCREEN OPERATION GUIDE
3.1 BACK PANEL INTRODUCTION

3.2 DMX PARAMETER LIST
| First Channel | Function |
| 0-9 | Fire off |
| 10-255 | Fire on |
| Second Channel | Function |
| 0-9 | Close gas loading |
| 10-255 | Start gas loading |
SAFETY NOTICE
Do not mount the product on a “ammable surface (linoleum,carpet, wood, paper, carton, plastic, etc). Make sure there are no in”ammable or combustible materials in the using environment.
Do not use in a confined space. Always install the product in a location with adequate ventilation, at least 20 in (50 cm) from adjacent surfaces.
This product has no lightning protection, please do not use this product in thunderstorm weather.
Keep people or fiammable materials at least 10 feet (3 meters) away from the machine, and make sure that debris does not fall on fiammable objects.
Always connect the ground wire to avoid electric shock. The machine cannot be submerged in water while operating it.
Ground water entering or covering the bottom of the machine will cause machine failure or electrical leakage risk. Make sure the bottom of the machine is at a safe distance from the surface water in rainy weather to avoid surface the machine from the bottom.
Minors are prohibited from using and operating.
Minors are prohibited from using and operating.
Please read user manual before use.
Please use a qualified butane gas and strictly follow the instructions on the tank.
Make sure the surrounding area is well ventilated without inflammable material.
The safety distance of this product is 3 meters.
The nozzle of this product has a strong air pressure, please do not place other items on the nozzle.
It is necessary to remove the gas tank when the product is stored in outdoor with high temperature for a long time.
After use, please take out gas tank and store it in a cool & ventilated place to avoid direct sunlight.
Don’t aim nozzle at people or other things.
MACHINE OPERATION
5.1 INSTALL BATTERY
This product is powered by batteries which are 18650 lithium batteries. A total of six batteries’ standby time is 160 hours. Battery will be charged automatically when the power input plug is connected. Green light of “RUN” indicates that batteries are full when power switch is turned on. Please use the same voltage and capacity batteries, otherwise batteries may be overcharged and cause !re or explosion accidents.
5.2 ADJUST#ANGLE
* The angle of gun tube can be adjusted freely. There are 5 angles, and each angle is spaced 15 degrees apart. Please install safety shaft to the position required before adjustment and pull up lock pin to adjust the angle.

5.3 INSTALL MACHINE#
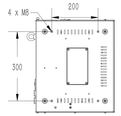
Install machine on the solid horizontal ground or truss, through four M8 nuts on the base-plate.

5.4 INSTALL BUTANE GAS
*Symbol of ![]()
are showed on the panel.
*Install tank: Combine tank’s gas with
,and spin to
.
*Remove tank:Spin tank to
for removing it.
If the tank can’t be installed successfully, please check buckle is in the right place.
5.5 FILL GRANULE
Spark Fabrica Granule is the consumable specially designed for spark machine, to simulate cold fountain re works eect for stage.
*Tear the vacuum package of granule, and fill the granule into the nozzle of Kungfupao.

Please do not aim Nozzle as person or other things.
START TO OPERATE
6.1 TURN ON MACHINE’S POWER
*Use AC power: After connecting power, switch power to ON. Then power light and digital tube light will be ON.
*Use DC power: Digital tube light and power light will be ON after connecting DC power.
* It means no granule when digital tube shows”E1”.
6.2 DMX CONTROL
Use DMX cable to connect 512 console and machines’ DMX IN interface. DMX OUT can connect multiple machines, and set the ADDRESS code of DMX for each machine a$er connection. This product has 2 channels mode. Please refer to screen operation guide to set DMX parameters ,and please do not set address code repeatedly.
6.4 DISCONNECT POWER AND CLEAR
*Turn off the machine.
* Disconnect power and DMX signal cable.
*Remove gas tank and store it in a cool, well-ventilated place to avoid direct sunlight.
*Check if there is foreign matter in machine and remove it.
FAILURE HANDLING
| Display Code | Error Information | Solution |
| E1 | Lack of granule | Replace granule |
| E3 | Gas leakage fault | Check the leakage and replace the pipe |
WARRANTY INSTRUCTIONS
Sincere thanks for your choosing Kungfupao SF-K1, you will receive quality service from us.
The product warranty period is 3 year. If there are any quality problems within 7 days a$er shipping out from our factory, we can exchange a brand new same model machine for you.
We will offer free of charge maintenance service for machines which with hardware malfunction (except for the instrument damage caused by human factors)in warranty period. Please don’t repair machine without factory permission.
Below situations NOT included in warranty service:
Damage caused by improper transportation, usage, management, and maintenance, or damage caused by human factors;
Disassemble, modify or repair products without SPARK FABRICA permission;
Damage caused by external reasons (lightning strike, power supply etc);
Damage caused by improper installation or use;
For product damage not included in warranty range, we can provide paid service.
*Invoice and warranty card are necessary when applying for maintenance service from SPARK FABRICA.
WARRANTY CARD
| Product Name: | Serial No: | ||
| Purchase Date: | |||
| Tel: | |||
| Address: | |||
| Info.Feedback About The Problem: | |||
| Actual Problem: | |||
| Maintenance Detail: | |||
| Service Engineer: | Service Date: | ||


[email protected]
+86 138 7585 1139


















