Spark Fabrica SF-01 Spark Machine Downward Flow

DISCLAIMER
Please read the manual carefully before installing and using this product. Failure to read or comply with this manual may result in injury to products and personnel, and Spark Fabrica shall not be responsible for this.
This product is a professional machine, we do not assume any responsibility for accidents or losses caused by the use or maintenance of this product by personnel without professional training and permission.
If the information contained in the manual or the product specifications are changed, Spark Fabrica will not inform you further and responsible for any errors or omissions.
Our company reserves the right to modify the user manual at any time.
PREFACE
- This manual includes warning, caution and notice concerning the safe operation of equipment. These warningcaution and notice come with the following icons. Please read them carefully!
![]() | This warning indicates a dangerous situation that may result in death or serious injury if not avoided. |
![]() | This alert indicates a dangerous situation that may result in mild or moderate injury if not avoided. |
![]() | This means that you need to be careful. |
PRODUCT INTRODUCTION
This product belongs to speciol effects equipment, only tor professionol use.
This product belongs to the cold fireworks simulation special effects equipment, using CST technology, heating special metal powder, and sparking silver spark fountain which is safer than the traditional cold fireworks.It has three controllable variables: height, density and duration.
This product is widely used in weddings, concerts, sports events, event meetings and so on.Stimulate your interest and light up your activity.
PRODUCT OVERVIEW

PRODUCT ACCESSORIES
- 1.6 Meter Power Plug
- 3 Meters Power Pair Cable
- 3 Meiers DMX Pair Cable
- Upload Box (Opttonal)
- User Manual
- Safety Rope
![]() | Open the package carefully and check fa make sure the goods are in good condition. |
SPARK FABRICA GRANULE
A special metal powder has the characteristics of high content, little residue, belonging to a special consumables with no smoke, odor and other harmful gas when sparking.
![]() | Only the consumables provided by Spark Fabrica are allowed to be used. Spark Fabrica shall not be liable for any damage to machines, personnel and property caused by the use of consumables not provided by the company. |
TECHNICAL PARAMETER
| Identification | Manufacturer | SPARK FABRICA |
| Name | SPARK RAIN PRO | |
| Model | SF-01 | |
| AC Power | Model | 100-120V, 50 / 60HZ |
| Input Voltage & Frequency | 200-240V, 50 / 60HZ | |
| Current Limiter Specifications | 6.3A, 100-120V / 6.3A,200-240V | |
| Constant Current | 5.5A, 100-120V / 2.7A,200-240V | |
| Nominal Total Power Consumption | 600W | |
| Power Input Connector | SEETRONK: | |
| Power Output Connector | SEETRONK: | |
| DMX Signal Interface | 5PIN | |
| Heating | Heat Up Time | <5 Minutes |
| Hopper | Powder Tank Capacity | 150g |
| Removable Hopper | N/A | |
| Technical Parameters | Lineary Adjustable Density | 30-100% |
| Adjustable Height | 3-8m | |
| Height Level | 1-10 Level | |
| Powder Consumption (100% Output) | 20-25g/Minute | |
| Maximum Single Continuous Duration | 30s | |
| Control | Control Protocol | DMX-512 |
| RFID Proximity Card | ||
| RDM | ||
| CAN | ||
| SMPTE | Touch screen Console Support | |
| Accessory | Power Plug | SEETRONK: (1.6Meter) |
| Remote Controller | Optional | |
| DMX Cable | 3Meter | |
| Power Cable | 3Meter | |
| Safety Ring | ||
| Safety Rope | ||
| Bottom Mounting Screw | ||
| Software Upgrade Box | Optional | |
| 120ohms Terminal Resistance | Optional | |
| Certification | CE | |
| ROHS | ||
| Weight | Net Weight | 8kg |
| Gross Weight | 10kg | |
| Dimensions | Machine Dimensions – L *W*H | 215mm*213mm*257mm |
| Packing Dimensions – L *W*H | 270mm*250mm*330mm | |
| Granule | Granule | Spark Fabrica Granule |
SCREEN OPERATION GUIDE
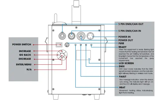
BACK PANEL INTRODUCTION


![]() | Press to enter the menu setting. The screen will automatically return to the main state Interface with no modification. |
![]() | Press ▲ key or ▼ key to modify parameters. The parameters will be flash oner the modification, and please press < OK > key to save the change. |
![]() | Press ◄ key will return to previous page. |
STATUS ICONS

![]() | When the icons are green means the machine is working normally, and yellow means abnormal. |

RDM
RDM allows the console with RDM function to set the DMX address and starting temperature of Spark Jet Pro.
DMX PARAMETER LIST
| First Channel | Function |
| 0-10 | Stop |
| 11-255 | Fountain Height 1-25 |
| Second Channel | Function |
| 0-200 | Pre-heat Off |
| 11-39 | Emergency Stop |
| 56-200 | Clear Material |
| 240-255 | Pre-heat On |
| Third Channel | Function |
| 0-255 | Density Adjustment (0 is Maximum Density) |
| Salty Channel | Function |
| 0-200 | Control Off |
| 201-255 | Control On |
OPERATION NOTES
Please read the following Operation Notes carefully before working with the machine.
WORKING CONDITION REQUIRED
![]() | Do not mount the product on a flammable surface (linoleum, carpet, wood, paper, carton, plastic, etc). Make sure there are no inflammable or combustible materials in the using environment. |
![]() | Do not use in a confined space. Always install the product in a location with adequate ventilation, at least 20 in (50 cm) from adjacent surfaces. |
![]() | This product has no lightning arrester, please do not use this product in thunderstorm weather. |
![]() | Keep people or flammable materials at least 10 feet (3 meters) away from the machine, and make sure that debris does not fall on flammable objects. |
![]() | Do not use the machine at temperature above 122 ºF (50 ºC ). |
SAFETY TIPS
![]() | Always connect the ground wire to avoid electric shock. The machine cannot be submerged in water while operating it. |
![]() | Do Not touch the sparks. During heating up and operation, do not touch the housing. |
![]() | Ensure nothing drop(s) into the nozzle of Spark Rain Pro unit. Do Not cover output nozzle port. |
![]() | The product is very hot during operation and ii remains hot for a long time after operation has stopped. Do not touch or put finger in the output nozzle. |
![]() | Make sure that children, unauthorized people and animals do not obtain access to the machine. |
![]() | The noise level generated from the spark machine unit is estimated at B0dB depending on the point nearest to the machine(s) during operational discharge mode. |
![]() | Wear eye protection to avoid eye injury while filling granules and testing spark machine(s). |
![]() | The proper firefighting extinguishers are recommended as follows: Any type of sand or substance that can suffocate the active metals. Class “D” Fire Extinguishers for Metal Substance Fires. |
MACHINE OPERATION
PERPARATION
Install the machine on a firm and level truss, and the maximum tilt angle shall not exceed 15 degrees.

INSTALL MACHINE
Install the product on truss by using the attached accessories.

![]() | Keep people or flammable materials at least l O feet (3 meters) away from the machine, and make sure that debris does not fall on flammable objects. |
*Specific installation notes please refer to “4 OPERATION NOTES”.
FILL IN SPARK FABRICA GRANULE
Spark Fabrica Granule is the consumable specially designed far spark machine, to simulate cold fountain fireworks effect for stage.
*Tear the vacuum package of granule, and fill in the Spark Fabrica Granule through the granule filling port on the top of the machine.
*Fill the consumable into the feed port, NOT into the output nozzle.
*Close the lid securely after filling.
*The capacity of storage bin is 150g.

![]() | Make sure to fill the Spark Fabrica Granule through the feed port on the top of the fixture when power supply is off . |
![]() | Wear eye protection to avoid eye injury while filling granules and testing spark machine(s). |
CONNECT THE MACHINE
Connect power and DMX signal line.
*Connect the first machine’s power plug.
*Connect the other machines in series with the power cable.
*Connect the other machines in series with DMX connection line.
*Connect PYRO SIM CONTROLLER or DMX512 controller.


![]() | Do not use damaged power plug and power cable. One power plug is recommended to connect 4 units in series at most for this product. |
![]() | Please attach the configured 120 ohm terminal resistor to the outlet of the last machine for enhance the anti-interference of the machine. |
![]() | Please calculate all products’ total current required according to the power supply and fuse parameters of the products. |
![]() | The standard length of the power connection line and the signal connection line is 3 meters, and a longer length can be reached by connecting in series. |
INITIAL SETTING
Setting | Range | Default |
| Set Temperature | 400-620 | 560 |
DMX Address | l-512 | |
| DMX Channel Mode | 3/2 | 3 |
Density | 30-100 | 100 |
| Safety Address | 0-512 | OFF(O) |
mt Sensor | ON/OFF | ON |
| Restore Defaults | YES/NO | NO |
TFT Backlight | ON/OFF | ON |
| Auto Heating | ON/OFF | ON |
*Turn on power
*Check the machine status icon(refer to icon introductions of 3.3)
![]() | When the icon shows yellow, is indicates that the machine is abnormal. Please use it after asking the professional to check and repair the machine. |
*The sparking temperature of the machine is the factory default temperature. The product will heat up automatically when disconnected with DMX signal.Automatic heating function can be set to on or off, and the concrete operation please refer to “3.2 MENU SETTING”.
*When spark machines connect DMX signal, the heating function can be started only on the Sim Pyro Console.
SET CHANNEL MODE
![]() | This machine has 2 channel mode and 3 channel mode, the specific setting please refer to “3.2 MENU SETTING”. |
SET DMX ADDRESS
Please set DMX address according to channel mode:
*In the 2 channel mode, please set spark machines’ DMX address to 1.3.5.7 …. ..
*In the 3 channel mode, please set spark machines’ DMX address to 1.4.7.10 ….. .
![]() | Please do not set address code repeatedly. |
START TO SPARK
The machine can be controlled by Pyro Sim Controller console or DMX512 console.
TURN ON THE CONSOLE’ POWER
TURN ON HEATING FUNCTION
![]() | The heating function of the second channel DMX value is 240-255, and if fakes about 5 minutes to preheat after turning on. |
![]() | When healing is turned on, the indicator light on the machine will turn to red, and the indicator light flashes green fa indicate that the machine is healing. |
![]() | Heating will complete after the indicator light turns green for a long time, and the spark machine will enter sparking status. |
![]() | When using the Pyro Sim Controller controller, the screen will display the real-time temperature of each machine. When the temperature value of the control board turns green, it means that the heating is completed and the machine enters the status of sparking. |
ADJUST SPARKING HEIGHT
Adjust sparking height through the first channel, and the height adjustment values is DMX parameter values 11-255.
![]() | Do Not touch the sparks or put finger in the output nozzle. |
![]() | During heating up and operation, do not touch the housing. |
![]() | Keep a minimum distance of 10 ft (3 m) from the machine to the nearest human or flammable material. And make sure no falling residue fly to flammable material. |
![]() | The maximum height of indoor and outdoor granule is different. The maximum height of indoor granule is 3.5 meters, while outdoor granule is 5 meters. |
![]() | If spark machines are affected by wind, sparking height will be reduced, sparking direction will also be affected by the wind and inclined. |
![]() | The proper firefighting extinguishers are recommended as follows: Any type of sand or substance that can suffocate the active metals. Class “D” Fire Extinguishers for Metal Substance Fires. |
ADJUST SPARKING DENSITY
This product has independent sparking density adjustment function. Machine’s sparking density can be controlled during sparking, which can offer you more special effects choices for show.
![]() | The third channel is densify adjustment channel, and the density is 30-100%. The default sparking densify is 100%, and the densify adjustment parameter values are 0-255. 0 means 100% densify, and bigger DMX number means lower densify. |
SPARK THROUGH REMOTE CONTROLLER
- Turn on fhe power.and leave DMX signal disconnecfed.
- Hold “▲” for 2 seconds in the first interface until the screen shows”Control Pair Remoter 315M”.
- Presson remote controller until the screen shows”Code Success”,it means the coding is successful.
- One remote controller is recommended to control 4 units at most.

![]() | The remote controller can be used after coding when DMX signal is disconnected, or the function will be broken. |
![]() | Sparking stops automatically after 30 seconds. and clearing material stops after 5 seconds. |
![]() | The remote controller has 4 height levels. |
CLEAR MATERIAL
This product has the function of cleaning material, which can clean up the heated but not sparked consumables, so as to avoid nodulation in the heating chamber and causing stuck machine.
![]() | Use the cleaning !unction of the second channel for cleaning, DMX value is 56-200. |
![]() | This function must be performed at the end of each show. |
CLEAN MACHINE
After clearing material, please clean the machine to extend the service life of the machine.
- Turn off the machine’s power.
- Remove power connection and DMX signal cable.
- Use a damp cloth to remove dust and debris from the surface of the machine.
- Unused Spark Fabrica Granule should be stored in a cool, dry place, vacuum packed insealed foil bags, and protected from moisture, heat, hot surface, open fire and other ignition sources.
![]() | The product is very hot during operation and ii remains hot for a long lime after operation has stopped. |
![]() | To eliminate unnecessary machine wear and improve its lifespan. Unplug the power of the machine during the period of not-in-use. Never power off the product by pulling or tugging on the power cord. |
MACHINE MAINTENANCE
Some steps are needed in order to clean and maintain the product for maximum usage.
The recommended procedure is as follows:
![]() | After a period of using, check if there is any consumable accretion inside the nozzle. Do necessary cleaning up if there has some, or it may affect spark performance, even damage the machine. |
FAILURE HANDLING
| Error Code | Description | Solution |
| System Error E0 Storage Fail | System Error: Storage Fail | Replace main board |
| Motor Protect E1 M1 | Blower motor protection/ disconnected |
|
| Motor Protect El M2 | Shaft motor protection/ disconnected |
|
| Motor Protect El M3 | Hopper motor protection/disconnected |
|
| Temp Sensor E2 Unconnected | Temperature sensor disconnected |
|
| PCB Too Hot E3 | Main board too hot | Stop operating machine until main board temperature return to normal |
| Time Remain E4 | Insufficient time | Please scan new RFID card |
| Temp Over Heat E5 | Heating protection due to over-temperature. | Stop operating machine until temperature return to normal. Alert will clear off automatically. |
| Heat Fail E6 | Heating process fail |
|
| Tip Over E7 | Tip over alert | Machine will activate lip over protection if the angle is more than 45 degrees. The alert will clear off automatically after put the machine back to normal position. |
| Sub PCB Unconnected E8 | Sub-PCB disconnected |
|
| Illegal Card Machine Locked | Machine locked because of using illegal or copy RFID card. | Use illegal or copy RFID card will lock the machine. If so ,seller will stop providing warranty and after sale service. To unlock the machine, please contact seller. |

+ 86 138 7585 1139




















