Suprema Enclosure for CoreStation Installation Guide

Safety information
Please read this safety instructions before you use the product to prevent injury to yourself and others and to prevent property damage. The term ‘product’ in this manual refers to the product and any items provided with the product.
Instructional icons
![]()
Warning
Installation
Do not install or repair the product arbitrarily.
- This may result in electric shock, fire, or product damage.
- Damages caused by any modifications or failure to follow installation instructions can void the manufacturer’s warranty.
Do not install the product in a place with direct sunlight, moisture, dust, soot, or a gas leak.
- This may result in electric shock or fire.
Do not install the product in a location with heat from an electric heater.
- This may result in fire due to overheating.
Install the product in a dry location.
- Humidity and liquids may result in electric shock or product damage.
Do not install the product in a location where it will be affected by radio frequencies.
- This may result in fire or product damage.
Operation
Keep the product dry.
- Humidity and liquids may result in electric shock, fire, or product damage.
Do not use damaged power supply adaptors, plugs, or loose electrical sockets.
- Unsecured connections may cause electric shock or fire.
Do not bend or damage the power cord.
- This may result in electric shock or fire.
Caution
Installation
Do not install the product under direct sunlight or UV light.
- This may result in product damage, malfunction, discoloration, or deformation.
Do not install the power supply cable in a location where people pass by.
- This may result in injury or product damage.
Do not install the product near magnetic objects, such as a magnet, TV, monitor (especially CRT), or speaker.
- The product may malfunction.
Operation
Do not drop the product or cause impacts to the product.
- The product may malfunction.
Do not store your product in very hot or very cold places. It is recommended to use the product at temperatures from 0 °C to 50 °C.
- The product may malfunction.
When cleaning the product, mind the following.
- Wipe the product with a clean and dry towel.
- If you need to sanitize the product, moisten the cloth or the wipe with a proper amount of rubbing alcohol and gently clean all exposed surfaces including the fingerprint sensor. Use rubbing alcohol (containing 70% Isopropyl alcohol) and a clean, non-abrasive cloth like lens wipe.
- Do not apply liquid directly to the surface of the product.
Do not use the product for anything other than its intended use.
- The product may malfunction.
Introduction
Components


Components may vary according to the installation environment.- Fixing screws for the enclosure, Core Station, and the power supply cable are included in the ENCR-10 package.
Use each screw correctly by following the details below.
– Fixing screws for the enclosure (diameter: 4 mm, length: 25 mm) x 4
– Fixing screws for the device (diameter: 3 mm, length: 5 mm) x 6
– Fixing screws for the power supply cable (diameter: 3 mm, length: 8 mm) x 1 - The battery is sold separately.
Name of each part
Outside

Inside

LED Status indicator & wiring guide labels are provided for Core Station. For more information regarding Output Module or Input Module, visit the Suprema website(https://www.supremainc.com) and refer to the installation guide for the product.
Installation
This document describes how to install ENCR-10 and connect ENCR-10’s components and devices (CoreStation, Output Module, and Input Module). For details on other wiring for each device, visit the Suprema website (https://www.supremainc.com) and refer to the installation guide for the device.
There is no optimal height for installing ENCR-10 on the wall. Install it to a safe and convenient location for you to use.- Fixing screws for the enclosure, CoreStation, and the power supply cable are included in the ENCR-10 package.
Use each screw correctly by following the details below.
– Fixing screws for the enclosure (diameter: 4 mm, length: 25 mm) x 4
– Fixing screws for CoreStatioin (diameter: 3 mm, length: 5 mm) x 6
– Fixing screws for the power supply cable (diameter: 3 mm, length: 8 mm) x 1
Installing CoreStation
Securing the battery
Insert the battery velcro strap into the enclosure and secure the battery.

Use a backup battery with 12 VDC and 7 Ah or higher. This product was tested with ‘ES7-12’ battery of ‘ROCKET’. It is recommended to use a battery corresponding to ‘ES7-12’.
The battery is sold separately.
If the dimension of the backup battery is larger than the recommended specification, it may not be able to be
mounted in the enclosure or the enclosure may not close after it is mounted. Also, if the shape and dimension of the terminals are different, the battery cannot be connected using the cable provided.

Securing CoreStation
- Check the position to install CoreStation in the enclosure.

- After positioning CoreStation in the enclosure, fix it with the fixing screws.

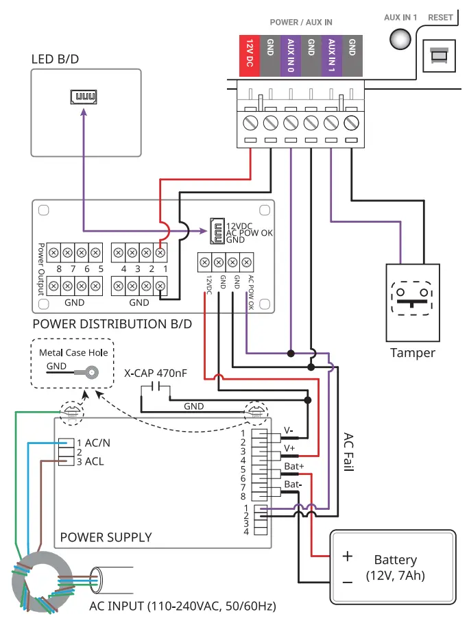
POWER / AUX IN Connection
You can connect an Uninterruptible Power Supply (UPS) to prevent power failure. And a power failure detector or a dry contact output can be connected to the AUX IN terminal.

Make sure to use separate power for the access control device and CoreStation.- Use the correct power specifications (12 V, 3 A).
- Use a backup battery with 12 VDC and 7 Ah or higher. This product was tested with ‘ES7-12’ battery of ‘ROCKET’. It is recommended to use a battery corresponding to ‘ES7-12’.
For details on other wiring such as Ethernet, RS-485, Relay, and Wiegand, visit the Suprema website (https://www.supremainc.com) and refer to CoreStation installation guide.- For more information, contact the Suprema technical support team (https://support.supremainc.com).
Installing Output Module (OM-120)
Securing the battery
Insert the battery velcro strap into the enclosure and secure the battery.

Use a backup battery with 12 VDC and 7 Ah or higher. This product was tested with ‘ES7-12’ battery of
‘ROCKET’. It is recommended to use a battery corresponding to ‘ES7-12’.
The battery is sold separately.- If the dimension of the backup battery is larger than the recommended specification, it may not be able to be mounted in the enclosure or the enclosure may not close after it is mounted. Also, if the shape and dimension of the terminals are different, the battery cannot be connected using the cable provided.

Securing Output Module
- Check the position to install the Output Module in the enclosure. You can install two Output Modules in one enclosure.

- After positioning the Output Module in the enclosure, fix it with the fixing screws.

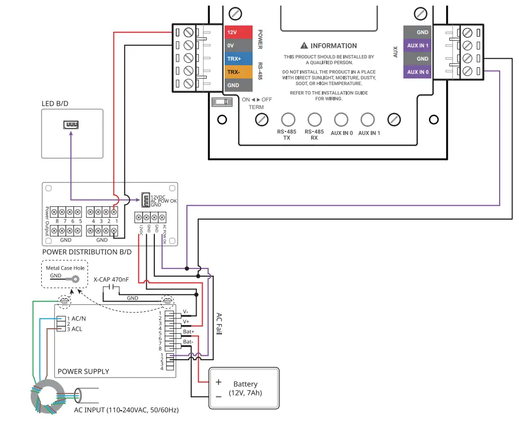
POWER / AUX IN Connection
You can connect an Uninterruptible Power Supply (UPS) to prevent power failure. And a power failure detector or a dry contact output can be connected to the AUX IN terminal.

Make sure to use separate power for the access control device and Output Module.- Use the correct power specifications (12 VDC, 1 A).
- Use a backup battery with 12 VDC and 7 Ah or higher. This product was tested with ‘ES7-12’ battery of ‘ROCKET’. It is recommended to use a battery corresponding to ‘ES7-12’.
Tamper Connection
If Output Module is detached from the installed location due to an external factor, it can trigger an alarm or save an event log.

For details on other wiring such as RS-485 or Relay, visit the Suprema website (https://www.supremainc.com) and refer to Output Module installation guide.- For more information, contact the Suprema technical support team (https://support.supremainc.com).
Installing Input Module (IM-120)
Securing the battery
Insert the battery velcro strap into the enclosure and secure the battery.


Securing Input Module
- Check the position to install the Input Module in the enclosure. You can install two Input Modules in one enclosure.

- After positioning the Input Module in the enclosure, fix it with the fixing screws.

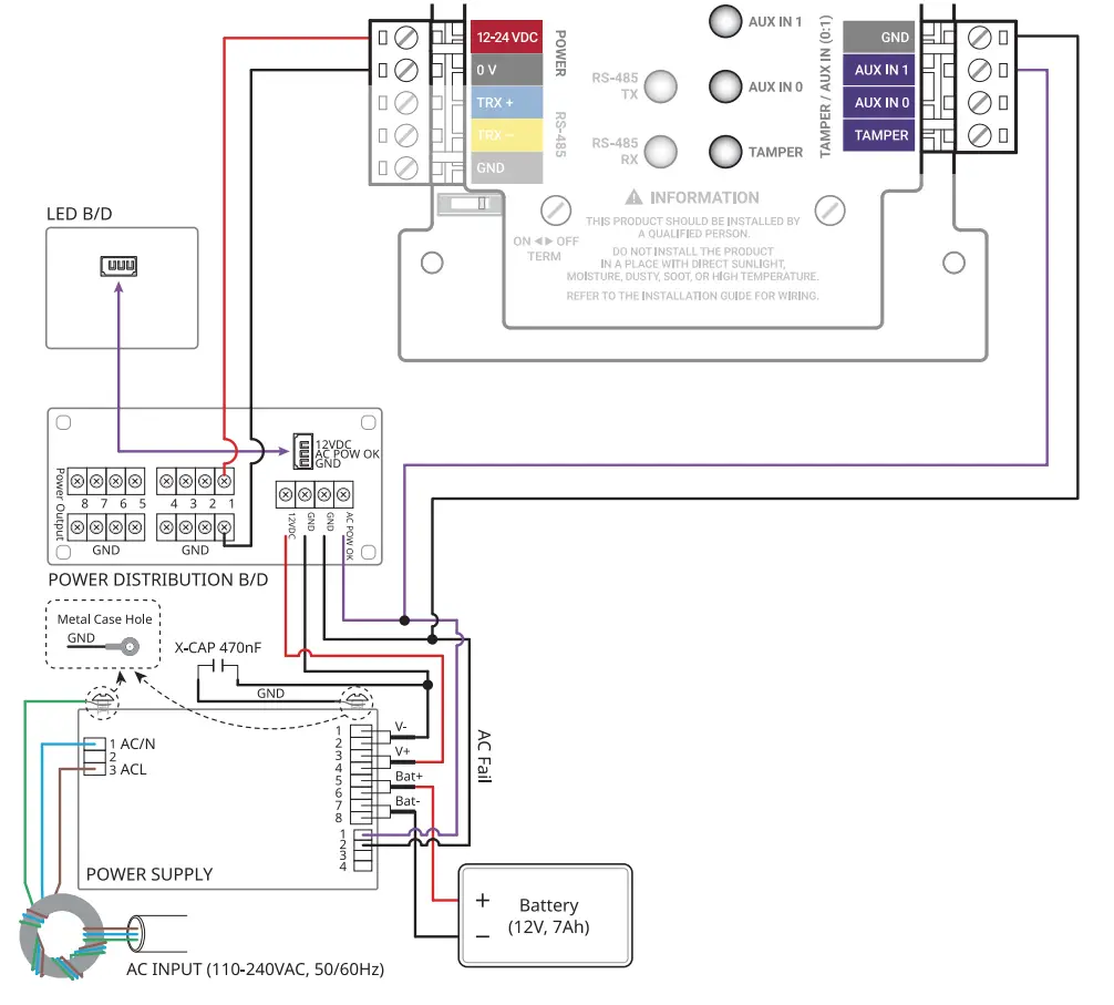
POWER / AUX IN Connection
You can connect an Uninterruptible Power Supply (UPS) to prevent power failure. And a power failure detector or a dry contact output can be connected to the AUX IN terminal.

Make sure to use separate power for the access control device and Input Module.- Use the correct power specifications (12 VDC, 130 mA or 24 VDC, 82 mA).
- Use a backup battery with 12 VDC and 7 Ah or higher. This product was tested with ‘ES7-12’ battery of ‘ROCKET’. It is recommended to use a battery corresponding to ‘ES7-12’.
Tamper Connection
If Input Module is detached from the installed location due to an external factor, it can trigger an alarm or save an event log.

For details on other wiring such as RS-485, Supervised Input, or Relay, visit the Suprema website (https://www.supremainc.com) and refer to Input Module installation guide.- For more information, contact the Suprema technical support team (https://support.supremainc.com).
Product Specifications

* Product specifications are subject to change without notice to improve.
* The battery is sold separately.
* Use a backup battery with 12 VDC and 7 Ah or higher. This product was tested with ‘ES7-12’ battery of ‘ROCKET’. It is recommended to use a battery corresponding to ‘ES7-12’.
Dimensions

Appendices
Disclaimers
- Information in this document is provided in connection with Suprema products.
- The right to use is acknowledged only for Suprema products included in the terms and conditions of use or sale for such products guaranteed by Suprema. No license, express or implied, by estoppel or otherwise, to any intellectual property is granted by this document.
- Except as expressly stated in an agreement between you and Suprema, Suprema assumes no liability whatsoever, and Suprema disclaims all warranties, express or implied including, without limitation, relating to fitness for a particular purpose, merchantability, or noninfringement.
- All warranties are VOID if Suprema products have been: 1) improperly installed or where the serial numbers, warranty date or quality assurance decals on the hardware are altered or removed; 2) used in a manner other than as authorized by Suprema; 3) modified, altered, or repaired by a party other than Suprema or a party authorized by Suprema; or 4) operated or maintained in unsuitable environmental conditions.
- Suprema products are not intended for use in medical, lifesaving, life-sustaining applications, or other applications in which the failure of the Suprema product could create a situation where personal injury or death may occur. Should you purchase or use Suprema products for any such unintended or unauthorized application, you shall indemnify and hold Suprema and its officers, employees, subsidiaries, affiliates, and distributors harmless against all claims, costs, damages, and expenses, and reasonable attorney fees arising out of, directly or indirectly, any claim of personal injury or death associated with such unintended or unauthorized use, even if such claim alleges that Suprema was negligent regarding the design or manufacture of the part.
- Suprema reserves the right to make changes to specifications and product descriptions at any time without notice to improve reliability, function, or design.
- Personal information, in the form of authentication messages and other relative information, may be stored within Suprema products during usage. Suprema does not take responsibility for any information, including personal information, stored within Suprema’s products that are not within Suprema’s direct control or as stated by the relevant terms and conditions. When any stored information, including personal information, is used, it is the responsibility of the product users to comply with national legislation (such as GDPR) and to ensure proper handling and processing.
- You must not rely on the absence or characteristics of any features or instructions marked “reserved” or “undefined.” Suprema reserves these for future definition and shall have no responsibility whatsoever for conflicts or incompatibilities arising from future changes to them.
- Except as expressly set forth herein, to the maximum extent permitted by law, the Suprema products are sold “as is”. · Contact your local Suprema sales office or your distributor to obtain the latest specifications and before placing your product order.
Copyright Notice
Suprema has the copyright of this document. The rights of other product names, brands, and trademarks belong to individuals or organizations who own them.
Suprema Inc.
17F Parkview Tower, 248, Jeongjail-ro, Bundang-gu, Seongnam-si, Gyeonggi-do, 13554, Rep. of KOREA Tel: +82 31 783 4502 | Fax: +82 31 783 4503 | Inquiry: [email protected]
For more information about Suprema’s global branch offices, visit the webpage below by scanning the QR code. http://www.supremainc.com/en/about/contact-us.asp
© 2021 Suprema Inc. Suprema and identifying product names and numbers herein are registered trade marks of Suprema, Inc. All non-Suprema brands and product names are trademarks or registered trademarks of their respective companies. Product appearance, build status and/or specifications are subject to change without notice.




















