CHIEF SmallMedium Media Player Enclosures Installation Guide
INSTALLATION INSTRUCTIONS


Small/Medium Media Player Enclosures
DISCLAIMER
Milestone AV Technologies and its affiliated corporations and subsidiaries (collectively “Milestone”), intend to make this manual accurate and complete. However, Milestone makes no claim that the information contained herein covers all details, conditions or variations, nor does it provide for every possible contingency in connection with the installation or use of this product. The information contained in this document is subject to change without notice or obligation of any kind. Milestone makes no representation of warranty, expressed or implied, regarding the information contained herein. Milestone assumes no responsibility for accuracy, completeness or sufficiency of the information contained in this document.
Chief® is a registered trademark of Milestone AV Technologies. All rights reserved.
DEFINITIONS
- MOUNTING SYSTEM: A MOUNTING SYSTEM is the primary Chief product to which an accessory and/or component is attached.
- ACCESSORY: AN ACCESSORY is the secondary Chief product which is attached to a primary Chief product, and may have a component attached or setting on it.
- COMPONENT: A COMPONENT is an audiovisual item
designed to be attached or resting on an accessory or mounting system such as a video camera, CPU, screen, display, projector, etc.
WARNING: A WARNING alerts you to the possibility of serious injury or death if you do not follow the instructions. Installation Instructions
CAUTION: A CAUTION alerts you to the possibility of damage or destruction of equipment if you do not follow the corresponding instructions
WARNING: Use of this accessory will decrease the weight
IMPORTANT SAFETY INSTRUCTIONS
WARNING: Failure to read, thoroughly understand, and follow all instructions can result in serious personal injury, damage to equipment, or voiding of factory warranty! It is the installer’s responsibility to make sure all accessories are properly assembled and installed using the instructions provided.
WARNING: Exceeding the weight capacity can result in serious personal injury or damage to equipment! It is the installer’s responsibility to make sure the combined weight of all components located within the mounting system of the FCA510/FCA515 does not exceed 20 lbs (9.1 kg).
WARNING: Use this accessory only for its intended use as described in these instructions. Do not use attachments not recommended by the manufacturer.
(weight capacity of mounting system) minus
(weight of FCA510/515* + enclosed components)
*FCA510 weighs 7.7 lbs (3.49 kg)
*FCA515 weighs 14.9 lbs (6.76 kg)
WARNING: Never operate this accessory if it is damaged. Return the accessory to a service center for examination and repair.
WARNING: Do not use this product outdoors.
WARNING: RISK OF INJURY TO PERSONS! Do not place video equipment such as televisions or computer monitors on the FCA510 or FCA515.
–SAVE THESE INSTRUCTIONS–
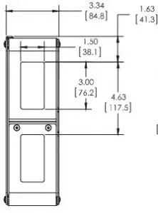
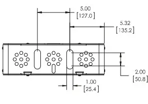
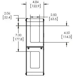
DIMENSIONS





DIMENSIONS: INCHES
[MILLIMETERS]




DIMENSIONS: INCHES
[MILLIMETERS]
LEGEND
……………![]() | Tighten Fastener | ![]() | Hex-Head Wrench |
| Apretar elemento de fijación | Llave de cabeza hexagonal | ||
| Befestigungsteil festziehen | Sechskantschlüssel | ||
| Apertar fixador | Chave de cabeça sextavada | ||
| Serrare il fissaggio | Chiave esagonale | ||
| Bevestiging vastdraaien | Zeskantsleutel | ||
| Serrez les fixations | Clé à tête hexagonale | ||
![]() | Loosen Fastener | …………….![]() | Open-Ended Wrench |
| Aflojar elemento de fijación | Llave de boca | ||
| Befestigungsteil lösen | Gabelschlüssel | ||
| Desapertar fixador | Chave de bocas | ||
| Allentare il fissaggio | Chiave a punte aperte | ||
| Bevestiging losdraaien | Steeksleutel | ||
| Desserrez les fixations | Clé à fourche | ||
![]() | Phillips Screwdriver | ![]() | Socket Wrench |
| Destornillador Phillips | Llave de cubo | ||
| Kreuzschlitzschraubendreher | Steckschlüssel | ||
| Chave de fendas Phillips | Chave de caixa | ||
| Cacciavite a stella | Chiave a brugola | ||
| Kruiskopschroevendraaier | Dopsleutel | ||
| Tournevis à pointe cruciforme | Clé à douilles |
FCA510 / FCA515
LEGEND
TOOLS REQUIRED FOR INSTALLATION


3/16” Included
- PARTS
A (1)
FCA510
A (1)
FCA515
B (4)
5/16-18 x 1/2″
C (4)
5/16
D (4)
[T-slot nut]
E (8)
[Bumper]
F (1)
3/16
Installation Instructions
NOTE: The FCA510 and FCA515 are compatible with the Chief ceiling mounts, and may be installed in a vertical or horizontal orientation.
Preparing for Installation
- Remove two Phillips screws from base of FCA510/FCA515 (A). (See Figure 1)
- Loosen, but do not remove, two Phillips screws at top of FCA510/FCA515 (A).
- Lift up enclosure door and remove from enclosure. (See Figure 1)

(FCA510 shown as example)
Figure 1 - Add rubber bumpers (E) to inside of enclosure (A). (See Figure 2)

(FCA510 shown as example)
Figure 2
NOTE: Proceed to Attaching to Mounting Rail or Attaching to Ceiling Mount section.
Attaching to Mounting Rail
- If end caps are already in place on the mounting rail, remove two Phillips screws from end cap on one end of mounting rail. (See Figure 3)
- Remove end cap from one end of mounting rail. (See Figure 3)

Figure 3 - Insert four 5/16″ T-slot nuts (D) into slots in mounting rail.
(See Figure 4)
Figure 4 - Replace end cap on end of mounting rail. (See Figure 3)
- Fasten with two Phillips head screws removed in Step 1.
(See Figure 3) - Attach FCA510/FCA515 (A) to T-slot nuts (D) using four
5/16-18 x 1/2″ button head screws (B) and four 5/16″ flat
washers (C) into installed T-slot nuts (D). (See Figure 5)
Figure 5
NOTE: The FCA510/FCA515 may be installed with the enclosure door opening in either a horizontal or vertical direction, and may be attached using various attachment points on the FCA510/FCA515. (See Figure 6)
Figure 6 - Proceed to Installing Media Player section
Attaching to Ceiling Mount
- Remove back cover from back of ceiling mount. (See
Figure 9)
(Display not shown for clarity)
Figure 7 - Attach FCA510/FCA515 (A) to back of ceiling mount using
four 5/16-18 x 1/2″ button head screws (B) and four 5/16″
flat washers (C) installed into back of ceiling mount. (See
Figure 8
Figure 8
Installing Media Player
- Place media player into FCA510/FCA515 onto rubber bumpers.
- Replace enclosure door on front of the FCA510/FCA515 by inserting door tabs into top of enclosure and lowering top of door over loosened Phillips screws. (See Figure 9)
- Install two Phillips screws removed in Step 1 through lower part of door and into the enclosure base. (See Figure 9)
- Tighten two Phillips screws at top of enclosure.

Figure 9 - OPTIONAL: A padlock (not included) may be added to
secure the FCA510/FCA515. (See Figure 10)
Figure 10

Chief, a products division of
Milestone AV Technologies
8800-002264 Rev01
¤2016 Milestone AV Technologies
www.milestone.com
06/16
- USA/International
A 6436 City West Parkway, Eden Prairie, MN 55344
P 800.582.6480 / 952.225.6000
F 877.894.6918 / 952.894.6918 - Europe
A Franklinstraat 14, 6003 DK Weert, Netherlands
P +31 (0) 495 580 852
F +31 (0) 495 580 845 - Asia Pacific
A Office No. 918 on 9/F, Shatin Galleria
18-24 Shan Mei Street
Fotan, Shatin, Hong Kong
P 852 2145 4099
F 852 2145 4477
WARNING: A WARNING alerts you to the possibility of serious injury or death if you do not follow the instructions. Installation Instructions


















































