Instructions for use
assembly instructions
![]() | ![]() |
| Vernis Blend Showerpipe 200 1jet Reno 26272XXX Vernis Blend Showerpipe 200 1jet Reno EcoSmart 26099XXX | Vernis Shape Showerpipe 230 1jet Reno 26282XXX Vernis Shape Showerpipe 230 1jet Reno EcoSmart 26289XXX |
Safety Notes
- Gloves should be worn during installation to prevent crushing and cutting injuries.
- The product may only be used for bathing, hygienic and body cleaning purposes.
- The arm of the shower head is intended only to hold the shower head. Do not load it down with other objects!
- Children as well as adults with physical, mental and/or sensorics impairments must not use this product without proper supervision. Persons under the influence of alcohol or drugs are prohibited from using this product.
- Do not allow the streams of the shower touch sensitive body parts (such as your eyes). An adequate distance must be kept between the shower and you.
- The product may not be used as a holding handle. A separate handle must be installed.
- The hot and cold supplies must be of equal pressures.
Installation Instructions
- Prior to installation, inspect the product for transport damages. After it has been installed, no transport or surface damage will be honored.
- The pipes and the fixture must be installed, flushed and tested as per the applicable standards.
- The plumbing codes applicable in the respective countries must be observed.
- The installation dimensions stated in these installation instructions are ideal for people of approximately 1800 mm in body height. The dimensions can be altered if required. In this case, pay attention to the fact that a change of installation height will also change the minimum height, and that the altered mounting dimensions must be taken into consideration.
- During installation of the product by qualified trained personnel, make sure that the entire fastening surface is even and smooth (no protruding seams or tile offset), that the finish of the wall is suitable to apply the product and has no weak points.
- The mesh washer must be insert to protect the shower against incoming dirt by pipework. Incoming dirt leads to defects or/and can damage parts of the shower; such caused faults voids all liability and guarantee claims.
- The shower may only be connected downstream of a shut-off valve or sanitary fitting.
Technical Data
| Operating pressure: | max. 1 MPa |
| Recommended operating pressure: | 0,1 – 0,4 MPa (1 MPa = 10 bar = 147 PSI) |
| Hot water temperature: | max. 60°C |
| Thermal disinfection: | 70°C / 4 min |
The product is exclusively designed for drinking water!
Symbol description
Do not use silicone containing acetic acid
Dimensions (see page 22)
Flow diagram (see page 22)
- Hand shower
- Overhead shower
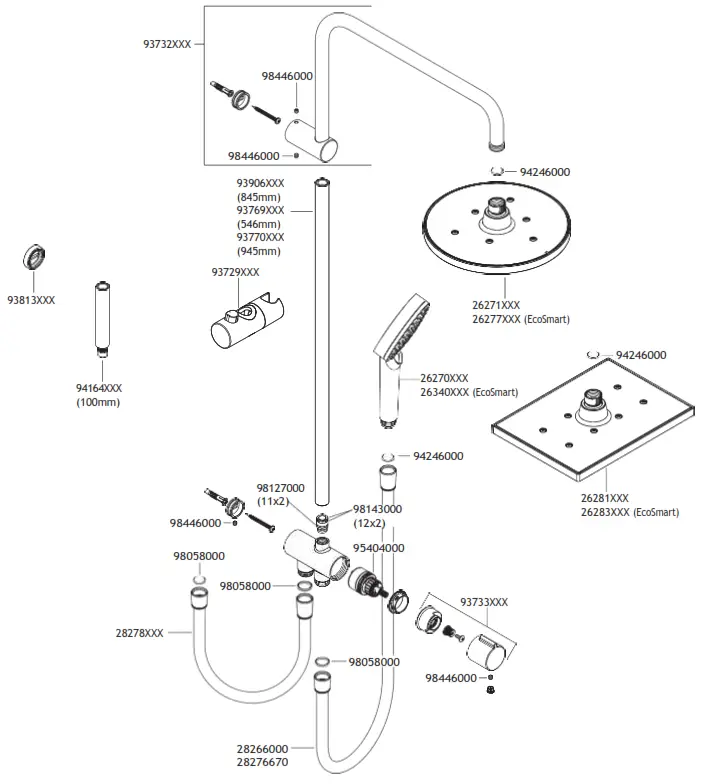
Spare parts (see page 23)
XXX = Colors
000 = Chrome Plated
670 = Matt Black
Special accessories (order as an extra)
tile-matching-disk 93813XXX (see page 23)
Cleaning (see page 20)
Operation (see page 19)
To empty the overhead shower after use, hold it in a slightly inclined position.
Assembly (see page 18)


| www.hansgrohe.com/cleaning-recommendation | www.hansgrohe.com/cleaning-recommendation | www.hansgrohe.com/cleaning-recommendation | www.hansgrohe.com/cleaning-recommendation |
Cleaning recommendation / Warranty / Contact
![]()
Just clean: simply rub over the spray nozzles to remove lime scale.
![]()
| Vernis Blend Showerpipe 200 1jet Reno 26272XXX Vernis Blend Showerpipe 200 1jet Reno EcoSmart 26099XXX | Vernis Shape Showerpipe 230 1jet Reno 26282XXX Vernis Shape Showerpipe 230 1jet 26289XXX Reno EcoSmart |
![]() | |
| Vernis Blend Showerpipe 200 1jet Reno 26272XXX Vernis Shape Showerpipe 230 1jet Reno 26282XXX | Vernis Blend Showerpipe 200 1jet Reno EcoSmart 26099XXX Vernis Shape Showerpipe 230 1jet Reno EcoSmart 26289XXX |
![]() | |
Vernis Blend Showerpipe
200 1jet Reno 26272XXX
Vernis Blend Showerpipe
200 1jet Reno EcoSmart 26099XXX
Vernis Shape Showerpipe
230 1jet Reno 26282XXX
Vernis Shape Showerpipe
230 1jet Reno EcoSmart 26289XXX

Hansgrohe · Auestraße 5 – 9 · D-77761 Schiltach
Telefon +49 (0) 78 36/51-1282
Telefax +49 (0) 7836/511440
E-Mail: [email protected]
Internet: www.hansgrohe.com



















