
hansgrohe CROMA 100 Shower Combination Multi, Ecostat E Instruction Manual

Safety Notes
- Gloves should be worn during installation to prevent crushing and cutting injuries.
- Children as well as adults with physical, mental and/or sensoric impairments must not use this shower system without proper supervision. Persons under the influence of alcohol or drugs are prohibited from using this shower system.
- Do not allow the streams of the shower touch sensitive body parts (such as your eyes). An adequate distance must be kept between the shower and you.
- The product may not be used as a holding handle. A separate handle must be installed.
- The shower system may only be used for bathing, hygienic and body cleansing purposes.
- Shower hoses are only suitable for a connection from the shower to the fitting. Never fit a shut-off device between the fitting and the hose.
Installation Instructions
- The fitting must be installed, flushed and tested after the valid norms.
- Where the contractor mounts the product, he should ensure that the entire area of the wall to which the mounting plate is to be fitted, is flat (no projecting joints or tiles sticking out), that the structure of the wall is suitable for the installation of the product and has no weak points. The enclosed screws and dowels are only suitable for concrete. For another wall constructions the manufacturer’s indications of the dowel manufacturer have to be taken into account.
- The filter insert must be use to protect the shower against incoming dirt by pipework. Incoming dirt leads to defects or/and can damage parts of the shower; such caused faults voids all liability and guarantee claims.
Technical Data

Symbol description

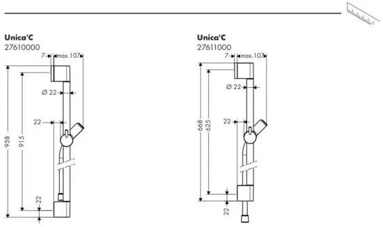
Dimensions








Flow diagram



Assembly



Operation


Cleaning
and enclosed brochure


Spare parts


Test certificate


Hansgrohe · Postfach 1145 · D-77761 Schiltach · Telefon +49 (0) 78 36/51-1282 · Telefax +49 (0) 7836/511440
E-Mail: [email protected] · Internet: www.hansgrohe.com
Read More About This Manual & Download PDF:



















