velleman K8035 Advanced UP/DOWN Counter Installation Guide
Features & Specifications
Features
- Count up or down.
- Count input trough on-board push buttons or by external pulses.
- Display modes : Normal or time (hh:mm and mm:ss).
- An internal oscillator allows time measurement.
- Programmable pre-set value with equal output.
- Self diagnostic at power up.
- Comes whit easy board to wire connector (20cm wire).
- Comes in handy for people counting, part counting, score keeping,
Specifications
- Counter Input : 3…12 VDC (normal dry contact also possible)
- EQUAL Output : 5VDC / max 50mA
- Max. Counting speed : 200 / sec. (2 / sec. with long debounce delay)
- Max. Count : 4 Digits (9999 / 23h59m / 59m59s)
- Power supply : 9…12 VDC or transformer 2 x 9 VAC type : 209005
- Power consumption : 150mA max.
- Dimensions : 125 x 75 x 18mm (4,9”x3”x0,7”)
Assembly (Skipping this can lead to troubles ! )
Ok, so we have your attention. These hints will help you to make this project successful. Read them carefully.
Make sure you have the right tools:

- A good quality soldering iron (25-40W) with a small tip.
- Wipe it often on a wet sponge or cloth, to keep it clean; then apply solder to the tip, to give it a wet look. This is called ‘thinning’ and will protect the tip, and enables you to make good connections. When solder rolls off the tip, it needs cleaning.

- Thin raisin-core solder. Do not use any flux or grease.
- A diagonal cutter to trim excess wires. To avoid injury when cutting excess leads, hold the lead so they 6k09 cannot fly towards the eyes.

- Needle nose pliers, for bending leads, or to hold components in place.
- Small blade and Phillips screwdrivers. A basic range is fine.
For some projects, a basic multi-meter is required, or might be handy
Assembly Hints
- Make sure the skill level matches your experience, to avoid disappointments.
- Follow the instructions carefully. Read and understand the entire step before you perform each operation.
- Perform the assembly in the correct order as stated in this manual
- Position all parts on the PCB (Printed Circuit Board) as shown on the drawings.
- Values on the circuit diagram are subject to changes.
- Values in this assembly guide are correct*
- Use the check-boxes to mark your progress.
- Please read the included information on safety and customer service
Typographical inaccuracies excluded. Always look for possible last minute manual updates, indicated as ‘NOTE’ on a separate leaflet
Soldering Hints :
- Mount the component against the PCB surface and carefully solder the leads

- Make sure the solder joints are cone-shaped and shiny

- Trim excess leads as close as possible to the solder joint

REMOVE THEM FROM THE TAPE ONE AT A TIME !

AXIAL COMPONENTS ARE TAPED IN THE CORRECT MOUNTING SEQUENCE !
Jumpers
- J : 10x

Diodes. Watch the polarity !
- D1: 1N4007
- D2: 1N4007
- D3: 1N4148
- D4: 1N4148
- D5: 1N4148
- D6: 1N4148
- D7: 1N4148

Zener diode. Watch the polarity !
- ZD1 : 4V7
- ZD2 : 4V

Resistors
- R9 : 10K (1-0-3-B)
- R10 : 10K (1-0-3-B)
- R11 : 10K (1-0-3-B)
- R12 : 10K (1-0-3-B)
- R13 : 10K (1-0-3-B)
- R14 : 2K2 (2-2-2-B)
- R15 : 2K2 (2-2-2-B)
- R16 : 2K2 (2-2-2-B)
- R17 : 2K2 (2-2-2-B)
- R18 : 4K7 (4-7-2-B)
- R19 : 4K7 (4-7-2-B)
- R20 : 10K (1-0-3-B)
- R21 : 10K (1-0-3-B)
- R22 : 10K (1-0-3-B)
- R23 : 10K (1-0-3-B)
- R24 : 10K (1-0-3-B)
- R25 : 10K (1-0-3-B)
- R26 : 10K (1-0-3-B)
- R27 : 10K (1-0-3-B)
- R28 : 390 (3-9-1-B)

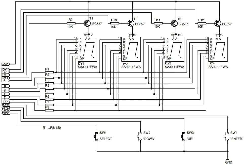
Pushbuttons
- SW1: KRS1243
- SW2: KRS1243
- SW3: KRS1243
- SW4: KRS1243

Voltage Regulator.
- VR1: UA7805

IC sockets. Watch the position of the notch!
- IC1 : 28P
- DY1 : 14P
- DY2 : 14P
- DY3 : 14P
- DY4 : 14P

LED. Watch the polarity!
- LD1 : 3mm Red.

Ceramic Capacitors
- C1 : 18pF (18,18J)
- C2 : 18pF (18,18J)
- C3 : 100nF (104)
- C4 : 100nF (104)
- C5 : 100nF (104)
- C6 : 1nF (102)
- C7 : 1nF (102)

Transistors
- T1 : BC557C
- T2 : BC557C
- T3 : BC557C
- T4 : BC557C
- T5 : BC557C
- T6 : BC547
- T7 : BC547

Resistors
- R1 : 150 (1-5-1-B)
- R2 : 150 (1-5-1-B)
- R3 : 150 (1-5-1-B)
- R4 : 150 (1-5-1-B)
- R5 : 150 (1-5-1-B)
- R6 : 150 (1-5-1-B)
- R7 : 150 (1-5-1-B)
- R8 : 150 (1-5-1-B)
Connector
- 10p

DIP Switch
- DS – 4

Quartz crystal
- X1: 4,1943… MHz.

Electrolytic capacitor. Watch the polarity !
- C8 : 470µF
- C9 : 10µF

Display
- SA39-11EWA

IC, Check the position of the notch !
- IC1: VK8035 (Programmed PIC16C5

Connection


| 1 | GND | 6 | GND |
| 2 | + VA | 7 | + 5V |
| 3 | + VB | 8 | Count Down input (B) |
| 4 | GND | 9 | Count Up input (A) |
| 5 | E. OUT | 10 | GND |
The grounds are internally connected.
E.out : 5V / 50mA max. output at “equal” pre-set value
Inspect the complete assembly once more before applying power to the unit !
Hook-up when using an adapter

Hook-up when using a transformer

Operation
When all connections are made, the four LED displays will light up and the Kit number will appear “8 0 3 5”after which following messages appear :
| r x. x x | Version number |
| T E S T | Self-test is working |
| G O O D | Internal parts are working correctly |
If an irregularity is found during the self-test, an error code will appear, when GOOD appears then the unit is ready for u
| Error code | Description |
| Err. 2 | Error in the keyboard section. |
| Err. 3 | The switches are in the wrong position. ’DIP SWITCH’ |
| Err. 4 | Input A and B are at the same time active |
| Err. 5 | Input A is active during self-test or input A is possibly malfunctioning. |
| Err. 6 | Input B is active during self-test or input B is possibly malfunctioning. |
The errors 5 & 6 can appears when during the self-test counter pulses are received, this can be reset by pressing SW4 briefly.
Counting pulses can be applied to the unit in two different ways :
- + 3V to 12V pulses with respect to ground.
- Use the + 5V connection for push buttons or relay contacts when there is no power supply from an external source.
- Press “Reset” button briefly to reset the readout. “0000”.
- Press the “UP” button to increase the actual value with one.
- Press the “DOWN” button to decreases the actual value with one.
Setting the Pre-set value:
It is possible to set a number which will continuously be compared with the content of the counter. If both are equal, then the output (Equal OUT) is activated.
- Press Set/Run (set briefly appears).
- Press Up or Down to set the value.
- Press Set/Run to store the value (Run appears).
Counter settings :
The counter can be used for decade or modulo 60 (clock) counting, an internal oscillator can be provided for use in modulo 60-mode
| 1. COUNTER SETTINGS | ||
| FUNCTION | DIP SWITCH | |
| OFF | ON | |
| Decade counter | 1 | |
| Modulo 60 : hh:mm (23.59) | 2 | 1 |
| Modulo 60 : mm:ss. (59.59) | 1 & 2 | |
| 2. DEBOUNCE SETTING | ||
| Normal debounce | 3 | |
| Long debounce | 3 | |
| 3. INPUT SETTING | ||
| External pulses | 4 | |
| Internal oscillator | 4 | |
ATTENTION : When changing the position of one of the switches, the current counter value and the pre-set value will be erased. (0000)
PCB

Schematic diagram.


VELLEMAN Components NV
Legen Heirweg 33
9890 Gavere
Belgium Europe
www.velleman.be
www.velleman-kit.com
Modifications and typographical errors reserved © Velleman Components nv. H8035IP – 2003 – ED1





































