Uponor Flushing Station For Drinking Water Hygiene

Uponor Motion
The Uponor Motion is a system designed to control and monitor the flow of water in underfloor heating systems. The system consists of various components and accessories that work together to provide efficient and reliable heating.
System Description
The Uponor Motion operates on a simple operating principle. It regulates the flow of water in the underfloor heating system by controlling the motorized valve. The system is made up of various components such as a control unit, motorized valve, temperature sensor, and flow meter. Additionally, the system includes accessories such as the Uponor Motion app that allows for remote control and monitoring of the system.
Installation
Before installing the Uponor Motion, it is important to read and understand the safety instructions provided in the manual. The installation process involves mechanical, electrical, and finishing installation. The mechanical installation involves connecting the motorized valve to the underfloor heating system, while the electrical installation involves connecting the control unit to a power source and wiring it to the motorized valve, temperature sensor, and flow meter. Finally, finishing installation involves configuring the system settings and ensuring that all components are properly installed.
Operation
The Uponor Motion can be operated using the control unit or the Uponor Motion app. The control unit has LEDs and a clear alarm button that indicate system status and allow for manual override of the system. The Uponor Motion app allows for remote control and monitoring of the system from a mobile device. The system also includes features such as stagnation detection and flush, scheduled flush, and comfort flush that help maintain system efficiency and prevent damage.
Maintenance
The Uponor Motion requires minimal maintenance. It is important to regularly check the system for leaks or damage and to replace any faulty components as needed. Additionally, the system should be flushed periodically to prevent stagnation and maintain efficiency.
Troubleshooting
If issues arise with the Uponor Motion, the troubleshooting section of the manual provides a list of common problems and solutions. If the issue cannot be resolved using the provided solutions, it is recommended to contact Uponor customer support for further assistance.
Technical Data
The technical data section of the manual provides detailed information about the system’s specifications, cable requirements, wiring diagram, and dimensions. This information can be useful during installation or when troubleshooting issues.
Copyright and disclaimer
Uponor has prepared this installation and operation manual and all the content included solely for information purposes. The contents of the manual (including graphics, logos, icons, text, and images) are copyrighted and protected by worldwide copyright laws and treaty provisions. You agree to comply with all copyright laws worldwide in your use of the manual. Modification or use of any of the contents of the manual for any other purpose is a violation of Uponor’s copyright, trademark and other proprietary rights. The presumption for the manual is that the safety measures have been fully complied with and that Uponor Motion including any components of the system as covered by the manual:
- Is selected, planned and installed and put into operation by a licensed and competent planner and installer in compliance with current (at the time of installation) installation instructions provided by Uponor as well as in compliance with all applicable building and plumbing codes and other requirements and guidelines;
- Has not been (temporarily or continuously) exposed to temperatures, pressure and/or voltages that exceed the limits printed on the products or stated in any instructions supplied by Uponor;
- Remain in its originally installed location and is not repaired, replaced or interfered with, without prior written consent of Uponor;
- Is connected to potable water supplies or compatible plumbing, heating and/or cooling products approved or specified by Uponor;
- Is not connected to or used with non-Uponor products, parts or components except for those approved or specified by Uponor; and
- Does not show evidence of tampering, mishandling, insufficient maintenance, improper storage, neglect or accidental damage before installation and being put into operation.
While Uponor has made efforts to ensure that the manual is accurate, Uponor does not guarantee or warrant the accuracy of the information contained herein. Uponor reserves the right to modify the specifications and features described herein, or discontinue manufacture of the Uponor products described at any time without prior notice or obligation. The manual is provided “as is” without warranties of any kind, either expressed or implied. The information should be independently verified before using it in any manner. To the fullest extent permissible, Uponor disclaims all warranties, expressed or implied, including, but not limited to, the implied warranties of merchantability, fitness for particular purpose and non-infringement. This disclaimer applies to, but is not limited to, the accuracy, reliability or correctness of the manual. Under no circumstances shall Uponor be liable for any indirect, special, incidental or consequential damages or loss that result from the use of or the inability to use the materials or information in the manual, or any claim attributable to errors, omission or other inaccuracies in the manual, even if Uponor has been advised of the possibility of such damages. This disclaimer and any provisions in the manual do not limit any statutory rights of consumers.
Preface
This installation and operation manual describes how to install and operate the components of the system.
Safety Instructions
Warnings used in this manual
The following symbols are used in Uponor documentation to indicate special precautions when installing and operating any Uponor equipment:
Warning!
Risk of injury. Ignoring warnings can cause injury or damage components.
Caution!
Ignoring cautions can cause malfunctions.
Note
Important information to the section in the manual.
Safety measures
Conform to the following measures when installing and operating any Uponor equipment:
- Read and follow the instructions in the installation and operation manual.
- Installation must be performed by a competent person in accordance with local regulations.
- It is prohibited to make changes or modifications not specified in this manual.
- All power supplies must be switched off before starting any wiring work.
- Do not use water to clean Uponor components.
- Do not expose the Uponor components to flammable vapours or gases.
Uponor cannot accept any responsibility for damage or breakdown that can result from ignoring these instructions.
Power
Warning:
The Uponor system uses 50 Hz, 230 V AC power. In case of emergency, immediately disconnect the power.
Technical constraints
Caution:
To avoid interference, keep installation/data cables away from power cables of more than 50 V.
Correct disposal of this product (Waste Electrical and Electronic Equipment)
Note
Applicable in the European Union and other European countries with separate collection systems
- This marking shown on the product or its literature indicates that it should not be disposed with other household wasted at the end of its working life. To prevent possible harm to the environment or human health from uncontrolled waste disposal, please separate this from other types of wastes and recycle it responsibly to promote the sustainable reuse of material resources.
Household users should contact either the retailer where they purchased this product, or their local government office, for details of where and how they can take this item for environmentally safe recycling. Business users should contact their supplier and check the terms and conditions of the purchase contract. This product should not be mixed with other commercial wastes of disposal.
System Description
Operating Principle
Uponor Motion is a product that flushes domestic tap water (hot and cold) in a residence to prevent water stagnation. The system monitors the tap water temperatures to detect stagnation. If the water temperature stays in the stagnation zone for a set period of time (default 72 hours), a two-way valve will open and start a flush cycle. The flush cycle continues for a set period of time, or until the water temperature reaches the target temperature (whichever occurs first), returning the tap water to a non-stagnant state.
Components



External Flush/Pair Button (Optional)
The external flush/pair push-button can be used to switch the internal Wi-Fi access point on/off or to initiate a comfort flush.
External Alarm (Optional)
An external alarm can be connected to complement the build-in audible alarm with for example a visual one. The alarm needs to be suitable for a low voltage signal (24 V).
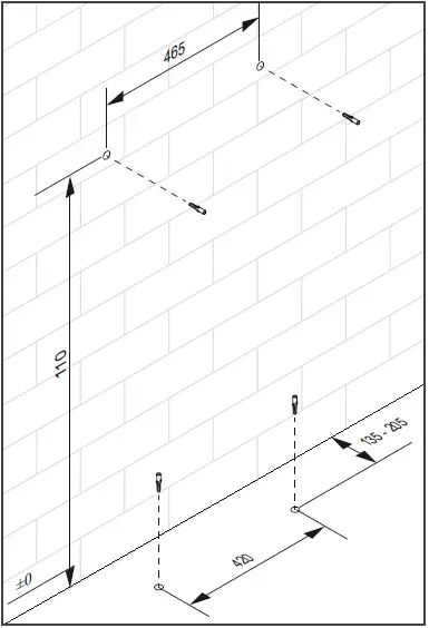
Installation
General
Note
Installation must be performed by a competent person in accordance with local standards and regulations.
Note
The installed unit must be level and without tilt.
Note
Always consider the accessibility of the unit.
Revision Space
Note
Leave an open area in front of the unit for easy access.

* l and w comprise the measurements of the available maintenance cover plus 50 mm on each side.
Maintenance Cover

Use the separately available maintenance cover for the installation with wall frame.
Connections
Note
When tightening the connections lock the counter part of the fitting to avoid deformation of the carrier plates.

- A – 2 protective blind plugs for angle valve connections ½” Rp (not included)
- B – Protective blind plug for waste water connection (included)
- C – 2 adapters ½” Rp x G¾” and 2 flat seals ¾” (included)
The adapters are only pre-assembled in the swivel nuts and need to be tightened before finishing the installation.
Irrespective of the mechanical installation the Uponor Motion is always connected as shown.
Tap Water Connection


- A – Adapter ½” Rp x G¾”
- B – Uponor S-Press PLUS fitting (example only)
- C – Pipe
- Remove the pre-assembled adapter from the unit.
- Tightly connect adapter and fitting.
- Connect/press the pipes to the fitting.
- Use the included flat seal and reconnect the adapter to the unit tightly.
Loop Installation
Note
When installing the unit in a loop setup, the temperature sensors (hot and cold) must be moved to the tee of the unit tab water connections.
This means the temperatures in the system as a whole are monitored and not for the individual unit. All units in the loop installation will then perform stagnation flushes according to the temperatures in the system. Scheduled flushes and comfort flushes will still work for each unit separately.

The temperature sensors are held in place by cable ties. Cut the cable ties to remove the temperature sensors and fix them in their new position with cable ties.
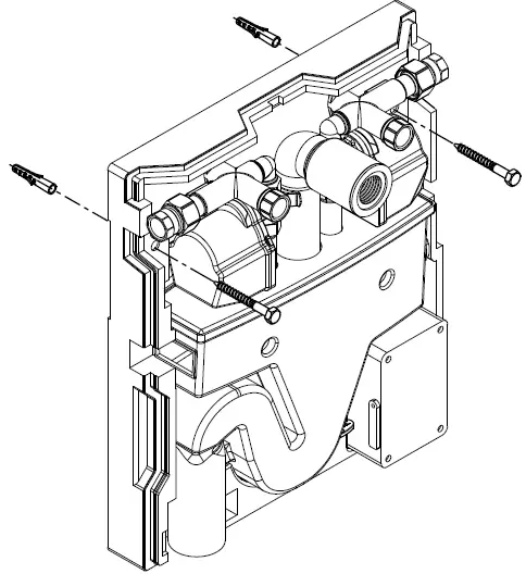
Mechanical Installation
Stand-alone Version

To mount the unit directly on the wall take the EPP cover off and drill 2x 10 mm holes through the EPP box at points A.
Make your marks on the wall accordingly and drill the holes.
Use the supplied mounting set to fasten the unit to the wall.

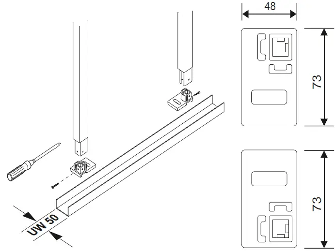
With Wall Frame
Included Mounting Accessories

- A – Sink waste water connection
- B – Wall mounting kit
- C – Sink mounting kit
- D – Floor mounting kit
- E – Adapter kit compatible with Conel
Direct to the wall



Dry-wall






Pre-wall

Note
The included adapter-set is compatible with Sanit and Conel pre-wall systems.
Also available are adapter-sets compatible with:
- Geberit GIS
- Grohe Rapid
- Viega Prevista
- TECE-Profile

Example: Adapter-set compatible with Geberit GIS
The installation in this document uses the included adapter-set.

Maintenance Cover with Frame







Electrical Installation
Warning!
The Uponor system uses 50 Hz, 230 V AC power. In case of emergency, immediately disconnect the power.
Warning!
Risk of electrical shock! Electrical installation and service behind secured 230 V AC covers must be carried out under the supervision of a qualified electrician.
Warning!
Ensure that the product and devices connected, or to be connected, are disconnected from the mains before doing any work behind the secured 230 V AC cover.
Connection terminals behind the secured covers may be connected to 230 V AC, when the product is connected to the mains.
Caution!
Only use round cables for the current IP rating to be valid. Other types of cables may let water pass through the gland/grommets of the Uponor Motion controller.
Caution!
Ensure that the silicon cover of the microSD card slot is placed correctly. Otherwise moisture may enter the Uponor Motion controller and cause damage.
Caution!
To avoid interference, keep installation/data cables away from power cables of more than 50 V.
Note
We recommend to connect the unit power mains with a separate fuse in the fuse box. This enables easy disconnecting for maintenance purposes.
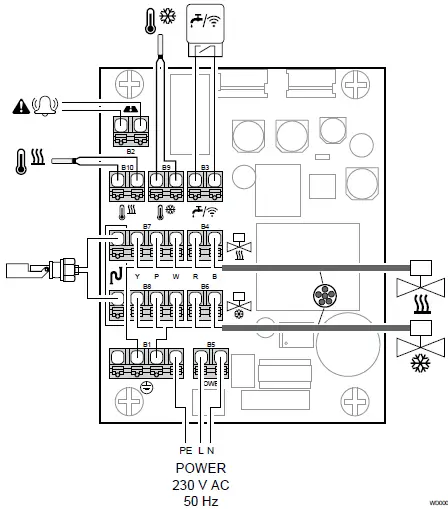
All electrical components are connected at the factory. Exceptions are the external flush/pair button (optional), external alarm (optional) and AC power mains.
For wiring diagrams see chapter “Technical data”.
Routing Cables

There are two ways to route cables into the Uponor Motion controller.
- Route the power cable (A) through the bottom cable gland.
- Route signal cables (B) through the side cable grommets.
Access Connection Terminals

Follow these steps to get access to the connection terminals.
- Remove the maintenance cover to get access to the Uponor Motion.
- Remove the inner cover of the Uponor Motion.
- Loosen the screws (A) located in each corner of the Uponor Motion controller with a quarter turn.
- Open the cover of the Uponor Motion controller.
Connect External Flush/Pair Button (Optional)

An external flush/pair push-button (optional) can be connected to the Uponor Motion controller. The relevant contact is potential free.
- Make sure the Uponor Motion is powered off.
- Remove all covers to get access to the connection terminals.
- Route the cable through an available grommet on the side.
- Connect the external flush/pair button to connection terminal B3 (0.2 – 1.5 mm²).
Connect External Alarm (Optional)

A cable for an external alarm (24 V) can be connected to the Uponor Motion controller.
- Make sure the Uponor Motion is powered off.
- Remove all covers to get access to the connection terminals.
- Route the cable through an available grommet on the side.
- Connect the external alarm to connection terminal B2 (0.2 -1.5 mm²).
Connect to AC Power

Uponor Motion must be connected to the power mains (AC power).
- Remove all covers to get access to the connection terminals.
- Route the cable through the cable gland at the bottom of the Uponor Motion controller.
- Connect L and N to connection terminal B5, and earth to connection terminal B1 (0,2 – 1,5 mm²).
Finishing Installation
- Ensure the tap water lines (hot and cold) have been flushed through the tap according to local standards. This prevents contaminants and assembly residues impacting the valve function.
- Check the tap water (hot and cold) connections for water tightness.
- Power on the Uponor Motion and verify that the green LED is on (powered, access point inactive) or flashing slowly (powered, access point active).
- Flush the Uponor Motion and check function of the valves. Also check the path of the waste water for leaks and obstructions.
- Visual inspection of the stream shaper:
Clear the stream shaper from any contaminants and assembly residues if necessary. - Optional: Change the default settings of the Uponor Motion via the app.
- Apply the supplied warning sticker in a visually prominent place.
Flushing
Remove the stream shapers and flush the system through a comfort flush to remove any contaminants and assembly residues. Put the stream shapers back into their place.
A comfort flush can be started manually at any time using the following options.
- Flush/pair button
- External flush/pair button (optional)
- Uponor Motion app
Leak Test
The Uponor Motion unit tap water connections are tested for leaks in conjunction with the whole domestic water system. The waste water parts are tested during the commissioning.
The Sticker

Place the warning sticker in a clearly visible location next to Uponor Motion and the sink.
Operation
Note
Occasionally check the app or the LEDs on the Uponor Motion controller for alarms.

- A – Power LED (green)
- B – Alarm LED (red)
- C – Clear alarm button
Power LED

Fault/Alarm LED
Warning!
Do not use the sink during an alarm. There is a risk of overflow.

Uponor Motion App
Uponor Motion is delivered and can be operated with preset default settings. Changing these settings and accessing advanced functions and settings requires the Uponor Motion app.
The Uponor Motion app allows the user to:
- View and change settings
- View estimated flush times (both hot and cold water)
- Activate a comfort flush
- Download and manage data logs
Download the Uponor Motion App
Note
Your mobile device must be connected to the internet.

Download the Uponor Motion app. It is available for iOS and Android mobile devices, use the QR-code or search in the respective app stores.
Connect the Uponor Motion App
Note
For this no internet connection is necessary.
Note
The WI-FI access point of the Uponor Motion is inactive on delivery and only needs to be activated during the initial setup or if it was manually switched off.

Connect using the flush/pair button on the Uponor Motion controller:
- Remove the maintenance cover to get access to the Uponor Motion.
- Remove the inner cover of the Uponor Motion.
- Press and hold the flush/pair button on the Uponor Motion controller (>3 sec.), the power LED starts flashing slowly (every 2 seconds). The WI-FI access point is now active.
- Start the Uponor Motion app and follow the in-app wizard.
Connect using the external flush/pair button (optional):
- Locate the external flush/pair button.
- Press and hold the external flush/pair button (>3 sec.), the power LED starts flashing slowly (every 2 seconds). The WI-FI access point is now active.
- Start the Uponor Motion app and follow the in-app wizard.
Uponor Motion App Settings
The following settings can be changed in the Uponor Motion app.
| Name | Default value | Minimum value | Maximum value | Step | Unit | Comment |
| System name | ||||||
| Wi-Fi SSID | Uponor-Motion- XXXXXX | up to 33 characters | ||||
| Wi-Fi password | motion.app | up to 65 characters | ||||
| Stagnation time | 72 | 1 | 72 | 1 | Hour | |
| Cold water maximum flush volume* | 15 | 1 | 75 | 1 | Liter | |
| Hot water maximum flush volume* | 15 | 1 | 75 | 1 | Liter | |
| Cold water minimum flush volume** | 7 | 1 | 75 | 1 | Liter | |
| Hot water minimum flush volume** | 7 | 1 | 75 | 1 | Liter | |
| Cold water target temperature | 18 | 5 | 25 | 1 | Degrees Celsius | |
| Hot water target temperature | 55 | 40 | 55 | 1 | Degrees Celsius | |
| Scheduled flush | OFF | 0:00 | 23:59 | 1 | Minutes | Twice per day, 7 days a week |
* The value for the maximum flush volume must be above the minimum flush volume.
Reset to Default Settings
Caution!
The reset to default will return all settings to the standard factory values. All adjustments made during the initial setup and afterwards will be lost, including data for scheduled flushes.
A reset to default can be done by either pressing and holding the clear alarm button for 20 seconds or by using the Uponor Motion app. The “Reset to default settings” can be found with the software version specifics.
** The value for the minimum flush volume must be below the maximum flush volume.
Stagnation Detection and Flush
During a stagnation flush hot or cold water is flushed, depending on the stagnation timers.
Uponor Motion measures the temperature of incoming hot and cold water to decide if the water is stagnant or not.
Stagnation is determined by the total time the measured temperature is outside the target temperature range. When the total time (hot or cold) reaches 72h (default) a flush cycle (only hot or cold respectively) is initiated, and the related stagnation timer is reset (0). The total time setting can be changed in the Uponor Motion app.
Scheduled Flush
Note: This function requires the Uponor Motion app to be installed on the mobile device which is to be used.
- Open the Uponor Motion app and ensure the mobile device is connected to the Uponor Motion.
- Set up the scheduled flush.
At the scheduled time the system will flush hot and cold water one after another. The Power LED flashes quickly (every 0.5 seconds) for the duration of the flush.
Comfort Flush
During a comfort flush cold and hot water are flushed one after another.
A comfort flush can be started manually at any time using the following options.
- Flush/pair button
- External flush/pair button (optional)
- Uponor Motion app
Flush/Pair Button

- Remove the maintenance cover to get access to the Uponor Motion.
- Remove the inner cover of the Uponor Motion.
- Press the flush/pair button (A) briefly (< 3 sec.).
The system will flush hot and cold water one after another. The Power LED flashes quickly (every 0.5 seconds) for the duration of the flush.
External Flush/Pair Button (Optional)
Note
This function requires an optional external flush/pair button to be connected to the Uponor Motion.
- Locate the optional external flush/pair button.
- Press the external flush/pair button briefly (< 3 sec.).
The system will flush hot and cold water one after another. The Power LED flashes quickly (every 0.5 seconds) for the duration of the flush.
Uponor Motion App
Note
This function requires the Uponor Motion app to be installed on the mobile device which is to be used.
- Open the Uponor Motion app and ensure the mobile device is connected to the Uponor Motion.
- Press the Comfort Flush button in the app.
The system will flush hot and cold water one after another. The Power LED flashes quickly (every 0.5 seconds) for the duration of the flush.
Maintenance
Caution!
Maintenance has to be carried out by qualified personnel according to local standards and regulations.
Note
For inspection and maintenance purposes the maintenance cover and the inner cover of the Uponor Motion unit need to be removed. In some cases the frame of the maintenance cover might need to be removed as well.
The Uponor Motion maintenance must be performed according to DIN EN 806-5 at an 6 month interval.
- Check that no alterations have been made regarding the use of the water exiting the unit to ensure the set up is still fit for purpose.
- Check the installation has been done according to the instructions given in the documentation.
- Visual inspection of all connections (tap water, waste water and wiring)
- Visual inspection of the overflow (water level setting)
- Check overflow exits are open and clean, clean if necessary.
- Check function of the valves with a comfort flush.
- Visual inspection of the stream shapers including placement and clean/replace as necessary.
- Check function of the overflow sensor by manually simulating overflow.
As soon as an overflow is detected the valves must close automatically and an alarm is audible for 10 seconds. This alarm is repeated every 2 minutes. - Run a comfort flush.
- Check the path of the tap water/waste water for leaks and obstructions whilst running the comfort flush.
- Optionally check the settings of the flushing parameters in the Uponor Motion app and verify the unit performs accordingly with another comfort flush.
Stream Shaper

The stream shapers should be checked twice a year and cleared/replaced as necessary.
To gain access dismount the actuators and carefully tilt the valve extension together with the top of the waste water part forwards.
Mount/Dismount Actuator

Overflow Sensor

To gain access dismount the actuators and carefully tilt the valve extension together with the top of the waste water part forwards.
Manually lift the float to check the function of the overflow sensor. The Alarm LED flashes and you hear an audible alarm. The Uponor Motion app shows “Clogged siphon” as alarm.
Automatic Preventative Maintenance
Uponor Motion is equipped with an automatic valve exercise function, which is run after about 30 days of valve inactivity. This function is designed to prevent the valve actuators from seizing up due to inactivity.
This valve exercise is set to only take place between 9 am and 5 pm. Should the 30 days of valve inactivity be reached outside these hours the valve exercise will take place at 9 am the following day.
Initiate a comfort flush to manually exercise the valve actuators.
Update Software
The Uponor Motion controller software can be updated with a new version. This is done via the microSD card.
Caution!
Do not remove the microSD card while the Uponor Motion controller is powered on. Disconnect the Uponor Motion from the mains first.
Caution!
Make sure the same microSD card is inserted into the Uponor Motion controller again when the update is finished. Otherwise your installation might stop working.
Caution!
To not damage the microSD-card, use “Safely Remove Hardware and Eject Media” when removing the microSD-card from the computer.
Caution!
Ensure that the silicon cover of the microSD card slot is placed correctly. Otherwise moisture may enter the Uponor Motion controller and cause damage.
Note
Make sure you have a microSD adapter or reader at hand. Either is needed to transfer the software to the microSD card.
Note
Finish the preparation steps before updating the software.
Preparation:
- Go to the local Uponor website.
- Locate the software update page for Uponor Motion and check if there are any new software updates available.
- Download the latest version of the software.

A – Silicone cover microSD card slot
Update Uponor Motion:
- Remove the maintenance cover to get access to the Uponor Motion.
- Remove the inner cover of the Uponor Motion.
- Power off Uponor Motion.
- Eject the microSD card from the Uponor Motion controller.
- Copy the file (UPONOR_X.Y_Z.bin, where XYZ is the current version number) to the microSD card.
- Insert the microSD card into the Uponor Motion controller.
- Make sure the cover for the microSD card slot is placed correctly.
- Power up Uponor Motion.
- The update process is now activated, and the LEDs will flash quickly (every 0.5 seconds) until finished. Then the Uponor Motion controller will restart.
NOTE! This process will take several minutes.
The software update is finished when Uponor Motion is restarted and operational again.
Datalog Report
Caution!
Do not remove the microSD card while the Uponor Motion controller is powered on. Disconnect the Uponor Motion from the mains first.
The system logs and retains time/date stamped operation data for at least 1 year internally and also on a microSD card (32GB FAT32 formatted). The internally stored data can be downloaded using the Uponor Motion app.
Logged Data


The data points are formatted in a text string with tabs and | as delimiters (use both when importing into a spreadsheet program of choice) between data types. A header is included.
The text strings are saved at two different time intervals. Every 6 hours, when no flushing is active and every 10 seconds during flushing.
Example:
Date_Time|Cold_Temperature|Hot_Temperature|
Water_Backup_sensor|Cold_Stagnation_Accumulator|
Cold_Flush_Demand|Cold_Valve_Position|
Hot_Stagnation_Accumulator|Hot_Flush_Demand|
Hot_Valve_Position|Fault_State|Alarm_State|Alarm_State_Silenced|Flush_Volume_Cold|Flush_Volume_Hot|
2020-04-15 18:28:44|24.,7|24.,8|0|0|0|closed|113|0|closed|0|0|0|0|0|
2020-04-15 18:35:29|24.8|24.8|0|0|0|closed|407|0|closed|0|0|0|0|0|
File Format
The file format of the internal data log is .csv with the file name formatted as “WI-FI SSID_’log’_date.csv”. A new file is created at the start of each month. “WI-FI SSID” is set by default to “Uponor-Motion-XXXXXX” (XXXXXX = MaC address), but can be changed in the Uponor Motion app.
If dowloading a .csv-file to the Uponor Motion app, the data from the last year will be merged into one single file and sent to the mobile device. The file name will be “WI-FI SSID_’log’_date.csv.
Default name of the files downloaded: YYYY_M_D_H_MIN_S
(Year_Month_Day_Hour_Minute_Second)
Default name of the files on the microSD card: Uponor-Motion-XXXXXX_YY-MM (XXXXXX: unique code of each installation, last digits of the MaC address_Year-Month)
Convert Log Files
Import the .csv file into a spreadsheet program for better readability.
Note
The following example uses Microsoft Excel, the look of the software can vary depending on version and settings.





- Insert the Uponor Motion microSD card into a computer.
- Open a new spreadsheet.
- (1) Select “Data” and “From Text”.
- Choose the file to import from the microSD card and click “Import”.
- (2) “Text Import Wizard – Step 1 of 3”: Press “Next” without any changes.
- (3) “Text Import Wizard – Step 2 of 3”: Delimiters = “Tab” and “Other”, “Other” being “|”. Click “Next”
- (4) “Text Import Wizard – Step 3 of 3”: “Column data format” = “General” and click “Finish”.
- (5) Click “OK” to confirm the spreadsheet choice and complete the import.
Troubleshooting
Warning!
Do not use the sink during an alarm. There is a risk of overflow.

- A – Power LED (green)
- B – Alarm LED (red)
- C – Clear alarm button
Uponor Motion detects problems in the system, such as inadequate flush cycles, out of range temperature sensors, incorrect two-way valve operations and drain water backlog.
Faults are temporary problems that do not affect the overall function of the Uponor Motion.
Alarms are problems that require attention to ensure proper function of the Uponor Motion. When such a problem occurs, operation is halted (to prevent damage). The alarm LED starts flashing and an audible alarm notifies the resident that immidiate action is required. The audible alarm can be silenced by briefly pressing the clear alarm button.
Open the Uponor Motion app to check what kind of alarm it is and how to remedy it. Detailed operating data will also be saved in the datalog (internally for download via app and on the microSD card).
Clearing Alarms
Note
Power cycling (off and on again) the Uponor Motion controller does not clear any alarms. Use the Clear alarm button.
Press and hold the Clear alarm button, for about 5 seconds, to clear any active alarms, or to silence an audible alarm (the alarm is still active though, only silenced). Uponor Motion then performs a system check, and turns off the Alarm LED if all active alarms are remedied.
If an alarm is still active though, the Alarm LED stays on (solid or flashing) until remedied and the Clear alarm button is pressed again. The system will stay in this state for about 72 hours, until returning to active alarm again (audible alarm comes on again if the alarm state is still active).
Contact the Installer
For installer contact information, see the installation report. Prepare the following information before contacting an installer:
- Installation report
- List of all alarms, including time and date
Faults
“Cold target temperature not reached” or “Hot target temperature not reached”
The Alarm LED is on.
The cold/hot water target temperature was not reached during the flush cycle. Adjust the flushing parameters according to the installation.
Press the Clear alarm button. If all alarms are remedied, the Alarm LED turns off.
“Full microSD card”
The Alarm LED is on.
Caution!
Ensure that the silicon cover of the microSD card slot is placed correctly. Otherwise moisture may enter the Uponor Motion controller and cause damage.
The microSD card is full. That means new logs won’t be stored on the microSD card.
- Take out the microSD card.
- Transfer the files from the microSD card to your Computer.
- Delete the files from the microSD card.
- Insert your microSD card into the Uponor Motion controller.
Press the Clear alarm button. If all alarms are remedied, the Alarm LED turns off.
“No microSD card”
The Alarm LED is on.
Caution!
Ensure that the silicon cover of the microSD card slot is placed correctly. Otherwise moisture may enter the Uponor Motion controller and cause damage.
The microSD card could be defective or is not properly inserted.
- Check the position of the microSD card.
- If this alarm still occurs, exchange the microSD card.
Press the Clear alarm button. If all alarms are remedied, the Alarm LED turns off.
Alarms
“Internal data files are corrupted”
The Alarm LED flashes.
The internal memory for data logging is damaged.
- Transfer the data from the microSD card (if you wish to keep it) and make sure to delete the data on the microSD card.
- Insert the empty microSD card into the Uponor Motion controller.
- Press the Clear alarm button. If all alarms are remedied, the Alarm LED turns off.
- If this alarm persists, call your installer to check the controls unit.
“Clogged Siphon”
The Alarm LED flashes and you hear an audible alarm. This is the most severe type of alarm.
The overflow sensor is activated or faulty.
- Press the clear alarm button until the audible alarm stops.
- If the alarm is reset (the Alarm LED is off) the system will continue working.
- If the alarm persists (the Alarm LED still flashes) or you can see wet areas inside the unit contact your installer.
“Unexpected signal hot temperature sensor” or “Unexpected signal cold temperature sensor”
The Alarm LED flashes.
The value read by the hot/cold temperature sensor is out of range (<105°C or >0°C).
Call the installer to check the sensor and it’s wiring.
“Faulty signal hot temperature sensor” or “Faulty signal cold temperature sensor”
The Alarm LED flashes.
The hot/cold temperature sensor or the wiring is faulty.
Call the installer to check the sensor and it’s wiring.
“No signal hot temperature sensor” or “No signal cold temperature sensor”
The Alarm LED flashes.
The hot/cold temperature sensor is not detected.
Call the installer to check the sensor and it’s wiring.
“Valve for hot water is not opening” or “Valve for cold water is not opening”
The Alarm LED flashes.
This alarm is active when the hot/cold water valve receives the signal to open, but does not register as open. The cause can be an actuator failure or a position detector failure. Either could be broken, or the wiring is faulty. If this failure appears only once, it is not critical (it could be an interference of signals) but if the problem persists it should be reviewed by an installer. It could be a wiring issue that can be solved directly or a replacement of the actuator is needed.
- Press the Clear alarm button to turn off the audible alarm.
- Try to execute a comfort flush to confirm malfunction of the valve.
- If the alarm persists or comes on during the comfort flush, call the installer to check the valve, actuator and wiring.
“Valve for hot water is not closing” or “Valve for cold water is not closing”
The Alarm LED flashes.
This alarm is active when the hot/cold water valve receives the signal to close, but does not register as closed. The cause can be an actuator failure or a position detector failure. Either could be broken, or the wiring is faulty. If this failure appears only once, it is not critical (it could be an interference of signals) but if the problem persists it should be reviewed by an installer. It could be a wiring issue that can be solved directly or a replacement of the actuator is needed.
Either
The valve is open (water is running). Call the installer to check the valve, actuator and wiring.
Installer only: To stop the water remove the actuator from the valve and close the valve manually with a slotted screwdriver.
Or
The valve is closed (water is not running).
- Press the clear alarm button to reset Uponor Motion.
- Try to execute a comfort flush to confirm malfunction of the valve.
- If the alarm persists or comes on during the comfort flush, call the installer to check the valve, actuator and wiring.
“Conflicting signals from hot water valve” or “Conflicting signals from cold water valve”
The Alarm LED flashes.
This alarm is active when the hot/cold water valve sends conflicting signals. The cause can be an actuator failure or a position detector failure. Either could be broken, or the wiring is faulty. If this failure appears only once, it is not critical (it could be an interference of signals) but if the problem persists it should be reviewed by an installer. It could be a wiring issue that can be solved directly or a replacement of the actuator is needed.
Either
The valve is open (water is running). Call the installer to check the valve, actuator and wiring.
Installer only: To stop the water remove the actuator from the valve and close the valve manually with a slotted screwdriver.
Or
The valve is closed (water is not running).
- Press the clear alarm button to reset Uponor Motion.
- Try to execute a comfort flush to confirm malfunction of the valve.
- If the alarm persists or comes on during the comfort flush, call the installer to check the valve, actuator and wiring.
Power Cut
During a power cut:
- The stagnation timers keep increasing if the temperatures were for cold water above the cold target temperature or for hot water below the hot target temperature when the power cut started.
- The stagnation timers stay on “0” if the temperatures were for cold water below the cold target temperature or for hot water above the hot target temperature when the power cut started.
- Any type of flush can only be performed once the power is back on.
- Data logs won’t be recorded during a power cut.
- All other data like scheduled flushes etc. are recovered after the power comes back on.
- After the power is back on the connection between Uponor Motion app and the unit will be restored automatically.
Connection to Uponor Motion Not Established
Note
For this no internet connection is necessary.
The internal WI-FI access point might be inactive.
To switch the internal Wi-Fi access point on/off, press and hold the flush/pair button or the external flush/pair button (>3 sec.).
- Power LED on: The WI-FI access point is inactive.
- Power LED flashes: The WI-FI access point is active.
Technical Data

Cable Specifications
Caution!
Only use round cables for the current IP rating to be valid. Other types of cables may let water pass through the gland/grommets of the Uponor Motion controller.

Wiring Diagram

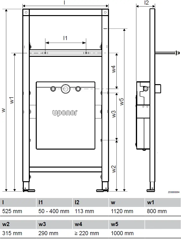
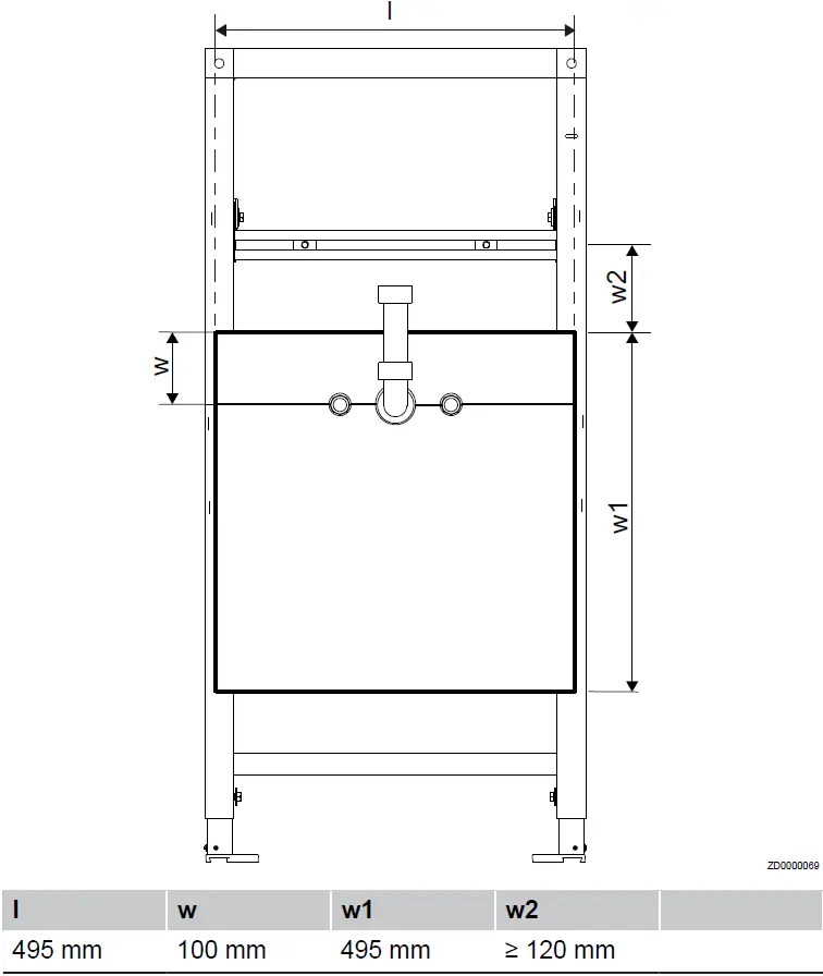
Dimensions
Stand-alone Version


With Wall Frame

Connections

Maintenance Cover with Frame


Uponor GmbH
Industriestraße 56,
D-97437 Hassfurt, Germany
Uponor reserves the right to make changes, without prior notification, to the specification of incorporated components in line with its policy of continuous improvement and development.


















