STC Smart Toilet Control
Instruction Manual
SMART TOILET CONTROL
Installation and Maintenance Instructions
Part# STC
THE FOLLOWING ARE CAUTIONARY STATEMENTS THAT MUST BE READ AND FOLLOWED DURING BOTH INSTALLATION AND OPERATION.
WARNING: Raritan Engineering Company, Inc. recommends that a qualified person or electrician install this product. Equipment damage, injury to personnel or death could result from improper installation.
Raritan Engineering
Company, Inc. accepts no responsibility or liability for damage to equipment, injury or death to personnel that may result from improper installation or operation of this product.![]()
WARNING: HAZARD OF SHOCK OR FIRE
Always use recommended fuse, circuit breaker and wire size.
Motors used with this product are “Ignition Protected”. They are not however, explosionproof as defined in 46CFR 110.15-65(e), Subchapter J-Electrical Engineering.
DO NOT run continuously for more than 30 seconds.
Panel
Control box
Description:
Smart Toilet Control (STC) is a controller for flushing toilet to optimize water use without compromising the quality of flush.
Control consists of a controller, panel and 7’ of cable.
STC is designed to automatically start a flushing cycle if NORMAL FLUSH
or WATER SAVER
buttons are pressed.
WATER ONLY
button brings inlet water to the bowl when pressed and EMPTY ONLY
button evacuates the bowl. Both water only and empty button have a time limit of eight seconds.
Flush timing of initial fill, discharge and final fill are fully programmable from the panel.
If wired, the panel also shows holding tank full status. When holding tank full LED is lit, normal and water saver button are disabled. Water only and empty button continue to function.
Control is reverse polarity protected. In case of reverse polarity motors and solenoid will activate as soon as power is connected. After reverse polarity is corrected (within 10 minutes), unit will work as normal.
OPERATION
Smart Toilet Control:
IMPORTANT: Discharge and Inlet Pump / Valve MUST BE wired for proper operation and programming.
- EMPTY ONLY

Press to evacuate the bowl. Discharge pump runs as long as this button is held with an eight second limit. if holding tank full LED is on this button still works. - WATER ONLY

Press to add water in the bowl. Inlet water solenoid/pump runs as long as button is pressed with an eight second limit. After limit is reached. this button is disabled to prevent overflow of the bowl. To enable again, EMPTY ONLY
button must be pressed. If Holding Tank Full LED is on, this button still works. - NORMAL FLUSH

Press to start timed flushing cycle. If Holding Tank Full LED is on, this button is disabled. There are three cycles of inlet and discharge. First cycle removes most of the waste. Second cycle removes remaining waste if any left after first cycle. Third cycle clears all discharge housing and lines with clean water. Last fill is to retain water in the bowl for next use. This button is disabled if Holding Tank Full LED is on. - WATER SAVER

Press to start water saver cycle. If Holding Tank Full LED is on, this button does not work. This cycle has only one cycle of inlet and discharge to clear liquid waste. Last fill is to retain water in the bowl for next use. This button is disabled if Holding Tank Full LED is on.
NOTE: Holding Tank Full light will only illuminate if the tank sensor has been added to the control.
Programming of Toilet Flush Control
The Raritan Smart Toilet Control offers two different flush modes to choose from:
Senuential Flush. In this mode, the toilet will add water and discharge waste separately. This fill/empty cycle will repeat once in WATER SAVER
and throe times during the NORMAL FLUSH
cycle. At the end of this sequence cycle, a short pause will be followed by a final fill to leave water remaining in the bowl.
This mode is designed to provide the most efficient flush possible while using the least amount of water. It keeps the discharge pump flooded while providing powerful suction to remove waste from the bowl.
NOTE: All toilets as shipped from factory are set to the Sequential mode.
Continuous Flush: In this mode, the toilet will add water to wet the bowl first and then follow with the inlet and discharge motors flushing together for the remainder of the cycle. At the end of this continuous cycle, a short pause will be followed by a final fill to leave water in the bowl. This mode may be more suitable for installations in which a continuous flow of water is desired and water use is not as great a concern.
Changing flush mode from Sequential to Continuous and vise versa:
- Hold the WATER ONLY
and EMPTY ONLY
buttons down together for three seconds. The Holding Tank Full LED will flash THREE times indicating you have entered program mode. - Push the WATER SAVER
button once. - Push the EMPTY ONLY
button. Flush mode will switch from Sequential to Continuous or vice versa.
The Holding Tank Full LED will flash THREE times indication you have left program mode.
Programming your Smart Toilet Control:
The Raritan Smart Toilet Control is factory set to work in most installations and no programming is required. The following instructions can be used to modify timings if desired:
All flush cycles have an initial fill time (TI), Discharge/ Empty time (T2) and water retention fill time (T3).
Factory default settings for the
NORMAL FLUSH
are as follows:
Sequential mode: T1= 3 sec, T2= 3 sec, T3= 2 sec
Continuous mode: T1= 3 sec, T2= 12 sec, T3= 2 sec
Step 1 – Entering program mode:
Hold the WATER ONLY
and EMPTY ONLY
buttons down together for 3 seconds. The Holding Tank Full LED will flash THREE times indicating you have entered program mode release both button.
Setting TI initial fill time:
After entering program mode (Step I above) push the NORMAL FLUSH
button once. Continue to press the NORMAL FLUSH
button equivalent to the number seconds you wish water to enter the bowl: (one push— I second, 2 pushes— 2 seconds, etc.). The Tank LED will flash after each valid key push. The maximum inlet time is 20 seconds. When finished, push the EMPTY ONLY
button to store this value and exit. The Holding Tank Full LED will flash THREE times indicating you have left program mode.
Setting T2 Discharge Pump Time:
After entering program mode (Step I above) push the EMPTY ONLY
. button once. Continue to press EMPTY ONLY
button equivalent to the number of seconds you wish water to exit the bowl: (one push— I second, 2 pushes— 2 seconds, etc.). The Tank LED will flash after each valid key push. The maximum empty time is 20 seconds. When finished, push the NORMAL FLUSH
button to store this value and exit. The Holding Tank Full LED will flash THREE times indicating you have left program mode.
NOTE: When in Continuous mode, the WATER SAVER
empty time will operate at half of the NORMAL FLUSH
time setting (Wall switch models only).
Setting T3 Water Retention Fill Time:
After placing the unit in program mode (step I) push the WATER ONLY
button once. Continue to press the WATER ONLY
button as follows to leave water standing in the bowl: (I push— ZERO seconds, 2 pushes— 2 seconds, 3 pushes— 3 seconds, etc).
The Tank LED will flash once indicating a valid key push. The maximum water retention time is 10 seconds. When finished, push the NORMAL FLUSH b button to store this value and exit. The Holding Tank Full LED will flash THREE times indication you have left program mode.
Disabling the WATER ONLY
and EMPTY ONLY
buttons (Wall switch model only):
When in the factory default mode, both the WATER ONLY
and EMPTY ONLY
buttons will only operate for maximum of eight seconds. The procedure below will disable these buttons completely if desired:
- Hold the WATER ONLY
and EMPTY ONLY
buttons down together for 3 seconds. The Holding Tank Full LED will flash THREE times indicating you have entered program mode. - Push the WATER SAVER
button. This will disable/enable this feature. - Push the WATER ONLY
button. The Holding Tank Full LED will flash THREE times indicating you have left program mode.
Repeat steps I to 3 to re-enable these buttons.
Extending pause for water retention:
Some installations may require adjustment if water siphons out of the bowl after the flush cycle is complete. This adjustment will increase the pause time between the final empty time and the water retention fill time. The factory set pause is for 2 seconds, but can be changed to 10 seconds by fol-lowing the procedure below:
- Hold the WATER ONLY
and EMPTY ONLY
buttons down together for 3 seconds. The Holding Tank Full LED will flash THREE times indicating you have entered program mode. - Push the WATER SAVER
button. This will disable/enable the 10 second pause mode. - Push the WATER SAVER
button again to exit program mode. The Holding Tank Full LED will flash THREE times indicating you have left program mode.
Repeat steps I to 3 to re-enable change between pause modes.
Mounting Control
Panel: Smart Toilet Control Panel:
- Cut out a hole per FIG 1, mark mounting holes using wall plate as guide.
- Route wire to the toilet and control.
- Secure control using mounting screws
Smart Toilet Control Box:
- Locate box near toilet in a dry and accessible area.
- Using two screws, fasten the control to wall with connectors at the bottom.
- Open cover to acess wiring connector.
- Choose one of the wiring diagrams (FIG 2, 3, 4, 5 or 6) to mute all wires.
- Replace cover.
Install the Warning Label (L322) where it can be easily seen.
For most installation factory settings will work without making any changes to timing.
To make changes to timing or after installation to optimize the flushing follow guidelines below
| Observation or Issue | Action |
| Water does not empty all the way in the first cycle | Increase discharge timing (T2) |
| Water empties, but discharge pump runs more than a second after all water is gone in first cycle | Decrease discharge time (T2) |
| Solids and toilet paper remain in the bowl after first cycle | Increase initial fill time (T1) |
| Water level in too high after initial fill cycle | Reduce water retention time (T3) |
| There is no water or little water left in the bowl | Increase water retention time (T3) |
| Water siphons out after 10 or 15 minutes from the bowl | Enable longer pause before retention fill |
WIRING:
NOTES: for Wiring
- Distances are from source to unit and back to source.
- Distance from power source to remote intake pump MUST be included when determining total distance. Same wire size MUST be used for lower base and remote intake pump.
- Recommended conductor wire minimum AWG (mm2) for 3% voltage drop.
- Recommended conductor sizes are based on 105°C rated insulation. Single conductor (not bundled), refer to ABYC Standards for sizes with other insulation ratings.
- For 120/240 VAC units, use I2VDC specifications from transformer to unit.
CONVERSIONS
Wire-AWG to rone
| AWG | 16 | 14 | 12 | 10 | 8 | 6 | 4 | 2 |
| mm2 | 1.5 | 2.5 | 4.0 | 6.0 | 10.0 | 16.0 | 25.0 | 35.0 |
Feet to Meters
| Feet | 10 | 15 | 20 | 25 | 30 | 40 | 50 |
| Meter | 3.1 | 4.6 | 6.1 | 7.6 | 9.2 | 12.2 | 15.2 |
WIRING
Recommended Wire and Fuse/Circuit Breaker Sizes
ATLANTES FREEDOM VORTEX VAC AND MARINE ELEGANCE
Table 1-Sea Water Model (sizes based on both inlet and discharge amps added
| Units Voltage | Circuit Breaker/ fuse size (amps) | Toilet Discharge Amps draw | Remote Pump Only Ampdraw | 10 feet | 15 feet | 20 feet | 30 feet | 40 feet | 50 feet |
| 12 VDC | 30 | 18 | 10 | 10 AWG | 8 AWG | 6 AWG | 4 AWG | 4 AWG | 2 AWG |
| 24 VDC | 20 | 10 | 5 | 16 AWG | 14 AWG | 12 AWG | 10 AWG | 10 AWG | 8 AWG |
Table 2- Pressurized Freshwater Model
| Units Voltage | Circuit Breaker/fuse size (amps) | Amp draw | 10 feet | 15 feet | 20 feet | 30 feet | 40 feet | 50 feet |
| 12 VDC | 25 | 18 | 10 AWG | 10 AWG | 8 AWG | 6 AWG | 6 AWG | 4 AWG |
| 24 VDC | 15 | 10 | 16 AWG | 16 AWG | 14 AWG | 12 AWG | 10 AWG | 10 AWG |
SEAERA QC MODEL 162
Table 3- Sea Water Model (sizes based on both inlet and discharge amps added)
| Units Voltage | Circuit Breaker/ fuse size (amps) | Toilet Discharge Amps draw | Remote Pump Only Ampdraw | 10 feet | 15 feet | 20 feet | 30 feet | 40 feet | 50 feet |
| 12 VDC | 25 | 13 | 10 | 10 AWG | 8 AWG | 6 AWG | 6 AWG | 4 AWG | 4 AWG |
| 24VDC | 15 | 7.5 | 5 | 16 AWG | 14 AWG | 12 AWG | 10 AWG | 10 AWG | 8 AWG |
Table 4- Pressurized Freshwater Model
| Units Voltage | Circuit Breaker/fuse size (amps) | Amp draw | 10 feet | 15 feet | 20 feet | 30 feet | 40 feet | 50 feet |
| 12 VDC | 25 | 13 | 12 AWG | 10 AWG | 10 AWG | 8 AWG | 6 AWG | 6 AWG |
| 24 VDC | 15 | 7.5 | 16 AWG | 16 AWG | 14 AWG | 12 AWG | 10 AWG | 10 AWG |
Table 5 – Remote Intake Pump Only (All Seawater Models)
| Units Voltage | Circuit Breaker/fuse size (amps) | Amp draw | 10 feet | 15 feet | 20 feet | 30 feet | 40 feet | 50 feet |
| 12 VDC | 15 | 10 | 14 AWG | 12 AWG | 10 AWG | 10 AWG | 8 AWG | 6 AWG |
| 24 VDC | 10 | 5 | 16 AWG | 16 AWG | 16 AWG | 16 AWG | 14 AWG | 12 AWG |
WIRING
WARNING: Hazard of Shock and Fire
- Always use proper wire, wire connectors and fuse/circuit breaker. See Specification Chart.
- Secure wire properly.
- Do not connect appliances to toilet circuit.
- Make sure power is off before proceeding.
- Use proper wire terminals for all wireconnections.
- Determine proper wire size by measuring distance from:
• Power Source to control box and back to power source.
• Remote pump units -determine proper wire size for remote pump from wiring diagram. - Select proper wire and fuse/circuit breaker size from Specifications on Table 1.
- Install fuse/circuit breaker in positive line at source.
- Wire control to the toilet and battery using one of the following wiring diagrams.
IMPORTANT: Discharge and Inlet Pump / Valve MUST BE wired for proper operation and programming
MSD OPERATION
- To start Electroscan or Purasan EX from Smart Toilet Control(STC), wire per Fig 6.
- To start/flush toilet by activating the Electroscan or Purasan EX, wire per Fig 7.
For Lectra/San MC, EC or Purasan call Raritan Customer Service
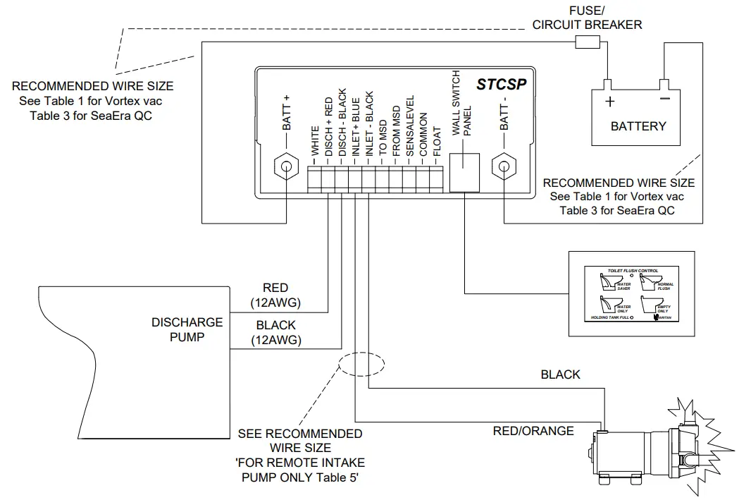
FIG 2 WIRING FOR SMART TOILET CONTROL , FRESHWATER MODEL
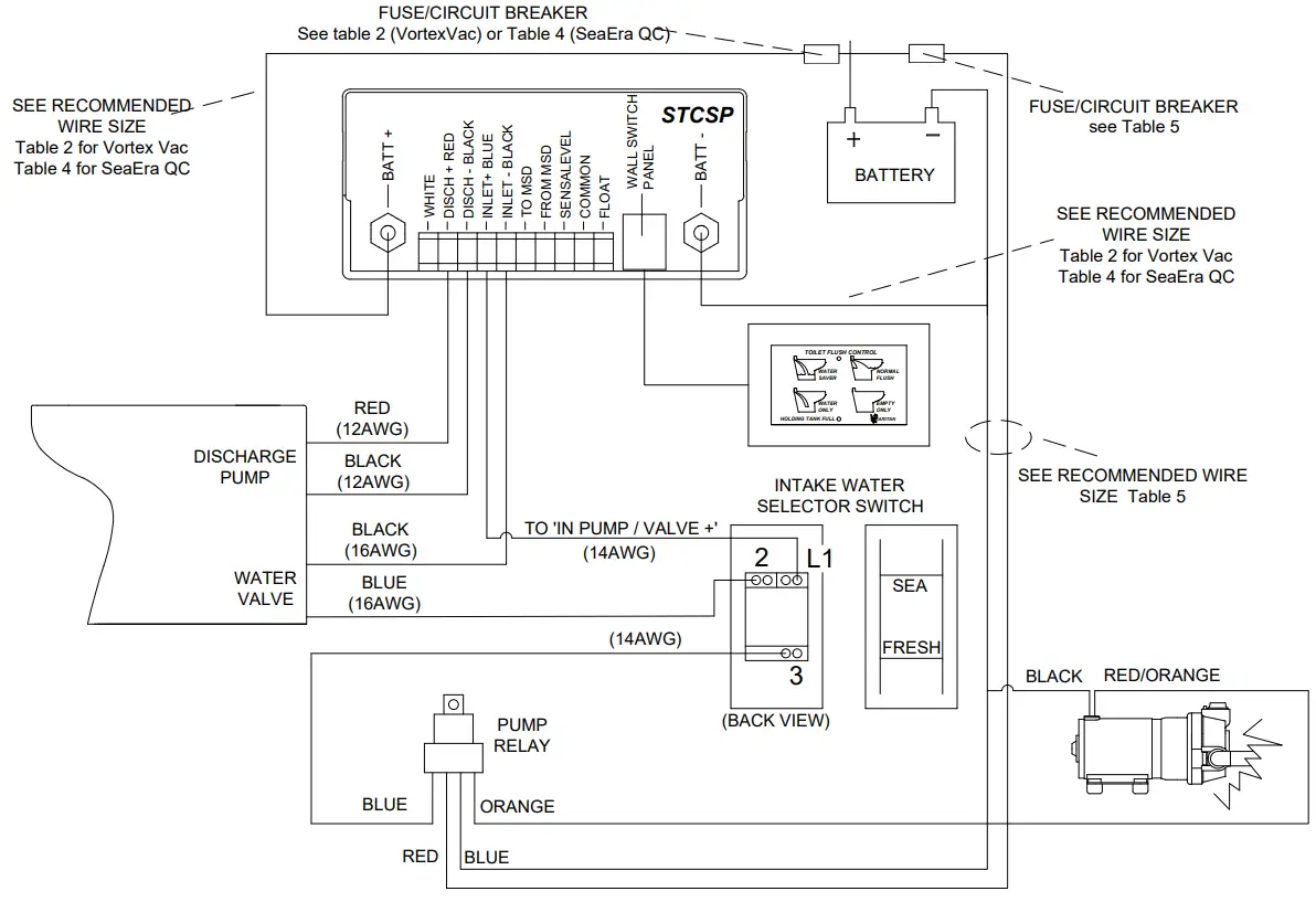
FIG 3 WIRING FOR SMART TOILET CONTROL, REMOTE PUMP MODEL
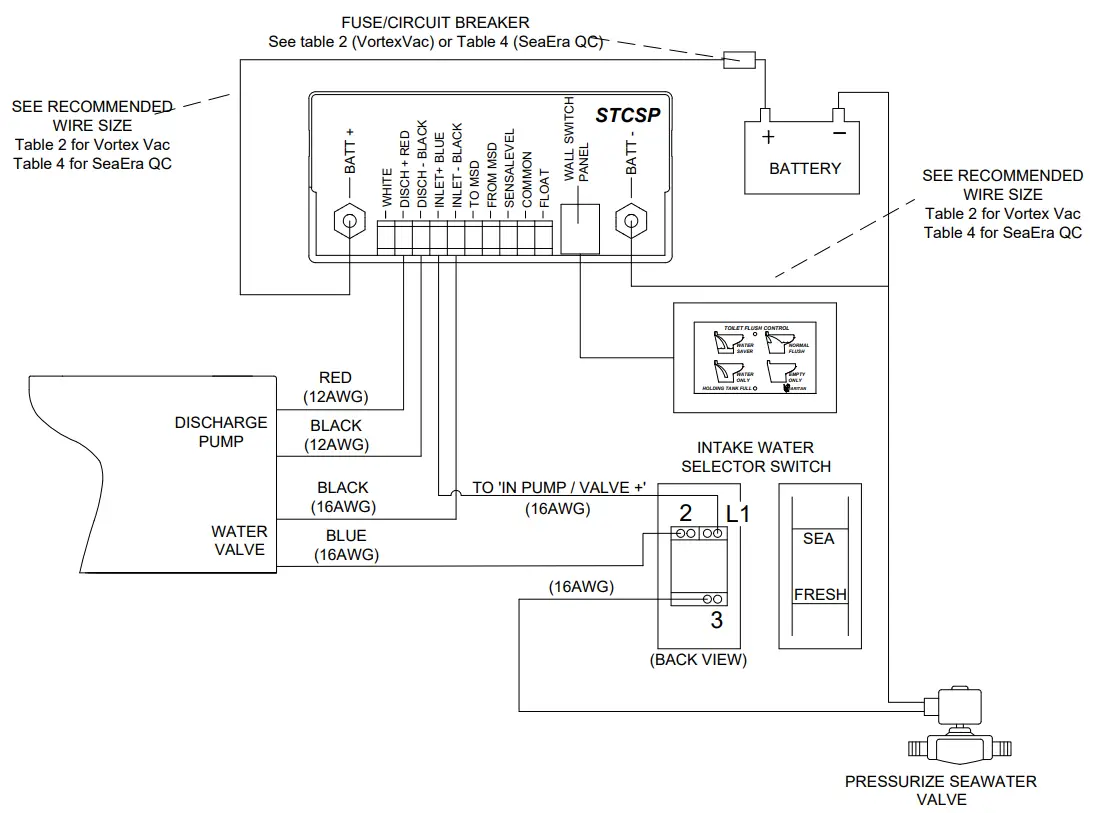
FIG 4 WIRING FOR SMART TOILET CONTROL, SEA/FRESH MODEL
FIG 5.
WIRING FOR SMART TOILET CONTROL SEA/FRESH MODEL:
PRESSURIZED SEAWATER VALVE
FIG 6
WIRING FOR SMART TOILET CONTROL WITH MSD
FIG 7
WIRING FOR SMART TOILET CONTROL WITH MSD
Replacement parts:
FOR LIMITED WARRANTY TERMS AND CONDITION
PLEASE REFER TO TOILET MANUAL
530 Orange Street, Millville, NJ
08332 USA
Telephone: 856-825-4900
FAX: 856-825-4409
www.raritaneng.com
L480 0420jlc
Specifications
Subject to Change Without Notice
Printed in U.S.A.

















