
INSTALLATION, OPERATION &
MAINTENANCE INSTRUCTIONS
Model 1119.14
Drinking Fountain
NOTE TO INSTALLER: Please leave this information with the Maintenance Department.
LIMITED WARRANTY
HAWS warrants that all of its products are guaranteed against defective material or poor workmanship for a period of one year from the date of shipment. The foregoing notwithstanding, HAWS warrants certain specific products or components thereof for an adjusted period. A list of these excepted products and components and a description of their respective warranty terms may be found here: www.hawsco.com/warranty. HAWS’ liability under this warranty shall be discharged by furnishing without charge F.O.B. HAWS factory any goods, or part thereof, which shall appear to the Company upon inspection to be of defective material or not of first-class workmanship, provided that a laim is made in writing to Company within a reasonable period after receipt of the product. Where claims for defects are made, the defective part or parts shall be delivered to the Company, prepaid, for inspection. HAWS shall not be liable for the cost of repairs, alterations or replacements, or the labor required to implement them, or for any expense connected therewith made by the owner or owner’s agents, except upon written authority from HAWS. HAWS shall not be liable for any damages caused by defective materials or poor workmanship, except for replacements, as provided above. Buyer agrees that HAWS has made no other warranties either express or implied in addition to those above stated, except that of title with respect to any of the products or equipment sold hereunder and that HAWS shall not be liable for general, special, incidental, or consequential damages claimed to arise under the contract of sale. Equipment manufactured by HAWS is warranted to function if installation and maintenance instructions provided are adhered to. The units also must be used for the purpose for which they were intended. Any HAWS emergency equipment is intended to supplement first-aid treatment. Due to widely varying conditions, HAWS cannot guarantee that the use of this emergency equipment will prevent serious injury or the aggravation of existing or prior injuries. EXCEPT AS EXPRESSLY STATED HEREIN, HAWS HEREBY DISCLAIMS ALL WARRANTIES, WHETHER EXPRESS OR IMPLIED, ARISING BY LAW OR OTHERWISE, INCLUDING WITHOUT LIMITATION, ANY IMPLIED WARRANTIES OF MERCHANTABILITY AND FITNESS FOR A PARTICULAR PURPOSE. THIS WARRANTY MAY NOT BE MODIFIED OR EXTENDED WITHOUT THE WRITTEN CONSENT OF HAWS. REMEDIES AND REPLACEMENTS STATED HEREIN ARE EXCLUSIVE. IN NO EVENT SHALL HAWS BE LIABLE FOR ANY SPECIAL, PUNITIVE, CONSEQUENTIAL OR INCIDENTAL DAMAGES TO ANY PERSON INCLUDING BUT NOT LIMITED TO DAMAGES FOR LOSS OF USE OR PROFITS, SUBSTITUTE PRODUCTS OR COSTS, PROPERTY DAMAGE, OR OTHER MONETARY LOSS.
SHOULD YOU EXPERIENCE DIFFICULTY WITH THE INSTALLATION OF THIS MODEL PLEASE CALL:
TECHNICAL SUPPORT: 1-800-766-5612
FOR CUSTOMER SERVICE: 1-888-640-4297
RECOMMENDED TOOLS: Hack saw, pipe joint sealant, screwdriver, level, 12″ adjustable wrench, 10″ pipe wrench, 5/64“ hex key wrench, 9/16”, 1/2″, 7/16” socket wrench or open end wrench.
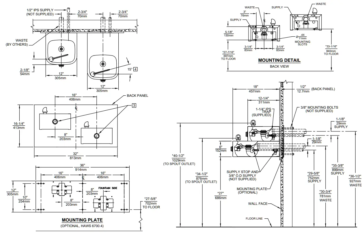
LOCATION OF UNIT: The Model 1119.14 Drinking Fountain is a wheelchair-accessible drinking water facility. The height dimensions that are shown meet current ADA requirements. When installing this unit, local, state or federal codes should be adhered to. If height other than shown is required, then dimensions must be adjusted accordingly.
SUPPLY LINE: The minimum recommended line size is 1/2″ IPS with 30-90 psi (2-6 ATM) pressure. Where sediment or mineral content is a problem, an inlet filter is recommended.
PLUMBING CONNECTIONS: Inlet is a 3/8” O.D. push-in type fitting. The waste outlet is female 1-1/4” IPS.
MAINTENANCE: Periodically clean the strainer. Refer to the 5874 Series Valve Manual for more information.
INSTALLATION PROCEDURE
GENERAL NOTES:
- For all plastic push-in type fitting connections, only connect NSF-61 copper or plastic tubing. Stainless steel or glass tubing is not recommended. The following assembly instructions must be followed to ensure a watertight connection:
a. Cut tubing square and clean.
b. Mark from end of tube the length of insertion (See table below).
c. Push tube into the fitting until it bottoms out.
d. To remove, depress collet and pull tubing out.
| Tube Sizes | O.D. Tolerance | Insertion Depth |
| 3/8” | ±.005” | 3/4” |
TROUBLESHOOTING
| PROBLEM | REPAIR CHECKLIST |
| 1. Insufficient bubbler flow. | 1a. Check that inlet screwdriver stop valve is wide open. Turn counterclockwise. 1b. Verify minimum 30 psi flowing supply pressure. 1c. Clean strainer. See 5874 Series Valve Manual 1d. Adjust valve to increase flow. Use front adjust screw or see 5874 Series Valve Manual. |
For more information about Haws products, see our website: www.hawsco.com
© 2021 Haws® Corporation – All Rights Reserved HAWS ® and other trademarks used in these materials are the exclusive property of Haws Corporation.
THIS DOCUMENT IS TRUE AND CORRECT AT TIME OF PUBLICATION. CONTINUED PRODUCT IMPROVEMENTS MAKE SPECIFICATIONS AND MEASUREMENTS SUBJECT TO CHANGE WITHOUT NOTICE.
NOTES:
- 5874PBF (ITEM 2) INCLUDES VRK5874 CARTRIDGE ASSEMBLY (ITEM 3) AND PBA6 FLANGED PUSH BUTTON (ITEM 4).
- ENSURE TUBE IS DISCONNECTED FROM PUSH BUTTON VALVE BODY PRIOR TO REMOVAL. APPLY ONE DROP OF LOCTITE 222MS TO NOZZLE THREADS PRIOR TO FASTENING BACK ONTO BUBBLER HEAD. RE-ATTACH TUBE TO VALVE.
| ITEM | DESCRIPTION | 1119.14 |
| 1 | STRAINER, WASTE ASSY | 6462 |
| 2 | BUTTON, PUSH, FLANGED, PCP W/ VALVE | 5874PBF |
| 3 | PUSH BUTTON ASSY, FLANGED, PCP | VRK5874 |
| 4 | VALVE REPAIR KIT | PBA6 |
| 5 | PLATE, BOTTOM | 5703M |
| 6 | BUBBLER HEAD ASSY, PCP | PBM1105 |
| 7 | PLATE, BOTTOM | PBM1109 |
| 8 | BACK PANEL | 5982900 |
| 9 | TRAP | 4023580 |
| 10 | PLATE, MOUNTING | 6700.4 |
* DENOTES OPTIONAL PART.

PARTS BREAKDOWN
WHEN ORDERING PARTS PLEASE SPECIFY MODEL NUMBER.
NOTES:
- HOLD ROUGH-IN DIMENSIONS ± 1/4″ (6.4mm).
- WHEN INSTALLING THIS UNIT LOCAL, STATE OR FEDERAL CODES SHOULD BE ADHERED TO. FOR INSTALLATION HEIGHTS OTHER THAN SHOWN, DIMENSIONS MARKED (*) MUST BE ADJUSTED ACCORDINGLY.
- REFER TO 5874 SERIES OPERATION AND MAINTENANCE MANUAL FOR PUSH BUTTON AND VALVE INSTALLATION/MAINTENANCE INSTRUCTIONS.
- THE MAXIMUM ADJUSTABLE RANGE IS 15° FROM PARALLEL TO THE BACK OF WALL.C
| ECN NO | REVISED ECN: 5741 | BYFV | MODEL(S) 1119.14 | PART NUMBER 0002076717 | ||||||
| DRAWN F. VASQUEZ | DATE 06/06/98 | CHKD BJM | REVISION 21 | |||||||
| APPROVED FV | DATE11/12/21 | SCALE1:1 | DRAWINGTYPE: | PARTS BREAKDOWN | SIZE:1:1 | SHEET :A | SHEET OF 111455 KLEPPE LANE | |||
SPARKS, NEVADA 89431
(775) 359-4712 FAX (775) 359-7424
E-MAIL: [email protected]
WEBSITE: WWW.HAWSCO.COM
1455 Kleppe Lane
Sparks, NV 89431-6467 (775) 359-4712
Fax (775) 359-7424
E-mail: [email protected]
website: www.hawsco.com
No. 0002076717 (21)

















