MITSUBISHI ELECTRIC MAC-397IF-E MA and Contact Terminal Interface Instruction Manual

Photo

Descriptions
Enables to control multiple air conditioners from a (remote) location by connecting the On/Off contact point. It can also control the operation of the relay with error signals by connecting the MA remote controller PAR-1MAA.
Applicable Models
- MSZ-FD09/12NA
- MSZ-GE06/09/12/18NA
- MSZ/Y-GA24NA
- MSZ-A09/12/15/17/24NA
- MSY-A15/17/24NA
- MFZ-NA
- SLZ-KA
- SEZ-KD
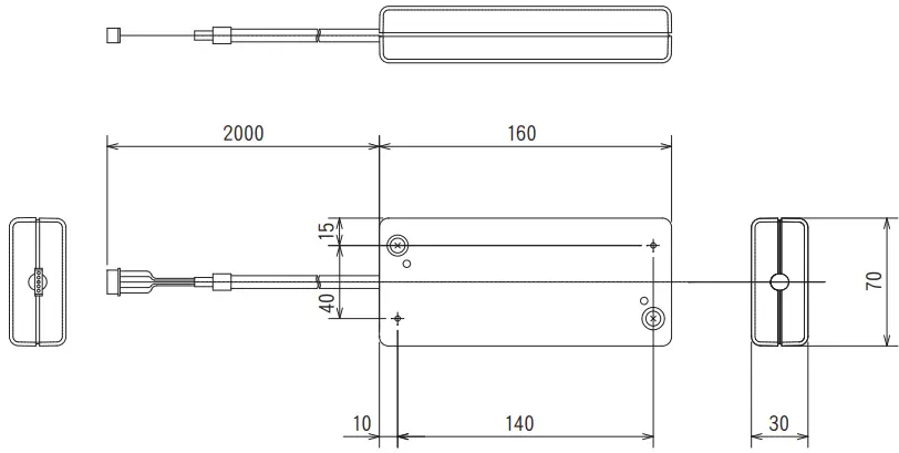
Specifications

Dimensions
Unit : mm

Safety Instructions
- Read all Safety Instructions before using this device.
- This manual contains important safety information. Be sure to comply with all instructions.
- After installing the Interface, provide this Installation Manual to the user. Instruct users to store their room air conditioner Instruction Manual and Warranty in a safe location.
![]()
Warning
(Improper handling may have serious consequences, including injury or death.)
- Users should not install the Interface on their own.
Improper installation may result in fire, electric shock, or damage/water leaks if the Interface unit falls. Consult the dealer from whom you purchased the unit or professional installer. - The Interface should be securely installed in accordance with the enclosed Installation Instructions.
Improper installation may result in fire, electric shock, or damage/water leaks if the Interface unit falls. - The unit should be mounted in a location that can support its weight.
If installed in an area that cannot support the unit, the Interface unit could fall and cause damage. - Securely attach the electrical component cover to the Interface unit.
If the electrical component cover of the Interface unit is not securely attached, dust or water penetration could occur, resulting in a fire or electric shock. - Mitsubishi components or other designated components must be used for installation.
Improper installation may result in fire, electric shock, or damage/water leaks if the Interface unit falls. - When performing electrical work, adhere to the technical standards regarding electrical equipment and the interior wiring standards, follow the instructions provided in the Instruction Manual.
Improper installation could result in a fire or electric shock.
Before Installation
How to Use the MA & CONTACT Terminal Interface
- Functions
Centralized control (Fig. 2-1)
You can turn multiple air conditioners on and off from one location. (MAC-821SC-E (8-Room))
Use as wired remote controller (Fig. 2-2)
You can use the MA remote controller as a wired remote controller. (PAR-21MAA)
Remote control (Fig. 2-3)
You can turn on and off an air conditioner from a remote location by connecting the ON/OFF contact point.
Status indicator output (Fig. 2-4)
You can control the operation of the relay with either of the on/off or error/ok status output signals.
- Sample System Configuration

- Centralized controller (MAC-821SC-E)
- MA & CONTACT Terminal Interface
- Indoor Unit
- MA remote controller
- Contact point
- Relay
- Coil
- Breaker
* A separate AC power supply is required for centralized controller.
Parts
Before installing the unit, make sure that you have all the necessary parts.
- Accessory

- Items to Be Prepared at the Installation Site

Use wires which have insulation more than the MAX voltage.
* MAX voltage is defined according to the law of the country where the interface is used.
Connecting the MA & CONTACT Terminal Interface to Indoor Unit
- Connect the interface unit and the indoor control board using the connecting cable that comes with the interface.
- Extending or shortening the connecting cable that comes out of the interface may cause it to malfunction. Also, keep the connecting cable as far as possible away from the electrical wires and ground wire. Do not bundle them together.

- When this interface unit is connected with the indoor unit, timer operation cannot be set from a wireless remote controller.
- When this interface unit is connected with the indoor unit, i-see sensor control cannot be used. Normal cooling or heating operation is performed. (MSZ-FA Series only)
Connecting the MA & CONTACT Terminal Interface with each system
(For details on each system, see the relevant instruction manual.)
- Screw the mounting cord clamp 5–7 according to the thickness of the connecting cable used for each system. Fasten the cable tie 11 as shown in the figure to prevent undesirable movement of the connecting cable.

- The cables connected to the Indoor Unit should be mounted on the Indoor Unit.
Connect example

1 Attach a mounting cord clamp 5–6 to the thick part of the connecting cable, and fix it with a screw 9.
3 Close the cover of the indoor control P.C. board. Reinstall the front panel and the lower right corner box.
- Set the interface dip switch (SW500–502) settings before turning on the power.
- If the interface dip switch (SW500–502) settings are not set correctly, the system will not function properly.
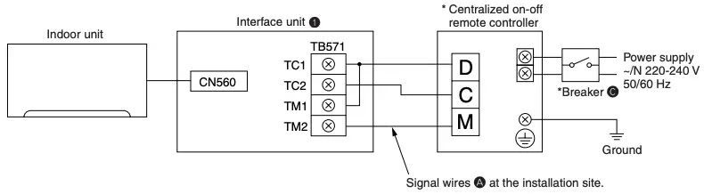
Centralized Control (When Connecting to a Centralized on-off remote Controller)

* Refer to the installation manual of centralized on-off remote controller.
Dip switch settings

Use as a Wired Remote Controller (Using the MA Remote Controller)
Note:
- Be sure to set the “Auto Heating/Cooling Display Setting” of the MA remote controller OFF before use. When the setting is turned ON, the remote controller display may differ from the actual operating status of the unit.
- For details on the “Auto Heating/Cooling Display Setting,” refer to the MA remote controller instruction manual.
- A test run cannot be initiated using the test run switch on the MA remote controller.
- The horizontal vanes on the unit cannot be operated using the louver switch.
- The range of room temperature indication is between 10°C and 38°C.

Dip switch settings
- SW500 does not have to be set.
- SW501:
SW501- No. 1–4: Refrigerant address- Set this switch when multiple indoor units (and interfaces) are connected to a MA remote controller.
- Always start the refrigerant address at “0”.
- Even when connecting multiple outdoor units, set a different refrigerant address for each indoor unit.

SW501- No. 5–6
- SW502:
- Set this switch based on the functions of the indoor unit connected to the interface.
- See the table on Page 12 and set the switch after checking the functions using the wireless remote control that comes with the indoor unit.
Remote Control (Turning Indoor Unit On and Off from the Contact Point)
- You can turn Indoor Unit on and off using an on/off switch like a light switch.
- Connect the supplied lead wires (6) 16 to the connector CN591 on the interface board.
- Wire the remote control components, including the switches, at the installation site.
- Please use extension wires with reinforced insulation.

- When the switch contact point is closed (ON), the air conditioner will turn on, and when the switch contact point is open (OFF), the air conditioner will turn off.
* When connecting the connector and the lead wire, connect them using a closed end connector as shown below.

Dip switch settings
- SW500

- SW501 and SW502 do not have to be set.
Restricting Indoor Unit Operations from the Contact Point
- You can use a coin timer or light switch to ensure that Indoor unit will not operate.
- Connect the supplied lead wires (6) 16 to the connector CN591 on the interface board.
- Wire the remote control components, including the coin timers or switches, at the installation site.
- Please use extension wires with reinforced insulation.

* When the contact point is open, the unit will turn off and will not be operable from the remote control. When the contact point is closed, the unit will turn on and will be operable from the remote control.
Dip switch settings
- SW500

- SW501 and SW502 do not have to be set.
Status Signal Output Using the Relay
- You can set the external relay to ON/OFF based on whether the Indoor unit is set to either on/off or error/ok.
- Set up and wire the relay and extension wires at the installation site.
- Please use relays with reinforced insulation.

Dip switch settings
- SW500
- When outputting the Indoor unit on/off
The relay is ON when the unit is running, and OFF when it is not.
- When outputting the Indoor unit error/ok
The relay is ON when an error has occurred, and OFF when the unit is functioning properly.
- When outputting the Indoor unit on/off
- SW501 and SW502 do not have to be set.
Dip Switch Details
- SW500 – Input/Output Mode Settings

Remote control (CN591) mode switch


- SW501: Settings when connecting an MA remote controller


- SW502 : Air Conditioner Function Settings
(Set this switch based on the functions of the M series connected to this device.)


* Fan speed 2 step model : An actual fan speed is 2 step though the display of remote controller becomes 4 step or 3 step.
Test Run (Check Operations)
- Interface status monitor
You can check the status of the interface by the LED lamp on the interface unit board.

* Use the table above to check the device operations.
Mounting the MA & CONTACT Terminal Interface Unit
When mounting the interface to the back-side dent of MFZ-KA model, be sure to apply insulation material to prevent condensation from forming.
The Interface unit should be placed in a location where the connecting cable from the interface can reach an indoor unit.
The device will not function properly if the connecting cable is extended, so the connecting cable should not be extended.
Mount the interface unit securely to a pillar or wall using 2 or more screws.
- When Using Wall Mounting Brackets 2

- When Mounting Directly to a Wall


Specifications

























