Ethernet Junction Terminal
Type 17-9065-1001 & 17-9065-1002
Operation Instruction 

![]()
Definition
With the Bartec Ethernet junction terminal type 17-9065-0001 & 17-9065-0002, it is easy to connect two Ethernet cables in a hazardous area. The Ethernet junction terminal is used for direct connection of example CAT 5/6/7/ cables with up to 4 wire pairs and transmission rates of up to 1 GBit/s.
Intended Use
The Ethernet junction terminal is designed to meet the industrial requirements in hazardous (potentially explosive) areas.
Industrial Requirements in Zone 1 & 21
The Ethernet junction terminal with terminals in Ex e increased safety”. Since the open connecting terminals are Ex e, the modules are given a partial certificate with the “U” marking.
Special Note concerning the “U” marking
The Ethernet junction terminal must be built into enclosures that conform to the requirements of a recognized type of protection in compliance with EN/IEC 60079-0 with at least IP protection type 54. When installed in an enclosure providing ‘increased safety “e”’, the clearance and creepage distance must be complied with as set out in Tables 1+2 of IEC/EN 60079-7.
Co-applicable documents
- Declaration of EU conformity
- Test certificates
The retention of these documents is mandatory!
2. Explosion protection and approvals
Ethernet Junction Terminal
17-9065-1001 & 17-9065-1002
| Certification ATEX | IBExU 21ATEX1070 U |
| Ex protection type | Ex II 2G Ex eb IIC Gb |
| Certification IECEx | IECEx IBE 21.0026 U |
| Ex protection type | Ex eb IIC Gb |
SPECIAL CONDITIONS
- The Ethernet junction terminal is fitted into an enclosure that conforms to the requirements of a type of protection recognized under EN/IEC 60079-0 Section 1.2.
- When fitted into an enclosure with the “e” increased safety type of protection under EN/IEC 60079-7:2007, the clearance and creep age distances in Section 4.3, Section
4.4 and Table 1 must be observed.
EU Conformity
| RoHS Directive | 2011/65/EU |
| ATEX Directive | 2014/34/EU |
| Product labeling | 44 |
Safety Instructions
The Ethernet junction terminal may only be operated in a clean, undamaged condition and may only be deployed within the specified temperature class and the temperature range indicated for it (see type label). The assembly/dismantling of the Ethernet junction terminal must be conducted by qualified personnel authorized, and trained to install electrical components in potentially explosive areas. The use in areas other than those specified or alteration of the product releases BARTEC from liability for defects and further liability. Modifications and changes to the module are not permitted. The generally applicable statutory regulations and other binding guidelines on occupational health and safety, accident prevention, and on environmental protection must be complied with.
Danger, Warning, and Note Symbols Safety instructions and warnings are especially highlighted in these operating instructions and marked b symbols.
DANGER sign draws attention to a direct threat that if not avoided will lead to death or very serious injuries.
WARNING draws attention to a possible threat that if not avoided can lead to death or very serious injuries.
CAUTION draws attention to a possible danger that if not avoided can lead to slight or minor injuries.
ATTENTION draws attention to a potentially damaging situation that if not avoided can cause damage to the equipment or to objects in its vicinity
NOTE Important instructions and information on effective, economical, and environmentally compatible handling.
Technical Data
Physical features
| Construction | PCB plate for direct mounting or polyester housing |
| Terminal | Push-in-soring connection |
| Mounting PCB Plate version | Direct enclosure mounting with screws |
| Mounting with polyester enclosure | Attachment onto mounting rail TH 35 x 15 (7,5) (EN/IEC 60715) |
| Mounting position | Horizontal & Vertical |
| Ambient temperature Store & transport | -40 °C to +70 °C |
| Ambient temperature assembly | -5 °C to +80 °C |
| Ambient temperature operation | -40 °C to +80 °C |
| Dimensions in mm (height x width x depth) | 20 x 99 x 64 mm (PCB plage) 20 x 72 x 50.6 mm (PCB plate) |
| Relative air humidity | 5 to 95 % non-condensing |
| Protection class terminal according to (IEC 60529) | IP 20 |
Dimension
| Dimensions in mm (height x width x depth) | Type: 17-9065-1001 20 x 99 x 64 mm |

| Dimensions in mm (height x width x depth) | Type: 17-9065-1002 20 x 72 x 50,6 mm |

Electrical Data
| Rated voltage Between terminal blocks | ≤ 63 V |
| Rated voltage Between the terminals of the terminal block | ≤ 32 V |
| Rated current | ≤ 1.0 A, per connection terminal |
| Transmission rate | 10 / 100 / 1000 Base-T |
| Power over Ethernet | Confirm PoE (802.3af 2003 …..802.3bt Type 4) |
| Power | 100 W (PoE) |
| Power loss | be Neglected |
Connection capacity
| Conductor cross-section | 0.2 mm² ….. 1.5 mm² |
| Conductor cross-section flexible | 0.2 mm² ….. 1.5 mm² |
| Conductor cross section flexible, with ferrule without plastic sleeve | 0.2 mm² ….. 0.75 mm² |
| Conductor cross section flexible, with ferrule with plastic sleeve | 0.2 mm² ….. 0.75 mm² |
| Conductor cross-section AWG | 24 …. 16 |
| Stripping length | 8 mm |
| Shield Terminal | Variable, recommended 3 to 12 mm² |
ATTENTION
Damage due to mechanical transverse forces! When connected and possibly with a solid conductor of 1.5 mm², the mechanical lateral forces, can affect the terminal
block, have to be absorbed by lateral support
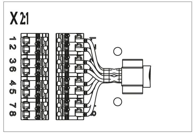
The terminals are interconnected 1 : 1, the Terminal numbering according to Ethernet RJ 45 assignment. The important one terminal block is provided per wire pair.
| Input | Output | Wiring example according to color sequence: TIA 568B | |
| 1 | 1 | WH/OG | ![]() |
| 2 | 2 | OG | ![]() |
| 3 | 3 | WH/GN | ![]() |
| 6 | 6 | GN | ![]() |
| 5 | 5 | BU | ![]() |
| 4 | 4 | WH/BU | ![]() |
| 7 | 7 | WH/BN | ![]() |
| 8 | 8 | BN | ![]() |
Transport and Storage
ATTENTION
Damage due to incorrect storage!
- Observe storage and transport temperatures.
- Condensation can arise on components in a cold environment.
- Use the original packaging for transport/storage.
Assembly
Damage caused by incorrect use!
- Installation outside of the hazardous area in the enclosure, at least IP20 or closed switchgear.
- The assembly, dismantling, installation, and commissioning may only be executed by a skilled electrician who has been authorized and trained to carry out the assembly of electrical components in a potentially explosive area.
- The pertinent regulations for setting up and operation must be observed when setting up or operating explosion-protected electrical installations. These include Directive 2014/34/EU, BetrSichV (the German Ordinance on Industrial Health and Safety), EN 60079-14, the DIN VDE 0100 series, or other nationally applicable standards or regulations.
Incorrect use, faulty installation, and operation jeopardize the explosion protection and can lead to serious injuries and damage to property.
The following special conditions must be heeded!
- Do not install and commission components that have been stored in a cold environment. Take condensation into consideration!
- Before installation, check whether the components are in perfect condition.
- Do not make any modifications and changes to the module.
- Adhere to VBG 4 § 6 par. 2 when working on the unit
- Decommission the device in the event of a fault!
Mounting 
Commissioning
Check before commissioning:
- Did the module install correctly?
- Is the enclosure not damaged?
- Did the connection establish properly?
- Correct wiring?
- Functions perfectly?
Operation
Once the final check has been conducted, the device can be put into operation.
There is a danger to life if the device is not used correctly!
- Comply with the special explosion protection conditions
- Only operate within the approved temperature range.
Fault Clearance
- Check wiring and connections.
- Check Shield
Maintenance, Inspection, Repair
Only authorized and qualified personnel may do any work on the control component.
Maintenance
If operated correctly in accordance with the installation instructions and ambient conditions, it does not require maintenance.
Inspection
Under EN/IEC 60079-17 and EN/IEC 60079-19 the owner/ managing operator of electric installations in hazardous areas is obliged to have these installations checked by a qualified electrician to ensure that they are in a proper condition.
Repair
The component cannot be repaired. Please contact BARTEC GmbH if you have any questions.
Disposal
The control components contain metallic and plastic parts and electronic parts.
Our devices involve electrical equipment which is only intended for commercial use (so-called B2B equipment in accordance with the WEEE Directive). The control components must be disposed of in accordance with national regulations. Our customers may return any products procured from us to our company for disposal. The sender must bear the costs for shipping/packing.
EU Conformity
We
BARTEC GmbH
Max-Eyth-Stral3e 16
97980 Bad Mergentheim
Germany
declare under our sole responsibility that the product Ethernet Junction Terminal
Typ 17-9065-1001/****
Typ 17-9065-1002/****
to which this declaration relates is in accordance with the provision of the following directives (D)ATEX- Directive 2014/34/EU RoHS-Directive 2011/65/EU and is in conformity with the following standards or other normative documents
EN IEC 60079-0:2018 EN IEC 60079-7:2015/A1:2018
Procedure of EU-Type Examination /Notified Body
IBU 21 ATEX 1070 Ur)
0637, IBExU, FuchsmUhlenweg 7, 09599 Freiberg, DE
el The Ex-component is a part of an electrical apparatus or a module, marked with the symbol 1? which is not intended to be used alone and requires additional consideration when incorporated into electrical apparatus or systems for use in ex-plosive atmospheres. Characteristics and how the component must be incorporated into equipment or protective systems see the operation manual of the component.
2244
Bad Mergentheim,16.09.2021

BARTEC
BARTEC GmbH.
Max-Eyth-Str. 16
97980 Bad Mergentheim
Germany
Tel.: +49 7931 597 0
Fax.: +49 7931 597 119
[email protected]
bartec.com


























