MITSUBISHI ELECTRIC PAC-SG96HR-E Power Supply Terminal Kit Instruction Manual
Photo

Descriptions
This kit (L/N/Earth) is used when the power supply of the indoor unit and the outdoor unit is separated.
(For PUHZ applications only)
Applicable Models
- PSA-RP·KA series
- PCA-M·KA series
Dimensions

Specifications
| Terminal block capacity | 30A/330V |
| Terminal block material | Denatured melamine |
| Parts composition | Terminal block (with lead wires connected) x 1, Screw x 1, Fastener (for binding lead wires) |
Photo

Descriptions
This kit (L/N) is used when the power supply of the indoor unit and the outdoor unit is separated.
(For PUHZ applications only)
Applicable Models
- PCA-RP71HAQ
- PEAD-M·JA series
Dimensions

Specifications
| Terminal block capacity | 15A/264V |
| Terminal block material | Denatured melamine |
| Parts composition | Terminal block (with lead wires connected) x 1, Screw x 1, Fastener (for binding lead wires) |
How to Use / How to Install
Overview
This kit is used when the power supply of the indoor unit and the outdoor unit is separated.
(for PUHZ applications only)
Refer to the installation manual of the indoor unit as well.
Provided parts
Comfirm the following parts are included.

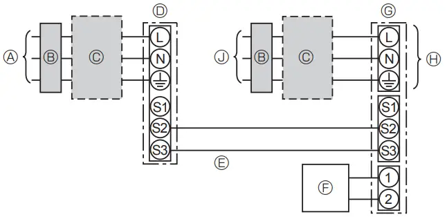
System
<For models without heater>
The indoor power supply terminal kit is required.

A Outdoor unit power supply
B Earth leakage breaker
C Wiring circuit breaker or isolating switch
D Outdoor unit
E Indoor unit / outdoor unit connecting cords
F Remote controller
G Indoor unit
H Option
J Indoor unit power supply
Affix a label B that is included with the manuals near each wiring diagram for the indoor and outdoor units.
Simultaneous twin/triple/four system
<For models without heater>
The indoor power supply terminal kits are required.

A Outdoor unit power supply
B Earth leakage breaker
C Wiring circuit breaker or isolating switch
D Outdoor unit
E Indoor unit / outdoor unit connecting cords
F Remote controller
G Indoor unit
H Option
J Indoor unit power supply
K Indoor unit earth
Affix a label B that is included with the manuals near each wiring diagram for the indoor and outdoor units.
Attachment method
PAC-SG96HR
Ceiling suspended, PCA-M∙KA type:
- Remove the cover of electric parts box.

- Attach terminal block 1 using screw 2 in the direction shown in the figure.

- Change the relay connectors of blue and yellow lead wires, secure the ground wire using screw 4 at the position shown in the figure, and then bundle the lead wires using fastener 3.

PAC-SG97HR
Ceiling suspended for kitchens, PCA-RP71HAQ type:
- Remove the terminal block cover of electric parts box.

- Attach terminal block 1 using screw 2 in the direction shown in the figure.

- Change the relay connectors of blue and yellow lead wires, and then bundle the lead wires using fastener 3.

Ceiling concealed, PEAD-M.JA type
- Remove the cover of electric parts box.

- Attach terminal block 1 using screw 2 in the direction shown in the figure.

- Change the relay connectors of blue and yellow lead wires.

Electric wiring
Be sure to do the electric wiring following the steps in each indoor unit installation manual.
Paste the labels enveloped in the instruction document of indoor unit near the electric wiring diagrams of both indoor and outdoor units.
Three types of labels (labels A-C) are provided: Paste the label B.
(Separate indoor unit/outdoor unit power supplies… Label B)
DIP switch settings of the outdoor unit control board
It is necessary to change the settings of DIP switch on the outdoor unit control board.

Test run
Perform a test run following the steps in the installation manual of the outdoor unit.
Change of connectors (except PCA-M·KA type)

(PCA-M·KA type)




























