Carrier CRECOMZR024A02 Small Rooftop Unit Instruction Manual
IMPORTANT: Read these instructions completely before attempting to install the Horizontal EconoMi$er IV Accessory.
SAFETY CONSIDERATIONS
Installation of this accessory can be hazardous due to system pressures, electrical components, and equipment location (such as a roof or elevated structure). Only trained, qualified installers and service technicians should install, start-up, and service this equipment.
When installing this accessory, observe precautions in the literature, labels attached to the equipment, and any other safety precautions that apply:
- Follow all safety codes
- Wear safety glasses and work gloves
- Use care in handling and installing this accessory
It is important to recognize safety information. This is the safety alert symbol:
. When you see this symbol on the unit and in instructions or manuals, be alert to the potential for personal injury
Understand the signal words DANGER, WARNING, CAUTION, and NOTE. These words are used with the safety-alert symbol.DANGER identifies the most serious hazards which will result in severe personal injury or death. WARNING signifies hazards which could result in personal injury or death. CAUTION is used to identify unsafe practices, which may result in minor personal injury or product and property damage.
NOTE is used to highlight suggestions which will result in enhanced installation, reliability, or operation.
WARNING
ELECTRICAL SHOCK HAZARD
Failure to follow this warning could cause personal injury or death. Before performing service or maintenance operations on the unit, always turn off main power switch(es) to unit and install lockout tag(s). Unit may have more than one power switch.
CAUTION
CUT HAZARD
Failure to follow this caution may result in personal injury.
Sheet metal parts may have sharp edges or burrs. Use care and wear appropriate protective clothing, safety glasses and gloves when handling parts and servicing roof top units.
GENERAL
The EconoMi$er IV system utilizes the latest technology available for integrating the use of free cooling with mechanical cooling for packaged rooftop units. The solid-state control system optimizes energy consumption, zone comfort, and equipment cycling by operating the compressors when the outdoor-air temperature is too warm, integrating the compressor with outdoor air when free cooling is available, and locking out the compressor when outdoor-air temperature is too cold. Demand control ventilation is supported.
The EconoMi$er IV system utilizes gear-drive technology with a direct-mount spring return actuator that will close upon loss of power. The EconoMi$er IV system comes standard with an outdoor air temperature sensor, supply air temperature sensor, and low temperature compressor lockout switch. Outdoor enthalpy, indoor enthalpy, and CO2 sensors are available for field-installation.
Standard barometric relief dampers provide natural building pressurization control. An optional power exhaust system is available for applications requiring even greater exhaust capabilities. The power exhaust set point is adjustable at the EconoMi$er IV controller. See Table 1 for package usage. See Table 2 for package contents. See Table 3 for sensor usage.
Table 1 — Package Usage
| UNIT SIZE | PART NUMBER |
| Small Cabinet, Footprint Size: 46-3/4” x 74-3/8” | CRECOMZR024A02 |
| Large Cabinet, Footprint Size: 58-1/2” x 88-1/8” | CRECOMZR025A02 |
| Extra-large Cabinet, Footprint Size: 63-3/8” x 115- 7/8” | CRECOMZR064A00 |
Table 2 — Package Contents
| PACKAGE NO. | QTY | CONTENTS |
| CRECOMZR024A02 | 1 1 1 18 1 1 1 | Hood Assembly Filter Access Door Aluminum Filter Screws EconoMi$er IV Assembly Front Blank Off Panel Supply Air Temperature Sensor |
| CRECOMZR025A02 | 1 1 1 18 1 1 1 1 | Hood Assembly Filter Access Door Aluminum Filter Screws EconoMi$er IV Assembly Supply Air Temperature Sensor Front Blank Off Panel Horizontal Blank Off Panel |
| CRECOMZR064A00 | 1 1 1 1 1 1 1 1 | Hood Assembly Filter Access Door Aluminum Filter Hardware Bag EconoMi$er IV Assembly Front Blank-Off Panel Horizontal Blank-Off Panel Supply Air Temperature Sensor |
Table 3 — EconoMi$er IV Sensor Usage
| APPLICATION | ECONOMI$ER IV WITH OUTDOOR AIR DRY BULB SENSOR |
| Accessories Required | |
| Outdoor Air Dry Bulb | None. The outdoor air dry bulb sensor is factory-installed |
| Single Enthalpy | HH57AC078 |
| Differential Enthalpy | HH57AC078 and CRENTDIF004A00* |
| CO2 for DCV Control Using a Wall-Mounted CO2 Sensor | 33ZCSENCO2 or CGCDXSEN004A00 |
| CO2 for DCV Control Using a Duct-Mounted CO2 Sensor | 33ZCSENCO2 or CGCDXSEN004A00† and 33ZCASPCO2 or CGCDXASP00100**or CRCBDIOX005A00†† |
NOTES:
- CRENTDIF004A00 accessory is used on many different base units. As such, these kits may contain parts that will not be needed for installation.
- 33ZCSENCO2 and CGCDXSEN004A00 are accessory CO2 sensors.
- 33ZCASPCO2 and CGCDXASP00100 are accessory aspirator boxes required for duct-mounted applications.
- CRCBDIOX005A00 is an accessory that contains both 33ZCSENCO2
and 33ZCASPCO2 accessories.
ACCESSORIES LIST
The EconoMi$er IV accessory has several field-installed accessories available to optimize performance. Refer to Table 4 for authorized parts and power exhaust descriptions.
Table 4 — EconoMi$er IV Field-Installed Accessories
| DESCRIPTION | PART NUMBER |
| Small and Large Cabinet Power Exhaust 208-230 v 1 Ph | CRPWREXH028A01 |
| Small and Large Cabinet Power Exhaust 460 v 3Ph | CRPWREXH029A01 |
| Extra Large Cabinet Power Exhaust 208-230 v 1Ph | CRPWREXH082A00 |
| Extra Large Cabinet Power Exhaust 460 v 3Ph | CRPWREXH083A00 |
| Outdoor Air Enthalpy Sensor | HH57AC078 |
| Indoor Air Enthalpy Sensor | CRENTDIF004A00 |
| CO2 Sensor and Aspirator Box | CRCBDIOX005A00 |
| Return Air CO2 Sensor (4 to 20 mA) | CRCBDIOX002A00 |
| CO2 Room Sensor (4 to 20 mA) | 33ZCSENCO2 or CGCDXSEN004A00 |
| Aspirator Box for Duct Mount CO2 Sensor (4 to 20 mA) | 33ZCASPCO2 or CGCDXASP001A00 |
INSTALLATION
WARNING
ELECTRICAL SHOCK HAZARD
Failure to follow this warning could result in personal injury and/or death.
Disconnect power supply and install lockout tag before attempting to install accessory.
- Turn off unit power supply(s) and install lockout tag.
- Remove the existing unit filter access panel. Raise the panel and swing the bottom outward. The panel is now disengaged from the track and can be removed and discarded. (See Fig. 1 and 2.)

Fig. 2 — Filter Access View
NOTE: Unit with hinged panels will require a hinged door seal angle kit. Use part no. CRHNGPNL001A00 for small cabinet units. Use part no. CRHNGPNL002A00 for large cabinet units.
Refer to the separate accessory installation instructions for details on installing the seal angle kit. - Remove the indoor coil access panel and discard. (See Fig. 1.)

Fig. 1 — Typical Outdoor Air Section Access Panel Locations - If the EconoMi$er IV system will be operating under enthalpy control, replace the factory installed outdoor dry bulb temperature sensor with accessory enthalpy sensor HH57AC078. (See Fig. 3.)

- The EconoMi$er IV hood assembly is shipped assembled. Aluminum filter must be installed on some models. See Fig. 4 for EonoMi$er IV hood assembly information.

Fig. 4 — EconoMi$er IV Hood Detail - Set the EconoMi$er IV system upright. (See Fig. 5.)

Fig. 5 — EconoMi$er IV Positioned for Installation in Unit - Insert the EconoMi$er IV assembly into the rooftop unit, positioning the EconoMi$er IV assembly to the far left side of the opening. (See Fig. 6.)

Fig. 6 — Top View of EconoMi$er IV Installation - Slide the EconoMi$er IV assembly all the way back into the unit until it locks into the horizontal opening of the HVAC (heating, ventilation and air conditioning) unit.
- Secure the EconoMi$er IV mounting flanges to the HVAC unit with the screws provided. (See Fig. 7.)

Fig. 7 — Top View of EconoMi$er IV Installed in Unit - Install a screw through the pre-punched hole in the EconoMi$er IV assembly into the flange on the horizontal duct opening. (See Fig. 8.)

Fig. 8 — EconoMi$er IV Installed in Unit - Remove the tape securing the relief dampers in place.
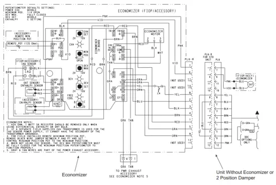
- Remove and save the 12-pin jumper plug from the unit wiring harness (located in the upper left corner of the unit). Insert the EconoMi$er IV plug into the unit wiring harness. See Fig. 9 for wiring diagram.

Fig. 9 — EconoMi$er IV Wiring
NOTE: The 12-pin jumper plug should be saved for future use, in the event that the EconoMi$er IV system is removed from the unit. The jumper plug is not needed as long as the EconoMi$er IV system is installed. - Remove the indoor fan motor access panel. (See Fig. 10.)

Fig. 10 — Typical Indoor Fan Motor Access Panel Locations - The supply air temperature sensor looks like an eyelet terminal with wires running to it. The sensor is located on the “crimp end” and is sealed from moisture.
- a. Forward Curve Fan System:
Mount the supply air temperature sensor (provided) to the lower left section of the indoor fan blower housing.
(See Fig. 11.) Use the screw provided and use existing hole. Connect the violet and pink wires to the corresponding connections on the supply air temperature sensor. (See Fig. 9.)
Fig. 11 — Supply Air Sensor Installation Location (Forward Curve Fan System) - b. Vane Axial Fan System:
Mount the supply air temperature sensor (provided) to the fan deck, near the right hand side corner post. (See Fig. 12.)
Fig. 12 — Supply Air Sensor Installation (Vane Axial Fan System)
NOTE: Be sure that the arrow on the actuator motor is pointing to “Run” and not to “Test.” If the arrow is at “Test,” the economizer damper will drive open.
Fig. 4 — EconoMi$er IV Hood DetailECONOMIZER P/N A B SHIP WT. CRECOMZR024A02 27.09” 29.19” 95 lbs CRECOMZR025A02 29.21” 37.25” 150 lb CRECOMZR064A02 24.82” 53.36” 130 lb
- a. Forward Curve Fan System:
- While everything is open install and wire any other accessories and/or sensors as applicable and convenient, per their installation instructions and/or the Configuration section of this instruction. Some accessories require that unit ducting already be installed.
- Replace the indoor fan motor access panel.
- Install the filter by opening the filter clips which are located underneath the hood top. (See Fig. 13.) Insert the aluminumfilter into the bottom filter rack (hood divider). Push the filter into position past the open filter clips. Close the filter clips to lock the filter into place. (Refer to Fig. 4.)

Fig. 13 — Hood and Access Door Installation - On some units the EconoMi$er IV assembly and hood do not reach to the top of the unit. In this case a front blank-off panel must be installed. Install provided front blank-off panel above hood. Screw in place. (See Fig. 14.)

Fig. 14 — Front Blank-Off Panel Installation (Not on All Units)
NOTE: The front blank-off panel must be installed before the hood because the top of the hood fits into a channel in the bottom of the panel. - Install the EconoMi$er IV hood over the EconoMi$er IV system. Use screws provided. (See Fig. 13 and 14.) Insert screw through right side flange of hood into EconoMi$er IV flange.
- On some units the return damper does not reach to the top of
the horizontal return opening in the unit. In this case a horizontal blank off must be installed. Install the horizontal blank-off at the top of the horizontal return opening. (See Fig. 15.) Screw in place thru pre-punched holes.
Fig. 15 — Horizontal Return Opening Blank-Off (Not on All Units) - Review the controller setting options in the Configuration section.
- a. The standard EconoMi$er IV outdoor air sensor has a factory setting of 63°F for the outdoor air temperature changeover and 55°F for the supply air temperature sensor. The outdoor air temperature setting can be adjusted on the sensor by setting the dip switches on the sensor. (See Fig. 16.) The ABCD potentiometer on the EconoMi$er IV controller should be set to the “D” position.
- b. The low temperature compressor lockout switch setting is fixed at 42°F.
- c. The minimum position for the outdoor damper can be configured at the controller. When not using CO2 sensors, set the DCV Max potentiometer to completely closed (CCW) to insure that the Minimum Position potentiometer functions correctly. When using a remote minimum position potentiometer, the MIN POS pot on the controller must be fully CW.
- d. Settings for the optional outdoor enthalpy sensor, indoor enthalpy sensor, power exhaust and CO2 sensor can be configured at the controller.
- Check all wiring for safety then reapply power to the unit. Verify correct operation and setting of the accessory(s) per the Configuration and Operations sections of the instruction.
- Install access door next to hood. Screw bottom of door to HVAC unit. (See Fig. 13 and 14.) For the economizer for the extra large cabinet, install plastic inserts on right-hand vertical post and install long gasketed screws along the vertical edge.
Use standard serrated screws along the bottom of the panel for all units.
CONFIGURATION
ECONOMI$ER IV CONTROL MODES
Determine the EconoMi$er IV control mode before set up of the control. Some modes of operation may require different sensors (See Table 3.) The EconoMi$er IV kits for field-installation are supplied from the factory with supply air temperature sensors, low temperature compressor lockout switches, and outdoor air temperature sensors. This allows for operation of the EconoMi$er IV with outdoor air dry bulb changeover control. Additional accessories can be added to allow for different types of changeover control and operation of the EconoMi$er IV system and unit.
Fig. 16 — EconoMi$er IV Controller
THERMOSTATS
The EconoMi$er IV control works with conventional thermostats that have a Y1 (cool stage 1), Y2 (cool stage 2), W1 (heat stage 1), W2 (heat stage 2), and G (fan). The EconoMi$er IV control does not support space temperature sensors. Connections are made at the thermostat section of the central terminal board located in the main unit control box. (See Fig. 17.)
Fig. 17 — Light Control Terminal Board
OCCUPANCY CONTROL (R-22 MODELS)
The factory default configuration for the EconoMi$er IV control is occupied mode. Occupied status is provided by the black wire from Pin 3. When unoccupied mode is desired, install a field-supplied timeclock function interrupting the black wire to the N terminal. (Refer to Fig. 9.) When the timeclock contacts are closed, the EconoMi$er IV control will be in occupied mode.
When the timeclock contacts are open (removing the 24-v signal from terminal N), the Economizer IV will be in unoccupied mode.
OCCUPANCY CONTROL (R-410A MODELS)
The factory default configuration for the EconoMi$er IV control is occupied mode. Occupied status is provided by installing a field-supplied timeclock function on the OCCUPANCY terminals on the CTB (Central Terminal Board) in the unit’s main control box and cutting the “CUT FOR OCCUPANCY” jumper on the CTB. (See Fig. 17.) When the timeclock contacts are closed, the EconoMi$er IV control will be in occupied mode. When the timeclock contacts are open removing the 24v signal from terminal N, the EconoMi$er IV will be in unoccupied mode.
SUPPLY AIR TEMPERATURE (SAT) SENSOR
The supply air temperature sensor is a 3 K thermistor located at the inlet of the indoor fan. (Refer to Fig. 11 and 12.) This sensor is field-installed. The operating range of temperature measurement is 0°F to 158°F. See Table 5 for sensor temperature/resistance val- ues. The temperature sensor looks like an eyelet terminal with wires running to it. The sensor is located in the “crimp end” and is sealed from moisture.
NOTE: When using differential enthalpy control and “integrated economizer operation” is desired, a 2-stage cooling thermostat is required even on 1-stage cooling units (e.g. 2-6 ton rooftop units). A thermostat lead must be made between Y2-output on thermostat and Y2-input on rooftop unit’s Central Terminal Board (CTB). (See Fig. 17.) Internal wiring between Y2-input on the unit CTB and the economizer controller’s Y2 input already exists in unit wiring harness and the economizer plug, so no field modifications are required.
Table 5 — Supply Air Sensor Temperature/ Resistance Value
| TEMPERATURE (F) | RESISTANCE (OHMS) |
| -58 | 200,250 |
| -40 | 100,680 |
| -22 | 53,010 |
| -4 | 29,091 |
| 14 | 16,590 |
| 32 | 9,795 |
| 50 | 5.970 |
| 68 | 3,747 |
| 77 | 3,000 |
| 86 | 2,416 |
| 104 | 1,597 |
| 122 | 1,080 |
| 140 | 746 |
| 158 | 525 |
| 176 | 376 |
| 185 | 321 |
| 194 | 274 |
| 212 | 203 |
| 230 | 153 |
| 248 | 116 |
| 257 | 102 |
| 266 | 89 |
| 284 | 70 |
| 302 | 55 |
LOW TEMPERATURE COMPRESSOR LOCKOUT SWITCH
The EconoMi$er IV system is equipped with a low ambient temperature lockout switch located in the outdoor airstream which is used to lock out the compressors below a 42° F ambient temperature. (Refer to Fig. 1.)
OUTDOOR AIR TEMPERATURE (OAT) SENSOR
The outdoor air temperature sensor (PN HH57AC080) is a 10 to 20 mA device used to measure the outdoor-air temperature. The outdoor-air temperature is used to determine when the EconoMi$er IV system can be used for free cooling. The sensor has 8 selectable temperature changeover set points, ranging from 48°F to 78°F. The temperature changeover is set using the 3 dip switches on the sensor. (See Fig. 18.)
Fig. 18 — Outdoor Air Temperature Changeover Set Points
OUTDOOR DRY BULB CHANGEOVER
The standard controller for field-installed accessory economizers is shipped from the factory configured for outdoor dry bulb changeover control. For this control mode, the outdoor temperature is compared to a selectable set point on the OAT sen- sor. If the outdoor-air temperature is above the set point, the EconoMi$er IV system will adjust the outdoor air dampers to min- imum position. If the outdoor air temperature is below the set point, the position of the outdoor air dampers will be controlled to provide free cooling using outdoor air. When in this mode, the Free Cool LED next to the outdoor enthalpy set point (ABCD) potentiometer will be on. The changeover temperature set point is controlled by the dip switches on the sensor. See Fig. 18 for the switch positions corresponding to the temperature changeover values. The ABCD potentiometer on the controller should be turned fully clockwise (CW) to the “D” position.
OUTDOOR ENTHALPY CHANGEOVER
For enthalpy control, accessory enthalpy sensor (PN HH57AC078) is required. Replace the standard outdoor dry bulb temperature sensor with the accessory enthalpy sensor in the same mounting location. (See Fig. 19.) When the outdoor air enthalpy rises above the outdoor enthalpy changeover set point, the outdoor-air damper moves to its minimum position The outdoor enthalpy changeover set point is set with the outdoor enthalpy set point (ABCD) potentiometer on the EconoMi$er IV controller. The set points are A, B, C, and D (See Fig. 16, 20, and 21). The factory-installed 620-ohm jumper must be in place across terminals SR and SR+ on EconoMi$er IV controller. (Refer to Fig. 9 and 16.) When not using CO2 sensors, set the DCV Max potentiometer to completely closed (CCW) to insure that the Minimum Position potentiometer functions correctly.
CAUTION
EQUIPMENT DAMAGE HAZARD
Failure to follow this caution may result in damage to equipment.
If a separate field-supplied transformer is used to power the IAQ sensor, the sensor must not be grounded or the EconoMi$er IV control board will be damaged.
CHANGEOVER TEMPERATURE
48°F
53°F
55°F
58°F
63°F
68°F
73°F
78°F
Fig. 19 — Return Air Enthalpy Sensor Mounting Location
Fig. 20 — EconoMi$er IV Controller Pontentiometer and LED Locations
DIFFERENTIAL ENTHALPY CONTROL
For differential enthalpy control, the EconoMi$er IV controller uses two enthalpy sensors, HH57AC078 in the outside air and CRENTDIF004A00 in the return airstream. The EconoMi$er IV controller compares the outdoor air enthalpy to the return air enthalpy to determine EconoMi$er IV damper position. The controller selects the lower enthalpy air (return or outdoor) for cooling. For example, when the outdoor air has a lower enthalpy than the return air, the EconoMi$er IV system opens to bring in outdoor air for free cooling. Replace the standard outside air dry bulb temperature sensor with the accessory enthalpy sensor in the same mounting location. (See Fig. 3.) Mount the return air enthalpy sensor in the return air duct. (See Fig. 9 and 19.) When using this mode of changeover control, turn the outdoor enthalpy set point (ABCD) potentiometer fully clockwise to the D setting.
POWER EXHAUST SET POINT ADJUSTMENT
If the optional power exhaust accessory is installed, the exhaust set point will determine when the power exhaust fan runs based on damper position. The set point is modified with the Exhaust Fan Set Point (EXH SET) potentiometer. (See Fig. 20.) The set point represents the damper position above which the exhaust fans will be turned on. When there is a call for exhaust, the EconoMi$er IV controller provides a 45 ± 15 second delay before exhaust fan activation to allow the dampers to open. This delay allows the damper to reach the appropriate position to avoid unnecessary fan over- load.
MINIMUM DAMPER POSITION CONTROL
There is a minimum damper position potentiometer on the EconoMi$er IV controller. (See Fig. 20.) Adjust the Min Pos potentiometer to allow the minimum or base amount of outdoor air, as required by local codes, to enter the building. Make minimum position adjustments with at least 10°F temperature difference between the outdoor and return-air temperatures. The minimum damper position maintains the minimum airflow for full occupancy into the building during the occupied period when demand control ventilation is not being used.
When the control is operating in Demand Control Ventilation (DCV) mode (see separate section following), the minimum damper position sets the minimum ventilation position for VOC (volatile organic compound) contaminant removal during lightly occupied periods. In this mode the DCV Max potentiometer is used for fully occupied ventilation.
NOTE: When DCV is not being used, set the DCV Max potentiometer to completely closed (CCW) to ensure that the Minimum Position potentiometer functions correctly. If the DCV Max is set smore open than Min Pos and <1 Vdc is detected across the CO2 sensor terminals, then DCV Max will override and become the ac- tual lower limit on damper position.
To determine the minimum position setting, perform the following procedure:
- Calculate the appropriate mixed air temperature using the following formula:
(TO x OA/100) + (TR x RA/100) = TM
TO = Outdoor-Air Temperature
OA = Percent of Outdoor Air
TR = Return-Air Temperature
RA = Percent of Return Air
TM = Mixed-Air Temperature
As an example, if DCV is not being used and local codes require 10% outdoor air during occupied conditions, outdoor-air tempera- ture is 60°F, and return-air temperature is 75°F. (60 x 0.10) + (75 x 0.90) = 73.5°F - Disconnect the supply air sensor from terminals T and T1 (see Fig. 16) and jumper them together. This fools the controller into believing the mixed air temperature is 55°F so it does not modulate the damper.
- Ensure that the factory-installed jumper is in place across terminals P and P1 (for remote control of damper position see the paragraph following.)
- Connect 24 Vac across terminals TR and TR1 (factory wiring should ensure this if the 12-pin plug is connected. Carefully adjust the Min Pos potentiometer until the measured mixedair temperature matches the calculated value. Measurement must be done with a separate thermometer or sensor accurate to ± 0.5°F because you have fooled the unit controls in Step 2 above.
- If you are going to set the DCV maximum ventilation position with the DCV Max potentiometer, do it now while you have 24 Vac across terminal TR and TR1. See the DEMAND CONTROLLED VENTILATION section following.
- Remove the jumper and reconnect the supply air sensor to terminals T and T1.
Fig. 21 — Enthalpy Changeover Setpoints
REMOTE CONTROL OF DAMPER POSITION
Remote control of the EconoMi$er IV damper is desirable when additional temporary ventilation may be required. If a field-supplied remote potentiometer (such as Honeywell part number S963B1128) is wired to the EconoMi$er IV controller, the minimum position of the damper can be controlled from a remote location. If remote damper positioning is being used, use the same Steps 1 and 2 in the MINUIMUM DAMPER POSITION CONTROL section and then follow these additional steps to determine the remote position setting for the desired percent airflow.
- Remove the factory installed black jumper connecting terminals P and P1. (See Fig. 9.)
- Turn the EconoMi$er IV Min Pos potentiometer fully clockwise.
- Connect the remote minimum position potentiometer across terminals P and P1.
- Connect 24 Vac across terminals TR and TR1.
- Carefully adjust the remote minimum position potentiometer until the measured mixed-air temperature matches the calculated value.
- Reconnect the supply air sensor to terminals T and T1.
DAMPER MOVEMENT
Damper movement from full open to full close (or vice versa) takes 3 minutes.
DEMAND CONTROLLED VENTILATION (DCV)
Demand controlled ventilation uses an optional accessory carbon dioxide (CO2) sensor to measure the amount of CO2 in indoor air.
The controller uses this input to adjust outside air ventilation to maintain indoor air quality (IAQ) based on a user configurable maximum CO2 level. This typically reduces outside air intake requirements and therefore energy consumption. See Table 6 for DVC control logic.
When using the EconoMi$er IV system for demand controlled ventilation, you will need to adjust three controller potentiometers to set:
- the minimum damper position to ventilate the lightly occupied building
- the triggering CO2 level to begin opening the damper
- the maximum damper position to provide fresh air to a fully occupied building.
The damper settings (in terms of % fresh air flow) and the CO2 level in term of parts per million (ppm) should be provided to you by the consulting engineer(s) on the job, calculated based on building codes and/or ASHRAE Standard 62.1. Examples in this instruction use typical numbers.
To set up DCV:
- Disconnect the CO2 sensor if already connected.
- Determine and set the minimum damper position per the MINIMUM DAMPER POSITION CONTROL section above, noting that the definition of minimum ventilation changes for DCV. Make sure that DCV Max potentiometer is set to completely closed (CCW) during this procedure.
- Determine and set the DCV maximum damper position using the same procedure from MINIMUM DAMPER POSITION CONTROL section above except:
- Adjust the DCV Max potentiometer instead of MIN POS.
- Determine and set the minimum CO2 value where the damper should start to open by adjusting the DCV Set potentiometer.
See also the CO2 SENSOR CONFIGURATION section following. Background CO2 level is around 400 ppm and a typical starting ventilation threshold is 600 ppm above background for a total value of 1000 ppm. The factory default setting on factory-supplied sensors is a measuring range of 0-2000 ppm with a 0-10 Vdc proportional (linear) output.
This means 1000 ppm would result in ~5V output. The DCV Set potentiometer (pot) comes from the factory set at 50%, but it is 50% of 2-10Vdc which is 6 Vdc, not 5. To set the DCV Set potentiometer correctly to activate DCV at 1000 ppm of CO2 you must do one of the following:- Provide a 5 Vdc signal (3 fresh batteries in series would give you ≥4.5 Vdc, probably closer to 4.8 Vdc) and adjust the potentiometer until the DCV LED just lights, or
- Estimate setting by adjusting pot 3/8 turn clockwise for 5 Vdc setting.
- Do not touch the pot at all. Instead adjust the voltage output range on the CO2 sensor from 0-10 Vdc default to 2-10 Vdc so it matches the pot. See also the CO2 SENSOR CONFIGURATION section following.
CO2 / INDOOR AIR QUALITY (IAQ) SENSOR
Mount the accessory IAQ sensor according to manufacturer specifications in the space or return air duct. The IAQ sensor should be wired to the AQ and AQ1 terminals of the controller.
CO2 SENSOR CONFIGURATION
Set up the CO2 sensor according to the manufacturer’s instructions that come with the unit. The default setting on factory-supplied sensors is a measuring range of 0 – 2000 ppm CO2 concentration with a 0 – 10 Vdc proportional (linear) output. If you followed the instructions above these settings should be fine as is.
Table 6 — EconoMi$er IV Input/Output Logic
| INPUTS | OUTPUTS | |||||||
| Demand Control Ventilation (DCV) | Enthalpya | Y1 | Y2 | Compressor | N Terminal b | |||
| Outdoor | Return | Stage 1 | Stage 2 | Occupied b | Unoccupied b | |||
| Damper | ||||||||
| Below Set (DCV LED Off) | High (Free Cooling Led On) | Low | On | On | On | On | Minimum position | Closed |
| On | Off | On | Off | |||||
| Off | Off | Off | Off | |||||
| Low (Free Cooling Led Off) | High | On | On | On | Off | Modulating c (between Min. position and full-open) | Modulating c (between closed and full-open | |
| On | Off | Off | Off | |||||
| Off | Off | Off | Off | Minimum position | Closed | |||
| Above Set (DCV LED On) | High(Free Cooling Led Off) | Low | On | On | On | On | Modulating d (between min. position and DCV maximum) | Modulatingd, g (between closed and DCV maximum) |
| On | Off | On | Off | |||||
| Off | Off | Off | Off | |||||
| Low (Free Cooling Led On) | High | On | On | On | Off | Modulating e | Modulating f | |
| On | Off | Off | Off | |||||
| Off | Off | Off | Off | |||||
NOTES:
- a For single enthalpy control, the module compares outdoor enthalpy to the ABCD set point.
- b Power at N terminal determines Occupied/Unoccupied setting:
- W7212: 24 vac (Occupied), no power (Unoccupied). c Modulating is based on the supply-air temperature sensor signal.
- d Modulation is based on the DCV signal. If the CO2 sensor input (AQ AQ1) terminals is < 1Vdc or the sensor has failed, the motor will drive to MIN POS or DCV MAX which ever is highest.
- e Modulation is based on the greater of DCV and mixed air sensor signals, between minimum position and either maximum position (DCV) or fully open (mixed air signal).
- f Modulating is based on the greater of DCV and mixed air sensor signals, between closed and wither maximum position (DCV) or fully open (mixed air signal).
- g Modulation is based on the DCV signal, if the CO2 sensor input (AQ AQ1) terminals is < 1Vdc or the sensor has failed, the motor will drive DCV MAX in occupied mode. When power is cut to the economizer (fan is off) then the damper will spring return closed.
NOTE: The EconoMi$er IV control assumes the presence of a correctly functioning CO2 sensor of the voltage across the AQ- AQ1 terminals 1 Vdc, because it assumes the sensors are set up for 2-10 Vdc output. Otherwise it will not operate in DCV mode and instead opens the dampers to the more open of the MIN POS and DCV Max set points. The factory-supplied sensors’ default settings are 0-10 Vdc, but because there is always CO2 in the air, it should read at least 2 Vdc in normal circumstances.
However if the factory-supplied sensor is reprogrammed (to increase the range, change the output voltage, etc.) it is possible to lower the sensor voltage output to where problems may occur.
Therefore, if you reprogram a factory-supplied CO2 sensor, you should also adjust the minimum voltage output up from 0 to 2 Vdc to avoid this issue.
Factory-supplied sensors offer the option of changing to an exponential anticipatory response. (See Fig. 22.) This generates higher output voltages at midrange sensor readings to make the controller introduce more outside ventilation air at lower CO2 concentrations. Step 3 of the DEMAND CONTROLLED VENTILATION section on page 11 shows if after DCV Set adjustment the CO2 sensor is changed from proportional to exponential, the sensor voltage output would reach 5 Vdc at a CO2 concentration below 1000 ppm, which tricks the controller into opening sooner to anticipate ventilation demands. Exponential anticipatory response would be appropriate for zones with:
- large air volumes such as gyms or theaters where higher CO2 levels might take a while to build up or reach the sensor.
- widely varying occupancy levels
- HVAC equipment that cannot exceed the required ventilation rate at design conditions. Exceeding the required ventilation rate means the equipment can condition air at a maximum ventilation rate that is greater than the required ventilation rate for maximum occupancy.

Fig. 22 — Proportional and Exponential Control
NOTE: The exponential anticipatory response setting only actually works like it should if the EconoMi$er IV control DCV Set potentiometer is adjusted based on the original linear output. If you adjust it using the actual value of exponential voltage output from the sensor, it will not respond any faster.
DEHUMIDIFICATION OF FRESH AIR WITH DCV CONTROL
Information from ASHRAE indicates that the largest humidity load on any zone is the fresh air introduced. For some applications, an energy recovery unit can be added to reduce the moisture content of the fresh air being brought into the building when the enthalpy is high. In most cases, the normal heating and cooling processes are more than adequate to remove the humidity loads for most commercial applications. If normal rooftop heating and cooling operation is not adequate for the outdoor humidity level, an energy recovery unit and/or a dehumidification option should be considered.
Operation
When outside air temperatures are below return air temperatures the possibility exists for “free cooling,” similar to opening a window instead of turning on your air conditioner. The EconoMi$er IV system opens outdoor air dampers to admit cool outside air to the inlet of the supply air fan instead of activating the unit’s compressor(s). This opening is controlled by a variety of standard and optional control strategies based on temperature, en- thalpy and/or CO2 content of indoor and/or outdoor air. Relief dampers dump relatively hotter return air outdoors at the same time, optionally assisted by the power exhaust accessory. See Table 6 for a summary of controller logic.
SEQUENCE OF OPERATION
For EconoMi$er IV operation, there must be a thermostat call for the fan (G). This will move the damper to its minimum position (as controlled by the MIN POS potentiometer) during the occupied mode. When outside air conditions are such that free cooling is not available, the compressor will be controlled by the thermostat. If free cooling can be used, as determined from the appropriate sensors (dry bulb temperature, enthalpy, or differential enthalpy) and changeover control schedule, a call for cooling (Y1 closes at the thermostat) will cause the EconoMi$er IV control to provide a 50°F to 55°F supply-air into the zone. As the supply air temperature (SAT) fluctuates above 55°F concurrent with Compressor 1 operation, the low ambient lockout thermostat will block compressor operation with EconoMi$er IV operation below 42°F outside-air temperature.
If a field-installed accessory CO2 sensor is connected to the EconoMi$er IV control, a demand controlled ventilation strategy will begin to operate in parallel with the free cooling strategy. As the CO2 level in the zone increases above the CO2 set point position (as controlled by the DCV set potentiometer), the position of the damper will be increased proportionally to the DCV Max position (as controlled by the DCV Max potentiometer). As the CO2 level decreases because of the increase in fresh air, the outdoor-air damper will be proportionally closed back down to the minimum open position. Damper position will follow the higher demand condition from the DCV mode or free cooling mode.
Performance Data
Refer to Fig. 23 for barometric relief capacity. Refer to Fig. 24 for return air pressure drop
Fig. 23 — Barometer Flow Capacity
Fig. 24 — Return Air Pressure Drop
CHECKOUT AND TROUBLESHOOTING
Checkout requires a 9V battery, 620 ohm, 1.2K ohm, 5.6K ohm, and 6.8K ohm resistors. Use Fig. 25 and Table 7 for checkout.
CAUTION
EQUIPMENT DAMAGE HAZARD.
Excessive force can damage potentiometer controls.
Use a small screwdriver when adjusting enthalpy changeover and minimum damper position controls.
Fig. 25 — Meter Location for Checkout and Troubleshooting
Table 7 — Checkout for EconoMi$er IV
| STEP | CHECKOUT PROCEDURE | PROPER RESPONSE |
| 1. | CHECKOUT PREPARATION FOR ECONOMIZING ONLY | |
| DISCONNECT POWER AT TR AND TR1 | ||
| Disconnect power at TR and TR1. | All LED are off; Exhaust Fan contacts are open. | |
| Disconnect devices at P and P1. | ||
| Jumper P to P1 (defaults to on board MIN POS potentiometer). | ||
| Place 5.6K ohm resistor across T and T1 (Blue sleeve- provides input to economizer that the MAT is between 50°F-55°F). | ||
| Jumper TR to 1 (call for cooling from the thermostat). | ||
| W7212 only: Jumper TR to N (places economizer in occupied mode). | ||
| If connected, remove C7400 Enthalpy Sensor from terminals SO and +. | ||
| Connect 1.2K ohm, from 4074EJM Checkout Resistor kit, (purple sleeve) across terminals SO and + (makes OA enthalpy high). | ||
| Place 620 ohm resistor (white sleeve) across SR and + (makes return enthalpy lower than OA). | ||
| Set MIN POS and DCV MAX potentiometers fully CCW. | ||
| Turn DCV setpoint potentiometer mid position (this sets the DCV ventilation at approximately 1000 ppm). | ||
| Turn exhaust potentiometer to mid position (motor will be approximately 50% open when the exhaust fan contacts make). | ||
| Set enthalpy potentiometer to D. | ||
| Apply power (24 Vac) to terminals TR and TR1. | ||
| 2. | DIFFERENTIAL ENTHALPY | |
| Execute step one, Checkout Preparation. | — | |
| Turn DCV MAX to mid position. | ||
| Place 620 ohm resistor across SO and + (white sleeve resistor makes OA enthalpy low). | — | |
| Place 1.2K ohm resistor across SR and + (purple sleeve resistor makes RA enthalpy high). | Free cool LED turns on; motor drives to approximately 45 degrees (half) open. | |
| Remove 620 ohm resister from SO and +. | Free cool LED turns off: motor drives closed. | |
| 3. | SINGLE ENTHALPY | |
| Execute step one, Checkout Preparation | — | |
| Turn DVC MAX to mid position | ||
| Set enthalpy potentiometer to A (fully CCW) | Free cool turns on: motor drives to approximately 45 degrees (half) open. | |
| Set enthalpy potentiometer to D (fully CW) | Free cool LED turns off: motor drives closed. | |
| 4. | DCV AND EXHAUST | |
| Execute step one, Checkout preparation. | — | |
| LED for both DCV and Exhaust should be off. | ||
| Turn DVC MAX to mid position. | Motor drives to mid position, 45 degrees open | |
| Turn MOIN POS fully CW. | Motor drives fully open | |
| Turn MIN POS and DCV MAX to fully CCW. | Motor drives fully closed | |
| Turn DCV MAX to mid position.Connect 9V battery positive to AQ and negative to AQ1. | LED for both DCV and Exhaust turn on.Actuator drives to 45 degrees open | |
| Remove jumper from N terminal (economizer goes into not occupied mode). | Motor remains at 45 degrees open. | |
| Adjust DVC MAX towards CW. | Motor will move to position set by DCV MAX pot | |
| Adjust DVC MAX to fully CCW. | Motor will drive closed | |
| Reconnect jumper to N terminal. | ||
| Adjust DVC MAX and MIN POS pots. | Motor will drive to the most open position of pots | |
| Adjust DVC MAX and MIN POS pots to fully CCW. | ||
| Remove power from N terminal adjust MIN POS towards CW. | Motor should not move | |
| Adjust DVC MAX towards CW. | Motor will move to position set by DCV MAX pot | |
| 5. | MINIMUM AND MAXIMUM POSITION | |
| Execute step one, Checkout preparation. | — | |
| Connect 9V battery positive to AQ and negative to AQ1. Adjust DCV MAX potentiometer to mid position. | DCV LED turns on, Actuator drives to 45 degrees open | |
| Turn DCV maximum position potentiometer to fully CCW. | Actuator drives fully closed | |
| Turn minimum position potentiometer to midpoint. | Actuator drives to 45 degrees open | |
| Turn minimum position potentiometer fully CW. | Actuator drives fully open | |
| Turn MIN POS to fully CCW. | Actuator drives fully closed | |
| W7212: Remove jumper from TR and N. | Actuator drives fully closed | |
| 6. | MIXED AIR INPUT | |
| Execute step one, Checkout preparation. | — | |
| Turn DCV MAX to mid position; set enthalpy potentiometer to A. | Free cool LED turns on Actuator drives to 45 degrees open | |
| Remove 5.6K ohm resistor (green sleeve) and place jumper from T and T1. | Actuator drives to 45 degrees open | |
| Remove jumper from T and T1 and leave open. | Actuator drives fully closed | |































