RKI INSTRUMENTS 82-5222 24 VDC Pneumatic ESTOP
Overview
This manual describes the 82-5222 emergency shutoff. It also describes how to install and start up the device. A spare parts list at the end of this manual lists replacement parts.
About the 82-5222
The 82-5222 is a fixed-mounted device with a solenoid valve, relay, stack light, and emergency stop button. It requires 24 VDC and compressed air to operate. The solenoid valve inside the 82-5222 is field-plumbed via the “In” and “Out” ports to a user-supplied pneumatic device. When the emergency stop button on the front of the housing door is pushed, the internal solenoid valve de-energizes and the pneumatic line between the 82-5222 and the user-supplied pneumatic device depressurizes through the vent port. A set of remote relay contacts may optionally be used to
de-energize the solenoid.
Specifications
Table 1 lists specifications for the sample drawing gas detector.
Table 1: Specifications
| Construction (housing) | • PBT/PC blend • NEMA 4X |
| Dimensions | 18.82 in. (478 mm) H x 8.09 in. (205 mm) W x 7.19 in. (183 mm) D |
| Weight | 6.1 lbs. |
| Input Power for Device | 24 VDC |
| “In” and “Out” Ports Pressure Rating | 160 psi |
WARNING: When using the 82-5222, you must follow the instructions and warnings in this manual to assure proper and safe operation of the 82-5222 and to minimize the risk of personal injury.
Description
External Description
This section describes the external components of the 82-5222.
Housing
The 82-5222’s PBT/PC blend housing is weather- and corrosion-resistant. It is suitable for installation where general-purpose equipment is in use. The housing door is hinged on the left side and is secured by two latches on the right side. A panel inside the housing allows for component installation and mounting. Four mounting feet are attached to the back of the housing (one at each corner). The mounting feet are used to install the housing to a wall.
One conduit hub on the bottom of the housing is for external wiring connections. Two compression fittings for 1/4 inch OD rigid tubing allow for compressed air to be routed to and from the 82-5222. One hose barb fitting for 1/4 inch ID flexible tubing allows for vented air to be routed away from the 82-5222 if desired.
Emergency Stop Button
When the emergency stop button on the front of the 82-5222 is pushed, the internal solenoid valve de-energizes which closes the “In” port and causes the pneumatic line between the 82-5222 and the user-supplied pneumatic device to depressurize through the vent port.
Reset a pushed button by turning it clockwise.
Stack Light
The stack light installed on the top of the housing indicates the status of the solenoid valve’s power line. When the light is green, the pneumatic line between the 82-5222 and the connected pneumatic device is pressurized. When the light is red, the “In” port is closed and the pneumatic line between the 82-5222 and the connected pneumatic device depressurizes through the vent port.
Internal Description
This section describes the internal components of the 82-5222.
Relay
A DPDT relay installed on the right side of the 82-5222 controls the stack light’s LED color and also controls the power to the solenoid valve.
Solenoid Valve
A 3-way solenoid valve installed on the left side of the 82-5222 controls the flow of connected compressed air. When the solenoid is energized, the pneumatic line between the 82-5222 and the connected pneumatic device is pressurized. When the solenoid de-energizes, it closes the “In” port and depressurizes the pneumatic line between the 82-5222 and the connected pneumatic device through the vent port.
Emergency Stop Button Connections
The emergency stop button’s wiring connections are visible on the back of the door. They are factory wired to the Field Wiring Terminal Strip.
Fuse
A 250V, 1A slow blow fuse is installed in the power line that runs to the stack light. The fuse holder is secured to the right side of the housing with a zip tie.
Field Wiring Terminal Strip
The Field Wiring Terminal Strip allows for a set of remote relay contacts to be wired into the system as an additional control over the solenoid valve. A factory-installed jumper should be left installed if remote relay contacts are not being wired to the terminal strip.
Installation
This section describes how to mount and wire the 82-5222.
Mounting
- Select the mounting site. When you select the mounting site, consider the following factors:
- Is a DC power source available?
- Is a vertical surface available to mount the 82-5222?
- Is there enough room to open the housing door, make tubing connections, and make wiring connections at the bottom of the housing?
- Is the stack light visible?
- Is the location easily accessible in case of an emergency?
- The 82-5222 is shipped with the mounting feet positioned under the housing. Loosen the screws that secure the feet to the housing, rotate the feet to their mounting position as shown in Figure 3, then tighten the screws.
- Position the 82-5222 on the vertical mounting surface.
4. Insert 3/16 in. screws through the mounting slots to secure the housing to the mounting surface.
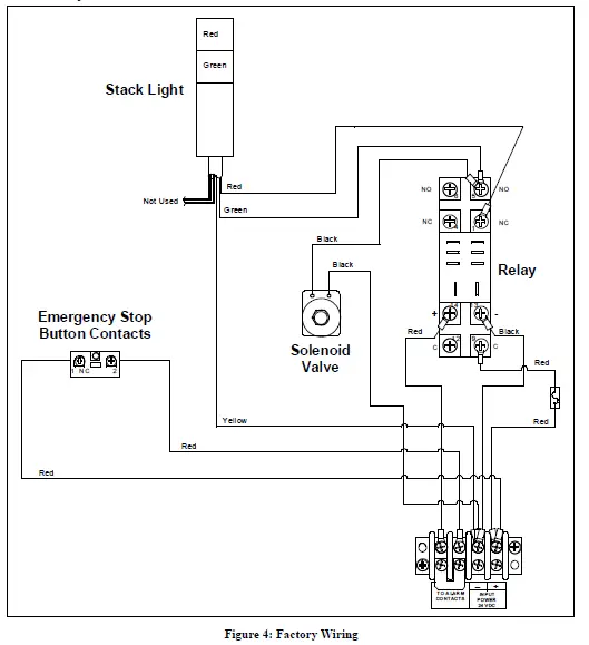
Factory Wiring
The figure below shows factory wiring connections. These wiring connections should not need adjustment.
Field Wiring
This section describes how to wire 24 VDC to power the 82-5222 and how to wire a remote relay contact into the 82-5222 (optional).
- Turn off or unplug the power to the 82-5222.
- Open the housing door.
Power Wiring - Guide a 2-conductor cable or 2 wires in conduit through the conduit hub on the bottom of the housing. Use appropriate conduit fittings and construction techniques for the environmental rating of the housing. The housing is rated NEMA 4X.
- Connect one end of both wires to the + and – terminals of a 24 VDC power source.
- Connect the other end of both wires to the appropriate “Input Power 24 VDC” terminal on the Field Wiring Terminal Strip as shown in Figure 5 below.
Remote Relay Contact Wiring
Connecting the 82-5222 to a remote relay contact is is not necessary for operation. Connecting the 82-5222 to a remote relay contact provides another way to de-energize the solenoid valve and depressurize the pneumatic line between the 82-5222 and the connected pneumatic device. If you do connect the 82-5222 to a remote relay contact, the relay contact set used must be normally open and the relay must be configured as normally energized. - Remove the jumper from the Field Wiring Terminal Strip.
NOTE: If you are not connecting a remote relay contact to the 82-5222, the jumper must stay installed. - Guide a 2-conductor cable or 2 wires in conduit through the conduit hub on the bottom of the
82- 5222 housing. Use appropriate conduit fittings and construction techniques for the environmental rating of the housing. The housing is rated NEMA 4X. - Connect the wires to the “To Alarm Contacts” terminals on the Field Wiring Terminal Strip.
- Guide the other end of the wires to the normally open remote relay contact. Use appropriate conduit fittings and construction techniques for the environmental rating of the relay contact’s housing. RKI’s controllers are rated NEMA 4X.
- Connect the wires to the NO and C contacts on the remote relay that you want to use to control the solenoid valve (as shown in Figure 5 below). When the relay contact is closed, the solenoid valve is energized and the pneumatic line between the 82-5222 and the connected pneumatic device is pressurized. When the relay contact opens, the solenoid valve de-energizes, the “In” port closes, and the pneumatic line between the 82-5222 and the pneumatic device depressurizes through the vent port.
NOTE: The relay that you connect to the 82-5222 must be configured as normally energized
- Close the housing door.
Making Tubing Connections
- Connect a compressed air source up to a maximum of 160 psi to the compression fitting labeled “In” using 1/4 inch OD stainless steel, copper, or aluminum tubing.
- Connect the compression fitting labeled “Out” to the user-supplied pneumatic device using 1/4 inch OD stainless steel, copper, or aluminum tubing.
- For each of the 82-5222’s compression fittings, hold the fitting still using a 5/8 inch open-end wrench or an adjustable wrench and firmly tighten the nut with a 9/16 inch open-end wrench or an adjustable wrench so the ferrules crimp onto the tubing and make a seal.

- If desired, connect a piece of 1/4 inch ID flexible tubing to the hose barb labeled “Vent” and route it away from the 82-5222.
Start-Up
- Be sure the emergency stop button is not pushed. If it is pushed, turn it clockwise to reset it.
- Turn on the compressed air source, power to the 82-5222, and power to the device whose relay contact is wired to the 82-5222 (if used).
- Power is immediately applied to the solenoid valve, the pneumatic line between the 82-5222 and the connected pneumatic device pressurizes, and the green LED on the stack light turns on.
Operation
Normal Operation
During normal operation, the stack light is green, the solenoid valve is energized, and the pneumatic line between the 82-5222 and the connected pneumatic device is pressurized.
Alarms
If the emergency stop button is pushed or if the remote relay contact opens (if used), the stack light turns red, the solenoid valve de-energizes, the “In” port closes, and the pneumatic line between the 82-5222 and the connected pneumatic device depressurizes through the vent port.
Twist the emergency stop button clockwise to reset it and restore power to the solenoid valve. Reset a remote relay contact alarm as described in the device’s manual.
Replacing the Fuse
- Turn off or disconnect power to the 82-5222.
- Open the 82-5222 housing door.
- Locate the fuse. It is in the power line shown below and is secured to the right side of the housing with a zip tie.

- Cut the zip tie to access the fuse holder.
- Unscrew the two halves of the fuse holder.
- Remove the old fuse.
- Install the new fuse.
- Screw the two halves of the fuse holder back together.
- Use a new zip tie to connect the fuse holder to the right side of the housing.
- Close the housing door.
- Plugin or connect power to the 82-5222.
Parts List
Table 2 lists replacement parts and accessories for the 82-5222.
Table 2: Parts List
| Part Number | Description |
| 43-4143RK | Fuse, 5 mm x 20 mm, 250V, 1A, slow blow |
| 51-0210 | Stack light, red/green, steady |
| 71-0571 | 82-5222 Operator’s Manual (this document) |























