RKI INSTRUMENTS 65-2320RK Oxygen Transmitter

WARNING
- Read and understand this instruction manual before operating detector. Improper use of the detector could result in bodily harm or death.
- Periodic calibration and maintenance of the detector is essential for proper operation and correct readings. Please calibrate and maintain this detector regularly! Frequency of calibration depends upon the type of use you have and the sensor types.
- Typical calibration frequencies for most applications are between 3 and 6 months, but can be required more often or less often based on your usage.
Product Warranty
RKI Instruments, Inc. warrants gas alarm equipment sold by us to be free from defects in materials, workmanship, and performance for a period of one year from date of shipment from RKI Instruments, Inc. Any parts found defective within that period will be repaired or replaced, at our option, free of charge. This warranty does not apply to those items which by their nature are subject to deterioration or consumption in normal service, and which must be cleaned, repaired, or replaced on a routine basis. Examples of such items are:
- a) Absorbent cartridges
- b) Pump diaphragms and valves
- c) Fuses
- d) Batteries
- e) Filter elements
- Warranty is voided by abuse including mechanical damage, alteration, rough handling, or repair procedures not in accordance with the operator’s manual. This warranty indicates the full extent of our liability, and we are not responsible for removal or replacement costs, local repair costs, transportation costs, or contingent expenses incurred without our prior approval.
- THIS WARRANTY IS EXPRESSLY IN LIEU OF ANY AND ALL OTHER WARRANTIES AND REPRESENTATIONS, EXPRESSED OR IMPLIED, AND ALL OTHER OBLIGATIONS OR LIABILITIES ON THE PART OF RKI INSTRUMENTS, INC. INCLUDING BUT NOT LIMITED TO, THE WARRANTY OF MERCHANTABILITY OR FITNESS FOR A PARTICULAR PURPOSE. IN NO EVENT SHALL RKI INSTRUMENTS, INC., BE LIABLE FOR INDIRECT,
- INCIDENTAL, OR CONSEQUENTIAL LOSS OR DAMAGE OF ANY KIND CONNECTED WITH THE USE OF ITS PRODUCTS OR FAILURE OF ITS PRODUCTS TO FUNCTION OR OPERATE PROPERLY.
- This warranty covers instruments and parts sold to users by authorized distributors, dealers, and representatives as appointed by RKI Instruments, Inc.
- We do not assume indemnification for any accident or damage caused by the operation of this gas monitor, and our warranty is limited to the replacement of parts or our complete goods.
Overview
This instruction manual describes the 65-2320RK oxygen transmitter. This manual also describes how to install, start up, configure, maintain, and calibrate the transmitter when using it with a gas monitoring controller. A parts list at the end of this manual lists replacement parts and accessories for the oxygen transmitter. See the controller operator’s manual for information specific to the controller.
Specifications
Table 1 lists the specifications for the oxygen transmitter.
Table 1: Specifications
| Target Gas | Oxygen |
| Sampling Method | Diffusion |
| Detection Range | 0 to 25% |
| Signal Output | 4 to 20 mA |
| Response Time | 90% in 30 seconds |
| Accuracy | ± 0.5% O2 |
WARNING: When using the 65-2320RK, you must follow the instructions and warnings in this manual to assure proper and safe operation of the 65-2320RK and to minimize the risk of personal injury. Be sure to maintain and periodically calibrate the 65-2320RK as described in this manual.
Description
This section describes the components of the oxygen transmitter. The oxygen transmitter is a 4 – 20 mA type detector head. It consists of an oxygen detector, amplifier, and junction box.
Oxygen Detector
- The sensing components of the detector are encapsulated within a conduit mounting black anodized aluminum housing.
- Through a series of chemical and electronic reactions, the detector produces a millivolt output that is proportional to the detection range. 3/4’’ NPT mounting threads at the top of the detector allow you to mount the detector to the junction box or a 3/4’’ NPT conduit fitting.
- Two color-coded leads extend from the top of the detector. The leads allow you to connect the detector to a controller.
Amplifier
- The amplifier converts the electrical output from the detector to a 4 to 20 mA signal that corresponds to the detection range and transmits the signal to a gas monitoring controller. A foam gasket that orients the amplifier and keeps it from rotating is installed on the bottom of the amplifier. The amplifier includes the controller terminal strip, detector terminal strip, zero pot, span pot, and test points (see Figure 1).
Controller Terminal Strip
- The controller terminal strip is a two position plug-in style terminal strip located at the top edge of the amplifier. Use the controller terminal strip to wire the amplifier to a controller.
Detector Terminal Strip
- The detector terminal strip is a four position plug-in style terminal strip located below the controller terminal strip. Two of the positions are for use with a toxic gas detector and are not used in the oxygen transmitter. Use the two detector terminal strip positions that are labelled “OXY” to connect the detector to the amplifier.
- NOTE: The detector is factory-wired to the detector terminal strip. See “Wiring the Oxygen Transmitter to a Controller” on page 5 for all wiring procedures related to the transmitter.
Zero Pot
- The zero pot is located in the upper left corner of the amplifier (see Figure 1). Use a small flat blade screwdriver to turn the zero pot’s adjustment screw and adjust the amplifier’s zero (oxygen free) output during the calibration procedure. Turn the adjustment screw clockwise to increase the zero output and counterclockwise to decrease the zero output.
Span Pot
- The span pot is located to the right of the zero pot (see Figure 1). Use a small flat blade screwdriver to turn the span pot’s adjustment screw and adjust the amplifier’s fresh air output during the start up and calibration procedure. Turn the adjustment screw clockwise to increase the fresh air output and counterclockwise to decrease the fresh air output.
CAUTION: The amplifier includes an additional potentiometer. It is factory-set. Do not adjust it.
Test Points
- The test points are on the left side of the amplifier (see Figure 1). The test points produce a 100 mV to 500 mV output that corresponds to the transmitter’s 4 to 20 mA output. Use the test points and a voltmeter to measure the amplifier’s output during the start-up and calibration procedures. The black test point in the lower left corner is the negative (-) test point and the red test point below the zero pot is the positive (+) test point.
Junction Box
- Use the junction box to install the transmitter at a mounting site that is remote from the controller. The junction box protects the amplifier and wiring connections made to the amplifier. Use the top 3/4’’ conduit hub to connect wiring from the amplifier to the controller. Use the cover on the front of the junction box to access the interior of the junction box. The detector and amplifier are factory installed in the junction box. Three spacers installed on the back of the junction box control the distance of the junction box from a mounting surface and ensure that there is enough room to install a calibration cup on the detector during calibration.
- This section describes procedures to mount the oxygen transmitter in the monitoring environment and wire the transmitter to a controller.
Mounting the Oxygen Transmitter
- Select a mounting site that is representative of the monitoring environment. Consider the following when you select the mounting site.
- Select a site where the transmitter is not likely to be bumped or disturbed. Make sure there is sufficient room to perform start-up, maintenance, and calibration procedures.
Select a site that is at a normal breathing level.
- At the monitoring site you select, hang or mount the junction box with the detector facing down (see Figure 2).
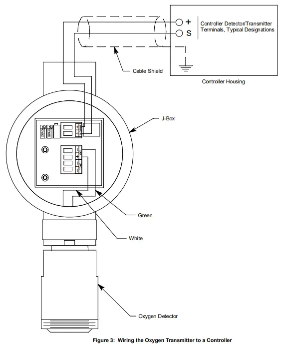
Wiring the Oxygen Transmitter to a Controller
WARNING: Always verify that the power to the controller is off before you make wiring connections.
- Turn off the controller.
- Turn off power to the controller.
- Remove the junction box cover.
- The detector leads are factory wired. Verify that the detector leads are wired to the amplifier’s detector terminal strip as shown in Figure 3.
- To gain access to a plug-in terminal strip for wiring, pull it out of its socket by grasping the terminal strip and pulling. The detector terminal strip is keyed so that the controller and detector terminal strips cannot be reversed inadvertently.
- Guide either a two-conductor, shielded cable or two wires in conduit through the top conduit hub of the junction box.
- Pull out the controller terminal strip, and connect the two wires to the terminal strip as follows (see Figure 3).
- Connect the positive wire to the SIG/PWR “+” terminal.
- Connect the signal wire to the SIG/PWR “S” terminal.
- CAUTION: If shielded cable is used, leave the cable shield’s drain wire disconnected and insulated at the transmitter. You will connect the opposite end of the cable’s drain wire to the controller’s chassis (earth) ground.
- Reinstall the controller terminal strip into its socket.
- Secure the junction box cover to the junction box.
- Route the cable or wires leading from the oxygen transmitter through one of the conduit hubs at the controller housing.
- CAUTION: Do not route power and transmitter wiring through the same controller conduit hub. The power cable may disrupt the transmission of the transmitter signal to the controller.
- Connect the wires to the applicable detector/transmitter terminal strip at the controller as shown in Figure 3.

- If shielded cable is used, connect the cable’s drain wire to an available chassis (earth) ground at the controller. RKI controllers typically have a ground stud that can be used to ground the cable’s drain wire.
Start-Up
This section describes procedures to start up the oxygen transmitter and place the transmitter into normal operation.
Introducing Incoming Power
- Complete the installation procedures described earlier in this manual.
- Verify that the power wiring to the controller is correct and secure. Refer to the controller operator’s manual.
- Turn on the power to the controller.
- Turn on the controller.
- Verify that the controller is on and operating properly. Refer to the controller operator’s manual.
CAUTION: Allow the transmitter to warm up for 5 minutes before you continue with the next section, “Verifying/Setting the Fresh Air Reading”.
Verifying/Setting the Fresh Air Reading
- NOTE: If you can verify that the detector is in a fresh air environment (an environment known to be of normal oxygen content and free of toxic and combustible gases), it is not necessary to apply zero air when verifying or setting the fresh air reading.
- The procedure below describes applying zero emission air, usually called zero air, using a calibration kit that includes a calibration cup, calibration gas, sample tubing, and a fixed flow regulator with an on/off knob. RKI Instruments, Inc. recommends using a 0.5 LPM (liters per minute) fixed flow regulator.
- Unscrew and remove the junction box cover from the junction box.
- Set a voltmeter to measure in the millivolt (mV) range.
- Plug the voltmeter leads into the test points on the amplifier. Plug the positive lead into the red + test point; plug the negative lead into the black – test point.
- Screw the calibration cup onto the bottom of the oxygen detector.
- Screw the regulator into the zero air calibration cylinder.
- Use the sample tubing to connect the regulator to the calibration cup.
- Turn the regulator’s on/off knob counterclockwise to open it. Gas will begin to flow.
- Allow the gas to flow for two minutes.
- Verify a voltmeter reading of 434 mV (±2 mV).
- If necessary, use a small flat-blade screwdriver to adjust the span pot until the voltmeter reading is 434 mV (±2 mV).
- Turn the regulator’s on/off knob clockwise to close it.
- Unscrew the calibration cup from the detector.
- Unscrew the regulator from the zero air calibration cylinder. For convenience, leave the sample tubing connected to the regulator and the calibration cup.
- Store the components of the calibration kit in a safe and convenient place.
- Remove the voltmeter leads from the test points.
- Secure the junction box cover to the junction box.
Maintenance
- This section describes maintenance procedures. It includes preventive maintenance, troubleshooting, and component replacement procedures.
Preventive Maintenance
- This section describes a preventive maintenance schedule to ensure the optimum performance of the oxygen transmitter. It includes daily, monthly, and quarterly procedures.
Daily
- Verify a display reading of 20.9% oxygen at the controller. Investigate significant changes in the display reading.
Monthly
- This procedure describes a test to verify that the oxygen transmitter responds properly to oxygen deficiency.
- NOTE: Performing a response test on the oxygen transmitter may cause alarms. Be sure to put the controller into its calibration mode or disable external alarms before performing this test.
Preparing for the response test
- Place the controller into its calibration mode or disable external alarms.
- Verify that the controller display reading for the channel you are testing is 20.9%oxygen.
- If the display reading is not 20.9% oxygen, set the fresh air reading of the transmitter as described in “Start Up” on page 7, then continue this procedure.
- Unscrew and remove the junction box cover.
- Set a voltmeter to read in the millivolt (mV) range.
- Plug the voltmeter leads into the test points on the amplifier. Plug the positive lead into the red + test point; plug the negative lead into the black – test point.
Performing the response test
- Exhale into the bottom of the oxygen detector for a few seconds.
- Stop exhaling into the bottom of the detector, then verify that the reading on the voltmeter decreased from the normal reading, 434 mV.
NOTE: If the reading does not decrease, calibrate the detector as described in “Calibration” on page 11. - Remove the voltmeter leads from the amplifier test points, then secure the junction box cover to the junction box.
- When the display reading rises above the decreasing alarm setpoint, return the controller to normal operation.
Quarterly
- Calibrate the oxygen transmitter as described in “Calibration” on page 11 of this manual. See the calibration frequency discussion in “Calibration Frequency” on page 11 to determine if a quarterly calibration schedule fits your needs.
Troubleshooting
- The troubleshooting guide describes symptoms, probable causes, and recommended action for problems you may encounter with the oxygen transmitter.
- NOTE: This troubleshooting guide describes transmitter problems only. See the controller operator’s manual for problems you may encounter with the controller.
Table 2:Troubleshooting the Oxygen Transmitter
| Condition | Symptom(s) | Probable Causes | Recommended Action |
| Fail Condition | • Controller indicates a fail condition. | • The transmitter wiring to the controller is disconnected or misconnected. • The wiring from the detector to the amplifier is disconnected or misconnected. • The transmitter’s zero reading is low enough to cause a fail condition. • The transmitter is malfunctioning. | 1. Verify that the transmitter wiring to the controller is correct and secure. 2. Verify that the wiring from the detector to the amplifier is correct and secure. 3. Perform a fresh air adjustment. A full calibration is recommended. 4. If the fail condition continues, replace the detector as described later in this section. 5. If the fail condition continues, contact RKI for further instruction. |
| Slow or No Response/ Difficult or Unable to Calibrate | • Transmitter responds slowly or does not respond to response test. • Unable to accurately set the fresh air or zero reading during calibration. • Transmitter requires frequent calibration. Note: Under “normal” circumstances, the transmitter requires calibration once every 3 months. Some applications may require a more frequent calibration schedule. | • The calibration cylinder is low, out-dated, or defective. • The calibration gas is not an appropriate concentration. • The transmitter is malfunctioning. | 1. Verify that the calibration cylinder contains an adequate supply of a fresh test sample. 2. Check the sensor face for dirt. Clean if necessary. 3. Verify that the calibration gas concentration is appropriate for the transmitter. Zero emission air (20.9% oxygen) is normally used for a fresh air adjustment if the environment is suspect and 100% nitrogen (0% oxygen) is normally used for a zero adjustment. 4. If the calibration/response difficulties continue, replace the detector as described later in this section. 5. If the calibration/response difficulties continue, contact RKI for further instruction. |
Replacing Components of the Oxygen Transmitter
This section includes a procedure to replace the oxygen detector, and a procedure to replace the amplifier.
Replacing the Oxygen Detector
- Turn off the controller.
- Turn off or unplug power to the controller.
- Remove the junction box cover.
- Remove the detector terminal strip from its socket.
- Disconnect the detector leads from the detector terminal strip. Note the position of the color-coded leads as you remove them.
- Unscrew the detector from the junction box conduit hub.
- Guide the detector leads of the replacement detector through the bottom conduit hub of the junction box, then screw the mounting threads of the detector into the conduit hub. If necessary for environmental conditions, apply thread sealant or teflon tape to the hub and/or detector threads to seal them.
- Connect the detector leads to the appropriate detector terminal strip terminals. Connect the white wire to the terminal labelled Oxy + and the green wire to the terminal labelled Oxy -. See Figure 3 on page 6 for the detector wiring connections to the amplifier.
- Reinstall the detector terminal strip into its socket.
- Reinstall the junction box cover.
- Turn on or plug in power to the controller.
- Turn on the controller and place it into normal operation.
CAUTION: Allow the replacement detector to warm up for 5 minutes before you continue with the next step. - Calibrate the replacement detector as described in “Calibration” on page
Replacing the Amplifier
- Turn off the controller.
- Turn off or unplug power to the controller.
- Remove the junction box cover.
- Unplug the detector terminal strip and controller terminal strip from their sockets. You may leave the wires connected to the terminal strips.
- Unscrew and remove the screw with the flat and lock washers that secures the amplifier to the junction box.
- Remove the old amplifier.
- Install the new amplifier into the junction box with the screw, lock washer, and flat washer you removed in Step 5 above. A foam gasket that orients the amplifier and keeps it from rotating is installed on the bottom of the amplifier. Make sure the amplifier is seated flat in the junction box.
- Install the detector and controller terminals strips into their sockets on the new amplifier as shown in Figure 3 on page 6. If controller leads or detector leads were removed during this procedure, refer to Figure 3 on page 6 for the detector and amplifier connections.
NOTE: When a transmitter is first powered up with a new amplifier, the initial output may be either high or below zero depending on the setting of the zero pot. Be sure to make arrangements so that this does not cause unwanted alarms. - Turn on power to the controller.
- Turn on the controller and place it into normal operation.
- Allow the transmitter to warm-up for 5 minutes.
- Calibrate the transmitter as described in “Calibration” on page 11 of this manual.
Calibration Frequency
Although there is no particular calibration frequency that is correct for all applications, a calibration frequency of every 3 months is adequate for most oxygen transmitter applications. Unless experience in a particular application dictates otherwise, RKI Instruments, Inc. recommends a calibration frequency of every 3 months for the oxygen transmitter.
If an application is not very demanding, for example detection in a clean, temperature controlled environment, and calibration adjustments are minimal at calibration, then a calibration frequency of every 6 months is adequate.
If an application is very demanding, for example if the environment is not well controlled, then more frequent calibration than every 3 months may be necessary.
Calibration
This section describes how to calibrate the oxygen transmitter. It includes procedures to prepare for calibration, set the fresh air reading, set the zero reading, and return to normal operation. It describes calibration using a calibration kit that includes a calibration cup, calibration gas, sample tubing, and a fixed flow regulator with an on/off knob. RKI Instruments, Inc. recommends using a 0.5 LPM (liters per minute) fixed flow regulator.
Preparing for Calibration
- Place the controller into its calibration mode or disable external alarms.
- Unscrew and remove the junction box cover.
- Set a voltmeter to measure in the millivolt (mV) range.
- Plug the voltmeter leads into the test points on the amplifier. Plug the positive lead into the red + test point; plug the negative lead into the black – test point.
- Use the following formula to determine the correct test points output for the calibrating sample.
- Output (mV) = (calibrating sample/fullscale) X 400 + 100
- The concentration of oxygen in the atmosphere is 20.9%, so when setting the fresh air reading, you will set the test points output to 434 mV (±2 mV). 434(mV) = (20.9/25) X 400 +100
NOTE: Calibrating the oxygen transmitter may cause alarms. Be sure to put the controller into its calibration program or disable external alarms before continuing.
- Screw the calibration cup onto the detector housing.
Setting the Fresh Air Reading
NOTE: If you can verify that the oxygen transmitter is in a fresh air environment, you do not need to apply zero air to the detector before adjusting the fresh air reading.
- Screw the regulator into the zero air calibration cylinder.
- Use the sample tubing to connect the regulator to the calibration cup.
- Turn the regulator knob counterclockwise to open the regulator.
- Allow the gas to flow for two minutes and verify a reading of 434 mV (±2 mV). If necessary, use the span pot on the amplifier to adjust the reading to the correct value.
- Turn the regulator knob clockwise to close the regulator.
- Unscrew the regulator from the zero air calibration cylinder. Leave the sample tubing connected to the regulator and the calibration cup.
NOTE: Depending on the size of your zero air cylinder, it is possible that you will have a different regulator for the zero air cylinder and the 100% nitrogen cylinder. If necessary to fit the nitrogen cylinder, change the regulator.
Setting the Zero Reading
- Screw the regulator into the 100% nitrogen calibration cylinder.
- Turn the regulator knob counterclockwise to open the regulator.
- Allow the calibration gas to flow for two minutes and verify a reading of 100 mV (±2 mV). If necessary, use the zero pot on the amplifier to adjust the reading to match the correct response reading.
- Turn the regulator knob clockwise to close the regulator.
- Unscrew the regulator from the calibration cylinder.
- Unscrew the calibration cup from the detector housing.
NOTE: For convenience, leave the regulator and calibration cup connected by the sample tubing.
Returning to Normal Operation
- Remove the voltmeter leads from the amplifier test points.
- Secure the junction box cover to the junction box.
- When the controller display reading rises above the decreasing alarm setpoint, return the controller to normal operation.
NOTE: If you do not allow the gas reading to increase above the decreasing alarm point, then unwanted alarms may occur. - Verify that the controller display reading increases and stabilizes at 20.9% volume.
- Store the components of the calibration kit in a safe and convenient place.
Parts List
Table 3 lists replacement parts and accessories for the oxygen transmitter.
Table 3: Parts List
| Part Number | Description |
| 06-1248RK-03 | Calibration kit sample tubing, 3 foot length |
| 18-0400RK-01 | Junction box with rubber spacers |
| 57-1064RK-01 | S2 series oxygen amplifier, w/orienting gasket, 0 – 25% |
| 65-2320RK | Oxygen transmitter, non-explosion proof, includes detector |
| 65-2510RK | Oxygen detector, non-explosion proof |
| 71-0173RK | 65-2320RK Operator’s Manual (this document) |
| 81-0076RK | Zero air calibration cylinder, 17 liter steel |
| 81-0076RK-01 | Zero air calibration cylinder, 34 liter steel |
| 81-0076RK-03 | Zero air calibration cylinder, 103 liter steel |
| 81-0078RK | 100% nitrogen calibration cylinder, 17 liter steel |
| 81-0078RK-01 | 100% nitrogen calibration cylinder, 34 liter steel |
| 81-0078RK-03 | 100% nitrogen calibration cylinder, 103 liter steel |
| 81-F301RK | Calibration kit for oxygen detector head, 103 liter |
| 81-F301RK-LV | Calibration kit for oxygen detector head, 34 liter |
| 81-1050RK | Regulator with gauge and knob, 0.5 LPM, for 17 liter and 34 liter steel calibration cylinders |
| 81-1051RK | Regulator with gauge and knob, 0.5 LPM, for 34AL/58/103 liter calibration cylinders |
| 81-1117RK | Calibration cup |





















